四川省德阳市第三中学2022-2023学年高三上学期第一次综合考试(开学考试)化学试题(Word版含答案)
展开
这是一份四川省德阳市第三中学2022-2023学年高三上学期第一次综合考试(开学考试)化学试题(Word版含答案),共14页。
单选题(3分*14)
1. 从古至今化学与生产、生活密切相关。下列说法正确的是( )
A.喝补铁剂(含Fe2+)时,加服维生素C效果更好,因维生素C具有氧化性
B.汉代烧制出“明如镜、声如馨”的瓷器,其主要原料为石灰石
C.“司南之杓(勺),投之于地,其柢(勺柄)指南”,司南中的“杓”含Fe2O3
D.港珠澳大桥采用超高分子聚乙烯纤维吊绳,其商品名为“力纶”是有机高分子化合物
2. 化学科学需要借助化学专用语言来描述, 现有下列化学用语: ①Cl-的结构示意图: ; ②羟基的 电子式:; ③HClO的结构式:H-Cl-O; ④NaHCO3在水中的电离方程式:NaHCO3=Na++H++CO32-; ⑤碳酸氢铵与足量的氢氧化钠溶液混合:HCO3-+OH-=CO32-+H2O; ⑥CO2的比例模型:; ⑦原子核内有10个中子的氧原子:818O。其中说法正确的是( )
A.④⑤⑥B.①②⑦C.②③④⑥D.②③⑤⑥⑦
3. 设 NA表示阿伏加德罗常数的值, 下列叙述正确的是( )
A.足量铁在 1mlCl2中燃烧时转移电子数为2NA
B.2L0.1ml∙L-1氯化钾溶液中阴离子所带电荷数为NA
C.1L0.1ml∙L-1的Na2CO3溶液中HCO3-和CO32-离子数之和为0.1NA
D.标准状况下, 0.1ml的HCl和0.1ml的NH3混合后气体体积为4.48L
4. X 、Y 两种短周期元素可形成化合物 X2Y3,X3+比Y2-少一个电子层, 且X3+具有与Ne原子相同的核外电子层结构。下列说法正确的是( )
A.X2Y3是Al2O3
B.X是第二周期第 IIIA 族的元素
C.Y是第二周期第 IVA 族的元素
D.Y2-与 Y的核外电子层数相等
5. 下列物质在给定条件下的转化均能一步实现的是( )
A.FeH2O高温Fe2O3→HClFeCl3
B.NaO2加热Na2O⟶H2ONaOH
C.CaCl2溶液⟶CO2CaCO3⟶HClCO2
D.CuSO4溶液→FeCuO2加热CuO
6. 以柏林绿 Fe[Fe(CN)6]为代表的新型可充电钠离子电池, 其放电工作原理如图所示。下列说法不正确的是( )
A.充电时, M(钼)箔接电源的正极
B.充电时, Na+通过交换膜从左室移向右室
C.放电时, 负极反应式为: FeFe(CN)6+2Na++2e-=Na2FeFe(CN)6
D.外电路中通过 0.2ml电子时, 负极质量变化为2.4g
7. 已知短周期元素M、N、P、Q最高价氧化物对应水化物分别为X、Y、Z、W,M是短周期中原子半径最大的元素,常温下X、Z、W均可与Y反应,M、P、Q的原子序数及0.1ml/LX、Z、W溶液的pH如图所示。下列说法正确的是( )
A.N原子的电子层数与最外层电子数相等B.M的离子半径小于N的离子半径
C.P氢化物稳定性大于Q氢化物稳定性D.X、W两物质含有的化学键类型相同
8. 四氧化三铁 Fe3O4磁性纳米颗粒稳定、容易生产且用途广泛, 是临床诊断、生物技术和环境化学领域多 和潜在应用的有力工具。水热法制备Fe3O4纳米颗粒的反应是3Fe2++2S2O32-+O2+xOH-=Fe3O4↓+S4O62-+2H2O。下列问题叙述不正确的是 ( )
A.水热法制备 Fe3O4纳米颗粒的反应中, 还原剂是S2O32-
B.反应的离子方程式中 x=4
C.每生成 1mlFe3O4, 反应转移的电子为4ml
D.被 Fe2+还原的O2的物质的量为0.5ml
9. 2021 年诺贝尔化学奖授予Benjamin List和David MacMillan, 以表彰他们对不对称有机催化的发展所 做出的贡献。如图所示, 用催化剂 Fe3(CO)12和ZSM-5催化CO2加氢合成乙烯, 最终得到的产品中含CH4、C3H6、C4H8等副产物。下列说法错误的是( )
A.CO2和C2H4分子中所有原子均共平面
B.催化剂减小了反应的活化能和焓变
C.CH2n异构化反应中所得副产物C3H6和C4H8可能属于饱和烃
D.第 Ⅰ步为决速步骤, 该步反应的活化能大于第Ⅱ步反应的活化能
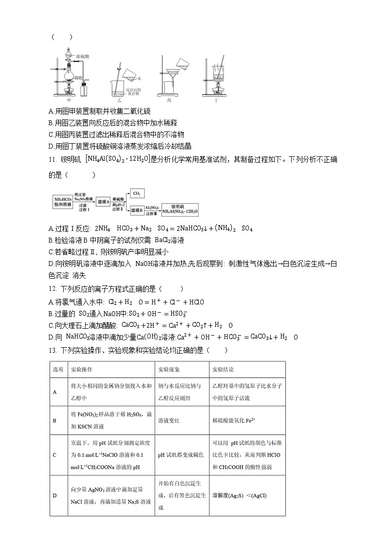
10. 下列实验装置用于铜与浓硫酸反应制取二氧化硫和硫酸铜晶体,能达到实验目的的是( )
A.用图甲装置制取并收集二氧化硫
B.用图乙装置向反应后的混合物中加水稀释
C.用图丙装置过滤出稀释后混合物中的不溶物
D.用图丁装置将硫酸铜溶液蒸发浓缩后冷却结晶
11. 铵明矶 NH4AlSO42∙12H2O是分析化学常用基准试剂,其制备过程如下。下列分析不正确的是( )
A.过程Ⅰ反应: 2NH4HCO3+Na2SO4=2NaHCO3↓+NH42SO4
B.检验溶液B中阴离子的试剂仅需 BaCl2溶液
C.若省略过程Ⅱ, 则铵明矾产率明显减小
D.向铵明矾溶液中逐滴加入 NaOH溶液并加热,先后观察到: 刺激性气体逸出→白色沉淀生成→白色沉淀 消失
12. 下列反应的离子方程式正确的是( )
A.将氯气通入水中: Cl2+H2O=H++Cl-+HClO
B.过量的 SO2通入NaOH中:SO2+OH-=HSO3-
C.向大理石上滴加醋酸: CaCO3+2H+=Ca2++CO2↑+H2O
D.向 NaHCO3溶液中滴加少量Ca(OH)2溶液:Ca2++OH-+HCO3-=CaCO3↓+H2O
13. 下列实验操作、实验现象和实验结论均正确的是( )
14. 为了探究外界条件对工业合成氨反应的影响 N2(g)+3H2(g)⇌2NH3(g)△H”)。已知:2H2(g)+O2(g)=2H2O(g)ΔH1, 则反应2CO2(g)+2H2O(g)=2HCOOH(g)+O2(g)的△H2___________________(用△H和△H1表示)。
②下列有利于提高 CO2的平衡转化率的措施有______________ (填标号)。
A. 增大反应体系的压强
B. 增大 nH2nCO2
C. 降低反应温度
D. 移出 HCOOH
③373K下, 平衡时压强为P, 用各物质的平衡分压(分压=总压×物质的量分数)表示该反应的平衡常数Kp=______________ (用含α和P的代数式表示)。
(2)浙江大学某国家实验室用水热法还原CO2转化为HCOOH, 探究了不同条件下CO2的转化率,数据如下图所示:
依据以上数据,最佳的CuAl摩尔比和反应时间是___________。
答案及解析
1. D
【解析】
A. 亚铁离子易被人体吸收, 维生素C具有还原 性, 则防止亚铁离子被氧化, 则喝补铁剂时, 加维生素C效果较好, 故A错误;
B. 瓷器成分为硅酸盐, 不是石灰石, 故 B错 误;
C. 与磁铁的磁性有关,则司南中的 “杓” 含 Fe3O4, 故C错误;
D. 聚乙烯纤维属于合成高分子材料, 属于有机 高分子化合物, 故D正确。
故选: D。
2. B
【解析】
①氯原子得到 1 个电子形成核外有18个电子, 原子核内有17个质子的离子, 结构示意图:,故①正确;
②羟基不显电性, 且含9个电子, 故电子式为,故②正确;
③次氯酸分子中含有1个氧氢键和1个氧氯键, 次氯酸正确的结构式为: H-O-Cl, 故 ③错误;
④HCO3-在水中部分电离, 所以NaHCO3在水中的电离方程式为NaHCO3=Na++HCO3-, 故 ④错误;
⑤碳酸氢铵与足量的氢氧化钠两溶液混合的离子方程式应为:NH4++HCO3-+2OH-=CO32-+2H2O+NH3↑,故⑤错误。
⑥二氧化碳分子中含有两个碳氧双键,为直线型结构,二氧化碳的比例模型为,故⑥错误;
⑦原子核内有10个中子的氧原子的质量数为18,该氧原子可以表示为:818O,故⑦正确;故选:B。
3. A
【解析】
A. Cl2和Fe反应生成氯化铁, 化合价变为-1价 氯, 因此1mlCl2与足量铁燃烧时转移电子数 为2NA, 故A正确;
B. 2L0.1ml∙L-1氯化钾溶液n(KCl)=0.1ml∙L-1×2L=0.2ml,KCl含有氯离子, 和氢氧根离子, 氯离子所带电荷数为0.2NA,氢氧根所带电荷数很小, 故B错误;
C. 1L0.1ml∙L-1的Na2CO3溶液中nNa2CO3=0.1ml, 根据物料守恒,HCO3-和CO32-、H2CO3数目之和为0.1NA, 故C错误;
D. 标准状况下, 0.1ml的HCl和0.1ml的NH3混合后, 生成了固体氯化铵, 因此气体体 积为 0 , 故D错误。
故选: A。
4. D
【解析】
根据分析可知, X为Al元素,Y为S元素,
A. X2Y3应该为Al2S3, 故A错误;
B. Al的原子序数为 13 , 在元素周期表中位于 第三周期第III A族, 故 B错误;
C.S的原子序数为16, 位于第三周期第VIA 族, 故C错误;
D. S2-与S原子均含有 2 个电子层, 二者核外 电子层数相等, 故 D正确;
故选: D 。
5. D
【解析】
D. CuSO4溶液与Fe反应生成硫酸亚铁和Cu,Cu与氧气加热反应生成CuO, 则CuSO4溶液→FeCuO2加热CuO的转化均能 够一步实现,故 D 正确; 故选: D。
6. C
【解析】
A. 充电时, 电池的负极接电源的负极, 电池 的正极接电源的正极, 即 M箔接电源的正极, 故A正确;
B. 充电时, Na+通过交换膜移向阴极, 即从左 室移向右室, 故B正确;
C. 根据原电池工作原理, 放电时Mg作负极, 负极反应式为2Mg2+2Cl--4e=Mg2Cl22+, 故C 不正确;
D. 放电时负极上发生 2Mg2+Cl--4e=Mg2Cl22+, 通过0.2ml电子时, 消耗0.1mlMg, 质量减少2.4g, 故D正确; 答案选C。
7. A
【解析】
根据分析可知, M为Na,N为Al,P为S,Q为Cl,X为NaOH,Al(OH)3,Z为H2SO4,W为HClO4。
A. N为Al元素, 原子核外有 3 个电子层数, 最 外层电子数为3, 其电子层与最外层电子数相 等, 故 A正确;
B. Na+、Al3+电子层结构相同, 核电荷数越 大离子半径越小, 故离子半径Na+>Al3+, 故B错误;
C.非金属性 Cl>S, 则氢化物稳定性HCl>H2S, 故C 错误;
D. NaOH含有离子键、共价键,HClO4只 含有共价键, 二者含有化学键不全相同, 故D错误;故选: A。
8. AD
【解析】
A. 反应中Fe元素化合价部分升高为+3价,S元 素化合价由+2价升高到+2.5价, 则还原剂是Fe2+和S2O32-, 故A错误;
B. 根据电荷守恒得: 2×3+2×(-2)+(-x)=-2, 解得x=4, 故B正确;
C. 根据还原剂失电子总数等于氧化剂得电子 总数, Fe、S元素的化合价升高, O元素的化合 价降低, 由反应可知, 该反应转移4e-, 所以每 生成1mlFe3O4, 由O元素的化合价变化可 知, 转移电子为1ml×2×[0-(-2)]=4ml, 故C正确;
D. 设被 Fe2+还原的O2的物质的量为y, 根据得 失电子守恒可知,4y=1ml×3×83-2, 解得y=0.5ml, 故D正确;
故选: A。
9. B
【解析】
CO2分子为直线形分子, 乙烯为平面结构, 所有原子均共平面, A 项正确:
催化剂减小了反应的 活化能以加快反应速率, 但不能改变反应的烩变, B项错误;
C3H6可能是丙烯, 也可能是环丙烷,C4H8可 能是丁烯, 也可能是环丁烷, 所以当C3H6和C4H8是环烷经时属于饱和泾, C项正确;
由图示可知, 第Ⅰ步 反应慢, 属于决速步骤, 第Ⅱ步反应快, 说明第Ⅰ步反应的活化能大于第 Ⅱ步反应的活化能, D 项正确。
10. D
【解析】
A.二氧化硫密度比空气大,应用向上排空气法收集,故A错误;
B.应将反应后的混合物沿烧杯内壁倒入水中,并用玻璃棒不断搅拌,故B错误;
C.转移液体需要用玻璃棒引流,防止液体飞溅,故C错误;
D.蒸发浓缩液体可以用烧杯,待得到浓溶液后再冷却结晶,故D正确。
故选:D。
11. D
【解析】
B.向铵明矾溶液中逐滴加入 NaOH溶液,先有氢氧化铝沉淀产生,后产生氨气,再后来氢氧化钠与氢氧化铝反应,沉淀消失,所以观察到:白色沉淀生成→刺激性气体逸出→白色沉淀消失,故B错误;
12. B
【解析】
A .将氯气通入水中, 离子方程式为: Cl2+H2O⇌H++Cl-+HClO, 故A 错误;
B. 过量的 SO2通入NaOH中, 离子方程式 为:SO2+OH-=HSO3-, 故 B正确;
C. 向大理石上滴加醋酸, 离子方程式为:CaCO3+2CH3COOH=Ca2++CO2↑+H2O+2CH3COO-, 故 C错误;
D. 向 NaHCO3溶液中滴加少量Ca(OH)2溶液, 离子方程式为:Ca2++2OH-+2HCO3-=CaCO3↓+2H2O+CO32-, 故D错误;
故选: B。
13. D
【解析】
A. 钠与水反应比钠与乙醇反应剧烈, 因此水分 子中的氢原子比乙醇羟基中的氢原子活泼, 故 A错误;
B. 将 FeNO32样品溶于稀H2SO4, 滴加KSCN溶液, 主要是硝酸根在酸性条件下氧化 亚铁离子变为铁离子而变为红色, 故B错误;
C. 不能用 pH试纸测定浓度为0.1ml∙L-1NaClO溶液的pH值, 应选pH计测定, 故C错 误;
D. 向少量 AgNO3溶液中滴加适量NaCl溶液, 生 成白色沉淀, 银离子消耗完, 再滴加适量Na2S溶液, 生成黑色沉淀, 说明白色沉淀转化为更 难溶的硫化银沉淀, 因此KspAg2ScNa+>cH+>cOH-
④AB
【解析】
(1)醋酸为弱酸, 不完全电离, 电离方程式 为 CH3COOH⇌CH3COO-+H+, 电离平衡常数表达式Ka=cH+∙cCH3COO-cCH3COOH。
(2)①Ⅱ中未加 NaOH时pH=1, 且盐酸 为强酸、醋酸为弱酸,0.1ml/L盐酸的pH=1, 则Ⅱ 表示的是滴定盐酸的曲线,
②若醋酸与 NaOH等体积、等浓度混合, 恰 好生成醋酸钠, 溶液显碱性, 为保证pH=7时, 使醋酸剩余, 则滴定醋酸消耗V(NaOH)小于20mL, 若盐酸与NaOH等体积、等浓度混合, 恰好生成氯化钠, 溶液 显中性,pH=7, 此时滴定盐酸消耗V(NaOH)等于20mL, 故当滴定到pH=7时, 消耗NaOH溶液的体积大的是 盐酸,
③V(NaOH)=10mL时, 醋酸溶液中溶 质为等量的醋酸、醋酸钠, 醋酸电离显酸性, 则cH+>cOH-, 由电荷守恒可知cNa+cNa+>cH+>cOH-
④在上述滴定过程中, 需要使用的玻璃仪器是 碱式滴定管和锥形瓶,故答案为: AB。
18.
①. +3
②. CuS、SiO2
③. 4.1≤pH0;
已知 ①CO2(g)+H2(g)⇌HCOOH(g)ΔH,②2H2(g)+O2=2H2O(g) ΔH1, 根据盖斯定 律,
由 ①×2-② 得2CO2(g)+2H2O(g)⇌2HCOOH(g)+O2(g) ΔH2=2ΔH-ΔH1。
②该反应 为气体体积减小的吸热反应,增大压强、升高温度、增 大 nH2/nCO2、及时移出HCOOH等措施均可提高CO2的平衡转化率,故答案为ABD.
③根据题意列三段式:
CO2(g)+H2(g)⇌HCOOH(g)
起始量(ml) 1 1 0
变化量(ml)ααα
平衡量(ml)1-α1-αα
平衡时压强为 p, 气体总物质的量为(2-α)ml, 则CO2的分压为(1-α)p2-α,
H2的分压为(1-α)p2-α,HCOOH的分压为αp2-α,
该反应的平衡常数 Kp=α(2-α)p(1-α)2。
(2) 由图可知, Cu、Al物质的量之比为1:1, 反应时间为120min时CO2的转化率较高。
相关试卷
这是一份四川省德阳市第五中学2023-2024学年高三上学期开学考试化学试题,共10页。试卷主要包含了1 ml·L-1的溶液,9kJ·ml,1kJ·ml等内容,欢迎下载使用。
这是一份2022-2023学年四川省德阳市第五中学高二上学期开学考试化学试题含答案,共13页。试卷主要包含了单项选择题,填空题等内容,欢迎下载使用。
这是一份四川省德阳市第三中学2023届高三化学上学期第一次综合考试试卷(Word版附答案),共10页。试卷主要包含了2ml电子时,负极质量变化为2等内容,欢迎下载使用。

