2022年中考物理真题强化演练:电学实验综合考查(含答案)
展开
这是一份2022年中考物理真题强化演练:电学实验综合考查(含答案),共32页。试卷主要包含了,可选用的灯泡有,、开关、导线若干,在“测量电阻的阻值”实验中,某小灯泡的额定电压为2等内容,欢迎下载使用。
2022年中考物理真题强化演练—电学实验综合考查
1.(2022广西贺州)在“探究影响导体电阻大小的因素”中,小明猜想导体电阻大小可能与下列因素有关
A、导体的材料 B、导体的长度 C.导体的横截面积
为了验证上述猜想,他用如图甲所示的器材进行实验,编号①②③是镍铭合金导体,④是锰铜导体。
(1)______状态。
(2)选用①②两根导体分别接入电路进行实验,可验证猜想______(选填猜想因素选项“A”“B”或“C”)。
(3)选用①④两根导体分别接入图中M、N两点间,闭合开关电流表的示数不同,可知在导体的长度和横截面积相同时,导体电阻大小跟导体的______有关。
(4)用②导体接在M、N两点间后,用电压表测出其两端电压如图乙所示,读数为______V,此时电路中电流表的示数为0.2A,则②导体的电阻为______Ω。
2.(2022菏泽)小明同学在家研究不同种类灯泡的发光效率(电能转化为光能的效率),可选用的灯泡有:白炽灯①“220V40W”、②“220V15W”各一只;普通节能灯③“220V30W”、④“220V15W”各一只;LED灯⑤“220V15W”、⑥“220V7W”各一只。他从每种灯泡中各选出一只接入家庭电路进行对比实验,用温度计分别测出通电前和通电2分钟后每种灯泡的表面温度,记录如下表:
灯泡的种类
白炽灯
普通节能灯
LED灯
通电前
24℃
24℃
24℃
通电20分钟后
大于100℃
76.2℃
48.4℃
忽略其他因素的影响,认为三种灯泡每升高1℃吸收的热量都相同。回答下列问题:
(1)如果你是小明,对比实验中你选择的三只灯泡是___________(填灯泡前面的序号);
(2)根据实验数据,可以判断发光效率最高的灯泡是___________(填灯泡的种类)。
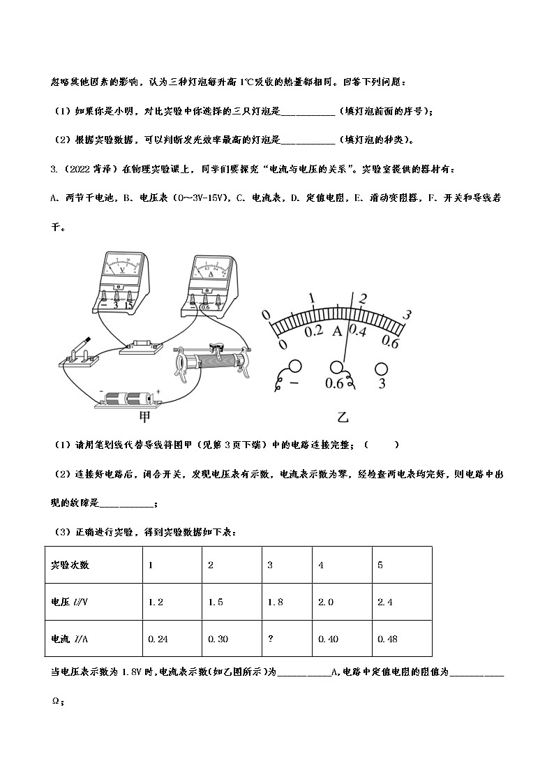
3.(2022菏泽)在物理实验课上,同学们要探究“电流与电压的关系”。实验室提供的器材有:
A.两节干电池,B.电压表(0~3V-15V),C.电流表,D.定值电阻,E.滑动变阻器,F.开关和导线若干。
(1)请用笔划线代替导线将图甲(见第3页下端)中的电路连接完整;( )
(2)连接好电路后,闭合开关,发现电压表有示数,电流表示数为零,经检查两电表均完好,则电路中出现的故障是___________;
(3)正确进行实验,得到实验数据如下表:
实验次数
1
2
3
4
5
电压U/V
1.2
1.5
1.8
2.0
2.4
电流I/A
0.24
0.30
?
0.40
0.48
当电压表示数为1.8V时,电流表示数(如乙图所示)为___________A,电路中定值电阻的阻值为___________ Ω;
(4)实验中获得了多组实验数据,这是通过___________实现的;
(5)根据实验数据分析可得:电阻一定时,导体中的电流跟导体两端的电压成___________。
4.(2022江汉油田、潜江、天门、仙桃)小明和小华通过实验复习“探究电流与电压、电阻的关系”。
(1)小明采用了如下电路进行实验,其中电源电压4.5V、定值电阻阻值5Ω、最大阻值为10Ω和30Ω的滑动变阻器各一只;
①当他准备闭合开关时,小华拦住了他,说接线有一处错误。请在图中将连接错误的导线打“×”,并用笔画一根正确连接的导线;( )
②正确连接电路后进行“探究电流与电压的关系”的实验,实验中滑动变阻器的主要作用:一是保护电路;二是___________;
③实验数据记录如表一:
表—
U/V
3.0
2.0
l.0
I/A
0.60
0.40
实验时发现无论如何调节滑动变阻器,电压表都不能达到1.0V,说明他选用的滑动变阻器的最大阻值是___________(选填“10Ω”或“30Ω”)。换用另一只滑动变阻器后完成了实验,表一中没有记录的数据是___________;
(2)小华利用小明的实验电路继续实验,在“探究电流与电阻的关系”时,分别将5Ω、10Ω、20Ω的定值电阻接入电路,记录数据如表二:
表二
R/Ω
5
10
20
I/A
0.40
0.20
0.10
①当他用5Ω的电阻进行实验后,再换10Ω的电阻接入电路,应向___________方向移动滑片(选填“A”或“B”),直到电压表示数达到___________V;
②分析表二中数据,得出该实验的结论是:___________。
5.(2022滨州)如图甲所示,是某实验小组“探究电流与电阻的关系”的实物图。选用的实验器材是:电源(电压恒为3V)、电流表、电压表,电阻R有4个阻值(5、10、20、30)供选用,滑动变阻器(20;1A)、开关、导线若干。
(1)请用笔画线代替导线将图甲中的实物图连接完整_______;
(2)连接电路时,开关应保持_______;开关闭合前,滑动变阻器的滑片P应滑到_______(选填“A”或“B”)端;
(3)检查电路连接无误后闭合开关后,无论怎样移动滑动变阻器的滑片P,电流表几乎无示数,电压表有示数且不变,原因可能是_______;
A.R短路 B.R断路 C.滑动变阻器断路
(4)排除故障后继续实验,实验过程中,当把10电阻换成20电阻后,为保持_______(选填“电流表”或“电压表”)示数不变,滑片P应向_______(选填“A”或“B”)端移动。
(5)根据实验数据绘制了如图乙所示的图像,得出电流与电阻的关系是:_____________________;
(6)该小组用电流表和一个定值电阻,测量未知电阻的阻值。他们设计了如图丙所示的电路图,并进行如下实验操作:
①闭合S、断开S1,此时电流表的示数为;
②闭合S和S1,此时电流表的示数为;
③则=_________(用、、表示)。
6.(2022攀枝花)为测量某定值电阻Rx的阻值,实验探究小组设计了如图甲所示的电路图,并进行了实验。
(1)请根据实验电路图,用笔画线代替导线将图乙的实物连线图补充完整______;
(2)为不损坏电路元件,在闭合开关S前,调节滑动变阻器,让通过电流表的电流最______(选填“大”或“小”);
(3)闭合开关S,调节滑动变阻器,记录电压表和电流表的读数,其中某次测量数据如图丙所示,此次电压表读数为______V;
(4)根据实验数据,该小组作出了电压U随电流I变化图像,如图丁所示,根据图像,可得电阻Rx= ______Ω。
7.(2022烟台)在“测量电阻的阻值”实验中:
(1)请用笔画线代替导线,将图甲所示实验电路补充完整,要求滑动变阻器的滑片P向右移动时,电流表示数变大______;
(2)连接完电路后,闭合开关,发现电流表、电压表有示数均很小,但无论怎样移动滑片P都不能改变两只电表的示数。出现这个问题的原因是什么______;
(3)解决问题后,闭合开关S,移动滑动变阻器的滑片P,进行多次测量并记录数据。当电压表示数为2V时,电流表示数如图乙所示为______A,则电阻R的阻值为______Ω;
(4)把图甲的电阻R换成小灯泡L,重复上述实验,测量小灯泡的电阻。图丙是根据两次实验数据绘制的I−U图像,其中表示小灯泡电阻的图像是______(选填“a”或“b”),判断的依据是______。
8.(2022镇江)某小灯泡的额定电压为2.5V,图1是测量该灯泡额定功率的实验电路。
(1)请用笔画线代替导线,将电压表正确接入电路。
(2)闭合开关前,应将滑动变阻器的滑片移至最 端(选填“左”或“右”)。
(3)当电压表示数调至2.5V时,电流表示数如图2所示,小灯泡的额定功率为 W。
(4)用图3所示电路来测量另一只额定电压为4V的小灯泡的额定功率。
①仅闭合S1,调节滑动变阻器R2滑片至某一位置,使电压表示数为4V。
②在保持 的情况下,仅闭合S2,调节电阻箱R1使电压表示数为 V,此时R1接入电路的阻值为20Ω。
③该小灯泡的额定功率为 W。
9.(2022镇江)即热式饮水机工作原理如图1所示,水箱中的水被水泵抽出后,流经电阻丝时被加热,实现边加热边出热水的即热功能,电阻丝最大加热功率为2000W。用户可根据需要调节出水温度和出水量。小军对该饮水机进行了探究。
表一
实验次数
出水温度/℃
出水时间/s
加热功率/W
1
40
16.00
2
45
16.05
1374
3
50
15.95
1712
4
60
18.90
2000
5
85
32.04
1999
6
95
37.29
1999
(1)小军探究过程如下(设电阻丝产生的热量全部被流经的水吸收且无热量损失):
①将出水量设置为250mL,出水质量为 kg。
②用温度计测出水箱内水的初温如图2所示,示数为 ℃。
③保持水的初温和出水量不变,改变出水温度,测量出水时间并记录在表1中。
④根据表1数据计算出加热功率,第1次实验时的加热功率为 W。
(2)小军采用的实验方法是 。小军由表1数据得出结论:饮水机可根据出水温度自动选择不同的控制方式。当出水温度低于85℃时,仅通过改变 来调节出水温度。若上述实验中将出水温度设定为88℃,可估算出水时间约为 s。
(3)小军对实验进行了反思:上述结论在冬季还适用吗?为得到精准的结论,小军将表1设计优化如下并重新实验,你认为①、②处应分别填写的是 和 。
实验次数
①
出水温度/℃
②
出水时间/s
加热功率/W
1
......
10.(2022威海)实验室购买了一批规格为“”的小灯泡,物理兴趣小组的同学通过测量小灯泡的额定功率来鉴别灯泡是否符合规格。他们准备了如下器材:电源(电压恒为)、开关、滑动变阻器(“”)、电流表各1个,导线若干。
(1)若要完成此实验,还需要的器材是___________;请在图所示的虚线框内画出实验电路图( );
(2)按正确的电路图连接好电路,闭合开关,发现小灯泡强烈发光后立即熄灭,造成这种现象的原因可能是___________;
(3)问题解决后继续实验,当小灯泡两端电压为时,电流表示数如图所示,此时电路中的电流为___________A,小灯泡的电功率为___________W,小灯泡是否符合规格?___________;
(4)兴趣小组按上述操作测量了这批小灯泡在电压为时电功率,发现其中一些小灯泡不符合规格,如果问题出在钨丝的制作环节,其原因可能是___________。
11.(2022哈尔滨)小明在探究“电功率和电压关系”的实验中:
(1)请用笔画线代替导线连接好图A电路,要求:电压表测量L2两端电压;___________
(2)连好电路后,闭合开关,发现两灯均不发光,电压表示数接近电源电压,则故障可能是 ___________;(写出一种即可)
(3)灯泡工作时,将电能转化为内能和 ___________;
(4)开始实验后,发现两个灯泡的亮度接近,无法比较电功率大小。为了解决这个问题,在提供的器材中,小明选择两个阻值接近的电热丝代替灯泡,又设计了如下三种可行方案:
甲:如图B所示,将电热丝R1和R2分别放入装有等体积水的玻璃瓶内,通电5分钟后,通过温度计示数升高的多少,比较电功率大小;
乙:其他条件不变,仅将甲方案中水换成乙醚;
丙:其他条件不变,仅将甲方案中水换成煤油。
物质
比热容c/J•( kg•℃)-1
密度ρ/(kg•m-3)
导电性
水
4.20×103
1.00×103
不导电
乙醚
2.35×103
0.71×103
不导电
煤油
2.14×103
0.80×103
不导电
你认为以上哪个方案能最明显地比较出电功率的大小?请说明理由。___________
12.(2022四川遂宁)小志同学在“测量小灯泡电功率”实验中,用到的器材有:新干电池两节、小灯泡(标有0.3A)1只、电流表1只、电压表1只、滑动变阻器1只、开关1支,导线若干。
(1)请用笔画线代替导线,在图甲中将实验电路连接完整(要求滑动变阻器的滑片向右移动时电流表的示数变小)( );
(2)连接好电路,闭合开关,发现灯不亮,电流表无示数,电压表示数接近3V,造成这一现象的原因可能是___________(选填序号);
①小灯泡短路; ②小灯泡开路; ③滑动变阻器短路; ④滑动变阻器开路
(3)排除故障,进行实验,当电流表的示数如图乙时,为了测量小灯泡的额定功率,应将滑动变阻器的滑片P向___________(选填“A”或“B”)端移动,当电流表示数达到0.3A时,电压表的示数如图丙,则小灯泡的额定功率为___________W;
(4)小刚用相同的器材进行该实验时发现电压表损坏,他找来一只阻值为R0的定值电阻,设计了如图丁所示的电路,也可测出小灯泡的额定功率,主要的操作步骤如下:
①把电流表接在a处,闭合开关,调节滑片P,使电流表的示数为I额;
②保持滑片P的位置不变,断开开关,把电流表接在b处,闭合开关,读出电流表的示数为I;
③计算得出小灯泡的额定功率P额=___________(用R0、I额、I表示)。
13.(2022东营)如图所示是“探究影响通电螺线管磁性强弱的因素”的实验装置。
(1)正确连接好电路,闭合开关前,滑动变阻器的滑片应置于最___________(选填“左”或“右”)端;
(2)闭合开关,调节滑片位置,电流表的指针如图所示,则电流表的示数为___________A,此时通电螺线管的下端是___________(选填“N”或“S”)极;
(3)下列操作能减弱通电螺线管磁性的是___________(选填字母);
A.抽去铁芯 B.电源两极对调 C.减少线圈的匝数
(4)电磁铁的用途很多,如电磁起重机,试再列举至少2项电磁铁在实际中的应用:___________、___________。
14.(2022攀枝花)法国科学家阿尔贝·费尔和德国科学家彼得·格林贝格尔由于发现了巨磁电阻(GMR)效应,荣获了诺贝尔物理学奖。巨磁电阻效应是指某些材料的电阻在磁场中急剧变化的现象,这一发现大大提高了磁电之间信号转换的灵敏度,从而引发了现代硬盘生产的一场革命。实验小组设计了如图所示的电路,来探究某GMR的阻值与磁场的关系。
(1)闭合开关S1,电磁铁的左边是______(选填“N”或“S”)极。滑动变阻器R1的滑片向右端滑动,电磁铁的磁性______(选填“增强”或“减弱”);
(2)断开开关S1,闭合开关S2,无论怎样移动滑动变阻器R2的滑片,电流表指针几乎不偏转,电压表有示数但不变。请分析电路故障______;
(3)排除电路故障后,闭合开关S1、S2,保持R2滑片位置不变,将滑动变阻器R1的滑片向左端滑动,观察到电流表示数增大,电压表示数______(选填“增大”、“减小”或“不变”);
(4)分析上述实验现象可知:该GMR的阻值随其周围磁场的增强而______(选填“增大”、“减小”或“不变”)。
15.(2022日照)某校九年级一班物理兴趣小组的同学,学习了磁现象的知识后,深受物理学家奥斯特和法拉第科学探索精神的影响,怀着极大的兴趣对下列实验进行了探究。
(1)如图甲,将小磁针放在南北方向的直导线正下方,小磁针静止,N极指向北。如图乙触接电源,小磁针的N极向纸外偏转。断开连接后,小磁针恢复到图甲位置。如图丙,将电源正负极对调,再次触接电源,小磁针的N极向纸内偏转。则:
①通电导线周围存在磁场,且磁场的方向与___________有关;
②断开电源后,小磁针恢复到图甲状态,这是因为小磁针受到了___________的作用;
③如图丁所示,高速电子束飞过小磁针上方时,小磁针将发生如图___________所示方向的偏转,原因是___________。
(2)利用图戊所示的装置,让闭合电路中的一部分导体AB在磁场中运动,观察电流表指针的偏转情况,记录在下表中。已知当电流从电流表的左侧接线柱流入时,指针向左偏转;从右侧接线柱流入时,指针向右偏转。
实验次数
导体棒移动情况
电流表指针偏转情况
1
竖直向上
不偏转
2
竖直向下
不偏转
3
水平向左
向右偏转
4
水平向右
向左偏转
根据表中记录的实验信息,完成下列问题:
④由第1、2两次实验可知,导体棒AB平行于磁感线运动,闭合回路中___________(填“会”或“不会”)产生感应电流;
⑤由第3、4两次实验可知,导体棒AB中感应电流的方向与___________的方向有关。如果固定导体棒AB,水平向右移动磁铁,电流表的指针向___________偏转;
⑥本实验的设计不完整,不能探究感应电流的方向与磁场方向的关系。为了使探究过程更加完整,应___________;
⑦小明将电流表换成完好的小灯泡,再做第3、4两次实验时小灯泡不亮,最可能的原因是___________;
⑧发电机的原理与本实验的原理一样,己图为发电机的示意图,图中时刻线框水平,箭头为线框旋转的方向,此时ab边中的电流方向___________(填“由a到b”或“由b到a”)
2022年中考物理真题强化演练—电学实验综合考查参考答案
1.(2022广西贺州)在“探究影响导体电阻大小的因素”中,小明猜想导体电阻大小可能与下列因素有关
A、导体的材料 B、导体的长度 C.导体的横截面积
为了验证上述猜想,他用如图甲所示的器材进行实验,编号①②③是镍铭合金导体,④是锰铜导体。
(1)______状态。
(2)选用①②两根导体分别接入电路进行实验,可验证猜想______(选填猜想因素选项“A”“B”或“C”)。
(3)选用①④两根导体分别接入图中M、N两点间,闭合开关电流表的示数不同,可知在导体的长度和横截面积相同时,导体电阻大小跟导体的______有关。
(4)用②导体接在M、N两点间后,用电压表测出其两端电压如图乙所示,读数为______V,此时电路中电流表的示数为0.2A,则②导体的电阻为______Ω。
【答案】 ①. 断开 ②. B ③. 材料 ④. 2.4 ⑤. 12
2.(2022菏泽)小明同学在家研究不同种类灯泡的发光效率(电能转化为光能的效率),可选用的灯泡有:白炽灯①“220V40W”、②“220V15W”各一只;普通节能灯③“220V30W”、④“220V15W”各一只;LED灯⑤“220V15W”、⑥“220V7W”各一只。他从每种灯泡中各选出一只接入家庭电路进行对比实验,用温度计分别测出通电前和通电2分钟后每种灯泡的表面温度,记录如下表:
灯泡的种类
白炽灯
普通节能灯
LED灯
通电前
24℃
24℃
24℃
通电20分钟后
大于100℃
76.2℃
48.4℃
忽略其他因素的影响,认为三种灯泡每升高1℃吸收的热量都相同。回答下列问题:
(1)如果你是小明,对比实验中你选择的三只灯泡是___________(填灯泡前面的序号);
(2)根据实验数据,可以判断发光效率最高的灯泡是___________(填灯泡的种类)。
【答案】 ①. ②④⑤ ②. LED灯
3.(2022菏泽)在物理实验课上,同学们要探究“电流与电压的关系”。实验室提供的器材有:
A.两节干电池,B.电压表(0~3V-15V),C.电流表,D.定值电阻,E.滑动变阻器,F.开关和导线若干。
(1)请用笔划线代替导线将图甲(见第3页下端)中的电路连接完整;( )
(2)连接好电路后,闭合开关,发现电压表有示数,电流表示数为零,经检查两电表均完好,则电路中出现的故障是___________;
(3)正确进行实验,得到实验数据如下表:
实验次数
1
2
3
4
5
电压U/V
1.2
1.5
1.8
2.0
2.4
电流I/A
0.24
0.30
?
0.40
0.48
当电压表示数为1.8V时,电流表示数(如乙图所示)为___________A,电路中定值电阻的阻值为___________ Ω;
(4)实验中获得了多组实验数据,这是通过___________实现的;
(5)根据实验数据分析可得:电阻一定时,导体中的电流跟导体两端的电压成___________。
【答案】 ①. ②. 电阻断路,电压表串联了 ③. 0.36 ④. 5 ⑤. 调节滑动变阻器连入电路中的电阻 ⑥. 正比
4.(2022江汉油田、潜江、天门、仙桃)小明和小华通过实验复习“探究电流与电压、电阻的关系”。
(1)小明采用了如下电路进行实验,其中电源电压4.5V、定值电阻阻值5Ω、最大阻值为10Ω和30Ω的滑动变阻器各一只;
①当他准备闭合开关时,小华拦住了他,说接线有一处错误。请在图中将连接错误的导线打“×”,并用笔画一根正确连接的导线;( )
②正确连接电路后进行“探究电流与电压的关系”的实验,实验中滑动变阻器的主要作用:一是保护电路;二是___________;
③实验数据记录如表一:
表—
U/V
3.0
2.0
l.0
I/A
0.60
0.40
实验时发现无论如何调节滑动变阻器,电压表都不能达到1.0V,说明他选用的滑动变阻器的最大阻值是___________(选填“10Ω”或“30Ω”)。换用另一只滑动变阻器后完成了实验,表一中没有记录的数据是___________;
(2)小华利用小明的实验电路继续实验,在“探究电流与电阻的关系”时,分别将5Ω、10Ω、20Ω的定值电阻接入电路,记录数据如表二:
表二
R/Ω
5
10
20
I/A
0.40
0.20
0.10
①当他用5Ω的电阻进行实验后,再换10Ω的电阻接入电路,应向___________方向移动滑片(选填“A”或“B”),直到电压表示数达到___________V;
②分析表二中数据,得出该实验的结论是:___________。
【答案】 ①. ②. 改变电路中的电流和定值电阻两端的电压 ③. 10Ω ④. 0.20 ⑤. A ⑥. 2 ⑦. 电压一定时,导体中电流与电阻成反比
5.(2022滨州)如图甲所示,是某实验小组“探究电流与电阻的关系”的实物图。选用的实验器材是:电源(电压恒为3V)、电流表、电压表,电阻R有4个阻值(5、10、20、30)供选用,滑动变阻器(20;1A)、开关、导线若干。
(1)请用笔画线代替导线将图甲中的实物图连接完整_______;
(2)连接电路时,开关应保持_______;开关闭合前,滑动变阻器的滑片P应滑到_______(选填“A”或“B”)端;
(3)检查电路连接无误后闭合开关后,无论怎样移动滑动变阻器的滑片P,电流表几乎无示数,电压表有示数且不变,原因可能是_______;
A.R短路 B.R断路 C.滑动变阻器断路
(4)排除故障后继续实验,实验过程中,当把10电阻换成20电阻后,为保持_______(选填“电流表”或“电压表”)示数不变,滑片P应向_______(选填“A”或“B”)端移动。
(5)根据实验数据绘制了如图乙所示的图像,得出电流与电阻的关系是:_____________________;
(6)该小组用电流表和一个定值电阻,测量未知电阻的阻值。他们设计了如图丙所示的电路图,并进行如下实验操作:
①闭合S、断开S1,此时电流表的示数为;
②闭合S和S1,此时电流表的示数为;
③则=_________(用、、表示)。
【答案】 ①. ②. 断开 ③. A ④. B ⑤. 电压表 ⑥. A ⑦. 电压一定时,电流与电阻成反比 ⑧.
6.(2022攀枝花)为测量某定值电阻Rx的阻值,实验探究小组设计了如图甲所示的电路图,并进行了实验。
(1)请根据实验电路图,用笔画线代替导线将图乙的实物连线图补充完整______;
(2)为不损坏电路元件,在闭合开关S前,调节滑动变阻器,让通过电流表的电流最______(选填“大”或“小”);
(3)闭合开关S,调节滑动变阻器,记录电压表和电流表的读数,其中某次测量数据如图丙所示,此次电压表读数为______V;
(4)根据实验数据,该小组作出了电压U随电流I变化图像,如图丁所示,根据图像,可得电阻Rx= ______Ω。
【答案】 ①. ②. 小
③. 2.2 ④. 6
7.(2022烟台)在“测量电阻的阻值”实验中:
(1)请用笔画线代替导线,将图甲所示实验电路补充完整,要求滑动变阻器的滑片P向右移动时,电流表示数变大______;
(2)连接完电路后,闭合开关,发现电流表、电压表有示数均很小,但无论怎样移动滑片P都不能改变两只电表的示数。出现这个问题的原因是什么______;
(3)解决问题后,闭合开关S,移动滑动变阻器的滑片P,进行多次测量并记录数据。当电压表示数为2V时,电流表示数如图乙所示为______A,则电阻R的阻值为______Ω;
(4)把图甲的电阻R换成小灯泡L,重复上述实验,测量小灯泡的电阻。图丙是根据两次实验数据绘制的I−U图像,其中表示小灯泡电阻的图像是______(选填“a”或“b”),判断的依据是______。
【答案】 ①. ②. 将变阻器的下面两个接线柱同时连入了电路中 ③. 0.2A ④. 10Ω ⑤. a ⑥. 小灯泡的电阻受温度的影响
8.(2022镇江)某小灯泡的额定电压为2.5V,图1是测量该灯泡额定功率的实验电路。
(1)请用笔画线代替导线,将电压表正确接入电路。
(2)闭合开关前,应将滑动变阻器的滑片移至最 端(选填“左”或“右”)。
(3)当电压表示数调至2.5V时,电流表示数如图2所示,小灯泡的额定功率为 W。
(4)用图3所示电路来测量另一只额定电压为4V的小灯泡的额定功率。
①仅闭合S1,调节滑动变阻器R2滑片至某一位置,使电压表示数为4V。
②在保持 的情况下,仅闭合S2,调节电阻箱R1使电压表示数为 V,此时R1接入电路的阻值为20Ω。
③该小灯泡的额定功率为 W。
【答案】(1);(2)右;(3)0.75;(4)②滑片不动;4;③0.8。
9.(2022镇江)即热式饮水机工作原理如图1所示,水箱中的水被水泵抽出后,流经电阻丝时被加热,实现边加热边出热水的即热功能,电阻丝最大加热功率为2000W。用户可根据需要调节出水温度和出水量。小军对该饮水机进行了探究。
表一
实验次数
出水温度/℃
出水时间/s
加热功率/W
1
40
16.00
2
45
16.05
1374
3
50
15.95
1712
4
60
18.90
2000
5
85
32.04
1999
6
95
37.29
1999
(1)小军探究过程如下(设电阻丝产生的热量全部被流经的水吸收且无热量损失):
①将出水量设置为250mL,出水质量为 kg。
②用温度计测出水箱内水的初温如图2所示,示数为 ℃。
③保持水的初温和出水量不变,改变出水温度,测量出水时间并记录在表1中。
④根据表1数据计算出加热功率,第1次实验时的加热功率为 W。
(2)小军采用的实验方法是 。小军由表1数据得出结论:饮水机可根据出水温度自动选择不同的控制方式。当出水温度低于85℃时,仅通过改变 来调节出水温度。若上述实验中将出水温度设定为88℃,可估算出水时间约为 s。
(3)小军对实验进行了反思:上述结论在冬季还适用吗?为得到精准的结论,小军将表1设计优化如下并重新实验,你认为①、②处应分别填写的是 和 。
实验次数
①
出水温度/℃
②
出水时间/s
加热功率/W
1
......
【答案】1050;(1)①0.25;②24;④1050;
(2)控制变量法;加热功率;33.6;
(3)水的初温/℃;水升高的温度/℃。
10.(2022威海)实验室购买了一批规格为“”的小灯泡,物理兴趣小组的同学通过测量小灯泡的额定功率来鉴别灯泡是否符合规格。他们准备了如下器材:电源(电压恒为)、开关、滑动变阻器(“”)、电流表各1个,导线若干。
(1)若要完成此实验,还需要的器材是___________;请在图所示的虚线框内画出实验电路图( );
(2)按正确的电路图连接好电路,闭合开关,发现小灯泡强烈发光后立即熄灭,造成这种现象的原因可能是___________;
(3)问题解决后继续实验,当小灯泡两端电压为时,电流表示数如图所示,此时电路中的电流为___________A,小灯泡的电功率为___________W,小灯泡是否符合规格?___________;
(4)兴趣小组按上述操作测量了这批小灯泡在电压为时电功率,发现其中一些小灯泡不符合规格,如果问题出在钨丝的制作环节,其原因可能是___________。
【答案】 ①. 电压表 ②. ③. 连接电路前,滑动变阻器划片没有滑至阻值最大处 ④. 0.32 ⑤. 0.8 ⑥. 符合规格 ⑦. 钨丝材料、长度、横截面积、电阻等因素不合格
11.(2022哈尔滨)小明在探究“电功率和电压关系”的实验中:
(1)请用笔画线代替导线连接好图A电路,要求:电压表测量L2两端电压;___________
(2)连好电路后,闭合开关,发现两灯均不发光,电压表示数接近电源电压,则故障可能是 ___________;(写出一种即可)
(3)灯泡工作时,将电能转化为内能和 ___________;
(4)开始实验后,发现两个灯泡的亮度接近,无法比较电功率大小。为了解决这个问题,在提供的器材中,小明选择两个阻值接近的电热丝代替灯泡,又设计了如下三种可行方案:
甲:如图B所示,将电热丝R1和R2分别放入装有等体积水的玻璃瓶内,通电5分钟后,通过温度计示数升高的多少,比较电功率大小;
乙:其他条件不变,仅将甲方案中水换成乙醚;
丙:其他条件不变,仅将甲方案中水换成煤油。
物质
比热容c/J•( kg•℃)-1
密度ρ/(kg•m-3)
导电性
水
4.20×103
1.00×103
不导电
乙醚
2.35×103
0.71×103
不导电
煤油
2.14×103
0.80×103
不导电
你认为以上哪个方案能最明显地比较出电功率的大小?请说明理由。___________
【答案】 ①. ②. L2断路 ③. 光能 ④. 乙方案,相对甲和丙方案,根据
Q=cmΔt=cρVΔt
在Q、V相同时,乙醚的比热容c和密度ρ的乘积最小,所以Δt最大,即两瓶中温度计升高温度差最大,所以乙方案最明显。
12.(2022四川遂宁)小志同学在“测量小灯泡电功率”实验中,用到的器材有:新干电池两节、小灯泡(标有0.3A)1只、电流表1只、电压表1只、滑动变阻器1只、开关1支,导线若干。
(1)请用笔画线代替导线,在图甲中将实验电路连接完整(要求滑动变阻器的滑片向右移动时电流表的示数变小)( );
(2)连接好电路,闭合开关,发现灯不亮,电流表无示数,电压表示数接近3V,造成这一现象的原因可能是___________(选填序号);
①小灯泡短路; ②小灯泡开路; ③滑动变阻器短路; ④滑动变阻器开路
(3)排除故障,进行实验,当电流表的示数如图乙时,为了测量小灯泡的额定功率,应将滑动变阻器的滑片P向___________(选填“A”或“B”)端移动,当电流表示数达到0.3A时,电压表的示数如图丙,则小灯泡的额定功率为___________W;
(4)小刚用相同的器材进行该实验时发现电压表损坏,他找来一只阻值为R0的定值电阻,设计了如图丁所示的电路,也可测出小灯泡的额定功率,主要的操作步骤如下:
①把电流表接在a处,闭合开关,调节滑片P,使电流表的示数为I额;
②保持滑片P的位置不变,断开开关,把电流表接在b处,闭合开关,读出电流表的示数为I;
③计算得出小灯泡的额定功率P额=___________(用R0、I额、I表示)。
【答案】 ①. ②. ② ③. A ④. 0.75 ⑤.
13.(2022东营)如图所示是“探究影响通电螺线管磁性强弱的因素”的实验装置。
(1)正确连接好电路,闭合开关前,滑动变阻器的滑片应置于最___________(选填“左”或“右”)端;
(2)闭合开关,调节滑片位置,电流表的指针如图所示,则电流表的示数为___________A,此时通电螺线管的下端是___________(选填“N”或“S”)极;
(3)下列操作能减弱通电螺线管磁性的是___________(选填字母);
A.抽去铁芯 B.电源两极对调 C.减少线圈的匝数
(4)电磁铁的用途很多,如电磁起重机,试再列举至少2项电磁铁在实际中的应用:___________、___________。
【答案】 ①. 左 ②. 0.52 ③. N ④. AC ⑤. 电铃 ⑥. 扬声器
14.(2022攀枝花)法国科学家阿尔贝·费尔和德国科学家彼得·格林贝格尔由于发现了巨磁电阻(GMR)效应,荣获了诺贝尔物理学奖。巨磁电阻效应是指某些材料的电阻在磁场中急剧变化的现象,这一发现大大提高了磁电之间信号转换的灵敏度,从而引发了现代硬盘生产的一场革命。实验小组设计了如图所示的电路,来探究某GMR的阻值与磁场的关系。
(1)闭合开关S1,电磁铁的左边是______(选填“N”或“S”)极。滑动变阻器R1的滑片向右端滑动,电磁铁的磁性______(选填“增强”或“减弱”);
(2)断开开关S1,闭合开关S2,无论怎样移动滑动变阻器R2的滑片,电流表指针几乎不偏转,电压表有示数但不变。请分析电路故障______;
(3)排除电路故障后,闭合开关S1、S2,保持R2滑片位置不变,将滑动变阻器R1的滑片向左端滑动,观察到电流表示数增大,电压表示数______(选填“增大”、“减小”或“不变”);
(4)分析上述实验现象可知:该GMR的阻值随其周围磁场的增强而______(选填“增大”、“减小”或“不变”)。
【答案】 ①. S ②. 减弱 ③. 与电压表并联的支路断路 ④. 减小 ⑤. 减小
15.(2022日照)某校九年级一班物理兴趣小组的同学,学习了磁现象的知识后,深受物理学家奥斯特和法拉第科学探索精神的影响,怀着极大的兴趣对下列实验进行了探究。
(1)如图甲,将小磁针放在南北方向的直导线正下方,小磁针静止,N极指向北。如图乙触接电源,小磁针的N极向纸外偏转。断开连接后,小磁针恢复到图甲位置。如图丙,将电源正负极对调,再次触接电源,小磁针的N极向纸内偏转。则:
①通电导线周围存在磁场,且磁场的方向与___________有关;
②断开电源后,小磁针恢复到图甲状态,这是因为小磁针受到了___________的作用;
③如图丁所示,高速电子束飞过小磁针上方时,小磁针将发生如图___________所示方向的偏转,原因是___________。
(2)利用图戊所示的装置,让闭合电路中的一部分导体AB在磁场中运动,观察电流表指针的偏转情况,记录在下表中。已知当电流从电流表的左侧接线柱流入时,指针向左偏转;从右侧接线柱流入时,指针向右偏转。
实验次数
导体棒移动情况
电流表指针偏转情况
1
竖直向上
不偏转
2
竖直向下
不偏转
3
水平向左
向右偏转
4
水平向右
向左偏转
根据表中记录的实验信息,完成下列问题:
④由第1、2两次实验可知,导体棒AB平行于磁感线运动,闭合回路中___________(填“会”或“不会”)产生感应电流;
⑤由第3、4两次实验可知,导体棒AB中感应电流的方向与___________的方向有关。如果固定导体棒AB,水平向右移动磁铁,电流表的指针向___________偏转;
⑥本实验的设计不完整,不能探究感应电流的方向与磁场方向的关系。为了使探究过程更加完整,应___________;
⑦小明将电流表换成完好的小灯泡,再做第3、4两次实验时小灯泡不亮,最可能的原因是___________;
⑧发电机的原理与本实验的原理一样,己图为发电机的示意图,图中时刻线框水平,箭头为线框旋转的方向,此时ab边中的电流方向___________(填“由a到b”或“由b到a”)
【答案】 ①. 导线中的电流方向 ②. 地磁场 ③. 乙 ④. 物理学规定正电荷定向移动的方向为电流方向,负电荷定向移动的方向与电流方向相反。 ⑤. 不会 ⑥. 导体做切割磁感线运动 ⑦. 右 ⑧. 保持导体棒切割磁感线运动的方向不变,对调磁体的N、S极,记录电流表的偏转情况 ⑨. 导体棒运动速度太慢,产生的感应电流太小 ⑩. 由a到b
相关试卷
这是一份中考物理真题强化专练—基础知识综合考查,共18页。
这是一份2022年中考物理真题专项演练:电学计算综合考查(含答案),共24页。试卷主要包含了,记录有关信息如表格所示等内容,欢迎下载使用。
这是一份2022年中考物理真题强化训练:电学实验综合考查(含答案),共33页。试卷主要包含了9W,7W,、电压表和电流表做了如下实验等内容,欢迎下载使用。

