


物理八年级下册第十二章 简单机械综合与测试教学设计
展开【学习目标】
1.熟记杠杆定义。
2.理解杠杆的五要素。
3.会画杠杆受力图。
重点难点:
力臂的定义及画法。
学习内容:杠杆五要素及其画法。
学习指导:阅读课本P76至P77文字内容和插图,杠杆概念,五要素定义用红笔做上记号。
【自学检测】
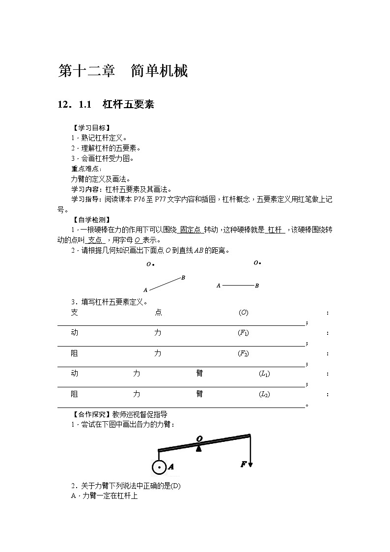
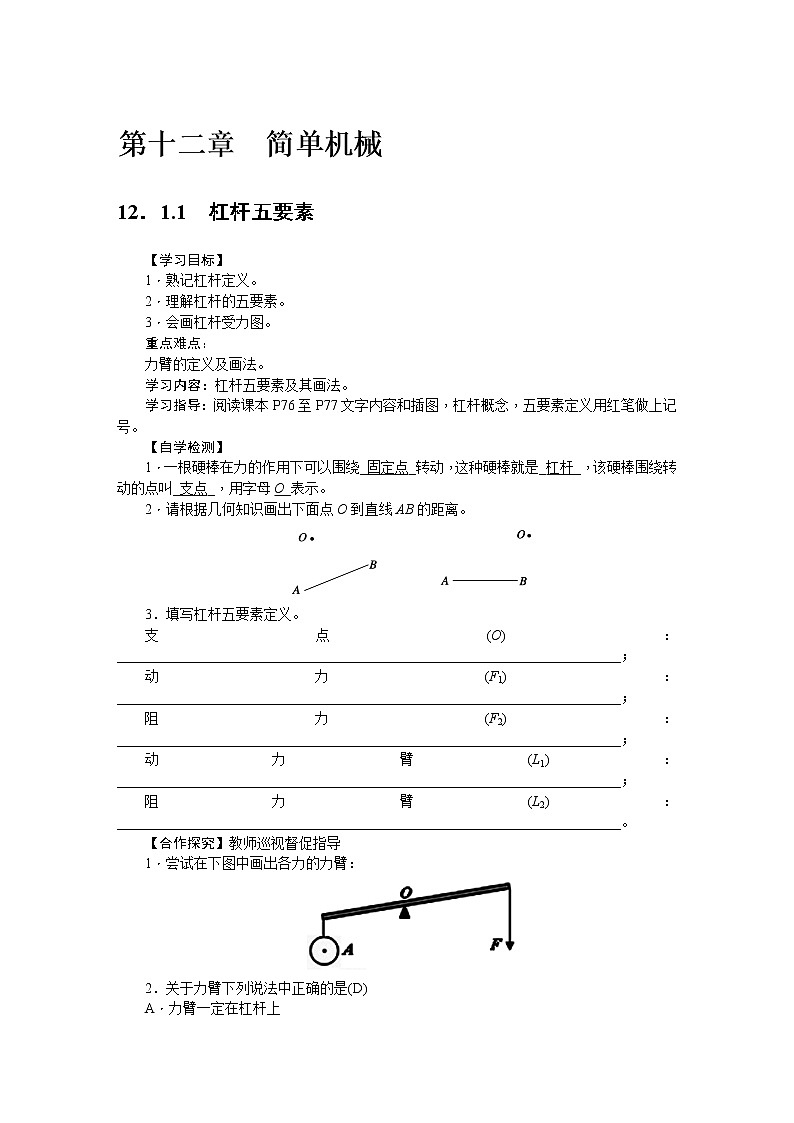
1.一根硬棒在力的作用下可以围绕_固定点_转动,这种硬棒就是_杠杆_,该硬棒围绕转动的点叫_支点_,用字母O_表示。
2.请根据几何知识画出下面点O到直线AB的距离。
3.填写杠杆五要素定义。
支点(O):________________________________________________________________________;
动力(F1):________________________________________________________________________;
阻力(F2):________________________________________________________________________;
动力臂(L1):________________________________________________________________________;
阻力臂(L2):________________________________________________________________________。
【合作探究】教师巡视督促指导
1.尝试在下图中画出各力的力臂:
2.关于力臂下列说法中正确的是(D)
A.力臂一定在杠杆上
B.动力作用线到支点的距离叫动力臂
C.阻力作用点到支点的距离叫阻力臂
D.力臂过交点与力的作用线垂直
【展示交流】教师掌握情况
【精讲点拨】
1.杠杆定义中的“硬棒”的“硬”是指杠杆不易发生形变。
2.画力臂口诀:找支点,画力线(力的作用线),从点(支点)向线(力的作用线)引垂线,力臂就是此垂线段。
3.动力和阻力的方向判断:如果动力和阻力分居在支点两侧,则动力和阻力方向同向,如果动力和阻力在支点同一侧,则动力和阻力方向相反。如下图所示。
【即时练习】
1.P80第二题。
2.请找出甲图和乙图中的支点。
3.(1)在图中分别画出力F1和F2对支点O的力臂L1和L2
(2)如图所示,杠杆在力F1、F2作用下处于平衡状态,L1为F1的力臂。请在图中作出F2的力臂L2及力F1。
【当堂练习】见训练案基础部分
12.1.2 杠杆的平衡条件
【学习目标】
1.理解杠杆的平衡条件。
2.会应用杠杆的平衡条件解决简单计算。
3.会设计探究杠杆平衡的实验方案,知道杠杆平衡实验的每个环节,会根据实验数据分析总结结论。
重点难点:
1.设计探究杠杆平衡的实验方案。
2.用杠杆的平衡条件解决简单计算。
学习内容:杠杆的平衡条件。
学习指导:阅读课本P77至P79内容和插图,基本概念、定义用红笔做上记号,熟记杠杆的平衡条件。
【自学检测】
1.杠杆平衡是指杠杆处于静止状态或匀速转动状态。
2.杠杆的平衡条件是:动力×动力臂=阻力×阻力臂或F1L1=F2L2。
【合作探究】教师巡视督促指导
实验探究:杠杆的平衡条件:
实验器材:带刻度的杠杆、弹簧测力计和质量相同的钩码若干。
实验步骤:
1.将杠杆中点支在支架上,调节平衡螺母,使杠杆在水平方向平衡;让杠杆在水平方向平衡的好处是:可以直接从杠杆上读出力臂长。
2.把三个钩码挂在杠杆两侧(左边2个,右边一个),移动钩码位置,使杠杆仍在水平位置平衡(如下左图)。把支点左侧的钩码对杠杆的作用力(大小等于两个钩码的重力)当作阻力,把支点右侧的钩码对杠杆的作用力当作动力,将动力F1,动力臂L1,阻力F2,阻力臂L2的数值填入下表。
3.在左侧钩码下再增加2个钩码,位置不变,在右侧钩码下加挂砝码,位置不变,使杠杆重新在水平位置平衡,将实验数据填入下表。
4.在杠杆两侧挂上个数相同的钩码,移动钩码位置,使杠杆在水平位置平衡,将测得的力和力臂填入下表。
5.如上右图所示,把钩码挂在杠杆一侧,用弹簧秤在同侧竖直向上拉住杠杆,使杠杆在水平位置平衡,把钩码拉杠杆的力当作阻力,把弹簧秤拉力当作动力,将力和力臂的数据填入下表。
6.算出四次实验中“动力×动力臂”和“阻力×阻力臂”的数值,比较计算结果,归纳可得:杠杆的平衡条件是:动力×动力臂=阻力×阻力臂。这个平衡条件就是阿基米德发现的杠杆原理。
7.多次实验的目的:使结论更准确(防止结论带有偶然性)。
8.在实验中,用如图所示方法悬挂钩码,杠杆也能平衡,但采用这种方法不妥当,因为力和力臂数目太多。
9.采用如图所示方法,也能使杠杆平衡,但是结论与6中不相符,因为杠杆自重的影响。
【展示交流】教师掌握情况
【精讲点拨】
在平衡杠杆左右两端分别挂有重物是40牛和50牛。此时杠杆平衡,若使两端物体都减少10牛。则(B)
A.左端下沉 B.右端下沉
C.仍然平衡 D.不能确定
方法一:极端法:两边同时减少40N,则右端还有10N,所以右端下沉。
方法二:设左端力臂为L左,右端力臂为L右,当杠杆平衡时,L左×40N=L右×50N,得L左>L右,当两端物体都减少10牛后,杠杆左端为L左×(40N-10N)=L左×40N-L左×10N,右端为L右×(50N-10N)=L右×50N-L右×10N,可得出:L左×40N-L左×10N<L右×50N-L右×10N,右端下沉。
方法三:当杠杆平衡时,L左×40N=L右×50N,得L左∶L右=5∶4 ①,当两端物体都减少10牛后,杠杆左端为L左×(40N-10N)=L左×30N,右端为L右×(50N-10N)=L右×40N,联系①式可得出L左×30N<L右×40N,右端下沉。
总结:1.在研究杠杆平衡条件时,应使杠杆水平平衡,便于测量力臂。
2.杠杆是否平衡,要看力矩(力和力臂的乘积)是否相等。
【即时练习】
1.如图所示,杠杆平衡,下列做法仍能使杠杆平衡的是(D)
A.两边钩码各向外移动一格
B.左边增加一个钩码,右边向外移动一格
C.左右两边的钩码各减少一个
D.左右两边的钩码各增加为原来的两倍
2.课本P80第4题
3.如下图,一根长1.2m的杠杆,当杠杆平衡时,左右两端所挂物体重之比为GA∶GB=5∶3,则力臂比为OA∶OB=3∶5,即杠杆平衡时,力臂跟力成反比。
4.一位瓜农用1.2米的扁担挑一担西瓜,前面一筐瓜重350牛,后面一筐重250牛。请问他的肩膀应放在扁担的什么位置,扁担才能平衡?
解:设肩膀在距前筐L米处,扁担才能平衡,由杠杆的平衡条件得:350N×L=250N×(1.2m-L)
解得:L=0.5米,即肩膀在距前筐0.5米处.
【当堂练习】见训练案基础部分
12.1.3 杠杆的类型
【学习目标】
1.能区分各类杠杆。
2.会分析杠杆在生活中的应用。
重点难点:
杠杆最小动力的力臂画法。
学习内容一:杠杆的应用和分类。
学习指导:阅读课本P79、P80内容和插图。基本概念、定义用红笔做上记号,记住三类杠杆的特点。
【自学检测】
省力杠杆:动力臂大于阻力臂,动力小于阻力,省力,费距离。
费力杠杆:动力臂小于阻力臂,动力大于阻力,省距离,费力。
等臂杠杆:动力臂等于阻力臂,动力等于阻力,不省距离,也不省力。
【合作探究】教师巡视督促指导
1.生活中有很多杠杆,下列各属于哪种杠杆?
跷跷板、起子、铡刀、羊角锤、理发剪、镊子、筷子、人的前臂、钓鱼竿、天平、钢丝钳、缝纫机踏板、手推车。
省力杠杆:________________________________________________________________________
费力杠杆:________________________________________________________________________
等臂杠杆:________________________________________________________________________
2.生活中常用的指甲剪刀是杠杆吗?你能不能分析一下指甲剪刀有几个杠杆?各是哪类杠杆?
(指甲剪刀有三个杠杆:省力杠杆:ABC,费力杠杆:DBO﹑FEO)
【展示交流】教师掌握情况
【精讲点拨】
1.不存在既省力又省距离的杠杆。
2.判断杠杆种类的方法:
用力臂来判断,若动力臂大于阻力臂,是省力杠杆,相反是费力杠杆;
【即时练习】
1.跷跷板上一端坐一小孩,一端坐一大人,恰好平衡,下说法中正确的是(D)
A.大人小孩一样重
B.大人小孩的力臂一样大
C.大人的力臂大
D.小孩的力臂大
2.课本P80第1题
学习内容二:最小动力的力臂画法。
【自学检测】
1.杠杆的平衡条件是:动力×动力臂=阻力×阻力臂。
2.如图所示,要使杠杆处于平衡状态,在A点分别作用的四个力中,最小的是(C)
A.F1
B.F2
C.F3
D.F4
【合作探究】教师巡视指导
1.当一力的作用线通过支点时,此力的力臂的大小为零,此力对杠杆平衡有影响吗?
(当一力的作用线通过支点时,此力的力臂大小等于零,此力就不会影响杠杆平衡,如:某杠杆自身重力的作用线通过支点,那么杠杆的自重就不会影响杠杆平衡)
2.(1)画出下图中杠杆平衡时的最小的动力F1。
(2)你从中得到什么启示?
3.如图所示,用撬棒撬起大石头,向上、向下用力都可以撬起大石头,哪一种方法更省力?说明其中的道理(图中BC=CD)。
(分析:向上撬,支点在B点,阻力作用点在C点,向下撬,支点在D点,阻力作用点在C点,两种方法,阻力与阻力臂乘积不变,向上撬,动力臂更大,所以更省力)
4.如图,画出将书桌一端抬离地面的最小动力F,并标明支点O及动力臂L。
【展示交流】教师掌握情况
【精讲点拨】
解决杠杆平衡时动力最小问题:此类问题中“阻力×阻力臂”为一定值,要使动力最小,必须使动力臂最大,要使动力臂最大需要做到:①在杠杆上找一点,使这点到支点的距离最远,此点到支点的距离即为最长力臂②动力方向应该是过该点且和该连线垂直的方向。
【即时练习】
1.
如图所示,AOB为一机械设备的简化示意图,我们可以把它看成________(自重不计),已知AO=2OB。固定O点,此时B端挂一重为40N的物体,要使OB处于水平位置不发生转动,需在A端施加最小力F=20N的力,在图上画出此力F的方向。
2.刘佳的妈妈从超市买回一袋胡萝卜,刘佳捡了一个最大的用细线系好挂在弹簧测力计上,如图所示,胡萝卜重2.4N,如果沿细线将胡萝卜切成两段,则GA>GB(填“>”“<”或“=”。)
3.画出下图以C点为支点,使木箱D点离开地面的最小动力F和对应的力臂L。
【当堂练习】见训练案基础部分
12.2.1 滑轮、滑轮组
【学习目标】
1.知道定滑轮、动滑轮、滑轮组并能识别它们。
2.理解定滑轮、动滑轮、滑轮组的特点与实质,并能用来解决简单的实际问题。
3.会根据要求使用和组装简单的滑轮组。
重点难点:
1.定滑轮和动滑轮的实质分析。
2.用定滑轮、动滑轮和滑轮组解决省力和改变力的方向问题。
学习内容一:定滑轮和动滑轮
学习指导:阅读课本P82至P83内容,定滑轮、动滑轮的定义用红笔做上记号,并把两者的区别画上方框。
【自学检测】
1.滑轮是一个周边有槽并可以绕轴转动的轮子。
2.定滑轮是使用时滑轮不随物体一起被提升的滑轮,动滑轮是使用时滑轮跟被拉动的物体一起被提升的滑轮。
3.指出下列是定滑轮还是动滑轮。
【合作探究】教师巡视督促指导
一、定滑轮特点
利用图11.2-3乙图组装定滑轮,并用定滑轮做功(竖直匀速向下拉),根据实验完成下表:
结论:①(不计摩擦)比较重物与拉力大小关系可得出:F=G,可得出使用定滑轮不能(填“能”或“不能”)省力。
②比较物体提升高度h和拉力通过的距离s关系可得出:使用定滑轮不能(填“能”或“不能”)省距离,物体提升高度等于拉力通过的距离。
③观察拉力方向和物体运动方向可得出:当作用在定滑轮上的拉力方向竖直向下时,物体运动的方向是竖直向上,说明使用定滑轮可以改变拉力的方向。
二、动滑轮特点
根据图11.2-3丙图组装动滑轮并用动滑轮做功(竖直匀速向上拉,让拉力与阻力方向平行),根据实验完成下表:
结论:①比较物重、动滑轮自重、拉力三者的大小能得出:F1=(G物+G动)/2;说明使用动滑轮能省力,如果不计摩擦和滑轮自重时:即G动=0,则F1=G物/2,说明使用动滑轮能省一半力。
②观察拉力方向和物体运动方向可得出:拉力F1的方向竖直向上,重物运动的方向竖直向上,说明使用动滑轮不能(填“能”或“不能”)能改变用力方向。
③比较物体提升高度h和拉力通过的距离s可得出:拉力通过的距离等于物体提升高度的2倍(或s=nh)。
【展示交流】教师掌握情况
【精讲点拨】
1.定滑轮的实质:
①定滑轮可以围绕一个固定轴转动(请你在图上用O标出),可以把它看成一个变形杠杆,在图中画出了定滑轮杠杆的五要素。
②比较定滑轮动力臂L1、阻力臂L2的长短可得出:L1=L2,说明定滑轮相当于一个等臂杠杆,使用时不能(填“能”或“不能”)省力,可以改变用力方向。
③定滑轮的自重影不影响定滑轮平衡?为什么?
答:不影响,因为定滑轮的重力作用线通过支点(无力臂)
2.动滑轮的实质:
如果把动滑轮也看成一个变形杠杆,在图中画出了动滑轮杠杆的五要素:
①怎样确定支点位置?重物对动滑轮的作用力方向:竖直向下,拉力方向:竖直向上,异向(动力、阻力的方向相反)同侧(动力作用点、阻力作用点处在支点同一侧),说明动滑轮的支点肯定在轴的左端点上,在右图中已画出动滑轮的杠杆五要素。
②比较动滑轮动力臂L1、阻力臂L2的长短可得出:L1>L2,说明动滑轮相当于一个动力臂是阻力臂2倍的杠杆,根据杠杆的平衡条件可知:使用动滑轮能(填“能”或“不能”)省一半力;
③动滑轮的自重影不影响动滑轮平衡?为什么?
(影响,因为动滑轮的重力作用点在动滑轮的轴上,和阻力的作用点、方向都相同,如果把F1当动力,轮直径等于动力臂L1,阻力大小等于重物G物和动滑轮的重力G动之和,轮半径等于阻力臂L2,即:动滑轮平衡时,F1=(F2+G动)/2,如果不计动滑轮自重,可推得:F1=F2/2)
【即时练习】
1.对于旗杆顶上的滑轮,其作用叙述正确的是(C)
A.省力杠杆,可改变力作用方向
B.费力杠杆,可改变力作用方向
C.等臂杠杆,可改变力作用方向
D.以上说法都正确
2.
两个滑轮完全相同,其重力均为20N。分别用如图所示的两种方式,将重400N的物体以相同的速度匀速提升,不计摩擦和绳重,则下列判断正确的是(A)
A.F1大于F2
B.F1=F2
C.F1小于F2
D.F1和F2大小无法确定
学习内容二:滑轮组
学习指导:阅读课本P83文字内容和插图,基本概念、定义用红笔做上记号。
【自学检测】
把定滑轮和动滑轮组合在一起就构成滑轮组。
【合作探究】教师巡视指导
1.图12.2-4中都是由一个定滑轮和一个动滑轮组合在一起,图甲这样组合能省力,但不能改变拉力方向,图乙这样组合既能省力又能改变拉力方向,图甲有三段绳子吊着动滑轮,拉绳子所用的力就是总重的三分之一。图乙有二段绳子吊着动滑轮,拉绳子所用的力就是总重的二分之一。分析对比:甲、乙两种绕法有何不同?哪种更省力?
2.按照要求组装图A、B滑轮组。(动滑轮自重不计)
(1)用G/2的力提起重物;
(2)用G/3的力提起重物。
3.滑轮组横放(如图所示)
使用滑轮组时,滑轮组用两段绳子拉着物体做匀速直线运动,拉力F就是物体所受摩擦力f的二分之一,即:F=eq \f(1,2)f(不计绳与轮的摩擦),物体水平移动的距离L与绳自由端移动距离s的关系为:L=eq \f(1,2)s。
【展示交流】教师掌握情况
【精讲点拨】
1.判断滑轮组承担物重的绳子段数的常用方法。
先找出动滑轮,从定滑轮和动滑轮中间隔断,如图所示,然后只数出动滑轮上的绳子段数即可,不包含从定滑轮绕出来的绳子段数。
图甲有三段绳子承担重物,图乙有两段绳子承担重物。
2.根据你所掌握的滑轮知识,完成下列表格:
【即时练习】
1.如下图所示,用滑轮组沿水平地面拉动物体A,请画出最省力的绕绳方法。
2.如下图所示,用滑轮按甲、乙、丙三种方式拉同一重物在相同的水平面上做匀速直线运动,拉力分别为F1、F2、F3,比较它们的大小,其中正确的是(C)
A.F1=F2=F3 B.F1<F2<F3
C.F1<F3<F2 D.F3<F1<F2
3.
如图所示,重500N物体A在拉力F作用下以1m/s的速度匀速向左运动,已知F=100N,不计滑轮自重﹑绳重及滑轮与绳子之间的摩擦,求:
(1)物体A受到地面的阻力;
(2)在5s内,绳子自由端移动的距离。
解:(1)物体A由2段绳子拉着,A受到地面阻力f=2F=2×100N=200N,
(2)物体移动的距离S=vt=5s×1m/s=5m,绳子自由端移动距离S绳=2S物=5×5m=10m
4.课本P84第4题
【当堂练习】见训练案基础部分
12.2.2 轮轴和斜面
【学习目标】
1.轮轴的实质。
2.斜面的特点。
重点难点:
斜面和轮轴的实质分析。
学习内容:轮轴和斜面
学习指导:阅读课本P83科学世界内容,注意观察插图,基本概念、定义用红笔做上记号。
【自学检测】
轮轴是由共同转轴的大轮和和小轮组成的,通常把大轮叫轮,小轮叫轴,常见的轮轴有门把手、方向盘、扳手拧螺丝。
【合作探究】教师巡视指导
一、轮轴的几种情况。
1.(观察右图)轮轴的实质:轮轴相当于一根可连续转动的杠杆。轮轴的中心相当于杠杆的支点,轮半径R和轴半径r相当于杠杆的动力臂和阻力臂。
分析:轮轴静止或匀速转动时,由杠杆的平衡条件可得结论:轮半径R是轴半径r的几倍,作用在轮上的动力就是作用在轴上阻力的几分之一。轮轴平衡时,有F1×R=F2×r。
2.
如图所示是自行车上两个典型的轮轴装置,从图中可知脚踏板与齿轮盘组成了一个省力的轮轴,飞轮与后车轮组成了一个费(选填“省”或“费”)力的轮轴。
3.在生产、生活中,人们常会用到轮轴,轮轴由具有公共转轴的轮和轴构成。
分析:辘轳截面图如图所示,它就是轮轴的一种。辘轳也可以看成是变形的杠杆,辘轳绕着转动的轴心就是支点,辘轳的把手转动一圈就是如图所示的轮,作用在把手上的力为动力F1,水桶对轴向下的拉力是阻力F2,请在辘轳的截面图上画出辘轳的杠杆示意图。通过示意图可以发现辘轳是省力(填“省力”或“费力”)杠杆。
二、提问:为什么上山的公路修成盘山路,而不是从山下直通山顶?
模拟实验:将三角形的纸片绕在铅笔上,如图所示。
讨论:汽车爬山相当于沿三角形的哪一边爬到山顶的?走的路程是多了还是少了?你明白了什么道理?还有哪些场合利用了斜面?
【展示交流】教师掌握情况
【精讲点拨】
使用任何机械,能省力就必然费距离,而省距离就必然费力,没有既省力又省距离的机械。
【即时练习】
1.斜面是省力(填“省力”或“费力”)的简单机械,但要费距离。
2.骑自行车上坡走“S”形路线,这样做的好处是(B)
A.省距离 B.省力
C.费力,但省时间 D.以上说法都不对
3.我们生活中经常使用的工具和见到的情景,分别属于哪种简单机械?
a.用扳手拧螺钉:轮轴;
b.汽车走的盘山公路:斜面;
c.挑东西的扁担:杠杆。
4.用15N的力提起20N的物体,下列机械不可行的是(A)
A.定滑轮 B.动滑轮
C.滑轮组 D.杠杆
E.斜面 F.轮轴
5.如图所示,请你至少说出两项简单机械原理在自行车上的应用(包括结构和使用方面)。
【当堂练习】见训练案基础部分
12.3.1 认识机械效率
【学习目标】
1.知道有用功、额外功和总功的含义以及三者之间的关系。
2.理解机械效率的概念,能结合具体实例认识什么是有用功、什么是额外功、什么是总功,会计算机械效率。
重点难点:
1.有用功、额外功和总功。
2.理解机械效率的概念,会利用公式进行有关的计算。
学习内容一:有用功、额外功和总功
学习指导:阅读课本P85至P86上面文字内容和插图,基本概念、定义用红笔做上记号,熟读有用功、额外功和总功定义。
【自学检测】
1.做功的两个必要因素是①有作用在物体上的力、②物体在此力的作用下通过一段距离。功的计算公式是:W=Fs。
2.根据自己的理解填空:
有用功:在工作时,对人们有用的功,用符号W有表示。
额外功:在工作时,对我们无用而又不得不做的功,用符号W额表示。
总功:有用功与额外功之和,也叫动力功,用符号W总表示。
有用功、额外功和总功之间的关系是:W总=W有+W额
【合作探究】教师巡视督促指导
1.教师演示P85实验:使用动滑轮是否省功。表格如下:
分析:实验中克服钩码的重力做的功是有用功,拉动绳子的力做的功是总功,比较表中5、6两列数据得出:使用滑轮提升重物时做的功比直接提升重物做的功要多,原因是:我们还要克服动滑轮的自重和摩擦力多做一部分功,这部分功属于额外功。
结论:使用动滑轮不能(“能”或“不能”)省功。
2.有同学认为:克服摩擦做的功都属于额外功。谈谈你的看法:
在图中画出物块受力示意图并讨论分析:
如果用大小为F的力匀速向左拉动滑轮组,使物块移动的距离为S物,物块受到的地面摩擦为f,则此时有用功是克服物块与地面之间的摩擦做的功,大小等于W有=f·S物,动滑轮绳子段数n=3,总功是拉物块运动过程中作用在自由端的力F做的功,大小等于W总=F·3S物
总结:竖着提物体克服机械自重和摩擦做功才属于额外功,横着拉物体时克服物体与地面摩擦做的功是有用功。
【展示交流】教师掌握情况
【精讲点拨】
有用功是对我们有用必须做的功(直接对物体做的功),通过机械提升物体做的功是总功,使用机械时,会克服机械的自重或摩擦做一部分功属于额外功。
【即时练习】
1.用水桶从井中提水时,所做的有用功是对桶中的水做的功,额外功是对桶做的功,总功是作用在桶上的拉力做的功。
2.如果桶掉到井里,从井里捞桶时,捞上来的桶里带了一些水,有用功是对桶做的功,额外功是对桶中的水做的功,总功是作用在桶上的拉力做的功。
3.
一个工人用如图所示的滑轮组提升2000N的货物,所用拉力为600N,物体上升了1m,不计绳重和摩擦。
求:(1)有用功;(2)总功;(3)额外功。
解:(1)有用功W有用=Gh=2000N×1m=2000J
(2)总功W总=Fs=600N×1m×4=2400J
(3)额外功W额=W总-W有用=2400J-2000J=400J
学习内容二:机械效率
学习指导:阅读课本P86文字内容和插图,基本概念、定义用红笔做上记号,记住机械效率的计算公式
【自学检测】
1.①有没有一种简单机械只做有用功,不做额外功?(没有)
②用不同的简单机械做功,完成相同有用功时所做的总功是否相同?为什么?(不同,因为额外功不同)
③额外功在总功中占的比例越多越好,还是越少越好?(额外功在总功中占的比例越少越好)
④一定的总功中,额外功少意味着什么?(有用功多)
2.物理学中,将有用功跟总功的比值叫做机械效率,用符号η表示,读作aita。
3.机械效率的计算公式:η=W有用/W总。
4.利用滑轮组做功时,不可避免地要做__额外__功,所以滑轮组的机械效率总是小于1。
5.起重机的机械效率是40~50%,抽水机的机械效率是60~80%。
【合作探究】教师巡视指导
一、如图所示,工人师傅用三种方法将100N的沙子提到三楼去。请根据图中所提供信息计算填表:(绳与滑轮摩擦不计,不考虑滑轮和桶、滑轮和口袋间距):
这三种方法做的有用功相等(填“相等”或“不相等”),其中机械效率最高的是方法③(填表格中的序号)。
二、写出“学习内容一”中“合作探究2”滑轮组的机械效率表达式η=(f·S物)/(F·3S物)=f/(3F物)。
【展示交流】教师掌握情况
【精讲点拨】
机械效率用百分数表示,没有单位。
机械效率是描述机械性能优劣的物理量,机械效率高的机械性能优良。机械效率的高低与所使用的机械工作时是否省力、及省力多少无关;与机械工作时的快慢程度无关;与机械工作时所完成的功的数量多少也无关。
【即时练习】
1.用动滑轮提升重物的机械效率为75%,它表示(D)
A.若作用在动滑轮上的动力是100N,则物重是75N
B.若重物是100N,则动力是75N
C.若动力做功是100J,则额外功是75J
D.若动力做功是100J,则有功用是75J
2.用一个重为100N的动滑轮提起一个重为500N的物体(不计摩擦),这时的拉力为300N,动滑轮的机械效率为83.3%;若用这个动滑轮提升重为1000N的物体,拉力为550N,动滑轮的机械效率为90.9%。
3.课本P88第1和2题
【当堂练习】见训练案基础部分。
12.3.2 探究滑轮组的机械效率
【学习目标】
1.会测定滑轮组的机械效率。
2.同一滑轮组的机械效率的特点。
3.斜面的机械效率探究。
重点难点:
1.机械效率的有关计算,实验现象的归纳。
2.测机械效率,知道提高机械效率的方法。
学习内容:滑轮组及其他机械的效率
学习指导:阅读课本P87实验探究,注意记忆常见机械效率范围。
【自学检测】
使用机械过程中,机械对物体所做的功是有用功,克服机械自重及机械摩擦所做的功是额外功,人使用机械时对机械做的功是总功。
【合作探究】教师巡视督促指导
1.实验探究:同一滑轮组的机械效率。
提出问题:使用同一滑轮组提升不同物体,滑轮组的机械效率相同吗?
猜想与假设:使用同一滑轮组提升不同物体时,滑轮组的机械效率不同。
实验器材:________________________________________________________________________
需要测量工具:________________________________________________________________________
所测物理量:________________________________________________________________________
实验步骤:
①用一个动滑轮和一个定滑轮组成的滑轮组提升2个钩码,记录钩码的重力、弹簧测力计的拉力、钩码上升的高度、绳自由端移动的距离。
②用滑轮组提升4个钩码,记录钩码的重力、弹簧测力计的拉力、钩码上升的高度、绳自由端移动的距离。
③用滑轮组提升6个钩码,记录钩码的重力、弹簧测力计的拉力、钩码上升的高度、绳自由端移动的距离。
④将实验数据记录在下表中,分别计算出有用功、总功和机械效率,填写表格:
⑤通过分析表格数据在与同学们交流讨论,你能得到什么结论?
结论:使用同一滑轮组提升不同物体时,滑轮组的机械效率不同。提升重物越重机械效率越高。
2.下图是小明研究斜面机械效率跟什么因素有关的实验装置。
实验时他用弹簧测力计拉同一物块沿粗糙程度相同的斜面向上做匀速直线运动。部分实验数据如下:
(1)小明探究的是斜面的机械效率跟斜面的倾斜程度的关系。在第1次实验中,斜面的机械效率为20%。
(2)分析表格中数据可以得出结论:在斜面粗糙程度相同时,斜面越陡,机械效率越高。若要探究斜面机械效率跟斜面的粗糙程度的关系,应保持斜面的倾斜程度不变,改变斜面的粗糙程度。
【展示交流】教师掌握情况
【精讲点拨】
1.用同一滑轮组提升不同重物,机械效率不同,被提升的物体越重,机械效率越高。
2.斜面的倾斜程度越大,机械效率越高,斜面越粗糙,机械效率越低。
【即时练习】
1.课后P88第3和4题
2.某实验小组探究影响滑轮组机械效率的因素的实验装置如图所示,实验数据如下表。若不计摩擦,比较1和2两次的实验数据,可以看出滑轮组的机械效率与动滑轮的个数(或动滑轮的总重)有关;比较1和3两次的实验数据,可以看出同一滑轮组的机械效率与提升的物重有关。
(1)提高滑轮组的机械效率方法有哪些?
(2)请你设计实验4证明:物体被提升的高度是否影响滑轮组的机械效率?
3.
如图用40N的拉力使重为90N的物体匀速上升,不计绳重和摩擦,整个装置的机械效率是多少?若重力变为150N,机械效率又是多大?
解:设物体提升高度为h,则绳子自由端移动距离S=3h,则η1=(90N×h)/(40N×3h)=75%,G动=40N×3h-90N=30N,当重力变为150N时,绳子自由端拉力F=(30N+150N)/3=60N,η2=(150N×h)/(60N×3h)=83.3%
【当堂练习】见训练案基础部分
实验
次数
动力
(N)
动力
臂(cm)
动力×动力
臂(N·cm)
阻力
(N)
阻力
臂(cm)
阻力×阻力
臂(N·cm)
1
2
3
4
被测
物理量
次数
物重
G物/N
物体被提
升高度
h/m
拉力
F1/N
沿拉力方
向移动的
距离S/m
第一次
第二次
第三次
被测物
理量
次数
动滑轮
自重
G动/N
物重
G物/N
物体随动
滑轮提升
高度h/m
拉力
F1/N
沿拉力方
向移动的
距离S/m
第一次
第二次
第三次
分类
优缺点
实 质
定滑轮
不能省力但能
改变拉力方向
等臂杠杆
动滑轮
能省一半力,不能
改变拉力方向
动力臂是阻力
臂2倍的杠杆
滑轮组
①使用滑轮组时,滑轮组用几段绳子吊着物体,提起物体用的力就是物重或物体与动滑轮总重的几分之一;绳子移动的距离就是物体移动距离的几倍,如:当动滑轮上的绳子段数为n,物体重力为G物,动滑轮重G动,自由端拉力为F,则有F=(G物+G动)/n(不计所有摩擦时),物体提升的高度为h,自由端通过的距离为S,则s=nh
③组装口诀:奇动偶定。
被测物
理量
次数
物重
G/N
物体被
提升高
度h/m
拉力
F1/N
沿拉力
方向移
动的距
离S/m
钩码的重
力做功
W1/J
拉动绳
子的力
做功
W2/J
第一次
第二次
第三次
提升
方法
有用功
W有
总功
W总
额外功
W额
机械效
率η
①
②
③
钩码重
力G/N
提升高
度h/m
有用功
W有用/J
绳端拉
力F/N
绳端移
动距离
s/m
总功
W总/J
机械效
率η
1
2
3
实验
次数
斜面的
倾斜程度
物块重
量G/N
斜面高
度h/m
沿斜面
拉力F/N
斜面
长s/m
机械
效率
1
较缓
10
0.1
5.0
1
2
较陡
10
0.3
6.7
1
44.5%
3
最陡
10
0.5
8.4
1
60%
次数
物理量
1
2
3
钩码重G/N
4
4
6
钩码上升高度h/m
0.1
0.1
0.1
绳端拉力F/N
1.8
1.4
2.4
绳端移动距离s/m
0.3
0.5
0.3
机械效率η
74%
57%
83%
物理八年级下 资料教学设计: 这是一份物理八年级下 资料教学设计,共5页。
初中物理人教版八年级下册第十二章 简单机械综合与测试教案: 这是一份初中物理人教版八年级下册第十二章 简单机械综合与测试教案,共8页。
初中12.2 滑轮教案: 这是一份初中12.2 滑轮教案,共3页。教案主要包含了教材分析,学情分析,教学目标,教学重点,教学难点,教学器材,教学过程设计等内容,欢迎下载使用。