高中物理人教版 (2019)必修 第二册5 实验:验证机械能守恒定律复习练习题
展开8.5实验:验证机械能守恒定律提高优化(含答案)
一、单选题
1.在“验证机械能守恒定律”的实验中,不是必需的实验仪器是( )
A.交流电源 B.天平 C.打点计时器 D.带夹子的铁架台
2.如图所示,是用打点计时器验证机械能守恒定律的实验装置.下列说法中正确的是( )
A.打点计时器应接直流电源
B.应先释放纸带,后接通电源打点
C.需使用秒表测出重物下落的时间
D.将连有重锤的纸带穿过限位孔,把重锤提升到靠近打点计时器并静止
3.小明利用如图所示装置进行“验证机械能守恒定律”的实验,下列说法正确的是( )
A.必须用天平测量重物的质量
B.必须用秒表测出下落时间t,通过计算出瞬时速度
C.应先释放纸带,再接通电源
D.打点计时器使用的是交流电源
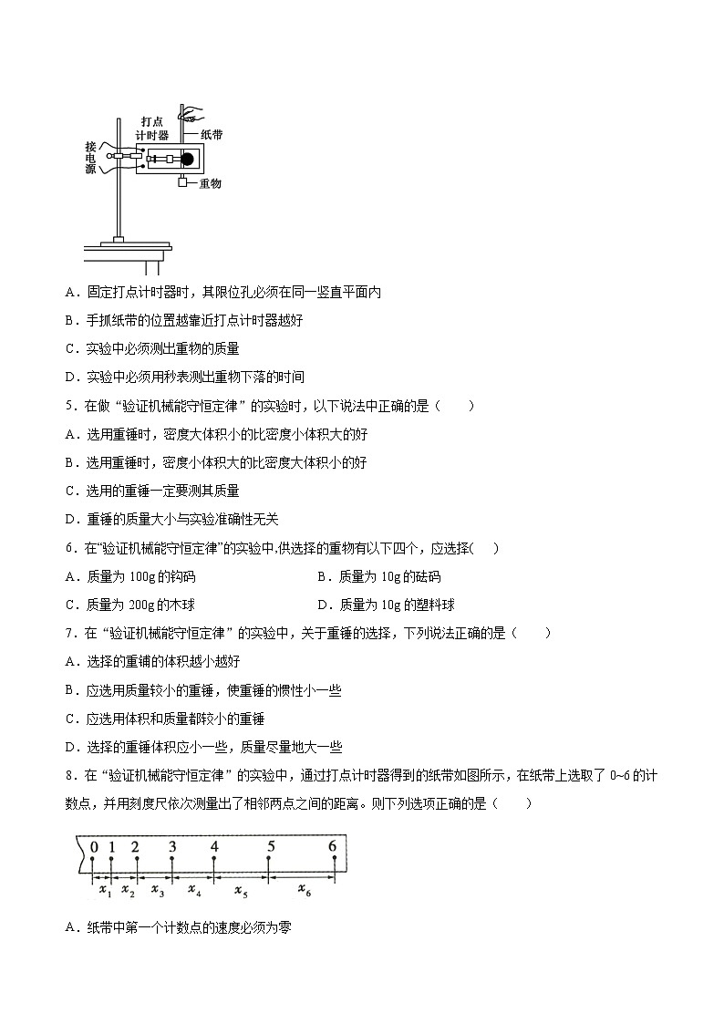
4.如图所示为“验证机械能守恒定律”的实验装置。关于该实验,下列说法中正确的是( )
A.固定打点计时器时,其限位孔必须在同一竖直平面内
B.手抓纸带的位置越靠近打点计时器越好
C.实验中必须测出重物的质量
D.实验中必须用秒表测出重物下落的时间
5.在做“验证机械能守恒定律”的实验时,以下说法中正确的是( )
A.选用重锤时,密度大体积小的比密度小体积大的好
B.选用重锤时,密度小体积大的比密度大体积小的好
C.选用的重锤一定要测其质量
D.重锤的质量大小与实验准确性无关
6.在“验证机械能守恒定律”的实验中,供选择的重物有以下四个,应选择( )
A.质量为100g的钩码 B.质量为10g的砝码
C.质量为200g的木球 D.质量为10g的塑料球
7.在“验证机械能守恒定律”的实验中,关于重锤的选择,下列说法正确的是( )
A.选择的重铺的体积越小越好
B.应选用质量较小的重锤,使重锤的惯性小一些
C.应选用体积和质量都较小的重锤
D.选择的重锤体积应小一些,质量尽量地大一些
8.在“验证机械能守恒定律”的实验中,通过打点计时器得到的纸带如图所示,在纸带上选取了0~6的计数点,并用刻度尺依次测量出了相邻两点之间的距离。则下列选项正确的是( )
A.纸带中第一个计数点的速度必须为零
B.可将计数点1~5的瞬时速度利用平均速度直接求出
C.由于0、6两计数点为纸带的端点,因此不能计算出这两点的速度
D.由题中的数据计算出的加速度应为当地的重力加速度
9.用落体法验证机械能守恒定律的实验中得到如图所示纸带。根据纸带算出相关各点的速度v,测量出下落距离h,则以为纵轴,以h为横轴画出的图像应是( )
A. B. C. D.
10.如图所示为“验证机械能守恒定律”的实验装置.关于该实验,下列说法中正确的是( )
A.固定打点计时器时,其限位孔必须在同一竖直平面内
B.手抓纸带的位置越靠近打点计时器越好
C.实验中必须测出重物的质量
D.实验中可以用干电池作为电源
11.如图所示为“验证机械能守恒定律”的实验装置,利用该装置进行实验,下列说法正确的是( )
A.需要用秒表测出重物下落的时间
B.需要测出重物的质量
C.打点计时器应接直流电源
D.应先接通电源,后释放纸带
12.关于“验证机械能守恒定律”的实验中,以下说法正确的是( )
A.实验中摩擦不可避免,因此纸带越短越好,因为纸带越短,克服摩擦力做的功就越小,误差就越小
B.称出重锤的质量
C.纸带上第1、2两点间距若不接近2 mm,则无论怎样处理实验数据,实验误差一定较大
D.处理打完点的纸带时,可以直接利用打点计时器打出的实际点迹,而不必采用“计数点”的方法
13.频闪照相是每隔相等时间曝光一次的照相方法,在同一张相片上记录运动物体在不同时刻的位置。如图所示是小球在竖直方向运动过程中拍摄的频闪照片,相机的频闪周期为T,利用刻度尺测量相片上2、3、4、5与1位置之间的距离分别为x1、x2、x3、x4。下列说法正确的是( )
A.小球一定处于下落状态
B.小球在2位置的速度大小为
C.小球的加速度大小为
D.频闪照相法可用于验证机械能守恒定律
14.在《验证机械能守恒定律》实验中,打的一条纸带如下图所示,O点为打的第一点,选取OP段验证机械能守恒,O,1…P为打的连续的点,打点时间间隔为T,重力加速度为g,下列说法中正确的有( )
A.打P点时纸带速度用vn=ngT计算
B.打P点时纸带速度用vn=或vn=计算
C.O、1两点之间间隔应略小于2mm
D.测量重锤质量用天平,不需要测重力
E.以h为横坐标,v2为纵坐标,P点(hn,vn2)与坐标原点所连直线的斜率表示重力加速度g
15.如图1所示,用重物牵引小车在水平面上由静止开始运动,小车后面连接纸带,打点计时器在纸带上打下一系列点。图2为一次实验得到的纸带,A、B、C为打点计时器在纸带上打下的三个点。下列说法正确的是( )
A.图2中的纸带的右端与小车相连
B.A到B和B到C两个过程中小车动能的变化量相等
C.若将小车的质量加倍,则小车的加速度一定减为原来的
D.重物的质量越大,绳上拉力与重物重力的比值越小
二、实验题
16.某同学想利用图示装置探究系统机械能守恒问题,设计了如下实验:
①将质量分别为和的质量含遮光片的小球A、B分别固定于一轻杆的左右两端,杆呈水平且处于静止状态,测量出转轴O到A球的距离和到B球的距离,光电门放置于转轴O的正下方,与转轴O的距离也为;
②释放轻杆使A、B两球随轻杆顺时针转动,光电门记录遮光片遮光的时间为;
③测量出遮光片的宽度d,计算有关物理量,验证机械能守恒定律;
④改变小球B的质量,多次重复①~③步骤。
(1)小球B经过光电门时的速度表达式为vB_____用题中测量量表示,此时小球A的速度表达式为vA_____用题中测量量表示
(2)如果系统的机械能守恒,应满足的关系式为________已知重力加速度为g,用题中测量量表示
17.一位同学为验证机械能守恒定律,利用光电门等装置设计了如下实验。使用的器材有:铁架台、光电门1和2、轻质定滑轮、通过不可伸长的细绳连接的钩码A和B(B左侧安装挡光片)。
实验步骤如下:
①如图1,将实验器材安装好,其中钩码A的质量比B大,实验开始前用一细绳将钩码B与桌面相连接,细绳都处于竖直方向,系统静止。
②用剪刀剪断钩码B下方的细绳,使B在A带动下先后经过光电门1和2,测得挡光时间分别为t1、t2。
③用螺旋测微器测量挡光片沿运动方向的宽度d,如图2,则d=________mm。
④用挡光片宽度与挡光时间求平均速度,当挡光片宽度很小时,可以将平均速度当成瞬时速度。
⑤用刻度尺测量光电门1和2间的距离L(L≫d)。
⑥查表得到当地重力加速度大小为g。
⑦为验证机械能守恒定律,请写出还需测量的物理量(并给出相应的字母表示)________,用以上物理量写出验证方程_________。
⑧实验结果显示,重力势能的减少量略大于动能的增加量,请写出一条产生误差的原因_________。
18.研究表明转动物体也具有动能,称为转动动能。转动动能属于机械能。某同学使用如图装置来探究“转动动能与角速度的关系”。质量不可忽略的滑轮可绕固定光滑轴自由转动,轻质细绳绕在滑轮的边缘,另一端连接装有遮光片的小球,光电门位于遮光片正下方。每次实验小球距光电门一定高度由静止释放,轻绳与滑轮之间不打滑。实验中测出了小球(含遮光片)的质量m、滑轮直径D、遮光片宽度d和遮光片通过光电门的时间,重力加速度为g,空气阻力可忽略。
(1)用螺旋测微器测出遮光片宽度如图所示,则遮光片宽度d=__________;
(2)遮光片通过光电门时的速度v=_________;此时滑轮转动的角速度__________。(用题中所给物理量的符号表示)
(3)若小球下落过程中,小球和滑轮组成的系统机械能守恒。释放小球时遮光片中心与光电门中心的高度差为h,遮光片通过光电门的时间为,则当遮光片通过光电门时滑轮的转动动能Ek=_____________。(用题中所给物理量的符号表示)
(4)改变重物释放高度,多次重复上述实验得到表中所列数据。
次数 | 1 | 2 | 3 | 4 |
(rad/s) | 4.0 | 8.0 | 11.9 | 19.7 |
Ek(J) | 0.0010 | 0.0040 | 0.0089 | 0.024 |
由此可判断滑轮转动动能Ek与角速度的关系为___________。
A. B. C.
19.某同学利用如图所示的装置验证系统机械能守恒定律,操作步骤如下:
①用天平测量两铁质小圆柱体的质量分别为;
②用刻度尺测量小圆柱体与光电门的高度差h,用10分度的游标卡尺测量的厚度d(竖直方向上),实验中高度差h远大于小圆柱体的厚度d;
③安装如图所示的实验装置,用手托住,让细绳伸直且系统保持静止;
④释放,测得经过光电门的挡光时间为t。以和系统为研究对象,计算过程中系统势能的减少量,与动能的增加量来验证和系统的机械能是否守恒。
回答下列问题(取):
(1)用10分度的游标卡尺测量的厚度(竖直方向上),示数如图所示,则_________。
(2)若测得遮光时间,则和系统动能的增加量_______J;测得释放前与光电门的高度差为,则和系统势能的减少量________J。(计算结果均保留3位有效数字)
(3)百分误差是衡量实验精确度的重要标准,其定义为百分误差,中学阶段学生实验的要求。本实验将重物重力势能的变化量作为“实际值”,将重物动能变化量作为“测量值”,请判定该实验中和系统的机械能否在误差允许范围内守恒?______________(填“守恒”或“不守恒”)。
(4)调整光电门高度,测得多组不同高度h对应的遮光时间t的数据,该同学决定不计算速度,仅作出图像,若图线为过原点的直线,则下列说法正确的是_________。
A.应该描绘关系图像
B.应该描绘关系图像
C.若直线斜率,则能证明系统机械能守恒
D.若直线斜率,则能证明系统机械能守恒
参考答案
1.B
【详解】
要验证重物动能的增加量与重力势能的增加量是否相等,即看是否有这样的关系有
质量可以约去,所以不需要天平,要测量下落的高度和瞬时速度,在纸带处理时需刻度尺,用打点计时器需要交流电源,还要带夹子的铁架台固定打点计时器,则不要的器材为天平
故选B。
2.D
【详解】
A.打点计时器应接交流电源,故A错误;
B.开始记录时,应先给打点计时器通电打点,然后再释放重锤,让它带着纸带一同落下,可以提高纸带的利用率,故B错误;
C.我们可以通过打点计时器计算时间,不需要秒表,故C错误;
D.固定好打点计时器,将连有重物的纸带穿过限位孔,用手提住,将纸带和重锤提升到一定高度,尽量靠近打点计时器。故D正确。
故选D。
3.D
【详解】
A.要验证的是mgh与是否相等,即验证gh与是否相等,故不需要用天平测量重物的质量,A错误;
B.若用来计算瞬时速度v,则相当于用机械能守恒定律来验证机械能守恒定律,B错误;
C.为了有效使用纸带,实验时应先接通电源,再释放纸带,C错误;
D.打点计时器必须采用交流电源才能正常工作,D正确。
故选D。
4.A
【详解】
A.为了减小限位孔的摩擦力,固定打点计时器时,其限位孔必须在同一竖直面内,故A正确;
B.为了防止手影响纸带的运动,手应远离打点计时器抓住纸带的末端,故B错误;
C.验证机械能守恒定律,即验证动能的增加量和重力势能的减小量是否相等,两端都有质量,可以约去,所以不需要测量重物的质量,故C错误;
D.实验不需要时间,所以不需要用秒表测出重物下落的时间,故D错误。
故选A。
5.A
【详解】
ABD.验证机械能守恒定律实验中,由于重锤要克服空气阻力做功,从而产生系统误差,选用密度大体积小的重锤能减小空气阻力的影响,从而减小误差,故A正确,BD错误;
C.因验证量中都含有质量,可以约去,故不用测重锤的质量,C错误。
故选A。
6.A
【详解】
由于实验中受到空气阻力和纸带的摩擦阻力,所以我们应找体积较小,质量较大的物体作为研究对象,故A正确,BCD错误。
故选A。
7.D
【详解】
选择重锤时既要考虑减小空气阻力,又要考虑实验的方便、可操作,即实验供选择的重物应该相对质量较大、体积较小的物体,这样能减少阻力的影响,故选D。
8.B
【详解】
A.在“验证机械能守恒定律”的实验中,计数点可以任意选择,没必要必须从速度为零的起点开始,故A错误;
B.计算瞬时速度是利用平均速度等于中间时刻的瞬间速度求出的,故B正确;
C.根据运动学公式可知
即可求出0点速度,同理可得到6点的速度,故C错误;
D.由题中的数据计算出的加速度已包含了空气阻力的影响,故D错误。
故选B。
9.C
【详解】
由机械能守恒定律得:
mgh=mv2
得=gh,可以看出与h成正比例关系,图线是过原点的直线,ABD错误,C正确。
故选C。
10.A
【详解】
A.为了减小限位孔与纸带间的摩擦,两限位孔必须在同一竖直平面内,故A项正确;
B.手抓纸带的位置应远离打点计时器,故B项错误;
C.根据机械能守恒定律
可知重物的质量可以不测,故C项错误;
D.打点计时器使用交流电,干电池为直流电源,故D项错误.
11.D
【详解】
A.通过打点计时器计算时间,不需要秒表,故A错误;
B.根据减小的重力势能转化为动能的增加,则有,等式两边的质量可约去,故B错误;
C.打点计时器应接交流电源,故C错误;
D.开始记录时,应先给打点计时器通电打点,然后再释放重锤,让它带着纸带一同落下,如果先放开纸带让重物下落,再接通打点计时时器的电源,由于重物运动较快,不利于数据的采集和处理,会对实验产生较大的误差,故D正确。
故选D。
12.D
【详解】
A.在打纸带时,纸带太短了,不易打出符合实验要求的纸带,A错误;
B.由于
质量可以约去,故不需要称出重锤的质量,B错误;
C.纸带上第1、2两点的间距不接近2mm,是由于通电后释放重锤时操作不同步造成的,不会影响验证结果,C错误;
D.处理纸带时,由于自由落体加速度较大,纸带上点迹距离较大,故可直接用实际点迹测量研究,D正确。
故选D。
13.D
【详解】
A.小球下落时,相同时间内的位移逐渐变大;上升阶段,相同时间内的位移逐渐减小,则由图不能确定小球上升还是下落状态,选项A错误;
BC.因小球在竖直方向的运动不一定是匀变速运动,故小球在2位置的速度大小不一定为,加速度也不一定是,选项BC错误;
D.频闪照相法可用于验证机械能守恒定律,选项D正确。
故选D。
14.C
【详解】
A.vn=ngT是自由下落nT时的速度,自由下落时本身机械能就守恒,在《验证机械能守恒定律》实验中,由于不可避免的存在阻力,显然打P点时纸带速度不能用vn=ngT计算,故A错误;
B.P点是相邻的前后两点的中间时刻,打P点时纸带速度用vn=计算,但不能用vn=计算,vn=是自由下落hn时的速度,故B错误;
C.O、1两点之间的时间间隔为T=0.02s,根据
h=gT2=9.80.022m=1.96mm
所以O、1两点之间间隔应略小于2mm,故C正确;
D.根据机械能守恒的表达式:mgh=mv2,质量m在等式两边可以消去,故不需要用天平测量物体的质量,故D错误;
E.根据机械能守恒的表达式
mgh=mv2
约去质量得v2=2gh,以h为横坐标,v2为纵坐标,v2-h图线应该是过原点的直线,P点(hn,vn2)与坐标原点所连直线的斜率为2g,即直线斜率的大小表示重力加速度的2倍,故E错误。
故选C。
15.D
【详解】
A.从图2可以看出,从左往右速度越来越大,所以图中的纸带的左端与小车相连,选项A错误;
B.A到B和B到C两个过程中下降高度不等,重力势能变化不等,根据能量守恒可知小车动能的变化量不相等,选项B错误;
C.以小车和重物整体有
若将小车的质量加倍,则小车的加速度不一定减为原来的,选项C错误;
D.以小车为研究对象有
则绳上拉力与重物重力的比值
所以重物的质量越大,绳上拉力与重物重力的比值越小,选项D正确。
故选D。
16. ;
【详解】
(1)[1]由于遮光片通过光电门的时间极短,可以用平均速度表示瞬时速度,小球B经过光电门时的速度为
[2]根据A、B角速度相等,则有
此时小球A的速度为
(2)[3]A、B为一系统,则其重力势能的减少量为
动能的增加量为
若机械能守恒,则满足
即
17.6.710 钩码A、B的质量m1、m2 克服空气阻力和摩擦阻力做功,导致机械能减少
【详解】
③[1]根据螺旋测微器测量原理可得
d=6.5mm+21.0×0.01mm=6.710mm
⑦[2][3]设钩码A、B的质量分别为m1、m2,挡光片经过光电门1、2的速度分别为
,
对A、B构成的系统,据机械能守恒定律可得
联立可得
所以为验证机械能守恒定律,还需测量钩码A、B的质量m1、m2。
⑧[4]由于纸带在下落过程中,重物会受到空气阻力,纸带会受到摩擦阻力,克服空气阻力和摩擦阻力做功,导致机械能减少。
18.5.800mm C
【详解】
(1)[1]螺旋测微器的固定刻度读数为5.5mm,可动刻度读数为
读数为
(2)[2][3]时间很短时平均速度可替代瞬时速度,遮光片通过光电门时的速度
所以
(3)[4]系统机械能守恒,所以小球损失的机械能转化为滑轮的转动动能,
(4)[5]由表中实验数据可知:Ek与ω2成正比,AB错误,C正确。
故选C。
19.1.14 0.600 0.608 守恒 B
【详解】
(1)[1] 的厚度为
(2)[2]小圆柱的速度为
则和系统动能的增加量
[3] 和系统势能的减少量
(3)[4] 百分误差为
该实验中和系统的机械能在误差允许范围内守恒。
(4)[5]根据系统机械能守恒得
化简得
图像要过原点,所以应作关系图像,图像的斜率为
时,系统机械能守恒。故选B。
物理必修 第二册2 重力势能课时作业: 这是一份物理必修 第二册2 重力势能课时作业,共18页。试卷主要包含了单选题,解答题等内容,欢迎下载使用。
物理必修 第二册1 功与功率精练: 这是一份物理必修 第二册1 功与功率精练,共21页。试卷主要包含了单选题,解答题等内容,欢迎下载使用。
物理必修 第二册2 运动的合成与分解当堂检测题: 这是一份物理必修 第二册2 运动的合成与分解当堂检测题,共17页。试卷主要包含了单选题,解答题等内容,欢迎下载使用。

