必修 第二册实验活动5 不同价态含硫物质的转化同步达标检测题
展开
这是一份必修 第二册实验活动5 不同价态含硫物质的转化同步达标检测题,共14页。
硫酸和不同价态含硫物质的转化
【学习目标】
1、掌握稀硫酸具有酸的通性,浓硫酸的大三特性,会辨析浓硫酸的吸水性和脱水性
2、掌握硫酸根离子的检验方法
3、根据硫元素的不同价态,理解硫及其化合物的相互转化,熟悉常见的化学方程式
【主干知识梳理】
一、硫酸
1、硫酸的工业制法
工业制硫酸的原理示意图
上述流程涉及的化学方程式
①S+O2SO2或4FeS2+11O22Fe2O3+8SO2
②2SO2+O22SO3
③SO3+H2O===H2SO4
2、硫酸的物理性质
纯净的硫酸是无色、黏稠、难挥发的油状液体;硫酸的密度大于水的密度,硫酸溶液中硫酸的质量分数越大,其密度越大;质量分数为98%的浓硫酸,密度为1.84g·cm-3;硫酸与水以任意比互溶,浓硫酸溶解时可放出大量的热;浓硫酸的稀释方法是将浓硫酸沿烧杯内壁缓缓倒入水中,并用玻璃棒不断搅拌
3、稀硫酸——具有酸的通性
硫酸是强电解质,在水溶液中发生电离的化学方程式为H2SO4===2H++SO,因此,硫酸具备酸的通性,可与酸碱指示剂作用,也可与活泼金属、碱、碱性氧化物及某些盐反应
(1)与酸碱指示剂发生显色反应:遇紫色石蕊变红,遇酚酞不变色
(2)与活泼金属反应产生氢气:Fe+H2SO4===FeSO4+H2↑
(3)与碱性氧化物反应生成盐和水:MgO+H2SO4===MgSO4+H2O
(4)与碱发生中和反应:Ba(OH)2+H2SO4===BaSO4↓+2H2O
(5)与某些盐反应生成新盐和新酸:BaCl2+H2SO4===BaSO4↓+2HCl
4、浓硫酸的特性
(1)吸水性:浓H2SO4能吸收物质(气体、结晶水化物)中湿存的水分,利用此性质可用浓H2SO4作干燥剂,干燥一些不与浓硫酸反应的气体(中性或酸性气体且无还原性的气体)
①能干燥的气体:H2、O2、N2、CO2、Cl2、HCl、SO2、CO、CH4等
②不能干燥的气体:碱性气体(NH3等);还原性气体(如 H2S、HBr、HI 等)
实验过程
实验现象
蓝色的硫酸铜晶体变为白色的无水硫酸铜粉末
实验结论
浓硫酸具有吸水性
(2)脱水性:浓硫酸能将组成有机物的H、O元素按原子个数比2:1以“H2O”的形式脱去的性质
实验过程
实验现象
蔗糖变黑,蔗糖体积膨胀,变成疏松多孔的海绵状的炭,并释放出有刺激性气味的气体
实验结论
浓硫酸具有脱水性,浓硫酸具有强氧化性,把C氧化成CO2,并有SO2气体放出
(3)强氧化性
①与金属铜的反应:Cu+2H2SO4(浓)CuSO4+SO2↑+2H2O
实验过程
在带有导管的橡胶塞侧面挖一个凹槽,并嵌入下端卷成螺旋状的铜丝。在试管中加入2mL浓硫酸,塞好橡胶塞,使铜丝与浓硫酸接触。加热,将产生的气体先后通入品红溶液和石蕊溶液中,观察实验现象。向外拉铜丝,终止反应。冷却后,将试管里的物质慢慢倒入盛有少量水的另一只试管里,观察溶液的颜色
实验装置
实验现象
①a试管中铜丝表面有气泡产生;b试管中的溶液逐渐变为无色;c试管中的紫色石蕊溶液逐渐变为红色
②将a试管里的溶液慢慢倒入水中,溶液显蓝色
实验结论
Cu与浓硫酸反应的化学方程式为:Cu+2H2SO4(浓)CuSO4+SO2↑+2H2O
实验说明
a.通过可抽动的铜丝来控制反应的发生或停止
b.浸有碱液的棉花团可以吸收多余的SO2,以防止污染环境
c.Cu与浓硫酸的反应中,浓H2SO4的作用:强氧化性和酸性
②与其他金属反应的规律
a.除Au、Pt以外的绝大多数金属都能与浓硫酸作用,在这些氧化还原反应中,浓H2SO4还原产物为SO2
b.与铁、铝的反应:常温下,铁、铝表面被浓硫酸氧化为致密的氧化膜而钝化(化学变化),从而阻止了酸与内层金属的进一步反应,所以常温下可以用铁、铝制容器来盛装浓硫酸。加热时,浓硫酸能与铁反应
浓硫酸与铁共热:2Fe+6H2SO4(浓)Fe2(SO4)3+3SO2↑+6H2O
c.与活泼金属反应:与活泼金属(Zn)反应,开始产生SO2,硫酸浓度变稀后,成成的气体为H2
Zn+2H2SO4(浓)===ZnSO4+SO2↑+2H2O, Zn+H2SO4(稀)===ZnSO4+H2↑
d.与不活泼金属反应:随着反应的进行,浓硫酸浓度变小,一旦变为稀硫酸,反应就停止
Cu+2H2SO4(浓)CuSO4+SO2↑+2H2O
如:1 mol Cu与含2 mol H2SO4的浓硫酸充分反应,生成的SO2的物质的量小于1 mol
③与非金属的反应——反应需要加热,否则不反应
a.与木炭反应:C+2H2SO4(浓)CO2↑+2SO2↑+2H2O
b.与硫的反应:S+2H2SO4(浓)3SO2↑+2H2O
c.与红磷反应:2P+5H2SO4(浓)2H3PO4+5SO2↑+2H2O
④与具有还原性的化合物反应,与H2S、FeSO4、HI、HBr等物质反应
H2S+H2SO4(浓)===S↓+SO2↑+2H2O
2FeSO4+2H2SO4(浓)===Fe2(SO4)3+SO2↑+2H2O
【微点拨】
①浓硫酸在与金属的反应中既表现氧化性又表现酸性,而浓硫酸在与非金属的反应中只表现氧化性
②浓硫酸可将碳、磷等非金属单质氧化成高价态的氧化物或含氧酸,本身被还原为SO2
③常温下与活泼金属反应表现强氧化性和酸性,生成硫酸盐和SO2,硫酸变稀后,生成的气体为H2
④加热与不活泼金属反应时,即使金属过量也不能使H2SO4完全反应,也不会产生H2
⑤与不活泼金属和非金属反应时,反应需要加热,否则不反应
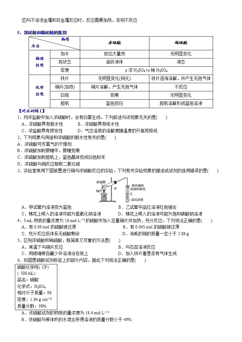
5、浓硫酸和稀硫酸的鉴别
物质
方法
浓硫酸
稀硫酸
物理
性质
加水
放出大量热
无明显变化
观状态
油状液体
液态
密度
ρ浓H2SO4>ρ稀H2SO4
化学
性质
铁片
无明显变化(钝化)
铁片逐渐溶解,并产生无色气体
铜片(加热)
铜片溶解,产生无色气体
不反应
白纸
变黑
无明显变化
胆矾
蓝色变白
胆矾溶解形成蓝色溶液
【对点训练1】
1、向浓盐酸中加入浓硫酸时,会有白雾生成。下列叙述与该现象无关的是( )
A.浓硫酸具有脱水性 B.浓硫酸具有吸水性
C.浓盐酸具有挥发性 D.气态溶质的溶解度随温度的升高而降低
2、下列现象与用途和浓硫酸的脱水性有关的是( )
A.浓硫酸可作氯气的干燥剂
B.浓硫酸加到蔗糖中,蔗糖变黑
C.浓硫酸加到胆矾上,蓝色晶体变成白色粉末
D.浓硫酸与铜反应制取二氧化硫
3、实验室常用下图装置进行铜与浓硫酸反应的实验。下列有关实验现象的描述或试剂的选用错误的是( )
A.甲试管内溶液变为蓝色 B.乙试管中品红溶液红色褪去
C.棉花上喷入的溶液可能为氢氧化钠溶液 D.棉花上喷入的溶液可能为饱和碳酸钠溶液
4、5 mL物质的量浓度为18 mol·L-1的硫酸中加入足量铜片并加热,充分反应。下列说法正确的是( )
A.有0.09 mol的硫酸被还原 B.有0.045 mol的硫酸被还原
C.充分反应后体系无硫酸剩余 D.消耗的铜的质量一定小于2.88 g
5、区别浓硫酸和稀硫酸,既简单又可靠的方法是( )
A.常温下与铜片反应 B.与石蕊溶液反应
C.用玻璃棒各蘸少许溶液涂在纸上 D.加入锌片看是否有气体生成
6、如图是硫酸试剂标签上的部分内容,据此下列说法正确的是( )
硫酸化学纯(CP)
(500 mL)
品名:硫酸
化学式:H2SO4
相对分子质量:98
密度:1.84 g·cm-3
质量分数:98%
A.该硫酸试剂的物质的量浓度为18.4 mol·L-1
B.该硫酸与等体积的水混合所得溶液的质量分数小于49%
C.50 mL该H2SO4中加入足量的铜片并加热,被还原的H2SO4的物质的量为0.46 mol
D.2.7 g Al与足量的该硫酸反应可得到标准状况下的H2 3.36 L
二、SO与SO检验
1、SO的检验 (干扰离子可能有:CO32-、SO32-、SiO32-、Ag+、PO43-等)
实验操作
实验现象
离子方程式
加入BaCl2生成白色沉淀,再加入少量稀盐酸,白色沉淀不溶解
SO+Ba2+===BaSO4↓
加入BaCl2生成白色沉淀,再加入少量稀盐酸,白色沉淀溶解,生成无色无味气体
Ba2++CO===BaCO3↓
BaCO3+2H+===Ba2++CO2↑+H2O
(1)操作方法:被检液无明显现象(若有沉淀,静置后取上层清液)有无白色沉淀(若有白色沉淀产生,则说明待检验溶液中含有SO;若无白色沉淀产生,则说明待检验溶液中不含SO)
【微点拨】
①先加稀盐酸的目的是防止CO、SO、Ag+干扰,再加BaCl2溶液,有白色沉淀产生
②可能发生反应的离子方程式有
CO+2H+===CO2↑+H2O、SO+2H+===SO2↑+H2O、Ag++Cl-===AgCl↓、Ba2++SO===BaSO4↓
(2)答题模板:取少量溶液于试管中,加入足量稀盐酸,无明显现象,再加入BaCl2溶液,若有白色沉淀产生,则证明有SO42―
2、SO的检验:被检液沉淀气体品红溶液褪色,说明含SO
(1)原理:SO+2H+===SO2↑+H2O;SO+Ca2+===BaSO3↓;CaSO3+2H+===Ca2++SO2↑+H2O
(2)操作方法:取少量溶液于试管中,加入CaCl2溶液生成白色沉淀,再加入稀盐酸,将产生的气体通入品红溶液,红色褪去,则含有SO
【对点训练2】
1、下列检验试样中有无SO的操作及结论正确的是( )
A.滴加BaCl2有白色沉淀生成,一定有SO
B.加盐酸酸化的BaCl2溶液有白色沉淀生成,一定有SO
C.滴加硝酸酸化的AgNO3溶液没有白色沉淀生成,一定没有SO
D.先加盐酸无明显现象,再加BaCl2溶液有白色沉淀生成,一定有SO
2、下列说法正确的是( )
A.浓H2SO4滴在润湿的蓝色石蕊试纸上,试纸先变红,然后褪色,最后变黑,说明浓H2SO4具有酸性、氧化性和吸水性
B.样品无明显现象出现白色沉淀,说明样品中含SO
C.常温下浓H2SO4能用铁制容器盛装,说明浓H2SO4与Fe不反应
D.样品得到使澄清石灰水变浑浊的气体,说明样品中含SO或HSO
3、有一瓶Na2SO3溶液,可能已部分氧化,某学生进行如下实验:取少量溶液,滴入Ba(NO3)2溶液产生白色沉淀,再加入过量稀硝酸,充分振荡后仍有白色沉淀,结论正确的是 ( )
A.Na2SO3溶液已部分氧化 B.加入Ba(NO3)2溶液后生成的沉淀中一定含有BaSO4
C.加硝酸后的不溶沉淀一定为BaSO4 D.此实验能确定Na2SO3溶液是否已部分氧化
4、用下面的方案进行某些离子的检验,其中方案设计最严密的是( )
A.检验试液中的SO:试液无沉淀白色沉淀
B.检验试液中的SO:试液无沉淀白色沉淀
C.检验试液中的I-:试液深黄色溶液深黄色溶液
D.检验试液中的CO:试液白色沉淀沉淀溶解
三、不同价态含硫物质的转化
1、常见重要化合物名称及化学式
名称
化学式
名称
化学式
石膏
CaSO4·2H2O
黄铁矿
FeS2
熟石膏
2CaSO4·2H2O
黄铜矿
CuFeS2
胆矾
CuSO4·5H2O
芒硝
Na2SO4·10H2O
2、常见的硫酸盐及其应用
(1)石膏(化学式为CaSO4·2H2O),加热失水变为熟石膏(化学式为2CaSO4·H2O),应用于制作各种模型和医疗用的石膏绷带,工业上还用于调节水泥的硬化速率
(2)硫酸钡又称“重晶石”或“钡餐”,用于生产其他钡盐的原料或消化系统X射线检查的内服药剂
(3)硫酸铜为白色粉末,CuSO4结合水后变为蓝色晶体胆矾(化学式为CuSO4·5H2O),又称蓝矾。无水CuSO4可用于检验H2O的存在。胆矾和石灰乳混合制成一种常用的农药——波尔多液
3、硫及其化合物的转化关系
SO2、SO3是酸性氧化物,H2SO3、H2SO4是酸,物质的类别可以帮助我们理解它们的性质。相同价态的不同含硫化合物间是通过酸碱反应规律联系在一起的
如:SO2H2SO3NaHSO3Na2SO3
4、不同价态硫元素之间的相互转化
不同价态硫元素之间的相互转化主要通过氧化还原反应实现。上述转化中,从左到右,硫元素化合价升高,需加入氧化剂。从右到左,硫元素化合价降低,需加入还原剂
5、相同价态硫元素之间的转化
左图两种转化关系均属于相同价态硫元素之间的转化,从左到右的转化,加入碱可以实现;从右到左的转化,加入酸可以实现
6、相邻价态的微粒不发生氧化还原反应,如:S和H2S、S和SO2、SO2和浓硫酸之间不发生氧化还原反应
7、含硫物质的连续氧化
硫元素
【对点训练3】
1、硫黄在空气中燃烧生成气体甲;将甲溶于水得溶液乙;向溶液乙中滴加溴水时溴水褪色,乙变为丙;在丙中加入硫化钠又生成气体丁;把丁通入溶液乙中得沉淀戊。物质甲、乙、丙、丁、戊中均含有硫元素,它们依次是( )
A.SO3、H2SO4、H2SO3、H2S、S B.SO2、H2SO3、H2SO4、H2S、S
C.SO2、H2SO3、H2SO4、H2S、SO3 D.SO2、H2SO3、H2S、H2SO4、Na2S2O3
2、已知X为一种常见酸的浓溶液,能使蔗糖粉末变黑。A与X反应的转化关系如图所示,其中反应条件及部分产物已略去,则下列有关说法正确的是( )
A.X能使蔗糖变黑的现象主要体现了X的强氧化性
B.若A为铁,则足量A与X在室温下即可完全反应
C.若A为碳单质,则将C通入少量的澄清石灰水中,一定可以观察到有白色沉淀产生
D.工业上,B转化为D的反应条件为高温、常压、催化剂
四、其它硫的化合物
1、亚硫酸(H2SO3):是SO2对应的水化物
(1)弱酸性:二元中强酸,是弱电解质,在水溶液中分步电离,H2SO3H++HSO,HSOH++SO
(2)稳定性差(易分解,温度越高,浓度越大,分解越快):H2SO3SO2↑+H2O
(3)弱氧化性:H2SO3+2H2S===3S↓+3H2O
(4)还原性:H2SO3是既有氧化性又有还原性的酸,其氧化性、还原性与SO2很相似,但以还原性为主
2H2SO3+O2===2H2SO4
2、硫化氢(H2S)
(1)H2S的物理性质:无色、有臭鸡蛋气味的剧毒气体,大气污染物,能溶于水(1:2.6),密度比空气大
(2)H2S的化学性质
①不稳定性:H2SS+H2
②可燃性:2H2S+O2(少量)2H2O+2S 2H2S+3O2(过量)2H2O+2SO2
③还原性:硫元素为—2价,具有很强的还原性,能被多种氧化剂(如:O2﹑Cl2﹑溴水、浓硫酸、KMnO4、HNO3、Fe3+、H2O2、Na2O2等)氧化为单质硫
a.与Cl2反应:H2S+Cl2===S↓+HCl
b.与Br2反应:H2S+Br2===S↓+HBr
c.与浓硫酸反应:H2S+H2SO4(浓)===S↓+SO2+2H2O
d.与FeCl3反应:2Fe3++H2S===2Fe2++2H++S↓
(3)H2S的制法
反应原料
FeS、稀H2SO4或HCl
实验原理
FeS+2HCl===FeCl2+H2S↑;FeS+H2SO4===FeSO4+H2S↑
制气类型
“”型
实验装置
净化装置
先通入饱和NaHS溶液(除HCl),再通入固体CaCl2或P2O5 (除水蒸气)
收集装置
向上排气法
尾气处理装置
用强碱溶液吸收多余H2S,H2S+2NaOHNa2S+H2O或H2S+NaOHNaHS+H2O
检验方法
能使湿润的醋酸铅试纸变黑
(4)硫化氢的水溶液叫做氢硫酸,是一种弱酸,具有酸的通性,但氢硫酸露置在空气中容易变质,溶液呈浑浊
【课后作业】
1、下列事实与浓硫酸表现出的性质(括号中)对应关系正确的是( )
A.在空气中敞口久置的浓硫酸,溶液质量增大(脱水性)
B.在加热条件下铜与浓硫酸反应(氧化性、酸性)
C.蔗糖与浓硫酸反应时有海绵状的炭生成(吸水性)
D.浓硫酸可用来干燥某些气体(不挥发性)
2、下列气体既能用浓硫酸又能用碱石灰干燥的是( )
A.Cl2 B.CO C.SO2 D.NH3
3、浓硫酸与下列物质作用时,只表现强氧化性的是( )
A.蓝色硫酸铜晶体 B.木材炭化 C.红热木炭 D.氧化铝
4、下列反应式不正确的是( )
A.SO2转化为SO3:2SO2+O22SO3
B.稀硫酸与Fe反应:2Fe+6H+===2Fe3++3H2↑
C.Zn与浓硫酸反应:Zn+2H2SO4(浓)===ZnSO4+SO2↑+2H2O
D.C与浓硫酸反应:C+2H2SO4(浓)CO2↑+2SO2↑+2H2O
5、浓硫酸有许多重要的性质,在与含有少量水分的蔗糖作用的过程中不能显示的性质是( )
A.酸性 B.脱水性 C.强氧化性 D.吸水性
6、用如图所示实验装置(夹持仪器已略去)探究铜丝与过量浓硫酸的反应。下列实验不合理的是( )
A.上下移动①中铜丝可控制反应生成SO2的量
B.②中选用品红溶液验证SO2的生成
C.③中选用NaOH溶液吸收多余的SO2
D.为确认CuSO4生成,向①中加水,观察颜色
7、用来鉴别浓硫酸和稀硫酸的操作错误的是( )
A.分别取10 mL溶液,质量大的是浓硫酸,质量小的是稀硫酸
B.观察液体流动性,流动性好的是稀硫酸,油状黏稠的是浓硫酸
C.把CuSO4·5H2O晶体投入溶液中,逐渐变为白色粉末的是浓硫酸,晶体溶解的是稀硫酸
D.将铝片分别投入溶液,快速放出气体的是浓硫酸,放出气体慢的是稀硫酸
8、浓硫酸和2 mol·L-1的稀硫酸,在实验室中敞口放置。它们的质量和放置天数的关系如图。分析a、b曲线变化的原因是 ( )
A.a升华、b冷凝 B.a挥发、b吸水 C.a蒸发、b潮解 D.a冷凝、b吸水
9、下列关于浓硫酸与稀硫酸的说法,不正确的是( )
A.浓硫酸有脱水性,稀硫酸没有脱水性
B.浓硫酸有氧化性,稀硫酸没有氧化性
C.浓硫酸和稀硫酸都有酸性
D.常温下,浓硫酸和稀硫酸都不能与铜反应
10、向某溶液中滴入BaCl2溶液,产生白色沉淀,再滴入稀盐酸,沉淀不溶解,则该溶液中( )
A.一定有SO B.可能有SO或Ag+ C.一定无Ag+ D.可能有CO
11、下列叙述正确的是( )
A.浓硫酸是一种干燥剂,能够干燥氢气、氧气等气体,不能干燥碱性气体和有较强还原性的HI、H2S等气体
B.浓硫酸与单质碳反应的化学方程式为C+2H2SO4(浓)CO2+2SO2↑+2H2O,在此反应中,浓硫酸既表现了强氧化性又表现了酸性
C.把足量铜粉投入到含2 mol H2SO4的浓硫酸中,加热得到气体体积标准状况下为22.4 L
D.常温下能够用铁、铝等容器盛放浓硫酸,是因为浓硫酸与其不反应
12、有关下列三个反应的叙述正确的是( )
①2H2S+SO2===3S+2H2O
②S+2H2SO4(浓)3SO2↑+2H2O
③3S+6KOH2K2S+K2SO3+3H2O
A.反应①说明SO2能与酸反应,具有碱性氧化物的性质
B.反应②改用稀H2SO4,则能放出氢气
C.反应②和③说明S具有两性元素的性质
D.反应③中被氧化的硫元素与被还原的硫元素的质量之比为1∶2
13、下列关于浓硫酸的叙述正确的是( )
A.浓硫酸具有吸水性,因而能使蔗糖炭化
B.蓝色胆矾晶体滴加浓硫酸时变为白色固体
C.浓硫酸是一种干燥剂,能够干燥氨气、氢气等气体
D.常温下,浓硫酸不与铁、铝反应,所以可以用铁、铝制容器盛装浓硫酸
14、下列有关H2SO4的叙述正确的是( )
A.浓H2SO4与铜片共热的反应中,浓H2SO4既表现出强氧化性,又表现出酸性
B.浓H2SO4与金属活动性顺序中氢后面的金属反应生成的气体一般为SO2,与氢前面的金属反应生成的气体一般为H2
C.常温下,铁或铝不与浓H2SO4反应,所以可用铁或铝制的容器贮存浓H2SO4
D.浓H2SO4是不挥发性强酸,氢硫酸是挥发性弱酸,所以可用浓H2SO4与FeS反应制取H2S气体
15、如图所示,小试管内盛有约3 mL饱和硫酸铜溶液,与锥形瓶连通的U形管内盛有少量水(为便于观察,预先染成红色)。沿小试管内壁小心地慢慢倒入约3 mL浓硫酸静置片刻,不可能观察到的现象是( )
A.小试管内液体分两层,上层蓝色,下层无色 B.U形管内左边液面下降,右边液面升高
C.有少量白色固体析出 D.有少量蓝色固体析出
16、关于浓硫酸与Cu反应的叙述正确的是( )
A.在反应中,浓硫酸只表现出氧化性
B.该反应中还原剂与氧化剂物质的量之比为1∶2
C.在反应中,浓硫酸既表现出氧化性,又表现出酸性
D.每1 mol 铜参加反应就有2 mol浓硫酸被还原,同时生成2 mol SO2
17、将一定量的锌与100mL18.5mol·L-1浓硫酸充分反应后,锌完全溶解,同时生成气体A33.6L(标准状况)。将反应后的溶液稀释至1L,测得溶液的c(H+)=0.1mol·L-1,则下列叙述中错误的是( )
A.气体A为SO2和H2的混合物 B.气体A中SO2和H2的体积比为4∶1
C.反应中共消耗Zn97.5g D.反应中共转移3mol电子
18、下列各过程主要表现了浓硫酸的哪些性质?请将答案的序号分别填在横线上
①强酸性 ②强氧化性 ③高沸点、难挥发性 ④脱水性 ⑤吸水性
(1)用氯化钠固体和浓硫酸在加热条件下制氯化氢气体____________
(2)用磷矿物[主要成分是磷酸钙]和硫酸反应制磷酸____________
(3)浓硫酸干燥氢气、氧气、氯气、二氧化硫等气体____________
(4)常温下可以用铁或铝的容器贮存浓硫酸__________
(5)胆矾放在盛浓硫酸的干燥器中变成白色粉末____________
(6)不能用浓硫酸干燥溴化氢、碘化氢和硫化氢等气体____________
(7)热的浓硫酸与铜片反应____________
(8)浓硫酸使湿润的蓝色石蕊试纸先变红后变黑____________
19、已知X气体是一种无色、有刺激性气味的酸性氧化物,有关X、Y、Z、W的转化关系如图所示,反应①~④均为化合反应,回答下列问题:
(1)Y的化学式为________,Z的化学式为________;X直接排入空气中易造成的环境问题是______________
(2)反应①~⑤中属于氧化还原反应的是___________________
(3)写出反应⑤的化学方程式:___________________________
(4)写出铜与W浓溶液反应的化学方程式:_________________________________________________
20、某化学兴趣小组为探究铜跟浓硫酸的反应,用如图所示装置进行有关实验。
实验中某同学将a g铜片和12 mL 18 mol·L-1的浓硫酸放入圆底烧瓶中加热,直到反应完毕,最后发现烧瓶中还有一定量的H2SO4和Cu剩余
请回答:
(1)请写出Cu与浓硫酸反应的化学方程式:______________________________
(2)装置E中试管D内盛品红溶液,当C中气体收集满后,D中有可能观察到的现象是________________________,
实验装置E中D有可能造成环境污染,试用最简单方法加以解决(实验用品自选)________________________,
装置B的作用是储存多余的气体。当D处有明显现象后,关闭旋塞K,移去酒精灯,但由于余热的作用,A处仍有气体产生,此时B中现象是_________________________。B中应放置的液体是________
A.饱和Na2SO3溶液 B.酸性KMnO4溶液
C.浓溴水 D.饱和NaHSO3溶液
(3)问题讨论:为什么有一定量的余酸还未能使Cu完全溶解。你认为原因是______________________________,
足量下列药品能够用来证明反应结束后的烧瓶中的确有余酸的是________
A.Fe B.BaCl2溶液 C.Ag D.Na2CO3溶液
(4)实验中该同学向A中反应后溶液中通入一种气体单质,使铜片全部溶解且仅生成硫酸铜溶液,请问该气体单质是__________(填名称),反应的化学方程式是_______________________________________________
21、(1)写出浓硫酸与木炭粉在加热条件下反应的化学方程式:____________________________________
(2)试用上图所示各装置设计一个实验,验证上述反应的各种产物。这些装置的连接顺序(按产物气体从左至右的流向)是________→________→________→____________(填装置的编号)
(3)实验室可观察到装置①中A瓶的溶液褪色,C瓶的溶液不褪色,A瓶溶液的作用是_________________,B瓶溶液的作用是________________,C瓶溶液的作用是_________________________________________
(4)装置②中所加的固体药品是________,可验证的产物是________,确定装置②在整套装置中的位置的理由是
_________________________________________
(5)装置③中所盛溶液是________,可验证的产物是________
22、某课外活动小组的同学在实验室做锌与浓硫酸反应的实验中,甲同学认为产生的气体是二氧化硫,而乙同学认为产生的气体除二氧化硫外,还可能有氢气。为了验证哪位同学的判断正确,丙同学设计了如图所示的实验装置(锌与浓硫酸反应产生的气体为X,且该反应装置已略去)。试回答下列问题:
(1)上述反应中生成二氧化硫的化学方程式为__________________________
(2)乙同学认为还可能产生氢气的理由是______________________________
(3)装置A中加入的试剂可能是________,作用是________________;装置B中加入的试剂可能是_____________,作用是___________;装置E中加入的试剂可能是________________,作用是________________
(4)可以证明气体X中含有氢气的实验现象:装置C中________,装置D中____________________________
23、实验室常用下列装置来进行铜跟浓硫酸反应等一系列实验。
(1)判断铜与浓硫酸反应有二氧化硫生成所依据的现象是__________________________。
(2)甲装置中发生的主要反应的化学方程式是____________________________________。
(3)装置乙中试管口放有一团浸有饱和碳酸钠溶液或氢氧化钠溶液的棉花,请写出二氧化硫与氢氧化钠溶液反应的离子方程式______________________________________________
(4)该反应中若有3.2 g铜参加反应,则被还原硫酸的物质的量为________
(5)含有0.2 mol硫酸的浓硫酸,在加热时能否溶解6.4 g铜,结论和理由是______________________________
【硫酸和不同价态含硫物质的转化】答案
【对点训练1】
1、A。解析:浓硫酸加入浓盐酸中,浓硫酸吸收水分并放出大量的热,使溶液的温度升高,加快了HCl的挥发。
2、B。解析:浓硫酸和氯气不反应,浓硫酸作氯气的干燥剂,体现了吸水性,A项错误;浓硫酸将蔗糖中的H、O元素以2∶1的比例脱去而体现脱水性,B项正确;浓硫酸加到胆矾上,蓝色晶体变成白色粉末,体现了吸水性,C项错误;浓硫酸和铜发生氧化还原反应体现其强氧化性,D项错误。
3、A。解析:浓硫酸与铜反应生成硫酸铜、二氧化硫和水,因为浓硫酸具有强吸水性,甲试管中生成的硫酸铜为白色固体,而不是蓝色溶液;生成的二氧化硫有漂白性使品红溶液褪色;二氧化硫为酸性气体,可用碱性溶液(如氢氧化钠溶液或碳酸钠溶液等)吸收。
4、D。解析:浓硫酸与铜可发生氧化还原反应,而稀硫酸与铜不发生反应。浓硫酸与铜反应时,随着反应进行,硫酸逐渐消耗,其浓度也逐渐下降,当硫酸由浓变稀时反应就会停止。因此,参加反应的硫酸实际量要比理论计算值小。据题n(H2SO4)=0.005 L×18 mol·L-1=0.09 mol,参加反应的硫酸n(H2SO4)<0.09 mol,被还原的硫酸小于0.045 mol,参加反应的铜小于2.88 g。
5、C。解析:常温下浓硫酸和稀硫酸都不能与Cu反应;锌与浓硫酸反应产生SO2,与稀硫酸反应产生H2,可以区别,但不是最简单的方法;C项利用浓硫酸有脱水性而稀硫酸没有脱水性来区分两种溶液,较简单。
6、A。解析:A项,c==18.4 mol·L-1;B项,等体积水的质量小于浓H2SO4的质量,故混合所得溶液的质量分数大于49%;C项,由Cu+2H2SO4(浓)CuSO4+SO2↑+2H2O可知,当0.05 L×18.4 mol·L-1=0.92 mol的H2SO4完全参加反应时,被还原的H2SO4为0.46 mol,由于反应后期,H2SO4浓度减小,稀H2SO4与Cu不反应,则被还原H2SO4的物质的量小于0.46 mol;D项,标准状况下,Al遇浓H2SO4“钝化”。
【对点训练2】
1、D。解析:A中可能为CO、SO或Ag+;B中可能为Ag+;Ag2SO4是微溶物,只有当浓度较大时才出现沉淀,所以C选项中不能排除有SO存在的可能。
2、B。解析:A项中,最后变黑,说明具有脱水性;C项中,常温下Fe遇浓H2SO4发生钝化;D项中,样品中可能含CO或HCO。]
3、C。解析:硝酸将SO氧化为SO,加硝酸后的沉淀一定为BaSO4,但加硝酸前的沉淀可能为BaSO3或BaSO4或它们的混合物,所以该实验不能确定Na2SO3是否已部分氧化。]
4、B。解析:A项中若原溶液含SO,则会被HNO3氧化为SO,进而与BaCl2产生沉淀,故A错;B项排除了各种干扰离子,设计最严密;C项最后应出现变蓝色现象才符合I2的性质,故不能说明原溶液中I-的存在;D中SO也有此现象,故设计不严密。
【对点训练3】
1、B。解析:题干中描述的关系依次为S+O2SO2,SO2+H2OH2SO3,H2O+H2SO3+Br2===2HBr+H2SO4,Na2S+H2SO4===Na2SO4+H2S↑,2H2S+H2SO3===3S↓+3H2O,则甲、乙、丙、丁、戊依次为SO2、H2SO3、H2SO4、H2S、S。
2、D。解析:X为一种常见酸的浓溶液,能使蔗糖粉末变黑,则X是浓硫酸,D和水反应生成硫酸,则D是三氧化硫,B和氧气反应生成三氧化硫,则B是二氧化硫。浓硫酸使蔗糖变黑的现象主要体现了浓硫酸的脱水性,A错误;若A是铁,室温下,铁遇浓硫酸发生钝化,所以不能完全反应,B错误;若A是碳,浓硫酸和碳反应生成二氧化碳、二氧化硫和水,足量的二氧化碳可与氢氧化钙反应生成可溶性的碳酸氢钙,C错误;工业上,二氧化硫转化为三氧化硫的反应条件为高温、常压、催化剂,D正确。
【课后作业】
1、B
2、B。解析:浓硫酸具有吸水性,常用作气体的干燥剂,但不能干燥碱性气体(如氨气)、某些还原性气体(如硫化氢、碘化氢、溴化氢等);碱石灰(氧化钙和氢氧化钠的混合物)是一种常用的碱性干燥剂,不能干燥酸性气体(如二氧化碳、二氧化硫、氯气等)。
3、C。解析:浓硫酸具有吸水性,能使蓝色硫酸铜晶体变为白色粉末;浓硫酸使木材炭化表现的是脱水性;浓硫酸与红热的木炭反应生成二氧化碳、二氧化硫和水,浓硫酸只表现其强氧化性,浓硫酸与氧化铝反应表现的是酸性。
4、B
5、A
6、D。解析:上下移动铜丝可以使铜丝与浓硫酸接触与分离,从而可以控制反应生成SO2的量,A项正确;SO2可使品红溶液褪色,B项正确;SO2有毒,要用NaOH溶液吸收处理,C项正确;反应液中H2SO4的浓度较高,不能向①中加水,应将①中溶液沿器壁慢慢加入水中且边加边搅拌,D项错误。
7、D。解析:硫酸浓度越大密度越大,故等体积的浓硫酸和稀硫酸相比,浓硫酸的质量大于稀硫酸,A项正确。浓硫酸是黏稠的液体,流动性不如稀硫酸,B项正确。浓硫酸有吸水性,能吸收结晶水合物中的结晶水,故胆矾投入浓硫酸会变为白色粉末,投入稀硫酸中胆矾晶体溶解,C项正确。常温下浓硫酸使铝片钝化无气体放出,铝片投入稀硫酸中有气体(氢气)放出,D项错误。
8、B
9、B。解析:稀H2SO4也有氧化性,能氧化活泼金属,本身被还原成H2。
10、B
11、A
12、D。解析:反应①中SO2作氧化剂,说明二氧化硫具有氧化性,不能从氧化还原反应的发生来判断其是酸性还是碱性氧化物,A错误;反应②体现浓H2SO4的强氧化性和S的还原性,S与稀H2SO4不反应,B错误;单质硫只能与氧化性酸反应,不能与非氧化性酸反应,故不属于两性元素,C错误;反应③中化合价升高的硫原子与化合价降低的硫原子的个数之比为1∶2,即被氧化的硫元素与被还原的硫元素的质量之比为1∶2,D正确。
13、B。解析:浓硫酸具有脱水性,使蔗糖中H、O元素以水的形式脱出,而使蔗糖炭化变黑,与吸水性无关,A错误;浓硫酸具有吸水性,能吸收胆矾晶体中的结晶水,可以使蓝色的胆矾晶体失水变为白色晶体,B正确;浓硫酸是一种酸,能和氨气反应,故不能干燥氨气,C错误;由于浓硫酸的氧化性很强,常温下,铁和铝的表面被氧化为致密的氧化膜,D错误。
14、A。解析:浓H2SO4与Cu片共热,反应的化学方程式为2H2SO4(浓)+CuCuSO4+SO2↑+2H2O,由反应方程式可知,若2 mol H2SO4参加反应,其中1 mol H2SO4作氧化剂,使Cu氧化,本身被还原为SO2,另外1 mol H2SO4起酸的作用,故A项正确;在浓硫酸中存在的是H2SO4分子,其分子中+6价的硫易得到电子,它把金属氧化的同时本身被还原为硫的低价化合物SO2,即使是遇到活泼金属如Zn、Fe等也是如此,故B项错误;常温下铁或铝不是不与浓H2SO4反应,而是发生钝化,故C项错误;浓H2SO4有强氧化性,H2S有强还原性,前者能把后者氧化,得不到H2S气体,故D项错误。
15、D
16、C
17、B。解析:生成气体的物质的量为=1.5 mol,剩余硫酸的物质的量为×1 L×0.1 mol·
L-1=0.05 mol,参加反应的n(H2SO4)=0.1 L×18.5 mol·L-1-0.05 mol=1.8 mol,浓硫酸与锌反应生成SO2,随着反应的进行,硫酸的浓度逐渐减小,稀硫酸与锌反应生成H2,设反应生成x mol SO2,y mol H2,依据反应方程式可得x+y=1.5,2x+y=1.8,解得x=0.3,y=1.2,所以反应生成0.3 mol SO2和1.2 mol H2,B项错误。
解析:Cu+2H2SO4(浓)CuSO4+SO2↑+2H2O,在反应中,浓硫酸既表现出氧化性又表现酸性,A错误;反应中还原剂与氧化剂物质的量之比为1∶1,B错误;每1 mol 铜参加反应就有1 mol浓硫酸被还原,同时生成1 mol SO2,D错误。
18、(1)③ (2)① (3)⑤ (4)② (5)⑤ (6)② (7)①② (8)①④
解析:(1)浓硫酸具有高沸点、难挥发性,氯化氢气体易挥发。(2)磷酸是高沸点的中强酸,利用强酸与弱酸盐反应制弱酸的原理制磷酸。(3)浓硫酸吸收混在上述气体中的杂质水蒸气。(4)常温下,浓硫酸和铝、铁反应,在金属表面生成一层薄而致密的氧化物薄膜,阻止内部的金属和浓硫酸继续反应。(5)浓硫酸吸收胆矾晶体中的结晶水,使之变成无水硫酸铜白色粉末。(6)浓硫酸具有强氧化性,而溴化氢、碘化氢和硫化氢具有强还原性。
19、(1)SO3 H2SO3 形成酸雨
(2)②④⑤
(3)Cl2+SO2+2H2O===2HCl+H2SO4
(4)Cu+2H2SO4(浓)CuSO4+SO2↑+2H2O
解析:X气体是一种无色、有刺激性气味的酸性氧化物,能与氧气或氯水反应,X为SO2,由转化关系可知Y为SO3,Z为H2SO3,W为H2SO4。(1)SO2直接排入空气中易形成酸雨。(2)反应②为二氧化硫与氧气反应生成三氧化硫的反应,为氧化还原反应,反应④为亚硫酸与氧气生成硫酸的反应,为氧化还原反应,反应⑤为氯水和二氧化硫的反应,为氧化还原反应,所以属于氧化还原反应的是②④⑤。(3)反应⑤的化学方程式为Cl2+SO2+2H2O===2HCl+H2SO4。(4)Cu和浓硫酸加热反应的化学方程式为Cu+2H2SO4(浓)CuSO4+SO2↑+2H2O。
20、(1)Cu+2H2SO4(浓)CuSO4+SO2↑+2H2O
(2)品红溶液褪色 用浸有NaOH溶液的棉花团塞在试管口 试剂瓶中液面下降,长颈漏斗中液面上升 D
(3)随着H2SO4的消耗,浓H2SO4浓度逐渐变稀,稀硫酸与铜不反应 AD
(4)氧气 2Cu+2H2SO4+O22CuSO4+2H2O
解析:(1)Cu与浓H2SO4反应需加热。(2)SO2能使品红溶液褪色,为防止环境污染,可用的简单方法是用浸有NaOH溶液的棉花团塞在试管口,则SO2+2NaOH===Na2SO3+H2O。关闭K,装置内气体压强增大,B广口瓶内液面下降,长颈漏斗内液面上升。B中的液体应不能与SO2反应,而且要防止SO2的溶解。A项,Na2SO3+H2O+SO2===2NaHSO3;B项,KMnO4氧化SO2;C项,Br2+SO2+2H2O===2HBr+H2SO4;D项,SO2难溶于饱和NaHSO3溶液。应选D。(3)浓H2SO4浓度降低,变为稀H2SO4,Cu与稀H2SO4不反应。检验余酸实质是检验H+的存在。Fe+2H+===Fe2++H2↑,CO+2H+===H2O+CO2↑,Fe和Na2CO3溶液能证明H+的存在;BaCl2溶液不能证明H2SO4剩余,因为产物CuSO4也能电离出SO;Ag与H+不反应,不能证明H+的存在。故选AD。(4)根据题目要求气体单质应为强氧化剂,且仅生成CuSO4溶液,该氧化剂为O2。
21、(1)C+2H2SO4(浓)CO2↑+2SO2↑+2H2O
(2)④ ② ① ③
(3)验证SO2的存在 充分吸收SO2 验证SO2是否已被吸收完全
(4)无水硫酸铜 水 由于产物通过①、③时会带出水蒸气,所以②必须放在①、③之前
(5)澄清的石灰水 CO2
解析 C与浓硫酸发生反应C+2H2SO4(浓)CO2↑+2SO2↑+2H2O。反应中的生成物有三种:SO2、CO2、H2O。在检验这三种产物时要避免相互干扰,如检验CO2时一般用澄清石灰水,而SO2也会使澄清的石灰水变浑浊,所以在检验CO2之前必须先除去SO2;同时,在气体通过水溶液后,水蒸气会随之带出,所以必须在通过水溶液之前检验水的存在,由上分析可知装置的连接顺序是④→②→①→③。
22、(1)Zn+2H2SO4(浓)===ZnSO4+SO2↑+2H2O
(2)当Zn与浓硫酸反应时,浓硫酸逐渐变稀,Zn与稀硫酸反应可产生H2
(3)品红溶液 检验SO2 浓硫酸 吸收水蒸气 碱石灰 防止空气中的水蒸气进入装置D中
(4)黑色粉末变为红色 白色粉末变为蓝色
解析:(1)二氧化硫由锌和浓硫酸反应得到,锌和浓硫酸反应得二氧化硫、硫酸锌和水,反应的化学方程式为Zn+2H2SO4(浓)===ZnSO4+SO2↑+2H2O。(2)在Zn与浓H2SO4反应的过程中,H2SO4被消耗且有水生成,H2SO4浓度逐渐减小,变成稀H2SO4,Zn与稀H2SO4反应生成H2。(3)分析装置图可知,装置A可用品红溶液验证二氧化硫的存在;通过酸性高锰酸钾溶液除去二氧化硫,通过装置B中的浓硫酸除去水蒸气;氢气和氧化铜反应生成铜和水蒸气,所以利用装置D中的无水硫酸铜检验水的生成,为避免空气中的水蒸气影响装置D中水的检验,装置E中的试剂为碱石灰。(4)证明气体X中含有氢气的现象是装置C中黑色粉末变为红色,装置D中白色粉末变为蓝色。
23、(1)乙中品红溶液褪色
(2)Cu+2H2SO4(浓)CuSO4+SO2↑+2H2O
(3)2OH-+SO2===SO+H2O
(4)0.05 mol
(5)溶解铜的质量小于6.4 g,随反应的进行,浓硫酸的浓度减小,变为稀硫酸不再与铜反应
解析:由Cu+2H2SO4(浓)CuSO4+SO2↑+2H2O可知,被还原硫酸的物质的量=3.2 g÷64 g·mol-1=0.05 mol,0.2 mol 硫酸完全反应时需铜的质量=0.2 mol÷2×64 g·mol-1=6.4 g,反应中实际溶解铜的质量小于6.4 g,因为随着铜与浓硫酸反应的进行,浓硫酸的浓度减小,变为稀硫酸不再与铜反应,0.2 mol硫酸不能完全反应。
相关试卷
这是一份高中化学人教版 (2019)必修 第二册第五章 化工生产中的重要非金属元素实验活动5 不同价态含硫物质的转化精品第2课时习题
这是一份高中化学人教版 (2019)必修 第二册实验活动5 不同价态含硫物质的转化优秀第2课时同步测试题
这是一份2020-2021学年实验活动5 不同价态含硫物质的转化随堂练习题,共7页。试卷主要包含了硫的转化实验,硫元素转化规律等内容,欢迎下载使用。

