2020-2022近三年全国高考化学真题汇编 专题11 化学实验基础 (含答案解析)
展开专题11 化学实验基础
1.(2022·浙江卷)名称为“吸滤瓶”的仪器是
A. B. C. D.
【答案】D
【解析】A.图示实验仪器为蒸馏烧瓶,A不合题意;
B.图示实验仪器为分液漏斗,B不合题意;
C.图示实验仪器为容量瓶,C不合题意;
D.图示实验仪器为吸滤瓶,其特征是一个厚壁的带分支的锥形瓶,D符合题意;
故答案为:D。
2.(2022·浙江卷)下列说法不正确的是
A.用标准液润洗滴定管后,应将润洗液从滴定管上口倒出
B.铝热反应非常剧烈,操作时要戴上石棉手套和护目镜
C.利用红外光谱法可以初步判断有机物中具有哪些基团
D.蒸发浓缩硫酸铵和硫酸亚铁(等物质的量)的混合溶液至出现晶膜,静置冷却,析出硫酸亚铁铵晶体
【答案】A
【解析】A.用标准液润洗滴定管,要将整个滴定管内壁进行润洗,因此,应将润洗液的一部分从滴定管上口倒出,另一部分从滴定管下口放出,A说法不正确;
B.铝热反应非常剧烈,反应过程中放出大量的热,有大量火星飞溅出来,因此,在操作时要戴上石棉手套和护目镜以保护手和眼睛,B说法正确;
C.有机物中的基团在红外光谱中会呈现出其特征谱线,因此,可以利用红外光谱法初步判断有机物中具有哪些基团,C说法正确;
D.硫酸亚铁铵的溶解度随着温度降低而减小,蒸发浓缩硫酸铵和硫酸亚铁(等物质的量)的混合溶液至出现晶膜,溶液达到饱和状态,静置冷却后,由于在该温度下的混合体系中硫酸亚铁铵的溶解度最小,因此,析出的晶体是硫酸亚铁铵晶体,D说法正确。
综上所述,本题选A。
3.(2022·湖南卷)化学实验操作是进行科学实验的基础。下列操作符合规范的是
A.碱式滴定管排气泡 | B.溶液加热 | C.试剂存放 | D.溶液滴加 |
【答案】A
【解析】A.碱式滴定管排气泡时,把橡皮管向上弯曲,出口上斜,轻轻挤压玻璃珠附近的橡皮管可以使溶液从尖嘴涌出,气泡即可随之排出,A符合规范;
B.用试管加热溶液时,试管夹应夹在距离管口的处,B不符合规范;
C.实验室中,盐酸和NaOH要分开存放,有机物和无机物要分开存放,C不符合规范;
D.用滴管滴加溶液时,滴管不能伸入试管内部,应悬空滴加,D不符合规范;
故选A。
4.(2022·广东卷)为检验牺牲阳极的阴极保护法对钢铁防腐的效果,将镀层有破损的镀锌铁片放入酸化的溶液中。一段时间后,取溶液分别实验,能说明铁片没有被腐蚀的是
A.加入溶液产生沉淀
B.加入淀粉碘化钾溶液无蓝色出现
C.加入溶液无红色出现
D.加入溶液无蓝色沉淀生成
【答案】D
【解析】镀层有破损的镀锌铁片被腐蚀,则将其放入到酸化的3%NaCl溶液中,会构成原电池,由于锌比铁活泼,作原电池的负极,而铁片作正极,溶液中破损的位置会变大,铁也会继续和酸化的氯化钠溶液反应产生氢气,溶液中会有亚铁离子生成,据此分析解答。
【详解】
A.氯化钠溶液中始终存在氯离子,所以加入硝酸银溶液后,不管铁片是否被腐蚀,均会出现白色沉淀,故A不符合题意;
B.淀粉碘化钾溶液可检测氧化性物质,但不论铁片是否被腐蚀,均无氧化性物质可碘化钾发生反应,故B不符合题意;
C.KSCN溶液可检测铁离子的存在,上述现象中不会出现铁离子,所以无论铁片是否被腐蚀,加入KSCN溶液后,均无红色出现,故C不符合题意;
D.K3[Fe(CN)6]是用于检测Fe2+的试剂,若铁片没有被腐蚀,则溶液中不会生成亚铁离子,则加入K3[Fe(CN)6]溶液就不会出现蓝色沉淀,故D符合题意。
综上所述,答案为D。
1.(2021·浙江)蒸馏操作中需要用到的仪器是
A. B. C. D.
【答案】A
【解析】蒸馏过程中需要用到蒸馏烧瓶、温度计、酒精灯、冷凝管、牛角管、锥形瓶等仪器,分液漏斗、蒸发皿、容量瓶不用于蒸馏操作,故答案选A。
2.(2021·山东)关于下列仪器使用的说法错误的是
A.①、④不可加热 B.②、④不可用作反应容器
C.③、⑤可用于物质分离 D.②、④、⑤使用前需检漏
【答案】A
【分析】
①是锥形瓶,②是酸式滴定管,③是蒸馏烧瓶,④是容量瓶,⑤是梨形分液漏斗
【详解】
A.锥形瓶可以加热,但需要加石棉网,容量瓶不能加热,A项符合题意;
B.酸式滴定管用于量取一定体积的溶液,容量瓶只能用于配制一定物质的量浓度的溶液,都不能作反应容器,B项不符合题意;
C.蒸馏烧瓶用于蒸馏操作,分离相互溶解的液体,分液漏斗用于分液操作,分离相互不溶解的液体,两者均可用于物质分离,C项不符合题意;
D.酸式滴定管带有旋塞、容量瓶带有瓶塞、分液漏斗带有瓶塞和旋塞,使用前均需检查是否漏水,D项不符合题意;故选A。
3.(2021·广东)测定浓硫酸试剂中含量的主要操作包括:①量取一定量的浓硫酸,稀释;②转移定容得待测液;③移取待测液,用的溶液滴定。上述操作中,不需要用到的仪器为
A. B. C. D.
【答案】B
【解析】实验过程中,①量取一定量的浓硫酸并稀释所需仪器为:量筒、烧杯、玻璃棒;②转移定容得待测液所需仪器为:玻璃棒、容量瓶、胶头滴管;③移取20.00mL待测液,用0.1000mol/L的NaOH溶液滴定所需仪器为:酸式滴定管、碱式滴定管、锥形瓶,选项中A为容量瓶,B为分液漏斗,C为锥形瓶,D为碱式滴定管,上述操作中,不需要用到的仪器为分液漏斗,综上所述,故答案为B。
4.(2021·浙江)下列说法正确的是
A.减压过滤适用于过滤胶状氢氧化物类沉淀
B.实验室电器设备着火,可用二氧化碳灭火器灭火
C.制备硫酸亚铁铵晶体时,须将含和的溶液浓缩至干
D.将热的饱和溶液置于冰水中快速冷却即可制得颗粒较大的晶体
【答案】B
【详解】A.因为胶状沉淀可能会透过滤纸或造成滤纸堵塞,则减压过滤不宜用于过滤胶状沉淀或颗粒太小的沉淀,故A错误;
B.实验室中仪器设备着火可以使用二氧化碳灭火,故B正确;
C.制备硫酸亚铁铵晶体时,将硫酸铵和硫酸亚铁溶液浓缩至干会使晶体失去结晶水,故C错误;
D.冷却结晶时,自然冷却才能得到大颗粒晶体,快速冷却得到的是细小晶体,故D错误;故选B。
5.(2021·全国甲卷)实验室制备下列气体的方法可行的是
| 气体 | 方法 |
A | 氨气 | 加热氯化铵固体 |
B | 二氧化氮 | 将铝片加到冷浓硝酸中 |
C | 硫化氢 | 向硫化钠固体滴加浓硫酸 |
D | 氧气 | 加热氯酸钾和二氧化锰的混合物 |
【答案】D
【解析】A.氯化铵不稳定,加热易分解生成氨气和氯化氢,但两者遇冷又会化合生成氯化铵固体,所以不能用于制备氨气,A不可行;
B.将铝片加到冷浓硝酸中会发生钝化现象,不能用于制备二氧化氮,B不可行;
C.硫化氢为还原性气体,浓硫酸具有强氧化性,不能用浓硫酸与硫化钠固体反应制备该硫化氢气体,因为该气体会与浓硫酸发生氧化还原反应,C不可行;
D.实验室加热氯酸钾和二氧化锰的混合物,生成氯化钾和氧气,二氧化锰作催化剂,可用此方法制备氧气,D可行;故选D。
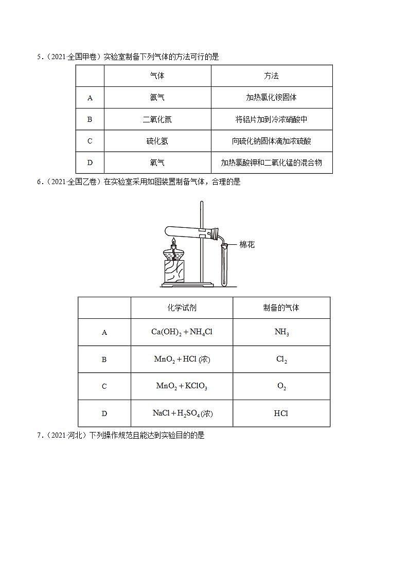
6.(2021·全国乙卷)在实验室采用如图装置制备气体,合理的是
| 化学试剂 | 制备的气体 |
A | ||
B | (浓) | |
C | ||
D | (浓) |
【答案】C
【分析】由实验装置图可知,制备气体的装置为固固加热装置,收集气体的装置为向上排空气法,说明该气体的密度大于空气的密度;
【解析】A.氨气的密度比空气小,不能用向上排空法收集,故A错误;
B.二氧化锰与浓盐酸共热制备氯气为固液加热反应,需要选用固液加热装置,不能选用固固加热装置,故B错误;
C.二氧化锰和氯酸钾共热制备氧气为固固加热的反应,能选用固固加热装置,氧气的密度大于空气,可选用向上排空气法收集,故C正确;
D.氯化钠与浓硫酸共热制备为固液加热反应,需要选用固液加热装置,不能选用固固加热装置,故D错误;故选C。
7.(2021·河北)下列操作规范且能达到实验目的的是
A.图甲测定醋酸浓度 B.图乙测定中和热
C.图丙稀释浓硫酸 D.图丁萃取分离碘水中的碘
【答案】A
【解析】A.氢氧化钠溶液呈碱性,因此需装于碱式滴定管,氢氧化钠溶液与醋酸溶液恰好完全反应后生成的醋酸钠溶液呈碱性,因此滴定过程中选择酚酞作指示剂,当溶液由无色变为淡红色时,达到滴定终点,故A选;
B.测定中和热实验中温度计用于测定溶液温度,因此不能与烧杯内壁接触,并且大烧杯内空隙需用硬纸板填充,防止热量散失,故B不选;
C.容量瓶为定容仪器,不能用于稀释操作,故C不选;
D.分液过程中长颈漏斗下方放液端的长斜面需紧贴烧杯内壁,防止液体留下时飞溅,故D不选;
综上所述,操作规范且能达到实验目的的是A项,故答案为A。
8.(2021·浙江)下列图示表示灼烧操作的是
A. B.
C. D.
【答案】B
【解析】灼烧过程中应使用坩埚、酒精灯、铁架台等仪器,A装置为配制一定物质的量浓度溶液的装置,C装置为蒸馏装置,D装置为过滤装置,B装置满足灼烧操作,故答案选B。
9.(2021·天津·高考真题)进行下列实验操作时,选用仪器正确的是
提取碘水中的碘 | 量取一定体积的KMnO4溶液 | 熔化NaOH固体 | 浓缩NaCl溶液 |
| |||
A | B | C | D |
【答案】D
【解析】A.提取碘水中的碘应该用萃取的方法,用分液漏斗,A错误;
B.KMnO4溶液有强氧化性,应该用酸式滴定管,B错误;
C.玻璃中的二氧化硅可以和NaOH反应,故熔化时不能用玻璃烧杯,C错误;
D.浓缩NaCl溶液应该用蒸发皿,D正确;
故选D。
10.(2021·北京·高考真题)室温下,1体积的水能溶解约40体积的SO2。用试管收集SO2后进行如下实验。对实验现象的分析正确的是
A.试管内液面上升,证明SO2与水发生了反应
B.试管中剩余少量气体,是因为SO2的溶解已达饱和
C.取出试管中的溶液,立即滴入紫色石蕊试液,溶液显红色,原因是:SO2+H2O⇌H2SO3、H2SO3⇌H++、⇌H++
D.取出试管中溶液,在空气中放置一段时间后pH下降,是由于SO2挥发
【答案】C
【解析】A.由信息可知,SO2易溶于水,也能使液面上升,故A错误;
B.二氧化硫与水的反应为可逆反应,当反应达到限度后,二氧化硫的量不再减少,液面高度也无明显变化,故B错误;
C.滴入石蕊试液,溶液变为红色,说明溶液显酸性,SO2与水反应生成亚硫酸,亚硫酸为弱酸,分步电离出氢离子,故C正确;
D.亚硫酸具有较强的还原性,易被氧化为硫酸,弱酸变强酸,也能使pH下降,故D错误;
故选C。
11.(2021·海南·高考真题)一次性鉴别等浓度的、、三种溶液,下列方法不可行的是
A.测定 B.焰色试验
C.滴加溶液 D.滴加饱和溶液,微热
【答案】C
【解析】A.溶液显中性,溶液显酸性,溶液显碱性,故可以用测定pH的方法鉴别,故A正确;
B.的焰色试验中现象为透过蓝色钴玻璃为紫色,的焰色试验中无现象,的焰色试验中现象为黄色,故可以用焰色试验的方法鉴别,故B正确;
C.、、中只有能与反应有现象,故和不能鉴别,故C错误;
D.2+CaCl2+2NH3+2H2O有刺激性气味气体产生,+=CaCO3+2NaOH有白色沉淀产生,而不反应无现象,故可以鉴别,故D正确;
故选C。
12.(2021·海南·高考真题)用如图装置制取干燥的气体(a、b表示加入的试剂),能实现的是
选项 | 气体 | a | b |
A | 稀 | ||
B | 溶液 | ||
C | 浓 | 铁片 | |
D | 浓氨水 |
【答案】B
【解析】A.与浓硫酸反应,故不能用浓硫酸干燥,故A错误;
B.发生反应2H2O22H2O+O2,浓硫酸干燥氧气,故B正确;
C.铁片和浓硝酸常温下发生钝化,故不能制取二氧化氮气体,故C错误;
D.氨气与浓硫酸反应,故不能用浓硫酸干燥氨气,故D错误;
故选B。
13.(2021·湖北·高考真题)某兴趣小组为制备1—氯—2—甲基丙烷(沸点69℃),将2—甲基—1—丙醇和POCl3溶于CH2Cl2中,加热回流(伴有HCl气体产生)。反应完全后倒入冰水中分解残余的POCl3,分液收集CH2Cl2层,无水MgSO4干燥,过滤、蒸馏后得到目标产物。上述过程中涉及的装置或操作错误的是(夹持及加热装置略)
A. | B. | C. | D. |
【答案】B
【解析】A.将2-甲基-1-丙醇和POCl3溶于盛在三口烧瓶中的CH2Cl2中,搅拌、加热回流(反应装置中的球形冷凝管用于回流),制备产物,A项正确;
B.产生的HCl可用NaOH溶液吸收,但要防止倒吸,导气管不能直接插入NaOH溶液中,B项错误;
C.分液收集CH2Cl2层需用到分液漏斗,振摇时需将分液漏斗倒转过来,C项正确;
D.蒸馏时需要用温度计控制温度,冷凝水从下口进、上口出,D项正确;
故选B。
1.[2020新课标Ⅰ]下列气体去除杂质的方法中,不能实现目的的是
| 气体(杂质) | 方法 |
A | SO2(H2S) | 通过酸性高锰酸钾溶液 |
B | Cl2(HCl) | 通过饱和的食盐水 |
C | N2(O2) | 通过灼热的铜丝网 |
D | NO(NO2) | 通过氢氧化钠溶液 |
【答案】A
【解析】
A.SO2和H2S都具有较强的还原性,都可以被酸性高锰酸钾溶液氧化;因此在用酸性高锰酸钾溶液除杂质H2S时,SO2也会被吸收,故A项不能实现除杂目的;
B.氯气中混有少量的氯化氢气体,可以用饱和食盐水除去;饱和食盐水在吸收氯化氢气体的同时,也会抑制氯气在水中的溶解,故B项能实现除杂目的;
C.氮气中混有少量氧气,在通过灼热的铜丝网时,氧气可以与之发生反应: ,而铜与氮气无法反应,因此可以采取这种方式除去杂质氧气,故C项能实现除杂目的;
D.NO2可以与NaOH发生反应:,NO与NaOH溶液不能发生反应;尽管NO可以与NO2一同跟NaOH发生反应:,但由于杂质的含量一般较少,所以也不会对NO的量产生较大的影响,故D项能实现除杂的目的;答案选A。
【点睛】
除杂操作原则可概括为“不多不少,简单最好”:首先,避免引入新的杂质;其次,尽量避免产品的损失;最后,方法越简单越好。
2.[2020新课标Ⅲ]喷泉实验装置如图所示。应用下列各组气体—溶液,能出现喷泉现象的是
| 气体 | 溶液 |
A. | H2S | 稀盐酸 |
B. | HCl | 稀氨水 |
C. | NO | 稀H2SO4 |
D. | CO2 | 饱和NaHCO3溶液 |
【答案】B
【解析】
能够发生喷泉实验,需要烧瓶内外产生明显的压强差;产生压强差可以通过气体溶于水的方法,也可以通过发生反应消耗气体产生压强差,据此分析。
A.由于硫化氢气体和盐酸不发生反应且硫化氢在水中的溶解度较小,烧瓶内外压强差变化不大,不会出现喷泉现象,A错误;
B.氯化氢可以和稀氨水中的一水合氨发生反应,使烧瓶内外产生较大压强差,能够出现喷泉实验,B正确;
C.一氧化氮不与硫酸发生反应且不溶于水,烧瓶内外不会产生压强差,不能发生喷泉现象,C错误;
D.二氧化碳不会溶于饱和碳酸氢钠溶液中,烧瓶内外不会产生压强差,不能发生喷泉实验,D错误;
故选B。
3.[2020江苏卷]实验室以CaCO3为原料,制备CO2并获得CaCl2﹒6H2O晶体。下列图示装置和原理不能达到实验目的的是
A.制备CO2 B.收集CO2
C.滤去CaCO3 D.制得CaCl2﹒6H2O
【答案】D
【解析】
A.碳酸钙盛放在锥形瓶中,盐酸盛放在分液漏斗中,打开分液漏斗活塞,盐酸与碳酸钙反应生成氯化钙、二氧化碳和水,故A正确;
B.二氧化碳密度比空气大,用向上排空气法收集二氧化碳气体,故B正确;
C.加入的盐酸与碳酸钙反应后,部分碳酸钙未反应完,碳酸钙是难溶物,因此用过滤的方法分离,故C正确;
D.CaCl2∙6H2O易失去结晶水,因此不能通过加热蒸发皿得到,可由氯化钙的热饱和溶液冷却结晶析出六水氯化钙结晶物,故D错误。综上所述,答案为D。
4.[2020天津卷]下列实验仪器或装置的选择正确的是
配制50.00 mL 0.1000 mol.L-1 Na2CO3溶液 | 除去Cl2中的HCl | 蒸馏用冷凝管 | 盛装Na2SiO3溶液的试剂瓶 |
A | B | C | D |
【答案】B
【解析】
A.配制50.00mL0.1000mol.L-1Na2CO3溶液需要用容量瓶,不能使用量筒配置溶液,故A错误;
B.除去氯气中的氯化氢气体使用饱和氯化钠溶液,可以吸收氯化氢气体,根据氯气在水中的反应:Cl2+H2O⇌H++Cl-+HClO,饱和氯化钠溶液中的氯离子使氯气溶于水的平衡逆向移动,降低氯气在水中的溶解度,洗气瓶长进短出,利于除杂,故B正确;
C.蒸馏要使用直形冷凝管,不能使用球形冷凝管,故C错误;
D.硅酸钠溶液呈碱性,硅酸钠溶液是一种矿物胶,能将玻璃塞与试剂瓶的瓶口粘在一起,盛装Na2SiO3溶液的试剂瓶不能使用玻璃塞,应使用橡胶塞,故D错误。答案选B。
5.[2020浙江7月选考]固液分离操作中,需要用到的仪器是( )
A. B. C. D.
【答案】C
【解析】
A.该仪器是干燥管,不能用于固液分离,A不符合题意;
B.该仪器为蒸馏烧瓶,不能用于固液分离,B不符合题意;
C.该仪器为普通漏斗,常用于过滤以分离固液混合物,C符合题意;
D.该仪器为牛角管,又叫接液管,连接在冷凝管的末端以收集蒸馏产生的蒸气所冷凝成的液体,不能用于固液分离,D不符合题意。综上所述,本题答案为C。
6.[2020浙江7月选考] 下列有关实验说法不正确的是( )
A.萃取时,向盛有溴水的分液漏斗中加入,振荡、静置分层后,打开旋塞,先将水层放出
B.做焰色反应前,铂丝用稀盐酸清洗并灼烧至火焰呈无色
C.乙醇、苯等有机溶剂易被引燃,使用时须远离明火,用毕立即塞紧瓶塞
D.可用溶液和稀区分、和
【答案】A
【解析】
A.CCl4的密度比水的密度大,故萃取Br2时,向盛有溴水的分液漏斗中加入CCl4,振荡、静置分层,打开旋塞,先将CCl4层放出,A操作错误;
B.做焰色反应前,先将铂丝用稀盐酸清洗并灼烧至无色的目的是排除铂丝上粘有其它金属元素,对待检测金属元素的干扰,B操作正确
C.乙醇、苯等有机溶剂属于易燃物品,故使用时必须远离明火和热源,用毕立即塞紧瓶塞,防止失火,C操作正确;
D.氯化银、亚硝酸银都是难溶于水的白色固体,所以硝酸银滴入氯化钠溶液和亚硝酸钠溶液中都有白色沉淀生成,但是氯化银不溶于稀硝酸,而亚硝酸银溶于稀硝酸;硝酸银溶液滴入硝酸钠溶液中没有明显现象,故D操作正确。答案选A。
7.[2020浙江7月选考] 黄色固体X,可能含有漂白粉、、、、之中的几种或全部。将X与足量的水作用,得到深棕色固体混合物Y和无色碱性溶液Z。下列结论合理的是( )
A.X中含,可能含有
B.X中含有漂白粉和
C.X中含有,Y中含有
D.用酸化溶液Z,若有黄绿色气体放出,说明X中含有
【答案】C
【解析】
固体X为黄色,则含有Fe2(SO4)3,溶于水后,要使溶液Z为无色碱性,则一定含有漂白粉,且漂白粉过量,得到深棕色固体混合物Y,则固体Y是Fe(OH)3和Cu(OH)2的混合物,X中一定含有,和中含有其中一种或两种都含,据此解答。
A.若X含有KI,则会与漂白粉反应生成I2,溶液不为无色,A不正确;
B.由分析可知,不一定含有FeSO4,B不正确;
C.由分析可知, X含有CuCl2,Y含有Fe(OH)3,C正确;
D.酸化后,产生黄绿色气体,为氯气,则发生的发生反应的离子反应方程式为:Cl-+ClO-+2H+=Cl2↑+H2O,此时的Cl-有可能来自于漂白粉氧化FeSO4产生的Cl-,也有可能是漂白粉自身含有的,不能推导出含有CuCl2,D不正确;故选C。
专题11 化学实验基础——【全国通用】2020-2022三年高考化学真题分类汇编(原卷版+解析版): 这是一份专题11 化学实验基础——【全国通用】2020-2022三年高考化学真题分类汇编(原卷版+解析版),文件包含专题11化学实验基础全国通用2020-2022三年高考化学真题分类汇编解析版docx、专题11化学实验基础全国通用2020-2022三年高考化学真题分类汇编原卷版docx等2份试卷配套教学资源,其中试卷共25页, 欢迎下载使用。
2020-2022近三年高考化学真题汇编(新高考)专题11 化学实验基础+答案解析: 这是一份2020-2022近三年高考化学真题汇编(新高考)专题11 化学实验基础+答案解析,共13页。试卷主要包含了名称为“吸滤瓶”的仪器是,下列说法不正确的是,下列图示表示灼烧操作的是等内容,欢迎下载使用。
2020-2022近三年全国高考化学真题汇编 专题19 有机化学基础(选修) (含答案解析): 这是一份2020-2022近三年全国高考化学真题汇编 专题19 有机化学基础(选修) (含答案解析),文件包含专题19有机化学基础选修解析版docx、专题19有机化学基础选修原卷版docx等2份试卷配套教学资源,其中试卷共118页, 欢迎下载使用。

