所属成套资源:全套高考物理一轮复习实验含答案
高考物理一轮复习实验10测定电源的电动势和内阻含答案
展开
这是一份高考物理一轮复习实验10测定电源的电动势和内阻含答案
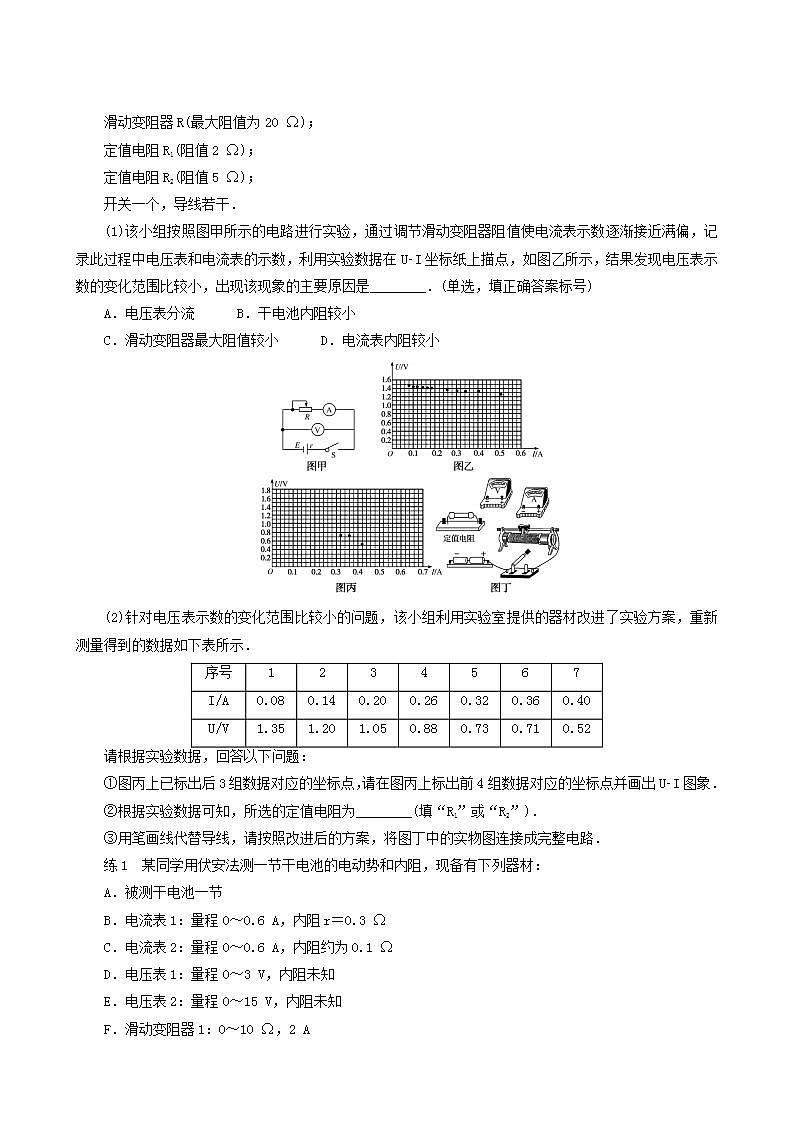
实验十 测定电源的电动势和内阻实验溯本求源●注意事项1.电池选取:应选用内阻较大的电池.2.实验操作:实验中不宜将电流调得过大,电表读数要快,每次读完数后立即断开开关.3.数据要求:要测出不少于6组的(I,U)数据,且变化范围要大些.4.合理选择标度:为使图线分布空间大,如图所示,纵坐标可以不从零开始,则图线和横轴的交点不再是短路电流.●误差分析1.偶然误差:用图象法求E和r时作图不准确.2.系统误差:电压表分流.实验热点探究热点一 教材原型实验师生共研题型1|器材选择与实验操作过程例1 用如图所示电路测量电源的电动势和内阻.实验器材:待测电源(电动势约3 V,内阻约2 Ω),保护电阻R1(阻值10 Ω)和R2(阻值5 Ω),滑动变阻器R,电流表A,电压表V,开关S,导线若干.实验主要步骤:①将滑动变阻器接入电路的阻值调到最大,闭合开关;②逐渐减小滑动变阻器接入电路的阻值,记下电压表的示数U和相应电流表的示数I;③以U为纵坐标,I为横坐标,作UI图线(U、I都用国际单位);④求出UI图线斜率的绝对值k和在横轴上的截距a.回答下列问题:(1)电压表最好选用________;电流表最好选用________.(均填选项前的字母)A.电压表(0~3 V,内阻约15 kΩ)B.电压表(0~3 V,内阻约3 kΩ)C.电流表(0~200 mA,内阻约2 Ω)D.电流表(0~30 mA,内阻约2 Ω)(2)滑动变阻器的滑片从左向右滑动,发现电压表示数增大.两导线与滑动变阻器接线柱连接情况是________(填选项前的字母).A.两导线接在滑动变阻器电阻丝两端的接线柱B.两导线接在滑动变阻器金属杆两端的接线柱C.一条导线接在滑动变阻器金属杆左端接线柱,另一条导线接在电阻丝左端接线柱D.一条导线接在滑动变阻器金属杆右端接线柱,另一条导线接在电阻丝右端接线柱(3)选用k、a、R1和R2表示待测电源的电动势E和内阻r的表达式,E=________,r=________,代入数值可得E和r的测量值.题型2|数据处理及分析例2 [2020·普通高中学业水平等级考试]实验方案对实验测量的精度有直接的影响,某学习小组对“测量电源的电动势和内阻”的实验方案进行了探究.实验室提供的器材有:干电池一节(电动势约1.5 V,内阻小于1 Ω);电压表V(量程3 V,内阻约3 kΩ);电流表A(量程0.6 A,内阻约1 Ω);滑动变阻器R(最大阻值为20 Ω);定值电阻R1(阻值2 Ω);定值电阻R2(阻值5 Ω);开关一个,导线若干.(1)该小组按照图甲所示的电路进行实验,通过调节滑动变阻器阻值使电流表示数逐渐接近满偏,记录此过程中电压表和电流表的示数,利用实验数据在UI坐标纸上描点,如图乙所示,结果发现电压表示数的变化范围比较小,出现该现象的主要原因是________.(单选,填正确答案标号)A.电压表分流 B.干电池内阻较小C.滑动变阻器最大阻值较小 D.电流表内阻较小(2)针对电压表示数的变化范围比较小的问题,该小组利用实验室提供的器材改进了实验方案,重新测量得到的数据如下表所示.请根据实验数据,回答以下问题:①图丙上已标出后3组数据对应的坐标点,请在图丙上标出前4组数据对应的坐标点并画出UI图象.②根据实验数据可知,所选的定值电阻为________(填“R1”或“R2”).③用笔画线代替导线,请按照改进后的方案,将图丁中的实物图连接成完整电路.练1 某同学用伏安法测一节干电池的电动势和内阻,现备有下列器材:A.被测干电池一节B.电流表1:量程0~0.6 A,内阻r=0.3 ΩC.电流表2:量程0~0.6 A,内阻约为0.1 ΩD.电压表1:量程0~3 V,内阻未知E.电压表2:量程0~15 V,内阻未知F.滑动变阻器1:0~10 Ω,2 AG.滑动变阻器2:0~100 Ω,1 AH.开关、导线若干伏安法测电池电动势和内阻的实验中,由于电流表和电压表内阻的影响,测量结果存在系统误差;在现有器材的条件下,要尽可能准确地测量电池的电动势和内阻.(1)在上述器材中请选择适当的器材(填写器材前的字母):电流表选择________,电压表选择________,滑动变阻器选择________.(2)实验电路图应选择图中的________(填“甲”或“乙”).(3)根据实验中电流表和电压表的示数得到了如图丙所示的U I图象,则在修正了实验系统误差后,干电池的电动势E=________V,内电阻r=________Ω.练2 [2020·浙江卷,18]某同学分别用图1甲和图1乙的电路测量同一节干电池的电动势和内阻.(1)请在虚线框中画出图1乙的电路图;(2)某次测量时电流表和电压表的示数如图2所示,则电流I=________A,电压U=________ V;(3)实验得到如图3所示的两条直线,图中直线Ⅰ对应电路是图1________(选填“甲”或“乙”);(4)该电池的电动势E=________V(保留三位有效数字),内阻r=________Ω(保留两位有效数字).热点二 实验拓展创新师生共研题型1|实验方法的拓展eq \a\vs4\al\co1(,3) 一同学测量某干电池的电动势和内阻.(1)如图所示是该同学正准备接入最后一根导线(图中虚线所示)时的实验电路.请指出图中在器材操作上存在的两个不妥之处.(2)实验测得的电阻箱阻值R和电流表示数I,以及计算的数据见下表:根据表中数据,在方格纸上作出R 关系图象.由图象可计算出该干电池的电动势为________V;内阻为________Ω.(3)为了得到更准确的测量结果,在测出上述数据后,该同学将一只量程为100 mV的电压表并联在电流表的两端.调节电阻箱,当电流表的示数为0.33 A时,电压表的指针位置如图所示,则该干电池的电动势应为________V;内阻应为________Ω.例4 [2021·山东济宁二模]为测量一未知电源的电动势和内阻,某同学设计了如图甲所示电路,电路中所用到的器材规格如下:待测电源(电动势约5 V,内阻约几十欧姆);定值电阻R0(阻值为10 Ω);定值电阻R1(有两种规格可供选择,阻值分别为1 kΩ和3 kΩ);电阻箱R2(0~9 999 Ω);电压表(量程0~3 V,内阻RV=3 kΩ);开关、导线若干.(1)为了减小测量误差,定值电阻R1应该选用阻值为________的规格.(2)根据电路图连接电路,闭合开关后,将电阻箱的阻值由零开始逐渐调大,记录下若干组电阻箱R2和电压表的读数.(3)该同学将得到的数据在坐标系中描点连线,得到如图乙所示图线,图线与纵轴的截距为b=0.4 V-1,斜率k=8.0 V-1·Ω,则可求得电动势E=________V,内阻r=________Ω.(结果均保留两位有效数字)题型2|实验器材的灵活选用及电路设计例5 现要测量电压表的内阻和电源的电动势,提供的器材有:电源(电动势约为6 V,内阻不计),电压表V1(量程0~2.5 V,内阻约为2.5 kΩ),电压表V2(量程0~3 V,内阻约为10 kΩ),电阻箱R0(最大阻值为9 999.9 Ω),滑动变阻器R1(最大阻值为3 kΩ),滑动变阻器R2(最大阻值为500 Ω), 单刀双掷开关一个,导线若干.(1)在图(a)中完成实验电路原理图的连线.(2)电路中应选用滑动变阻器________(选填“R1”或“R2”).(3)按照下列步骤进行实验:①闭合开关前,将滑动变阻器和电阻箱连入电路的阻值调至最大;②闭合开关,将电阻箱调到6 kΩ,调节滑动变阻器至适当的位置,此时电压表V1的示数为1.60 V,电压表V2的示数为2.40 V;③保持滑动变阻器连入电路的阻值不变,再将电阻箱调到2 kΩ,此时电压表V1的示数如图(b)所示,其示数为________V,电压表V2的示数为1.40 V.(4)根据实验数据,计算得到电源的电动势为________V,电压表V1的内阻为________kΩ,电压表V2的内阻为________kΩ.[教你解决问题]——设计思路第1步:明确实验目的读题→可知本题的实验目的是测电压表的内阻和电源的电动势第2步:选择合适的实验原理读题→根据题目的实验仪器可知本题可用电压表和电阻箱测电源的电动势第3步:画原理图练3 某探究性学习小组利用如图所示的电路测量电池的电动势和内阻.其中电流表A1的内阻r1=1.0 kΩ,电阻R1=9.0 kΩ,为了方便读数和作图,给电池串联一个R0=3.0 Ω的电阻.(1)按图示电路进行连接后,发现aa′、bb′和cc′三条导线中,混进了一条内部断开的导线.为了确定哪一条导线内部是断开的,将开关S闭合,用多用电表的电压挡先测量a、b′间电压,读数不为零,再测量a、a′间电压,若读数不为零,则一定是________导线断开;若读数为零,则一定是________导线断开.(2)排除故障后,该小组顺利完成实验.通过多次改变滑动变阻器触头位置,得到电流表A1和A2的多组I1、I2数据,作出图象如图.由I1I2图象得到电池的电动势E=________V,内阻r=________Ω.练4 [2020·北京海淀区期末]现有两组同学要测定一节干电池的电动势E和内阻r(已知E约为1.5 V,r约为1 Ω).(1)①第一组采用图a所示电路,a、b间应接入________.A.一个定值电阻B.阻值适当的不同阻值的定值电阻C.滑动变阻器②为了调节方便且测量精度更高,以下器材中,电流表可选________,电压表可选________.A.电流表(0~0.6 A) B.电流表(0~3 A)C.电压表(0~3 V) D.电压表(0~15 V)③第一小组经过多次测量,记录了多组电流表示数I和电压表示数U,并在图b中画出了UI图象.由图象可以得出,若将该干电池与一个阻值为2.2 Ω的定值电阻组成闭合回路,电路中的电流约为________A(保留两位有效数字).(2)第二组在没有电压表的情况下,设计了如图c所示的电路,完成了对同一电池的测量.①改变电阻箱接入电路中的电阻值,记录了多组电流表示数I和电阻箱示数R,通过研究 QUOTE R图象的信息,他们发现电动势的测量值与第一组的结果非常接近,但是内阻的测量值与第一组的结果有明显偏差.将上述实验重复进行了若干次,结果依然如此.请说明哪个组内阻的测量结果较大?________.并说明形成这个结果的原因:________________.②A.第二组对实验进行深入的理论研究,在是否可以忽略电流表内阻这两种情况下,绘制两类图象.第一类图象以电流表读数I为纵坐标,将电流表和电阻箱读数的乘积IR记为U作为横坐标.第二类图象以电阻箱读数R为纵坐标,电流表读数的倒数为横坐标.请在图d的甲、乙两坐标系中分别用实线代表电流表内阻可忽略的情况,虚线代表电流表内阻不可忽略的情况,定性画出相关物理量之间的关系.B.在第二组的实验中有电阻箱(最大阻值为999.9 Ω,可当标准电阻用)、电流表(满偏电流Ig=0.6 A,内阻rg=0.1 Ω).通过改变电阻箱接入电路的电阻值,记录了多组电流表示数I和电阻箱示数R,并画出了如图e所示的R图象.根据图象中的信息可得出这个电池的电动势E=________V,内阻r=________Ω.实验十 测定电源的电动势和内阻实验热点探究例1 解析:(1)电压表内阻越大,分得的电流越小,误差也就越小,所以电压表选内阻较大的A;当滑动变阻器接入电路的阻值最小时,通过电流表的电流最大,此时通过电流表电流大小约为I=≈176 mA,所以电流表选量程为200 mA的C.(2)由电路分析可知,滑片从左向右滑动,电压表示数变大,意味着滑动变阻器接入电路部分的阻值增大,一导线接金属杆左端,一导线接电阻丝左端,则滑片从左向右滑动时阻值增大,C项符合题意.(3)由E=U+I(r+R2),得U=-I(r+R2)+E,对比UI图线可知,图象斜率的绝对值k=r+R2,所以电源内阻r=k-R2;令U=0,得I==,图线在横轴上的截距为a,所以a=I=,则E=ak.答案:(1)A C (2)C (3)ak k-R2例2 解析:(1)路端电压U=·R=,若电源内阻远小于外电路总电阻,则电压表示数总是接近电源的电动势,变化范围小,故B项正确.(2)②由画出的UI图线知等效电源内阻r′= Ω≈2.58 Ω,因此选的定值电阻为R1.③连接实物图时,从电源正极出发,依次连接各器材,电压表并联在滑动变阻器和电流表两端,注意电流从正接线柱流入,负接线柱流出.答案:(1)B(2)①如图1所示 ②R1 ③如图2所示练1 解析:(1)因测干电池的电动势和内阻,为了读数准确,电流表选B,电压表选D;滑动变阻器阻值较小有利于电表的数值变化,减小误差,选F.(2)因电流表内阻已知,故应采用相对电源的电流表内接法,故选甲.(3)由U I图象可以知道,电源的电动势E=1.50 V,内电阻r=-RA=0.7 Ω.答案:(1)B D F (2)甲 (3)1.5 0.7练2 解析:(1)按照图1乙电路画出电路图;(2)由题图可知,电压表量程选择3 V,电流表量程选择0.6 A,根据电流表和电压表读数规则,电流I=0.40 A,电压U=1.30 V;(3)图1甲的电路将电流表与干电池串联,测量出来的干电池内阻实际为干电池内阻与电流表内阻之和,对应图线的斜率绝对值较大,所以图3中直线Ⅱ对应电路为图1甲电路,直线Ⅰ对应电路为图1乙电路;(4)根据实验图象与纵轴交点的纵坐标为电池电动势,可知该电池的电动势E=1.52 V,由图3中直线Ⅰ的斜率绝对值可得电池内阻r=0.53 Ω.答案:(1)电路图如图所示 (2)0.39~0.41 1.29~1.31 (3)乙 (4)1.51~1.54 0.52~0.54例3 解析:(1)在连接电路前,首先要断开开关,电路中串联的电阻箱或滑动变阻器阻值要调节到最大,所以操作中存在的不足之处是:①开关未断开;②电阻箱阻值为零.(2)根据测量得到的数据,利用描点法先在坐标图中画出数据点,然后用直尺过尽可能多的点画出倾斜的直线,如图所示,利用闭合电路欧姆定律,可得E=I(R+r),变化成R=E·-r,对照作出的R图象.可知R图象的斜率等于电池的电动势,可得E=1.4 V;R图象在纵轴的截距的绝对值等于电池的内阻,可得r=1.2 Ω.(3)根据电压表的读数规则,图中电压表读数U=66 mV,由题述知I=0.33 A,根据欧姆定律可得电流表内阻RA==0.2 Ω.考虑到电流表内阻,利用闭合电路欧姆定律,可得E=I(R+r+RA),变化成R=E·-(r+RA),对照作出的R图象,可知R图象的斜率等于电池的电动势,可得E=1.4 V;R图象在纵轴的截距的绝对值等于电池的内阻与电流表内阻之和,可得电池的内阻为1.0 Ω.答案:(1)①开关未断开;②电阻箱阻值为零.(2)如图所示 1.4(1.30~1.44都算对) 1.2(1.0~1.4都算对) (3)1.4(结果与(2)问第一个空格一致) 1.0(结果比(2)问第二个空格小0.2)例4 解析:(1)由于电源电动势约为5 V,而电压表的量程为0~3 V,因此应扩大电压表的量程,选择阻值为3 kΩ的定值电阻,改装后电压表的量程为0~6 V,满足条件.(3)因路端电压U′=2U,忽略电压表支路中的电流,由闭合电路欧姆定律可知2U=(R2+R0),变形可得=·,则有=0.4 V-1,=8.0 V-1·Ω,解得E=5.0 V,r=20 Ω.答案:(1)3 kΩ (3)5.0 20例5 解析:(1)由于两个电压表的量程都小于电源的电动势,两个电压表串联后的总电压仍然小于电源的电动势,故应该用滑动变阻器作为保护电阻.如果只是测量电动势,可以采用如图甲所示的电路,但是要想计算电压表V1、电压表V2各自的内阻,需要将电路改进,设计的电路有图乙、图丙所示的两种;而通过电压表V1的最大电流约为1 mA,通过电压表V2的最大电流约为0.3 mA,故设计的电路应该选择图乙.(2)根据(1)中电路图的连接,因为电压表的内阻较大,故滑动变阻器的最大阻值应该大于电压表V1的内阻,故滑动变阻器应该选择R1.(3)题图b所示的电压表的最小刻度为0.1 V,故估读到0.01 V,其读数为2.10 V.(4)对图乙,设电压表V1和电压表V2的内阻分别为r1、r2,示数分别为U1、U2,滑动变阻器的电阻调到r,由闭合电路的欧姆定律,得E=U1+U2+r,E=+U′2+r,其中R01=6 kΩ,R02=2 kΩ,对电压表V1和电压表V2所在的电路,由串并联规律得==,代入数据,联立解得E=5.60 V,r1=2.5 kΩ,r2=10 kΩ.答案:(1)见解析图乙所示 (2)R1 (3)2.10 (4)5.60 2.5 10练3 解析:(1)a、b′间的电压不为零,说明a、a′或b、b′间有一处导线断开,若a、a′间电压不为零,说明aa′导线断开;若a、a′间电压为零,则一定是bb′导线断开.(2)在给出的图象中取两个点,读数分别为I1=0.12 mA、I2=60 mAI′1=0.07 mA、I′2=200 mA.据闭合电路欧姆定律知:E=(I1+I2)(R0+r)+I1(r1+R1),将上述两组数据代入可得:电动势E≈1.40 V,内阻r≈0.57 Ω.答案:(1)aa′ bb′ (2)1.40(1.36~1.44均可) 0.57(0.40~0.60均可)练4 解析:本题考查多种方法测量干电池的电动势和内阻的实验.(1)①根据E=U+Ir,要测电动势E和内阻r,必须要改变电路的电流,则在电路的a、b两点间可接入阻值适当的不同阻值的定值电阻或者滑动变阻器;故选B、C.②为了调节方便且测量精度更高,电流表可选量程0~0.6 A,电压表可选量程0~3 V.③由题图中读出E=1.48 V,内阻为r= Ω=0.8 Ω,则若将该干电池与一个阻值为2.2 Ω的定值电阻组成闭合回路,电路中的电流约为I== A≈0.49 A.(2)①第一组内阻的测量值比真实值偏小,而第二组内阻的测量值偏大,原因是电流表内阻不能忽略引起的误差.②A.根据E=I(R+r)=Ir+U可得I=U,若考虑电流表内阻,则I=U,则图象如图甲所示;根据E=I(R+r)可得R=E·-r,若考虑电流表内阻,则R=E·-(r+RA),则图象如图乙所示.B.由题图e可知E= V=1.5 V,r+rg=0.4 Ω,则r=0.3 Ω.答案:(1)①BC ②A C ③0.49(0.48~0.50均可) (2)①第二组的测量结果较大 电流表内阻引起的误差 ②A.见解析 B.1.5(1.46~1.54) 0.3(0.25~0.35)序号1234567I/A0.080.140.200.260.320.360.40U/V1.351.201.050.880.730.710.52安阻法伏阻法=R+=·+纵轴截距为,斜率为纵轴截距为,斜率为R/Ω8.07.06.05.04.0I/A0.150.170.190.220.26/A-16.76.05.34.53.8
相关试卷
这是一份高考物理一轮复习课时作业39实验:测定电源的电动势和内阻(含解析),共8页。
这是一份高考物理二轮实验专题复习实验十测定电源的电动势和内阻,共13页。
这是一份高考物理一轮复习专题8恒定电流实验10测定电源的电动势和内阻含答案,共7页。

