高中化学人教版 (2019)选择性必修1第二节 电解池课时训练
展开电解原理
1.如下图所示装置中,属于电解池的是( )
A. B. C. D.
2.某同学为了使反应能进行,设计了下列四个实验,如图所示,你认为可行的方案是( )
A. B. C. D.
3.现用铂电极电解1 L浓度均为0.1 的HCl、的混合溶液,装置如图所示,下列说法正确的是( )
A.电解开始时阴极有放出
B.电解开始时阳极上发生:
C.当电路中通过的电子的物质的量超过0.1 mol时,此时阴极放电的离子发生变化
D.整个电解过程中,不参与电极反应
4.工业上可利用如图所示电解装置吸收和转化(A、B均为惰性电极),下列说法正确的是( )
A.B极为电解池的阴极
B.B极区吸收5 mol,则A极区生成25 mol
C.B极区电解液为稀硫酸,电解一段时间后硫酸浓度增大
D.A极的电极反应为
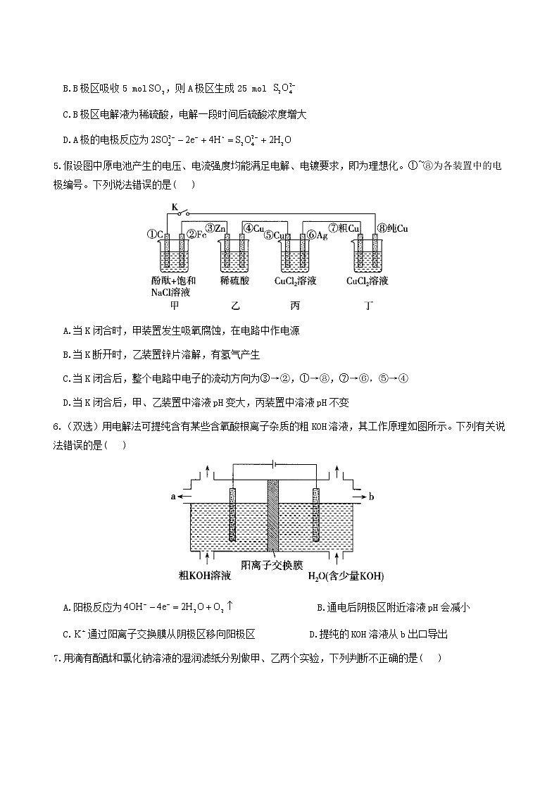
5.假设图中原电池产生的电压、电流强度均能满足电解、电镀要求,即为理想化。①~⑧为各装置中的电极编号。下列说法错误的是( )
A.当K闭合时,甲装置发生吸氧腐蚀,在电路中作电源
B.当K断开时,乙装置锌片溶解,有氢气产生
C.当K闭合后,整个电路中电子的流动方向为③→②,①→⑧,⑦→⑥,⑤→④
D.当K闭合后,甲、乙装置中溶液pH变大,丙装置中溶液pH不变
6.(双选)用电解法可提纯含有某些含氧酸根离子杂质的粗KOH溶液,其工作原理如图所示。下列有关说法错误的是( )
A.阳极反应为 B.通电后阴极区附近溶液pH会减小
C.通过阳离子交换膜从阴极区移向阳极区 D.提纯的KOH溶液从b出口导出
7.用滴有酚酞和氯化钠溶液的湿润滤纸分别做甲、乙两个实验,下列判断不正确的是( )
A.b极附近有气泡冒出 B.d极附近出现红色
C.a、c极上都发生氧化反应 D.甲中的铁比乙中的铁更易被腐蚀
8.是一种常见的绿色氧化剂,可由臭氧发生器(原理如图)电解稀硫酸制得。下列说法错误的是( )
A.电极a为阴极
B.电极a上的反应为
C.电解一段时间后电极b周围溶液的pH减小
D.标准状况下,当有5.6 L反应时,收集到和混合气体4.48 L,的体积分数为80%
9.利用太阳能电池,将转化成燃料气体(CO),用可传导的固体作电解质装置如图所示。下列推断不正确的是( )
A.a为阳极 B.b的电极反应为
C.产生11.2L,导线中转移2mol电子 D.由质子交换膜的左侧向右侧迁移
10.2019年诺贝尔化学奖已授予约翰·班宁斯特·古迪纳夫、斯坦利·惠廷汉姆和吉野彰,三位科学家的获奖理由是为锂电池的发展做出了卓越贡献。下图是我国一项电解制备金属锂的新方法发明专利装置图。下列说法不正确的是( )
A.电极B的电势比电极C高
B.理论上该装置不需要补充电解质LiCl
C.电极B中氯离子和碳酸根离子放电
D.A区避免熔融碳酸锂对设备的腐蚀且减少了环境污染
11.为增强铝的耐腐蚀性,现以铅酸蓄电池为外电源(左池),以Al作阳极、Pb作阴极,电解稀硫酸(右池),使铝表面的氧化膜增厚。反应原理如下:
原电池:;
电解池:。
关闭K,电解过程中,以下判断正确的是( )
A.两池中均移向Pb电极
B.左池每消耗3 mol Pb,右池生成2 mol
C.左池Pb电极质量增加,右池Pb电极质量不变
D.左池正极反应:
12.用石墨作电极,在、、、等离子中选出适当离子组成电解质,电解其溶液,写出符合条件的一种电解质的化学式:
(1)当阴极放出,阳极放出时,电解质是__________________。
(2)当阴极析出金属,阳极放出时,电解质是_________________。
(3)当阴极放出,阳极放出时,电解质是_________________。
(4)通过电子的物质的量与阴极析出的金属的物质的量、阳极放出的气体的物质的量之比为4︰2︰1时,电解质是_________________。
13.I.如图1所示,其中甲池的总反应为,回答下列问题:
(1)甲池燃料电池的负极反应式为_______________________。
(2)写出乙池中电解总反应的化学方程式:______________________。
(3)甲池中消耗224 mL(标准状况下),此时丙池中理论上最多产生_______________g沉淀,此时乙池中溶液的体积为400 mL,该溶液的pH=__________________。
Ⅱ.某同学利用甲醇燃料电池设计电解法制取漂白液或的实验装置如图2。若用于制漂白液,a为电池的_______________极,电解质溶液最好用______________。若用于制,使用硫酸钠溶液作电解质溶液,阳极选用______________作电极。
答案以及解析
1.答案:C
解析:判断某装置是否为电解池,要以构成电解池的三个基本条件为标准:①有与直流电源相连的两个电极;②有电解质溶液或熔融态电解质;③能形成闭合回路。
2.答案:C
解析:Ag与盐酸不反应,所以要使反应能进行,应该设计成电解池,Ag失电子发生氧化反应,Ag作阳极,氢离子得电子发生还原反应,电解质溶液中氢离子放电,则符合条件的是C。
3.答案:D
解析:依据放电顺序阴极先放电的是,故阴极开始析出的是Cu,A错误;阳极先放电的是,故阳极开始产生的是,B错误;开始时阴极反应为,,当电路中通过电子的物质的量达到0.2 mol时,放电完毕,阴极放电离子变为,C错误;阴离子先放电,然后是放电,在水溶液中不参与电极反应,D正确。
4.答案:C
解析:A极处加入,产生,硫元素化合价降低,发生还原反应,则A极为电解池阴极,B极为电解池阳极,A错误;B极区吸收5 mol,生成,硫元素化合价升高2价,转移电子5 mol×2=10 mol,根据得失电子守恒,则阴极也转移10 mol电子,,则A极区生成5 mol,B错误;B极区电解液为稀硫酸,电解过程中转化为,则电解一段时间后硫酸浓度增大,C正确;A极处加入,产生,电解过程中硫元素化合价降低,则A极的电极反应为,D错误。
5.答案:A
解析:当K闭合时,形成闭合电路,乙中Zn–Cu形成的原电池比甲中Fe–C形成的原电池产生的电压大,甲为电解池,乙为原电池,A错误;当K断开时,乙不能构成原电池,锌片和稀硫酸发生化学反应而溶解,有氢气产生,B正确;当K闭合后,乙为原电池,甲、丙、丁为电解池,③为负极,④为正极,故整个电路中电子的流动方向为③→②,①→⑧,⑦→⑥,⑤→④,C正确;当K闭合后,甲中有NaOH生成,溶液pH增大,乙中消耗,溶液pH增大,丙装置相当于在银上镀铜,溶液pH不变,D正确。
6.答案:BC
解析:电解除杂过程相当于电解水,阳极反应为,A正确;电解时,阴极反应为,氢离子浓度减小,溶液的pH增大,B错误;通过阳离子交换膜从阳极区移向阴极区,C错误;在阴极附近产生氢氧根离子,钾离子向阴极移动,所以除去杂质后氢氧化钾溶液从b出口导出,D正确。
7.答案:A
解析:题图甲构成原电池,题图乙为电解池,b极是正极,电极反应为,所以无气泡冒出,A错误;题图乙中d极上电极反应为,d极附近溶液呈碱性,酚酞遇碱变红,B正确;是原电池的负极,发生氧化反应,c是电解池的阳极,发生氧化反应,所以a、c极上都发生氧化反应,C正确;甲中的铁 是原电池的负极被腐蚀,而乙中的铁是电解池的阴极被保护,所以甲中的铁比乙中的铁更易被腐蚀,D正确。
8.答案:D
解析:该电解池中,电极b上生成臭氧和氧气,则为阳极,电极a为阴极,A正确;电极a上氧气得电子发生还原反应,电解质溶液呈酸性,所以电极反应式为,B正确;电极b上氢氧根离子失去电子生成氧气、臭氧的混合气体发生氧化反应,所以电解一段时间后电极b周围溶液的pH减小,C正确;标准状况下,当有5.6 L反应时,电极a上转移电子为,电极b上收集到和的混合气体4.48 L 即0.2 mol,设臭氧为,则电极b上收集到的氧气为,根据得失电子数相等得,,所以的体积分数为,D错误。
9.答案:C
解析:水发生失去电子的氧化反应生成氧气,所以a为电解池的阳极,A正确;由装置图可知,b电极上得电子生成CO,电极反应为,B正确;a电极反应为,每生成1mol,导线中转移4mol电子,若导线中转移2mol电子则生成0.5mol的体积不一定为11.2L,C错误;左侧阳极电极反应为,生成了,所以电解池工作时由质子交换膜的左侧向右侧迁移,D正确。
10.答案:C
解析:A. 电极B产生氯气,为阳极,C极产生锂,为阴极,电极B的电势比电极C高,故A正确;
B. 根据装置图知,电极B产生氯气,C极产生锂,总反应为:,而阳极生成的氯气与碳酸锂反应又生成氯化锂,根据氯原子守恒理论上该装置不需要补充电解质LiCl,故B正确;
C. 根据装置图知,电极B产生氯气,为阳极,反应式为,生成的氯气与碳酸锂反应生成氯化锂、二氧化碳和氧气,只有氯离子放电,故C错误;
D. 根据图示分析,A区生成的氯气与碳酸锂反应生成氯化锂、二氧化碳和氧气,该方法设计的A区能避免熔融碳酸锂对设备的腐蚀和因氯气逸出对环境的污染,故D正确;
11.答案:C
解析:左池是原电池,其中Pb是负极失去电子,是正极,溶液中的向正极移动,即向极移动;右池是电解池,其中Al是阳极,Pb是阴极,电解质溶液是稀硫酸,溶液中的向阴极移动,即向Pb极移动,A错误。每消耗3 mol Pb,即转移6 mol电子,2Al~ ~6 mol电子,根据得失电子守恒可知,生成1 mol,B错误。原电池中铅作负极,负极上铅失电子和硫酸根离子反应生成难溶性的硫酸铅,所以质量增加,在电解池中,Pb是阴极,阴极上氢离子得电子生成氢气,所以铅电极质量不变,C正确。原电池正极上二氧化铅得电子生成硫酸铅,电极反应式为,D错误。
12.答案:(1) (2) (3)NaCl (4)
解析:惰性电极电解电解质溶液的类型有电解水型、电解电解质型、放氢生碱型和放氧生酸型。再根据阴、阳离子在溶液中的放电顺序判断。
(1)阴极有生成,阳极有生成,实质为电解水,故电解质是活泼金属的含氧酸盐,即。
(2)实质为放氧生酸型,即电解质为不活泼金属的含氧酸盐,即。
(3)实质为放氢生碱型,即电解质为活泼金属的无氧酸盐,即NaCl。
(4)由阳极生成气体和通过电子的物质的量之比为1︰4可知,阳极产生的气体为,1 mol 转移4 mol电子,析出金属与通过电子的物质的量之比为1︰2,故金属离子为+2价,即,故为。
13.答案:I.(1)
(2)
(3)1.16;1
Ⅱ.负;饱和食盐水;铁(Fe)
解析:I.(1)甲醇燃料电池中,甲醇在负极发生氧化反应,在碱性环境下变为碳酸根离子,由此书写电极反应式。
(2)乙池为电解池,石墨作阳极,银作阴极,电解足量溶液的化学方程式为。
(3)丙池中用惰性电极电解氯化镁溶液,总反应为。甲池为原电池,总反应为,根据串联电路转移电子数相等可知:,,消耗0.01 mol最终产生0.02 mol,质量为0.02 mol×58 g/mol=1.16 g;乙池总反应为,甲池转移电子为0.04 mol,根据关系式求出溶液中硫酸的浓度,从而求出溶液中的氢离子的浓度。
Ⅱ.用惰性电极电解饱和食盐水,阳极产生氯气,阴极产生氢气,同时生成氢氧化钠溶液,氯气与氢氧化钠溶液反应生成次氯酸钠和氯化钠,所以a为电池的负极,A处生成氢氧化钠溶液,B处产生氯气,直接反应得到漂白液;要产生,硫酸钠溶液作电解质溶液,阳极材料为铁,失电子变为亚铁离子。
化学第二节 电解池第1课时随堂练习题: 这是一份化学第二节 电解池第1课时随堂练习题,共6页。试卷主要包含了下图为以惰性电极进行电解的装置等内容,欢迎下载使用。
人教版 (2019)选择性必修1第二节 电解池第1课时课后练习题: 这是一份人教版 (2019)选择性必修1第二节 电解池第1课时课后练习题,共9页。试卷主要包含了选择题,非选择题等内容,欢迎下载使用。
2020-2021学年第二节 电解池第1课时课时练习: 这是一份2020-2021学年第二节 电解池第1课时课时练习,共3页。

