 
 
 
高中物理人教版 (2019)必修 第二册4 宇宙航行教学设计及反思
展开
这是一份高中物理人教版 (2019)必修 第二册4 宇宙航行教学设计及反思,共7页。教案主要包含了单元等内容,欢迎下载使用。
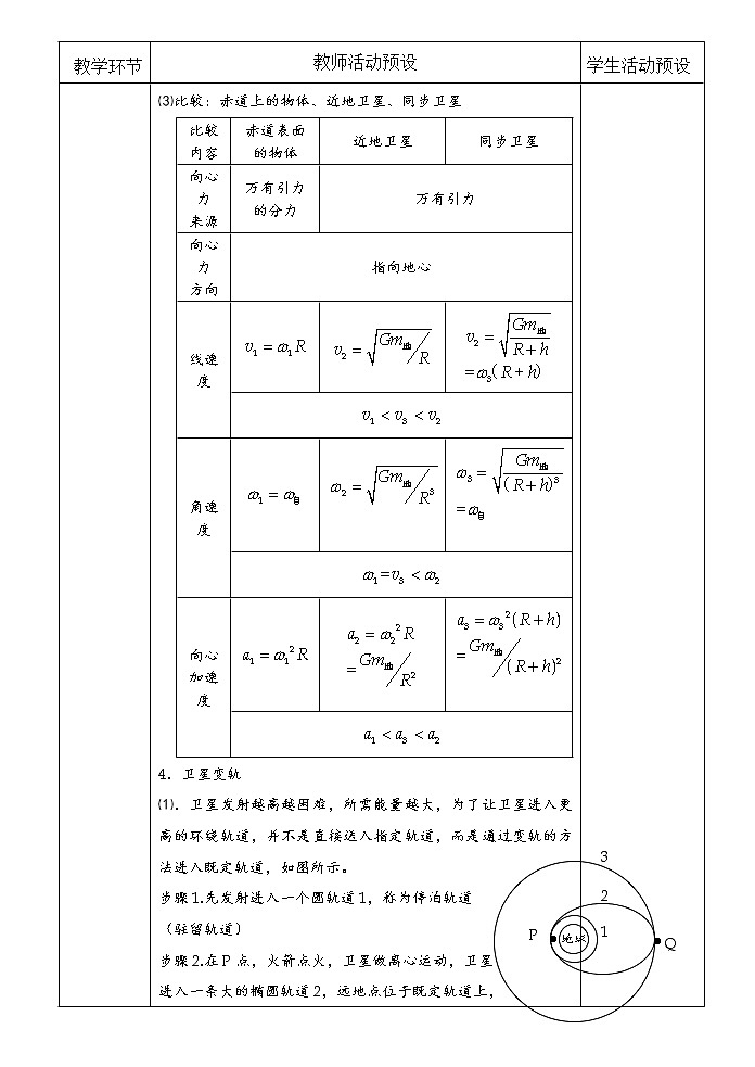
     课 时 教 案第 七 单元                     第  5  案                    总第    案课题: §7.4.2 宇宙航行                              2022年     月     日教学目标 核心素养物理观念:能正确描述和解释人造地球卫星的运行规律;科学思维:能运用物理模型,对卫星的发射原理进行分析和推理;科学探究:能依据卫星发射原理,制定合力探究路线,分析数据发现规律;科学态度与责任:卫星发射是人类宇宙奥秘探索的过程,增强民族自信心自豪感。教学重点1. 同步卫星的特点2. 多星系统、变轨问题3. 教学难点1. 变轨原理2. 向心力的来源3. 赤道物体、近地卫星、同步卫星的异同点高考考点 课  型新授教  具 教  法 教    学    过    程教学环节教师活动预设学生活动预设 复习引入:1.万有引力定律的内容,表达式2.天体运动中,万有引力与向心力的关系。3.第一宇宙速度和环绕速度的关系。4.v、ω、T、a与轨道半径r的关系。本节课接着上节课内容继续学习同步卫星及其发射原理。3.同步卫星⑴.定义:相对地面静止,与地球以相同的角速度转动的卫星。也称静止卫星。⑵.特征①运行方向与地球自转方向一致;  在练习本上写出关系,教师投影,学生纠正。教学环节教师活动预设学生活动预设   ②运行周期(角速度)与地球自转周期(角速度)相同, ③轨道平面与赤道平面重合,卫星均在赤道正上方;④高度固定不变(36000km,约为地球半径的6倍);⑤环绕线速度一定(3100m/s)。例1.如图,A是地球赤道上随地球自转的物体,其向心加速度大小为a1,线速度大小为v1,B是绕地球做匀速圆周运动的近地卫星,向心加速大小为a2,第一宇宙速度为v2;C是地球同步卫星,其轨道半径为r,向心加速度大小为a3,线速度大小为v3,已知地球半径为R,下列说法正确的是(  )A.        B.   C.        D.  解析:让学生理清三个位置的特征是解题的关键,特别是赤道上的物体和同步卫星的共同点;近地卫星和同步卫星的共同点,由此得出赤道上物体和近地卫星的线速度关系和加速度关系。变式:比较A、B、C三者的线速度、角速度、周期、加速度的大小关系正确的是( ABD )。A.         B. C.         D. 例2.下列关于同步通信卫星的说法正确的是(  )A.各国发射的地球同步卫星的高度和速率都是相等的B.同步通信卫星的角速度虽然确定,但高度和速率可以选择,高度增加,速率增大,高度降低,速率减小,仍同步C.我国发射的第一颗人造地球卫星的周期是114min,它的高度比同步卫星低D.同步通信卫星的速率比我国发射的第一颗人造地球卫星速率小学生在练习本上求解高度和线速度。要会分析卫星为什么一定在赤道正上方。(作图分析原因)教学环节教师活动预设学生活动预设                       ⑶比较:赤道上的物体、近地卫星、同步卫星比较内容赤道表面的物体近地卫星同步卫星向心力来源万有引力的分力万有引力向心力方向指向地心线速度   角速度向心加速度 4.卫星变轨⑴.卫星发射越高越困难,所需能量越大,为了让卫星进入更高的环绕轨道,并不是直接送入指定轨道,而是通过变轨的方法进入既定轨道,如图所示。步骤1.先发射进入一个圆轨道1,称为停泊轨道(驻留轨道)步骤2.在P点,火箭点火,卫星做离心运动,卫星进入一条大的椭圆轨道2,远地点位于既定轨道上,此轨道称为转移轨道。步骤3.在远地点Q,开动发动机,使之进入既定轨道3。  教学环节教师活动预设学生活动预设                       问题.P点卫星在轨道1和2上的加速度为a1、a2,速度为v1、v2,Q点轨道2和3上的加速度为a3、a4,速度为v3、v4,比较加速度和速度的大小关系。解:①轨道1和轨道2在P点离地心的距离r1相等,此点加速度为向心加速度,根据  知 a1=a2。轨道2和轨道3在Q点离地心的距离r2相等,此点加速度为向心加速度,根据  知 a3=a4。因为r1<r2,所以 ②P点在轨道1需加速才能进入轨道2,所以v1<v2,Q点在轨道2需加速才能进入轨道3,所以v3<v4,P为近地点,Q为远地点,所以v2>v3,根据 得轨道3半径大于轨道1半径,所以v1>v4,故速度大小关系:v2.>v1> v4> v3例.同步卫星的发射方法是变轨发射,即先把卫星发射到离地面高度为200 km--300 km的圆形轨道上,这条轨道叫停泊轨道;如图所示,当卫星穿过赤道平面上的P点时,末级火箭点火工作,使卫星进入一条大的椭圆轨道,其远地点恰好在地球赤道上空约36000 km处,这条轨道叫转移轨道;当卫星到达远地点Q时,再开动卫星上的发动机,使之进入同步轨道,也叫静止轨道.关于同步卫星及发射过程,下列说法正确的是(  )A.在P点火箭点火和Q点开动发动机的目的都是使卫星加速,因此,卫星在静止轨道上运行的线速度大于在停泊轨道运行的线速度。B.卫星在静止轨道上运行的周期大于在转移轨道运行的周期C.卫星在转移轨道上运动速度大小范围为7.9 km/s~ll.2 km/s 教学环节教师活动预设学生活动预设                        D.卫星在转移轨道经过Q点时的加速度小于它在静止轨道上经过Q点时的加速度。⑵.变轨运行分析①卫星在圆轨道稳定运行时,万有引力定律恰好提供向心力。②线速度增加时,所需要的向心力增加,万有引力不足以提供卫星做圆周运动的向心力,卫星将做离心运动,脱离原来的圆轨道进入椭圆运动;线速度减小时,所需向心力减小,万有引力大于所需要的向心力,卫星将做近心运动,脱离原来的圆轨道进入椭圆轨道。⑶实例分析(飞船对接)①低轨道飞船对接高轨道目标飞船。低轨飞船合理加速做离心运动,追上高轨目标飞船完成对接。②飞船和目标飞船同轨道。飞船加速会做离心运动,不可能追上。通常先使飞船减速降低高度,在加速提升高度,适当控制完成对接。5.双星或多星1.定义:指两颗星球在其之间万有引力的作用下,绕其连线上某一点做圆周运动,两星球的轨迹为同心圆。2.特征:①两星球做圆周运动的向心力大小相等 ②两星球的角速度相等     ③半径之和等于其间距分析:设两星球质量分别为m1 、m2,间距L,围绕连线中间某位置做匀速圆周运动,可得:       ①          ②两式联立得:           ③                               即:两星球的质量与环绕半径成反比。教学环节教师活动预设学生活动预设      ④两式联立得:        将r1或带入①或②   得: 例:天体运动中,有一种三星系统,由三颗质量相等的恒星组成等边三角形,他们绕三角形的中心匀速转动,已知某三星系统远离其它星体,可以认为它们与其它星体的作用力为零,它们之间的距离均为r,绕中心转动周期为T,每颗星均可看做质点,试求三颗星的总质量。解:设每颗星的质量为m,运行半径R,由       得:对任一星球,受力如图所示。由万有引力定律得: 化简得: 所以三个星的总质量五、载人航天与太空探索教师引导学生阅读教材相关内容,了解人类对太空探索历程,特别是我国近年来在航天事业上取得的新成就。  小结:作业:                              课后阅读教材P62-63内容,了解航天是也对我们生活的改变。 
相关教案
这是一份高中人教版 (2019)4 宇宙航行教案,共10页。教案主要包含了学习任务,新知探究,课堂小结,学习效果等内容,欢迎下载使用。
这是一份人教版 (2019)必修 第二册4 宇宙航行教案,共2页。教案主要包含了精准讲解,重点等内容,欢迎下载使用。
这是一份人教版高中物理必修2《5.宇宙航行》教学设计,共5页。教案主要包含了【教材分析及在高考中的地位】,【学情分析】,【教学重点】,【教学难点】,【学习目标】,【探究案】,【当堂检测】等内容,欢迎下载使用。
 
 
 
 
 
 
 
 
 
 


