浙江专用高考生物一轮复习考点06光合作用含解析
展开
这是一份浙江专用高考生物一轮复习考点06光合作用含解析,共28页。
考点06 光合作用
【重要考向】
一、叶绿体色素的种类及提取与分离;
二、光合作用的原理及其应用;
三、环境因素影响光合速率
叶绿体色素的种类及提取与分离
一、叶绿素和其他色素
1.叶绿体中的色素
(1)分布:在类囊体的膜上(叶绿体基粒上)。
(2)种类
2.色素颜色与光的关系:其中叶绿素主要吸收红光和蓝紫光,几乎不吸收绿光,类胡萝卜素主要吸收蓝紫光。
3.叶绿体中的色素及色素的吸收光谱
由图可以看出:(1)叶绿体中的色素只吸收可见光,而对红外光和紫外光等不吸收。
(2)叶绿素对红光和蓝紫光的吸收量大,类胡萝卜素对蓝紫光的吸收量大,对其他波段的光并非不吸收,只是吸收量较少。
3.色素的功能:吸收、传递和转化光能。
4.色素与叶片的颜色
(1)生长旺盛时,叶片颜色为绿色,类胡萝卜素的颜色常被叶绿素掩盖。
(2)深秋时,叶片变黄色,原因是气候变冷,叶绿素的合成速度变慢或停止,类胡萝卜素的颜色显露出来。
二、光合色素的提取与分离
1.原理
(1)提取原理:绿叶中的光合色素能溶解在有机溶剂95%的乙醇中。
(2)分离原理:不同色素在层析液中的溶解度不同,溶解度高的随层析液在滤纸上扩散得快,反之则慢。
2.实验流程
提取色素:新鲜叶片烘干粉碎后,取2 g放入研钵中加入少量SiO2、CaCO3和2~3 mL 95%的乙醇→放入研钵→研磨→过滤→收集到试管内并塞紧管口
↓
制备滤纸条
↓
画滤液细线
↓
色素分离
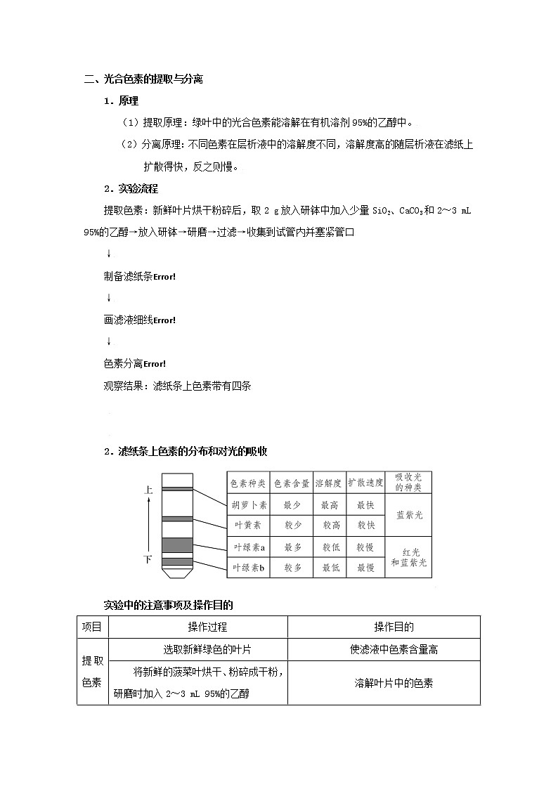
观察结果:滤纸条上色素带有四条
2.滤纸条上色素的分布和对光的吸收
实验中的注意事项及操作目的
项目
操作过程
操作目的
提取色素
选取新鲜绿色的叶片
使滤液中色素含量高
将新鲜的菠菜叶烘干、粉碎成干粉,研磨时加入2~3 mL 95%的乙醇
溶解叶片中的色素
研磨时加入少许的二氧化硅和碳酸钙
研磨充分和保护叶绿素
迅速充分研磨
防止溶剂挥发并充分溶解色素
盛放滤液的小试管口加棉塞
防止色素分子被氧化
分离色素
滤纸条预先干燥处理
使层析液在滤纸条上的扩散速度快
滤纸条的一端剪去两角
防止层析液在滤纸条的边缘处扩散过快
滤液细线要细、齐、直
使分离的色素带平齐,不重叠
滤液细线干燥后重复画3~4次
使分离的色素带清晰便于观察
滤液细线不能触及层析液
防止色素直接溶解到烧杯内的层析液中
【典例】
1.下列有关光合色素及其提取和分离实验,叙述正确的是
A.可利用层析液对叶绿体中的色素进行提取
B.叶绿素 a 位于滤纸条的最下端,颜色为蓝绿色
C.类胡萝卜素是叶绿体中许多种黄色、橙色、红色色素的合称
D.通过纸层析法,分离得到的色素条带会因层析液挥发而消失
2.如图是新鲜绿叶的四种光合色素在滤纸上分离的情况,以下说法正确的是
A.提取色素时加入碳酸钙是为了防止滤液挥发
B.水稻在收获时节,叶片中色素量的变化是(甲+乙)<(丙+丁)
C.四种色素都能溶解在层析液中,乙色素的溶解度最大
D.四种色素中,丙和丁主要吸收红光
1C【解析】叶绿体色素的提取的原理是色素溶于有机溶剂而不溶于水.分离实验的原理是不同的色素在层析液中溶解度不同,所以扩散速度也不同。
可利用层析液对叶绿体中的色素进行分离,用有机溶剂如无水乙醇进行色素的提取,A错误;叶绿素 b位于滤纸条的最下端,B错误;类胡萝卜素是叶绿体中许多种黄色、橙色、红色色素的合称,如胡萝卜素、叶黄素,C正确;分离得到的色素条带不会因层析液挥发而消失,D错误。
2B【解析】绿叶中色素随层析液在滤纸上扩散速度不同,从而分离色素,溶解度大,扩散速度快,溶解度小,扩散速度慢;故滤纸条上甲~丁依次是:叶绿素b、叶绿素a、叶黄素、胡萝卜素,据此分析。提取色素时加入碳酸钙是为了防止叶绿素分解,A错误;水稻在秋季收获,此时叶片变黄,叶绿素总量降低,类胡萝卜素含量增加,故叶片中色素量的变化是(甲+乙)<(丙+丁),B正确;四种色素都能溶解在层析液中,其中丁的扩散距离最远,丁色素的溶解度最大,C错误;由图可知甲为叶绿素b、乙为叶绿素a、丙为叶黄素、丁为胡萝卜素,丙和丁主要吸收蓝紫光,D错误。
光合作用的原理及其应用
一、光合作用概述
1.概念
指绿色植物通过叶绿体,利用光能,把CO2和H2O转化成贮存着能量的有机物,并且释放出氧气的过程。
2.总反应式
6CO2+12H2OC6H12O6+6H2O+6O2。
3.光合作用的过程
二、光反应和碳反应
1.光反应
(1)过程
①光能被吸收并转化为ATP和NADPH中的化学能。
②水在光下裂解为H+、O2和电子。
③水中的氢(H++e-)在光下将NADP+还原为NADPH。
(2)场所:类囊体膜中。
(3)反应物:H2O、ADP、Pi、NADP+等。
(4)生成物:O2、NADPH、ATP等。
(5)条件:色素、光、酶。
(6)能量变化:光能→ATP与NADPH中的化学能。
2.碳反应
(1)过程
①CO2的固定:CO2+RuBP→2三碳酸分子。
②2三碳酸分子2三碳糖。
(2)场所:叶绿体基质。
(3)反应物:CO2、ATP、NADPH等。
(4)产物:三碳糖
(5)能量变化:ATP、NADPH中的化学能―→三碳糖中的化学能。
3.联系:光反应为碳反应提供NADPH、ATP,碳反应为光反应提供ADP、Pi和NADP+,如图所示。
光反应与碳反应的比较
比较项目
光反应
碳反应
场所
类囊体膜
叶绿体基质
时间
短促,以微秒计
较缓慢
条件
光、色素、酶、水
多种酶、CO2、NADPH、ATP
过程
利用光能使水光解产生O2,同时产生ATP和NADPH
将CO2还原为糖的一系列反应
物质变化
①水的光解:H2O2H++2e-+O2
②ATP的合成:ADP+Pi+能量ATP
③NADPH的合成:NADP++H++2e-NADPH
①CO2的固定:CO2+RuBP2个三碳酸分子
②三碳酸分子的还原:
2个三碳酸分子2个三碳糖
③RuBP的再生:三碳糖RuBP
能量变化
光能―→ATP、NADPH中活跃的化学能
活跃的化学能―→有机物中稳定的化学能
完成标志
O2释放、ATP和NADPH的生成
糖类等有机物的生成
联系
光反应能为碳反应提供ATP、NADPH、碳反应为光反应提供ADP、Pi、NADP+。二者紧密联系,缺一不可
示意图
【典例】
1.如图为大豆叶片光合作用碳反应阶段的示意图。下列叙述正确的是
A.CO2的固定实质上是将ATP中的化学能转变为三碳酸分子中的化学能
B.CO2可直接被NADPH还原,再经过一系列的变化形成糖类
C.被还原的三碳酸分子在相关酶的催化作用下,可再形成RuBP
D.光强度由强变弱时,短时间内RuBP含量会升高
2.光合作用的作用光谱代表各种波长下植物的光合作用效率,图 1 为正常绿色植物的叶绿素 a 的作用光谱,图 2 表示卡尔文循环的基本过程。据图回答下列问题:
(1)根据叶绿素 a 的作用光谱,可知____(填“红”、 “蓝紫”)光的光合作用效率高。若绘制叶绿素 a 的吸收光谱,则以___________为横坐标,以_________为纵坐标。
(2)图 2 中的乙为______,乙 → 丙的过程需要光反应中产生_______。卡尔文循环产生的中间产物是维持循环所必需的,当RuBP含量低时,最初形成的三碳糖都用于RuBP的增生,有利于_____________________________________________________。
(3)RuBP 含量增加会提高卡尔文循环的速率直至达到稳定。达到稳定时,图2中?处物质的数目为___________。
1C【解析】ATP中的能量转化到有机物中成为稳定的化学能,不参与CO2的固定,A项错误;在碳反应中,绿叶通过气孔从外界吸收进来的二氧化碳不能直接被还原,它首先与RuBP结合形成三碳酸分子,三碳酸分子接受ATP释放的能量并被NADPH还原,再经一系列变化形成糖类,在该过程中一部分三碳糖形成RuBP,B项错误;三碳酸分子被NADPH还原后可再形成RuBP,此过程中需要酶参与,C项正确;光强度由强变弱时,会造成NADPH和ATP在短时间内减少,RuBP的合成速率下降,而其分解速率不变,所以RuBP的含量会下降,D项错误。
2(1)蓝紫 (光的)波长 叶绿素a对不同波长光的吸收率
(2)三碳酸(3—磷酸甘油酸) ATP和NADPH 加速CO2的固定(加速CO2的同化、加快光合作用)(3)25
【解析】根据光合作用过程分析,叶绿体色素吸收光能用于光反应阶段并产生氧气,因此图1中氧气的释放速率代表了光合速率,图中显示叶绿素a的吸收值有两个波峰,主要集中于红光和蓝紫光区;图2中甲是二氧化碳,乙是三磷酸(3—磷酸甘油酸),丙是三碳糖。
(1)据图分析,叶绿素a对蓝紫光的作用光谱的峰值更高,说明蓝紫光的光合作用效率高;若绘制叶绿素 a 的吸收光谱,则应该以波长为横坐标,以叶绿素a对不同波长光的吸收率为纵坐标。
(2)根据以上分析已知图2中乙是三磷酸(3—磷酸甘油酸),其还原生成三碳糖的过程需要光反应提供ATP和NADPH。最初形成的三碳糖都用于RuBP的增生,有利于加快CO2的固定。
(3)每3个CO2进入卡尔文循环形成6个三碳糖,其中5个三碳糖再生成3个C5,另外1个三碳糖则离开卡尔文循环,转变成糖类等有机物。因此达到稳定时,图2中?处物质的数目为25个。
环境因素影响光合速率
一、光合速率(又称光合强度)
1.含义:一定量的植物(如一定的叶面积)在单位时间内进行多少光合作用(如释放多少氧气、消耗多少二氧化碳)。
2.表示方法:产生氧气量/单位时间或消耗二氧化碳量/单位时间。
二、环境因素对光合速率的影响
1.光强度对光合速率的影响
①图像分析:A点时,只进行细胞呼吸;AB段随着光强度的增强,光合作用强度也增强,但仍小于细胞呼吸强度;B点时,光合作用强度等于细胞呼吸强度即光补偿点;BC段随着光强度的增强,光合作用强度增强;C点对应的光强度为光饱和点,限制C点的环境因素可能有温度或二氧化碳浓度等。
②下面的四幅图表示A点、AB段、B点和B点之后的O2和CO2转移方向,但顺序已打乱,请具体填出对应区段。
③应用分析:欲使植物正常生长,则必须使光强度大于光补偿点;适当提高光强度可增加大棚作物产量。
2.CO2浓度
①图像分析:图1中纵坐标表示净光合速率,A点表示光合速率等于细胞呼吸速率时的CO2浓度,即CO2补偿点,而图2中纵坐标表示总光合速率,A′点表示进行光合作用所需CO2的最低浓度;两图中的B和B′点都表示CO2饱和点,两图都表示在一定范围内,光合速率随CO2浓度增加而增大。
②应用分析:大气中的CO2浓度处于OA′段时,植物无法进行光合作用;在农业生产中可通过“正其行,通其风”和增施农家肥等措施增加CO2浓度,提高光合速率。
3.温度
①原理分析:通过影响酶活性进而影响光合作用。
②图像分析:低温导致酶的活性降低,引起植物的光合速率降低,在一定范围内(AB段)随着温度的升高酶活性升高进而引起光合速率也增强;B点为酶的最适温度,光合速率最大;BC段随温度升高,酶的活性下降,植物光合速率降低。
③应用分析:温室中白天调到光合作用最适温度,以提高光合速率;晚上适当降低温室的温度,以降低细胞呼吸,保证植物有机物积累。
三、探究光强度对光合作用的影响
1.实验假设:一定范围内,光合速率随光强度的增加而增强。
2.实验过程
①组装下图装置三套,编号为甲、乙、丙;
②分别向三支试管内加入等量的小球藻和5%的NaHCO3溶液;
③记录有色液滴的起始位置;
④取三只100 W灯泡,分别置于距甲、乙、丙10 cm、20 cm、50 cm处,一段时间后,记录液滴位置。
3.变量分析
①自变量:光强度,通过100 W灯泡距实验装置的距离远近控制。
②因变量:光合速率,通过单位时间内O2的释放量测定,以单位时间内有色液滴的移动距离作为检测指标。
③无关变量:各组实验植物(如金鱼藻、小球藻)的数量相同,温度、CO2浓度相同。
4.实验拓展
①设置温度作为自变量
用上述装置探究温度对光合速率的影响,可通过将试管分别置于装有不同温度水的烧杯中控制自变量——温度;
②设置CO2浓度作为自变量
用上述装置探究CO2浓度对光合作用的影响,可通过往试管内分别加入不同浓度的NaHCO3溶液来控制自变量——CO2浓度。
【典例】
1.以相同树龄的三个不同品种梨树为实验材料,研究在同等自然条件下、喷施不同浓度尿素溶液对梨树某一特定生长期叶片光合速率的影响,统计得到光合速率增长率如图所示。
据图分析,下列叙述正确的是
A.喷施0.5%尿素溶液提高了梨树叶片的光反应速率和碳反应速率
B.喷施1.0%尿素溶液的条件下,叶片光合速率最大的是梨树品种甲
C.适当增大光强度可提高梨树叶片的光饱和点来增大光合速率
D.梨树品种丙更适合在氮元素相对贫瘠的地区栽种
2.如图为在最适温度和光强度下,测得甲、乙两种植物的光合速率随环境中CO2浓度的变化情况。下列说法中,不正确的是
A.植物乙比植物甲对CO2浓度更敏感
B.当CO2吸收量为c时,植物甲与植物乙合成有机物的量相等
C.d点时植物甲细胞内产生ATP的结构有细胞溶胶、线粒体、叶绿体
D.适当降低光强度,b点将向右移动
1A【解析】由图可知,与对照组相比,在施加尿素溶液后,甲、乙、丙三个梨树品种的净光合速率增长率均增大了,其中品种甲增加最为明显。且随着尿素溶液的浓度增大,净光合速率增长率增加的较大。
N是合成光合色素、酶等的原料,喷施0.5%尿素溶液提高了梨树叶片的光反应速率和碳反应速率,进而提高了光合速率增长率,A正确;由图可知,喷施1.0%尿素溶液的条件下,叶片光合速率增长率最大的是梨树品种甲,由于不同品种的光合速率不同,所以不是叶片光合速率最大的是梨树品种甲,B错误;适当增大光强度不能提高梨树叶片的光饱和点,C错误;施加尿素溶液后甲组光合速率增长率最大,所以梨树品种甲更适合在氮元素相对贫瘠的地区栽种,D错误。
2B【解析】由图可知,环境中CO2浓度升高到一定程度后,植物乙的CO2吸收量降低幅度较大,植物甲的CO2吸收量基本保持不变,可见植物乙比植物甲对CO2浓度更敏感,A项正确;当CO2吸收量为c时,植物甲与植物乙的净光合速率相等,由于植物甲比植物乙的呼吸速率大,由真正光合速率=净光合速率+呼吸速率可知,植物甲合成有机物的量比植物乙多,B项错误;d点时植物甲细胞既进行光合作用,又进行细胞呼吸,因此产生ATP的结构有细胞溶胶、线粒体、叶绿体,C项正确;根据题意可知,图中曲线是在最适光强度条件下测得的,因此若光强度减弱,CO2吸收量降低,b点时光合作用强度与细胞呼吸强度相等,降低光强度后,需要环境中提供较高浓度的CO2才能使光合作用强度与呼吸作用强度相等,因此b点将向右移动,D项正确。
跟踪训练
1.光合作用碳反应中,与CO2固定有关的物质是
A.水
B.NADPH
C.ATP
D.核酮糖二磷酸
2.叶绿体中吸收光能的色素分布于( )
A.叶绿体的类囊体膜上 B.叶绿体的外膜上
C.叶绿体的内膜上 D.叶绿体的基质中
3.下图甲表示水稻的叶肉细胞在光照强度分别为A、B、C、D时,单位时间内CO2释放量和O2产生总量的变化。图乙表示蓝藻光合速率与光照强度的关系,下列说法正确的是( )
A.图甲中,光照强度为B时,光合速率等于呼吸速率
B.图甲中,光照强度为D时,单位时间内细胞从周围吸收2个单位的CO2
C.图乙中,当光照强度为X时,细胞产生ATP的场所有细胞质基质、线粒体和叶绿体
D.图乙中,限制E、F、G点光合作用速率的因素主要是光照强度
4.为了探究在自然光(即白光,W)中添加远红光(FR,波长为700-800mm)对植物生长的影响,研究人员以温室番茄为材料做了相关实验,并测定有关实验数据如下图,下列分析错误的是( )
A.图1中的②处比①处的ATP和ADP的转换速率高
B.适当延长光照时间可以提高光合速率,从而提高番茄的产量
C.添加远红光,净光合速率下降,但番茄产量却可能增加
D.添加远红光反而会使番茄净光合速率下降可能原因是色素对光能吸收率下降
5.研究人员利用人工诱变筛选出一株莲藕突变体,其叶绿素含量仅为野生型莲藕的一半。如图表示在适宜温度时不同光照强度下该突变体和野生莲藕的净光合速率。下列叙述错误的是( )
A.光照强度低于a时,突变体的光反应强度低于野生型
B.光照强度处于a时,突变型和野生型莲藕叶绿体固定CO2速度不同
C.光照强度低于a时,限制突变型光合速率的主要环境因素是光照强度
D.当光照强度为2000lx时,突变体莲藕每分钟产生的葡萄糖为2.4×102μmnol/m²
6.在高光强环境下,将某突变型植株与野生型植株分别施以低氮肥和高氮肥,一段时间后,测定其叶绿素和 Rubisco 酶(该酶催化CO2和 RuBP 反应)的含量,结果如图所示。
请回答:
(1)实验表明,突变型的________含量比野生型低,采用_____法分离突变型植株叶片色素,与野生型相比滤纸条上有的色素带颜色变浅。分离时,应注意滤纸条上的滤液细线要__________(高、低)于层析液的液面,滤纸条上最宽色素带所含的色素是_________。
(2)氧气在________________反应中产生,同时光能被转化为ATP和NADPH 中的活跃的__________。
(3)高氮肥下,突变型植株的光合速率大于野生型植株。结合实验结果分析,限制野生型植株光合速率的因素是___________________。
(4)卡尔文循环过程中,RuBP 与__________________结合形成六碳分子,六碳分子分解成三碳酸。三碳酸还原为三碳糖。 _________________(大/小)部分运至叶绿体外,转变为_______________(淀粉/蔗糖)。
真题再现
1. (2021浙江6月选考)渗透压降低对菠菜叶绿体光合作用的影响如图所示,图甲是不同山梨醇浓度对叶绿体完整率和放氧率的影响,图乙是两种浓度的山梨醇对完整叶绿体 ATP 含量和放氧量的影响。CO2以HCO3-形式提供,山梨醇为渗透压调节剂,0.33 mol·L-1时叶绿体处于等渗状态。据图分析,下列叙述错误的是( )
A.与等渗相比,低渗对完整叶绿体 ATP合成影响不大,光合速率大小相似
B.渗透压不同、叶绿体完整率相似的条件下,放氧率差异较大
C.低渗条件下,即使叶绿体不破裂,卡尔文循环效率也下降
D.破碎叶绿体占全部叶绿体比例越大,放氧率越低
2.(2020浙江7月选考)将某植物叶片分离得到的叶绿体,分别置于含不同蔗糖浓度的反应介质溶液中,测量其光合速率,结果如图所示。图中光合速率用单位时间内单位叶绿素含量消耗的二氧化碳量表示。下列叙述正确的是( )
A.测得的该植物叶片的光合速率小于该叶片分离得到的叶绿体的光合速率
B.若分离的叶绿体中存在一定比例的破碎叶绿体,测得的光合速率与无破碎叶绿体的相比,光合速率偏大
C.若该植物较长时间处于遮阴环境,叶片内蔗糖浓度与光合速率的关系与图中B-C段对应的关系相似
D.若该植物处于开花期,人为摘除花朵,叶片内蔗糖浓度与光合速率的关系与图中A-B段对应的关系相似
3.(2020浙江7月选考)以洋葱和新鲜菠菜为材料进行实验。回答下列问题:
(1)欲判断临时装片中的洋葱外表皮细胞是否为活细胞,可在盖玻片的一侧滴入质量浓度为0.3 g/mL的蔗糖溶液,用吸水纸从另一侧吸水,重复几次后,可根据是否发生__________现象来判断。
(2)取新鲜菠菜叶片烘干粉碎,提取光合色素时,若甲组未加入碳酸钙,与加入碳酸钙的乙组相比,甲组的提取液会偏__________色。分离光合色素时,由于不同色素在层析液中的溶解度不同及在滤纸上的吸附能力不同,导致4种色素随层析液在滤纸条上的__________不同而出现色素带分层的现象。若用不同波长的光照射叶绿素a提取液,测量并计算叶绿素a对不同波长光的吸收率,可绘制出该色素的__________。
(3)在洋葱根尖细胞分裂旺盛时段,切取根尖制作植物细胞有丝分裂临时装片时,经染色后,__________有利于根尖细胞的分散。制作染色体组型图时,通常选用处于有丝分裂__________期细胞的染色体,原因是__________。
4.(2021浙江6月选考)(8分)不同光强度下,无机磷浓度对大豆叶片净光合速率的影响如图甲;16h光照,8h黑暗条件下,无机磷浓度对大豆叶片淀粉和蔗糖积累的影响如图乙。回答下列问题:
(1)叶片细胞中,无机磷主要贮存于__________,还存在于细胞溶胶、线粒体和叶绿体等结构,光合作用过程中,磷酸基团是光反应产物__________的组分,也是卡尔文循环产生并可运至叶绿体外的化合物__________的成分。
(2)图甲的 O~A 段表明无机磷不是光合作用中__________过程的主要限制因素。由图乙可知,光照下,与高磷相比,低磷条件的蔗糖和淀粉含量分别是_________;不论高磷、低磷,24h内淀粉含量的变化是__________。
(3)实验可用光电比色法测定淀粉含量,其依据是______________________________________________。为确定叶片光合产物的去向,可采用__________法。
5.(2021浙江1月选考)现以某种多细胞绿藻为材料,研究环境因素对其叶绿素a含量和光合速率的影响。实验结果如下图,图中的绿藻质量为鲜重。
回答下列问题:
(1)实验中可用95%乙醇溶液提取光合色素,经处理后,用光电比色法测定色素提取液的_________,计算叶绿素a的含量。由甲图可知,与高光强组相比,低光强组叶绿素a的含量较_________,以适应低光强环境。由乙图分析可知,在_________条件下温度对光合速率的影响更显著。
(2)叶绿素a的含量直接影响光反应的速率。从能量角度分析,光反应是一种_________反应。光反应的产物有_________和O2。
(3)图乙的绿藻放氧速率比光反应产生O2的速率_________,理由是_________。
(4)绿藻在20℃、高光强条件下细胞呼吸的耗氧速率为30μmol·g-1·h-1,则在该条件下每克绿藻每小时光合作用消耗CO2生成________μmol的3-磷酸甘油酸。
6.(2019浙江4月选考)回答与光合作用有关的问题:
(1)在“探究环境因素对光合作用的影响”活动中,正常光照下,用含有0.1%CO2的溶液培养小球藻一段时间。当用绿光照射该溶液,短期内小球藻细胞中3-磷酸甘油酸的含量会______。为3-磷酸甘油酸还原成三碳糖提供能量的物质是______。若停止CO2供应,短期内小球藻细胞中RuBP的含量会______。研究发现 Rubisco酶是光合作用过程中的关键酶,它催化CO2被固定的反应,可知该酶存在于叶绿体______中。
(2)在“光合色素的提取与分离”活动中,提取新鲜菠菜叶片的色素并进行分离后,滤纸条自上而下两条带中的色素合称为______。分析叶绿素a的吸收光谱可知,其主要吸收可见光中的______光。环境条件会影响叶绿素的生物合成,如秋天叶片变黄的现象主要与_____抑制叶绿素的合成有关。
模拟检测
1.为研究强光照对移栽幼苗光合色素的影响,某同学用乙醇提取叶绿体色素,用石油醚进行纸层析,如图为滤纸层析的结果(Ⅰ、Ⅱ、Ⅲ、Ⅳ为色素条带)。下列叙述正确的是
A.强光下的幼苗相比正常光照下的绿色更深
B.强光照可能抑制叶绿素的合成,促进类胡萝卜素的合成
C.四种色素在层析液中溶解度大小是Ⅰ<Ⅱ<Ⅲ<Ⅳ
D.色素分离过程中如果滤液线触及石油醚,会缩短得到四条色素带的时间
2.植物叶肉细胞的部分代谢过程如图所示。下列叙述正确的是
A.图中H+通过主动转运从类囊体膜内运到膜外
B.通常,在光强度达到全日照之前,物质A的释放速率已达到最大值
C.每个三碳酸分子接受来自物质N的氢和来自ATP的磷酸基团
D.叶绿素呈绿色,是因为它大量吸收绿光,而几乎不吸收其他颜色的光
3.科研人员研究了不同氮素水平对某植物叶片光合作用的影响。其实验结果如下表所示,下列分析错误的是
组
别
氮素水平(mmol·L-1)
叶绿素含量(μg·cm-2)
气孔导度(mmol·m-2·s-1)
胞间CO2浓度(μL·L-1)
表观光合速率
(μmol·m-2·s-1)
1
5(低氮)
86
0.68
308
19.4
2
10(中氮)
99
0.84
304
20.7
3
15(偏高)
103
0.85
301
21.4
4
20(高氮)
103
0.84
295
22.0
(注:气孔导度指气孔开放程度;表观光合速率是指在光照条件下,一定量的植物在单位时间内释放到外界的O2量)
A.氮是叶绿素的组成元素,适当增施氮肥有利于叶绿素的合成
B.随着氮素水平的增加,胞间CO2浓度的持续下降促进了表观光合速率不断增加
C.一定范围内增大氮素浓度,可提高该植物叶片的表观光合速率
D.第4组的表观光合速率高于第3组,而叶绿素含量相同,推测其主要原因可能是高氮条件下,氮素参与合成的光合作用有关酶的数量增多
4.将生长状况相同的某种植物在不同温度下分别暗处理1h,再在相同光照强度下光照1h,用CO2红外分析仪测定密闭容器中CO2的浓度,结果如图。下列分析正确的是( )
A.该植物在29℃和30℃时不再表现出生长现象
B.该植物细胞呼吸和光合作用的最适温度分别是29℃和28℃
C.在29℃时光合作用制造的有机物的量大于28℃时制造的量
D.30℃时该植物光合作用速率等于细胞呼吸速率,均为20微摩尔/小时
5.图甲为研究光合作用的实验装置,用打孔器在某植物的叶片上打出多个圆片,再用气泵抽出气体直至叶圆片沉底,然后将等量的叶圆片转至不同温度的NaHCO3(等浓度)溶液中,给予一定的光照,测量每个培养皿叶圆片上浮至液面所用的平均时间(图乙)。下列相关分析正确的是( )
A.在ab段,随着水温的升高,净光合速率逐渐减小
B.上浮至液面的时间可反映净光合速率的相对大小
C.通过图乙分析可以找到真正光合作用的最适温度
D.因为抽气后不含氧气,实验过程中叶圆片不能进行需氧呼吸
参考答案
跟踪训练
1.【答案】D
【解析】碳反应发生在叶绿体的基质中,碳反应中C5(核酮糖二磷酸)与CO2首先固定形成两个C3。水是光反应的原料,不能与二氧化碳固定,A错误;NADPH、ATP是光反应的产物,二者参与碳反应中三碳化合物的还原,BC错误;碳反应中二氧化碳和核酮糖二磷酸反应生成两分子三碳化合物,D正确。
2.【答案】A
【分析】
叶绿体中含有绿色素(包括叶绿素a和叶绿素b) 和黄色素(包括胡萝卜素和叶黄素)两大类。叶绿体色素分布于类囊体薄膜上,具有吸收、传递和转化光能的作用。
【解析】
叶绿体色素分布于类囊体薄膜上,具有吸收、传递和转化光能的作用。A符合题意。
故选A。
3.【答案】B
【分析】
根据题意和图示分析可知:图甲中,光照强度为A时无氧气产生,说明此时只进行呼吸作用,无光合作用,二氧化碳释放量为6个单位,表示呼吸作用强度;当光照强度为B时,二氧化碳释放量和氧气产生总量相等,此时进行光合作用也进行呼吸作用,而呼吸作用大于光合作用;当光照强度为C时,无二氧化碳的释放,氧气产生量为6个单位,说明此时光合作用等于呼吸作用;则D点时,光合作用大于呼吸作用。图乙中,E点只进行呼吸作用,F点时光合作用等于呼吸作用。
【解析】
A、图甲中:光照强度为A时,O2产生总量为0,只进行细胞呼吸,据此可知,呼吸强度为6;光照强度为B时,CO2释放量大于0且有氧气产生,说明光合作用速率小于呼吸作用速率,A错误;
B、光照强度为D时,O2产生总量为8,则光合作用总吸收二氧化碳为8,因而单位时间内细胞从周围吸收8-6=2个单位的CO2,B正确;
C、图乙中所示生物为蓝藻,蓝藻不含线粒体和叶绿体,C错误;
D、图乙中G点时光合速率达到最大值,此时限制光合速率的因素不再是光照强度,可能是温度或二氧化碳浓度,D错误。
4.【答案】B
【分析】
1、类囊体薄膜上有两大类色素,类胡萝卜素吸收蓝紫光,主要吸收红光的是叶绿素a和叶绿素b。
2、光合作用可分为光反应阶段和暗反应阶段。其中光反应阶段的产物是NADPH、氧气和ATP,暗反应包括二氧化碳的固定和三碳化合物的还原过程。
【解析】
A、据图可知,②比①光照总强度增强,则净光合速率增强,光反应增强,光合速率加快,则ATP 和 ADP 的转换速率增加,A正确;
B、本实验目的为探究在自然光中添加远红光对植物生长的影响,未涉及光照时间,故不能得出适当延长光照时间可以提高光合速率,从而提高番茄的产量的结论,B错误;
C、由图分析:加远红光后,番茄光合作用制造的有机物在各器官中的配比发生了变化,分配在果实中的有机物比例上升,分配在叶中的有机物比例下降,所以虽然净光合速率下降,但是番茄产量却升高了,C正确;
D、植株内叶绿素总的含量不会发生变化,呼吸速率与细胞内酶活性主要受温度影响,添加红远光不会影响植株内叶绿素总含量、呼吸速率以及细胞内酶活性,所以添加远红光后,可
被叶绿素a转换的光能比率下降,使净光合速率降低,D正确。
5.【答案】B
【分析】
分析题图:在光照强度为0时,测出野生型与突变体呼吸速率相等;在光照强度低于a时,突变体的净光合速率低于野生型,即突变体的实际光合速率低于野生型;在光照强度为a时,二者光合速率相等;光照强度大于a时,突变体的光合速率大于野生型。
【解析】
A、据图分析,光照强度为0时,突变体和野生型呼吸速率相等,故可知光照强度低于a时,突变体的光合速率低于野生型,同时据题分析,因突变体莲藕的叶绿素含量仅为野生型莲藕的一半,故光反应强度低于野生型,A正确;
B、据图,光照强度为0时,突变体和野生型呼吸速率相等;光照强度处于a时,突变型和野生型莲藕净光合速率相等,故可知实际光合速率在光照强度为a时相等,暗反应叶绿体固定CO2速度相等,B错误;
C、光照强度低于a时,净光合速率未达到最大值,故限制突变型光合速率的主要环境因素是光照强度,C正确;
D、据图可知,当光照强度为2000lx时,突变体莲藕每秒净光合速率为22,呼吸速率为2,故实际光合速率为24,产生1分子葡萄糖消耗6分子二氧化碳,故可推算每分钟产生的葡萄糖为24÷6×60=2.4×102μmnol/m²,D正确。
6.【答案】(1)叶绿素a 纸层析 高 叶绿素a
(2)光 化学能
(3)Rubisco酶含量
(4)CO2 大 蔗糖
【解析】该题目主要考查光合作用,光合作用的过程:1.光反应阶段 a条件:叶绿体色素、酶、光和水;b场所:叶绿体类囊体膜;c产物:NADPH、ATP、O2;d物质转变①水在光下裂解为H+、O2和电子;②水中的氢(H++e-)在光下将NADP+还原为NADPH;e能量转变:光能被吸收并转化为ATP和NADPH中的化学能。2.碳反应a条件:
多种酶、ATP、NADPH;b场所:叶绿体基质;c产物:三碳糖;d主要变化①CO2+RuBP―→2三碳酸分子;②三碳酸分子的还原:三碳酸分子接受NADPH中的氢和ATP中的磷酸基团及能量,被还原成三碳糖,这是碳反应形成的产物。
(1)该实验表明,低氮肥和高氮肥处理的突变型的叶绿素a 含量比野生型低.用纸层析法提取色素时,滤液细线要高于层析液,防止色素在层析液中溶解,色素带由上到下的色素为胡萝卜素、叶黄素、叶绿素a、叶绿素b,据题目图所示叶绿素a含量最多,色素带最宽。(2)在光合作用的光反应中在叶绿体的类囊体薄膜上产生氧气,以及能量的转换,光能被转化为ATP和NADPH 中的活跃的化学能。(3)据图分析,突变体的Rubisco酶含量高,故突变体叶绿素含量低但产量与野生型差别不大.实验表明突变体更倾向于将氮素用于Rubisco酶的合成,而不是叶绿素的合成.结合实验结果分析,限制野生型植株光合速率的因素是Rubisco酶的含量。(4)卡尔文循环主要是指暗反应,暗反应阶段,二氧化碳首先与五碳化合物结合而被固定为三碳化合物,在[H]、ATP和Rubisco 酶的作用下被还原;每3个CO2分子进入卡尔文循环,就形成6分子的三碳酸分子,后者都被还原为三碳糖,其中5个三碳糖分子在循环中再生为RuBP,另一个三碳糖分子则离开循环,或在叶绿体内合成淀粉、蛋白质或脂质,或运出叶绿体,转变成蔗糖。
真题再现
1.【答案】 A
【解析】 A由图可知与等渗相比,低渗对完整叶绿体 ATP合成影响不大,光合速率受到抑制。
参考资料:植物生理学报《低渗膨胀对菠菜完整叶绿体光合作用的影响》1995,叶济宇等。菠菜离体完整叶绿体需要合适的介质渗透压(约0.9 MPa)以保持其较高的光合作用速率。当渗透压因降低介质中山梨醇浓度(从0.33mol/L至0.17mol/L)而降低时,叶绿体的完整率保持不变。低于临界渗透压(约0.5 MPa),叶绿体被膜就发生破裂.并丧失CO2同化能力。在轻度低渗条件下,虽然叶绿体被膜未破,但依赖CO2的放氧速率已受抑制。渗透压在0.9 MPa与0.5 MPa之间,叶绿体依赖PGA的放氧抑制,可由加入山梨醇至正常浓度(0.33mol/L)而解除。膨涨叶绿体的ATP合成水平与正常叶绿体相同,而NAPDH形成速率则明显降低。利用能透过被膜的不同电子受体NO2、PGA和OAA发现,在膨胀叶绿体中,NO2的还原不受形响,而PGA及OAA的还原明显被抑制。我们推测,低渗膨胀叶绿体中光合作用的抑制,至少有一个原因是Fd-NADP氧化还原酶作用的受阻。
2.【答案】A
【分析】
叶绿体是光合作用的场所,需要保证完整的结构,才能正常进行光合作用;外界浓度过高,导致叶绿体失水,降低光合速率;光合产物积累过多,也会导致光合速率下降 。
【详解】
A、测得植物叶片的光合速率是叶片的总光合速率减去叶片的呼吸速率,而分离得到的叶绿体的光合速率,就是总光合速率,A正确;
B、破碎叶绿体,其叶绿素释放出来,被破坏, 导致消耗二氧化碳减少,测得的光合速率与无破碎叶绿体的相比,光合速率偏小,B错误;
C、若该植物较长时间处于遮阴环境,光照不足,光反应减弱,影响碳反应速率,蔗糖合成一直较少, C错误;
D、若该植物处于开花期,人为摘除花朵,叶片光合作用产生的蔗糖不能运到花瓣,在叶片积累,光合速率下降,叶片内蔗糖浓度与光合速率的关系与图中B-C段对应的关系相似,D错误。故选A。
3.【答案】质壁分离 黄 移动速率 吸收光谱 轻压盖玻片 中 中期的染色体缩短到最小的程度,最便于观察和研究
【分析】
质壁分离为植物细胞常有的现象,质壁分离是指植物的细胞壁和原生质层(细胞膜、液泡膜及两层膜之间的成分)分开。质壁分离的原理为:①浓度差的存在,引起细胞失水,②细胞壁的伸缩性小于原生质层,因此细胞发生质壁分离。色素是光合作用中吸收和转化光能的重要物质,色素的提取常采用菠菜为原料,光合色素是脂溶性的,因此色素的提取和分离都采用有机溶剂。色素提取和分离的主要步骤为:研磨、过滤、画滤液细线、纸层析分离。分离出来的色素在滤纸条上从上到下的顺序依次为:胡萝卜素(橙黄色)、叶黄素(黄色)、叶绿素a(蓝绿色)、叶绿素b(黄绿色)。
【详解】
(1)活的植物细胞能发生质壁分离,而死的植物细胞由于原生质层失去选择透性不会发生质壁分离,因此常用质壁分离能否发生来判断植物细胞的死活。洋葱外表皮细胞因为含紫色大液泡,质壁分离现象明显,常用于进行质壁分离实验。
(2)碳酸钙有保护叶绿素的作用,未加碳酸钙,叶绿素被破坏,呈现类胡萝卜素的颜色,类胡萝卜素偏黄,故甲的提取液偏黄。溶于酒精的四种光合色素,被附着在滤纸条的同一条线上(滤液细线),随着层析液在滤纸条上的扩散而被扩散,且溶解度大的色素扩散得最快。因此可以利用四种色素的移动速率(扩散速率)而将四种色素分离开来。以某种物质对不同波长光的吸收率为纵坐标,以波长为横坐标作图,所得的曲线,就是该物质的吸收光谱。
(3)观察细胞中的染色体,需要将细胞分散开来,因此用10%盐酸对根尖进行解离,为了进一步使细胞分散开来,染色后,用拇指轻压盖玻片。染色体组型图是将某种生物体细胞内的全部染色体,按大小和形态特征进行配对、分组和排列所构成的图像,由于中期的染色体缩短到最小的程度,最便于观察和研究,因此常用有丝分裂中期的染色体进行显微摄影,制作染色体组型图。
【点睛】
本题以实验为基础,从实验材料(洋葱和菠菜)出发,考查学生对质壁分离、光合色素的提取和分离以及有丝分裂实验的理解和掌握,要求学生理解实验原理,合理选择实验材料,在此基础上提升学生设计实验、创新选材的能力。
4.【答案】 (1)液泡 ATP和NADPH 三碳糖磷酸
(2)光反应 较低、较高 光照下淀粉含量增加,黑暗下淀粉含量减少
(3)淀粉遇碘显蓝色,其颜色深浅与淀粉含量在一定范围内成正比
14CO2的同位素示踪
【解析】 (1)光合作用基础知识,液泡含有无机磷,ATP和NADPH含有磷酸基团,三碳酸分子生成三碳糖磷酸。
(2)根据图甲高磷和低磷,O~A曲线重合,无机磷不会限制光合作用。由图乙可知,光照下,与高磷相比,低磷条件的蔗糖和淀粉含量分别是较低、较高;不论高磷、低磷,24h内淀粉含量的变化是光照下淀粉含量增加,黑暗下淀粉含量减少.
(3)光电比色法,在选修一实验10,测定亚硝酸盐使用。
5.【答案】光密度值 高 高光强 吸能 ATP、NADPH 小 绿藻放氧速率等于光反应产生氧气的速率减去细胞呼吸消耗氧气的速率 360
【分析】
分析甲图,相同光强度下,绿藻中的叶绿素a含量随温度升高而增多,相同温度下,低光强的的叶绿素a含量更高。
分析乙图,相同光强度下,温度在25℃之前,随着温度升高,绿藻放氧速率(净光合速率)加快。相同温度下,高光强的绿藻放氧速率(净光合速率)更大。
【详解】
(1)叶绿体中的4种光合色素含量和吸光能力存在差异,因此可以利用光电比色法测定色素提取液的光密度值来计算叶绿素a的含量;由甲图可知,与高光强组相比,低光强组叶绿素a的含量较高,以增强吸光的能力,从而以适应低光强环境;由乙图可知,低光强条件下,不同温度下的绿藻放氧速率相差不大,高光强条件下,不同温度下的绿藻放氧速率相差很大,因此在高光强条件下,温度对光合速率的影响更显著。
(2)叶绿素a可以吸收、传递、转化光能,故从能量角度分析,叶绿素a的含量直接影响光反应的速率。从能量角度分析,光反应需要消耗太阳能,光反应是一种吸能反应;光反应过程包括水的光解(产生NADPH和氧气)和ATP的合成,因此光反应的产物有ATP、NADPH和O2。
(3)图乙的绿藻放氧速率表示净光合速率,绿藻放氧速率等于光反应产生氧气的速率减去细胞呼吸消耗氧气的速率,因此图乙的绿藻放氧速率比光反应产生氧气的的速率小。
(4)绿藻在20℃、高光强条件下细胞呼吸的耗氧速率为30μmol·g-1·h-1,由乙图可知,绿藻放氧速率为150μmol·g-1·h-1,光合作用产生的氧气速率为180μmol·g-1·h-1,因此每克绿藻每小时光合作用消耗CO2为180μmol,因为1 分子的二氧化碳与 1 个 RuBP 结合形成2分子3-磷酸甘油酸。故每克绿藻每小时光合作用消耗CO2生成180 ×2=360μmol的3-磷酸甘油酸。
6.【答案】(1)增加 ATP和 NADPH 增加 基质
(2)类胡萝卜素 蓝紫光和红 低温
【解析】(1)环境中的CO2含量增加,则会促进碳反应中CO2的固定这一环节,使3-磷酸甘油酸的含量增加;3-磷酸甘油酸还原成三碳糖是还原反应且消耗能量,所以提供能量的物质是ATP和NADPH;若停止CO2供应,则会使CO2固定的速率降低,反应消耗的RuBP会减少,故使得短期内小球藻细胞中RuBP的含量会增加;CO2被固定的反应发生在叶绿体基质,故Rubisco酶也是存在于叶绿体基质中。(2)光合色素的分离和提取实验中,滤纸条自上而下两条带中的色素分别为胡萝卜素和叶黄素,合称类胡萝卜素;叶绿素a主要吸收蓝紫光和红光;秋天叶片变黄主要是由于温度降低导致叶绿素的合成受到抑制。
模拟检测
1.【答案】B
【解析】根据题图来看,强光照导致了该植物叶绿素含量降低,绿色变浅,A项错误;强光照和正常光照相比,叶绿素含量明显降低,类胡萝卜素含量增加,可见强光照可能抑制叶绿素的合成,促进类胡萝卜素的合成,B项正确;四种色素在层析液中溶解度大小是Ⅰ>Ⅱ>Ⅲ>Ⅳ,C项错误;色素分离过程中如果滤液线触及石油醚,色素会溶解在层析液中,无法得到色素带,D项错误。
2.【答案】B
【解析】图中H+从类囊体膜内运到膜外为易化扩散,A项错误;通常在光强度达到全日照之前,物质A(O2)的释放速率已达到最大值,B项正确;每个三碳酸分子接受来自物质NADPH的氢和来自ATP的磷酸基团,C项错误;叶绿素呈绿色,是因为它大量吸收红光和蓝紫光,几乎不吸收绿光,D项错误。
3.【答案】B
【解析】氮是叶绿素的组成元素,据表可知,随氮素水平的提高,叶绿素含量逐渐增加,说明适当增施氮肥有利于叶绿素的合成,A项正确;随着氮素水平的增加,表观光合速率不断增加,促进了胞间CO2浓度的持续下降,B项错误,C项正确;影响光合作用的内部因素包括色素和酶的含量,第4组的表观光合速率高于第3组,而叶绿素含量相同,推测
其主要原因可能是高氮条件下,氮素参与合成的光合作用有关酶的数量增多,D项正确。
4.【答案】C
【分析】
由题干和柱形图可知,暗处理1h时的过程中,植物细只进行细胞呼吸作用,CO2浓度的增加量可以代表呼吸作用强度;光照1h时的过程中,植物细胞同时进行呼吸作用和光合作用,光照后与暗处理前CO2浓度的减少量即代表光合作用固定的CO2量(1h)-呼吸作用释放的CO2量(2h)。
【解析】
A、暗处理的CO2浓度的增加量代表呼吸作用强度,光照后与暗处理前的重量变化表示的是光合进行了1h和呼吸进行了2h后的重量变化。由表中数据可知:四组温度下,该植物都表现为生长现象,A错误;
B、总光合作用强度=CO2浓度的减少量(净光合)+2×CO2浓度的增加量(呼吸),图中29℃最大;而呼吸作用强度也是在29℃最大,故该植物细胞呼吸和光合作用的最适温度都是29℃,B错误;
C、结合分析可知,总光合作用强度=CO2浓度的减少量(净光合)+2×CO2浓度的增加量(呼吸),28℃时,光合作用制造的有机物的量等于60+40×2=140微摩尔/小时;29℃时,光合作用制造的有机物的量等于60+60×2=180微摩尔/小时,在29℃时光合作用制造的有机物的量大于28℃时制造的量,C正确;
D、30℃时,光合作用速率大于细胞呼吸速率,呼吸作用过程中CO2变化是20微摩尔/小时;光合作用过程中CO2变化是60微摩尔/小时,D错误。
5.【答案】B
【分析】
分析题干信息可知,本实验的目的是探究不同温度对光合作用的影响,实验的原理是当叶圆片抽取空气沉入水底后,光合作用大于呼吸作用时产生的氧气在细胞间隙积累,圆叶片所受的浮力增加,叶片上浮,根据上浮的时间判断出光合作用的强弱。
【解析】
A、ab段,随着水温的增加,叶圆片上浮至液面所需要的时间缩短,说明氧气产生速率加快,净光合速率逐渐增大,A错误;
B、净光合速率代表氧气释放速率,影响叶圆片上浮至液面所用的时间,上浮至液面的时间可反映净光合速率的相对大小,B正确;
C、圆片上浮至液面所用的平均时间能反映净光合速率的相对大小,通过图乙分析可以找到净光合作用的最适温度,真正光合作用=呼吸作用+净光合作用,通过图乙不能找到真正光合作用的最适温度,C错误;
D、虽然抽气后叶片不含氧气,但实验过程中的光照可以引起光合作用产生氧气,故实验过程中叶片能进行有氧呼吸,D错误。
相关试卷
这是一份考向06 光合作用与能量转换- 备战高考生物一轮复习考点微专题(全国通用),文件包含考向06光合作用与能量转换-备战高考生物一轮复习考点微专题全国通用解析版docx、考向06光合作用与能量转换-备战高考生物一轮复习考点微专题全国通用原卷版docx等2份试卷配套教学资源,其中试卷共85页, 欢迎下载使用。
这是一份高考生物一轮复习考点一遍过考点19 光合作用(含解析),共25页。试卷主要包含了叶绿体的结构与功能,叶绿体中的色素及色素的吸收光谱,光合作用的探究历程,光合作用的过程,光合作用强度,影响光合作用强度的因素等内容,欢迎下载使用。
这是一份浙江专用高考生物一轮复习考点13遗传信息的表达含解析,共36页。

