所属成套资源:2023届高考化学一轮复习 化学反应原理专练(含解析)
2023届高考化学一轮复习 化学反应原理专练(5)多室、隔膜的电化学装置
展开
这是一份2023届高考化学一轮复习 化学反应原理专练(5)多室、隔膜的电化学装置,共20页。试卷主要包含了利用含双膜提纯为高纯度铜,1ml电子时,溶解3等内容,欢迎下载使用。
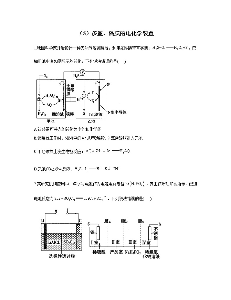
(5)多室、隔膜的电化学装置1.我国科学家开发设计一种天然气脱硫装置,利用如图装置可实现:。已知甲池中有如图所示的转化。下列说法错误的是( )A.该装置可将光能转化为电能和化学能B.该装置工作时,溶液中的从甲池经过全氟磺酸膜进入乙池C.甲池碳棒上发生电极反应: D.乙池①处发生反应: 2.某研究机构使用电池作为电源电解制备,其工作原理如图所示。已知电池反应为,下列说法错误的是( )A.电池中C电极的电极反应式为B.电池的e极连接电解池的g极C.膜a、c是阳离子交换膜,膜b是阴离子交换膜D.电解池中不锈钢电极附近溶液的pH增大3.2021年1月20日中国科学院和中国工程院评选出2020年世界十大科技进展,排在第四位的是一种可借助光将二氧化碳转化为甲烷的新型催化转化方法:,这是迄今最接近人造光合作用的方法。某光电催化反应器如图所示,A电极是Pt/CNT,B电极是。通过光解水,可由制得异丙醇。下列说法不正确的是( )A.A极是电池的正极B.B极的电极反应为C.A极选用高活性和高选择性的电化学催化剂能有效抑制析氢反应D.每生成30g异丙醇转移的电子数目为94.某化学课外活动小组拟用铅蓄电池为直流电源,进行电絮凝净水的实验探究,设计的实验装置如图所示,下列叙述正确的是( )A.X电极质量减轻,Y电极质量增加B.电解池阳极上被氧化的还原剂有Al和C.电解池的总反应为D.每消耗103.5gPb,理论上电解池阴极上有1mol生成5.一种水性电解液离子选择双隔膜电池如图所示(KOH溶液中,以存在)。电池放电时,下列叙述错误的是( )A.Ⅱ区的通过隔膜向Ⅲ区迁移B.I区的通过隔膜向Ⅱ区迁移C.电极反应:D.电池总反应:6.厨房垃圾发酵液通过电渗析法处理同时得到乳酸的原理如图所示(图中HA表示乳酸分子,表示乳酸根离子)。下列有关说法中正确的是( )A.交换膜Ⅰ为阴离子交换膜,从浓缩室通过向阳极移动B.交换膜Ⅱ为阳离子交换膜,从浓缩室通过向阴极移动C.阳极的电极反应式为D.乳酸溶液通电一段时间后,浓度上升到,则阴极上产生的的体积在标准状况下为2.24L7.高铁酸钠()在水处理中起着净化的作用,利用电解法制备高铁酸钠的装置如图。下列说法错误的是( )A.甲、乙室间的交换膜为阳离子交换膜,乙、丙室间的交换膜为阴离子交换膜B.Fe作阳极,电极反应式为C.A口产品为NaOH溶液和,B口产品为溶液和D.需要向乙室和丙室中不断补充NaOH浓溶液,电解生成的NaOH可循环使用8.利用含双膜(阴离子交换膜和过滤膜)电解装置将普通电解精炼铜所制备的精铜(仍含微量杂质)提纯为高纯度铜。下列有关叙述正确的是( )A.电极a为精铜,电极b为高纯度铜B.电极a上发生的反应为C.甲膜为阴离子交换膜,可阻止杂质阳离子进入阴极区D.当电路中通过0.1mol电子时,溶解3.2g精铜9.羟基自由基是自然界中氧化性仅次于氟的氧化剂。我国科学家设计了一种能将苯酚氧化为的原电池-电解池组合装置(如图),该装置能实现发电、环保二位一体。下列说法错误的是( )A. a极为正极,c极为阴极B. b极的电极反应式为C. d极区苯酚被氧化的化学方程式为D. 右侧装置中,每转移,c、d两极共产生气体3.36 L(标准状况)10.电化学原理在工业生产中发挥着巨大的作用。是制造高铁电池的重要原料,同时也是一种新型的高效净水剂。在工业上通常利用如图装置生产,下列说法正确的是( )A.阳极的电极反应式为B.右侧的离子交换膜为阳离子交换膜C.阴极区D.阴极产生的气体是氧气11.碱性硼化钒()-空气电池工作时反应为。用该电池为电源,选用惰性电极电解硫酸铜溶液,实验装置如图所示。当外电路中通过0.04mol电子时,B装置内共收集到0.448L气体(标准状况),则下列说法正确的是( ) A.电极发生的电极反应式为B.外电路中电子由c电极流向电极C.电解过程中,b电极表面先有红色物质析出,然后有气泡产生D.若B装置内的液体体积为200mL,则溶液的物质的量浓度为0.0512.海洋是一个十分巨大的资源宝库,海水中含量最多的是H、O两种元素,还含有Na、Cl、Mg、Br、Ca、S等元素。海水资源的利用主要包括海水淡化、海水晒盐,从海水中制取镁、钾、溴等化工产品。从海水中提取镁的步骤是将石灰乳加入海水沉淀池中,得到氢氧化镁沉淀,再将氢氧化镁与盐酸反应,得到的溶液蒸发结晶,获得六水合氯化镁晶体(),进一步操作得到无水氯化镁,电解熔融氯化镁可获得单质镁。海水淡化是解决淡水资源短缺的有效途径之一,其方法主要有蒸馏法、电渗析法和离子交换法等。电渗析法淡化海水的原理如图所示。下列说法正确的是( )A.该装置将化学能转化成电能B.阴极发生的电极反应为C.Ⅱ室中流出淡水,Ⅰ、Ⅲ室流出液中NaCl浓度变大D.若将a、b膜的位置互换,则不能获得淡水13.下列装置由甲、乙两部分组成(如图所示),甲是能将废水中的乙二胺氧化为环境友好物质的化学电源。当电池工作时,下列说法正确的是( )A.电子的流动方向:B.M极的电极反应式: C.当N极消耗时,铁电极质量增加32gD.一段时间后,乙中溶液浓度基本保持不变14.用铅蓄电池进行电絮凝净水是水净化方面的一项研究课题,其工作原理如图所示,下列叙述正确的是( )A.Y极的电极反应:B.铅蓄电池工作时向X极移动C.电解池的总反应本质为电解水D.每消耗103.5gPb,理论上电解池阴极上有11.2L生成15.某实验小组利用燃料电池浓缩NaOH溶液,装置如图所示。已知通入左右两室的NaOH溶液的体积相同且体积变化忽略不计,钠离子交换膜只允许通过。下列说法正确的是( )
A.工作时,电能转变为化学能 B.负极的反应式:C.数值大小:b>a>c D.如每升溶液消耗,则16.利用双极膜电解制备磷酸和氢氧化钠的原理如图所示。已知双极膜是一种复合膜,在直流电作用下,中间界面内水解离为和,并实现其定向通过。下列说法正确的是( )A.若用铅酸蓄电池为电源,则X极与Pb电极相连B.双极膜中a为,b为C.当电路中通过4mol电子时,电极Y上产生1mol气体D.M膜为阴离子交换膜,N膜为阳离子交换膜17.某课题组利用盐度梯度和氧化还原工艺,成功的设计了下图所示的电池装置,将酸性废水中存在的高毒性转化为低毒性。下列说法错误的是 ( )A.该电池利用溶液盐度梯度产生电动势,C2表示高浓度盐溶液B.根据图中所示,AM为阴离子交换膜,CM为阳离子交换膜C.电池正极的电极反应式为D.负极产生标准状况下6.72 L氧气时,理论上转化0.2 mol18.电镀行业产生的酸性含铬废水对环境有污染,其中所含的+6价铬(以形式存在)是主要污染物,可采用电解法将其除去。向酸性含铬废水中加入适量NaCl固体,以Fe为阴、阳电极进行电解。经过一段时间,有和沉淀生成,从而使废水中铬含量低于排放标准。装置如图所示。已知:①在酸性环境下,通常以的形式存在;②的氧化能力强于;③常温下,部分阳离子以氢氧化物形式沉淀时溶液的pH如下表所示:阳离子开始沉淀的pH1.97.04.3沉淀完全的pH3.29.05.6(1)向酸性含铬废水中加入适量NaCl固体的作用是_____________。 (2)B极上有大量氢气产生,电极反应式为_____________。(3)结合化学用语分析酸性废水中转化为的主要原因__________。(4)电解过程中,溶液的pH不同时,通电吋间与溶液中铬元素去除率的关系如图所示。①由图知,电解还原法应采取的最佳pH范围为____________(填字母)。a.2~4b.4~6c.6~10②解释曲线Ⅰ和曲线Ⅳ去除率低的原因:_________________________。
答案以及解析1.答案:B解析:本题考查一种脱硫装置的工作原理。由装置图可知,光照条件下放电时,在N型半导体上失电子转化为,则N型半导体为负极;负极产生的会被硫化氢还原成,达到循环使用的目的,此时硫化氢被氧化成硫单质,氢离子会通过全氟磺酸膜进入甲池参与反应;AQ在碳棒上得电子转化为,则碳棒为正极;继续被氧气氧化为AQ,达到循环使用的目的。由分析可知,该装置放电时有光能参与,是一个将光能转化为电能和化学能的装置,A正确;放电过程中,氢离子会经过全氟磺酸膜进入甲池参与反应,B错误;电池工作时,碳棒上发生的电极反应为,C正确;乙池①处硫化氢被氧化成硫单质,发生的反应为,D正确。2.答案:B解析:本题考查电解制备的原理。根据电池反应和装置图可知,放电时,Li由0价变为+1价,失电子发生氧化反应,则Li电极作负极,电极反应式为;中S由+6价变为+4价,得电子发生还原反应,则C作正极,电极反应式为;电解池中,Ni电极失去电子生成,通过膜a进入产品室,所以镍电极为阳极,由Ⅲ室通过膜b进入产品室,与生成;不锈钢电极为阴极,Ⅳ室中发生得电子的还原反应,电极反应式为,通过膜c进入Ⅳ室,形成闭合回路;根据离子移动方向判断,膜a、c是阳离子交换膜,膜b是阴离子交换膜。由分析可知,A、C正确;原电池中Li电极为负极,C电极为正极,电解池中,镍电极为阳极,不锈钢电极为阴极,则电池的极应该连接电解池的h极,B错误;电解池中不锈钢电极发生的电极反应为,电解过程中,减小,电极附近溶液的pH增大,D正确。3.答案:D解析:本题考查一种光电催化反应器的工作原理。由题中信息和装置图可知,该装置为原电池,二氧化碳、氢离子在A极分别得电子转化为异丙醇和氢气,则A极为正极;水在B极失电子转化为氧气,B极为负极,A正确;B极,水失电子生成氢离子和氧气,电极反应为,B正确;A极上同时发生得电子被还原成、得电子被还原成异丙醇两个反应,选用高活性和高选择性的电化学催化剂能有效抑制析氢反应,C正确;二氧化碳中的C为+4价,而异丙醇中的C为-2价,生成1mol异丙醇转移18mol电子,但正极反应中除生成异丙醇外,还生成氢气,则每生成30g(0.5mol)异丙醇转移的电子数目大于9,D错误。4.答案:B解析:本题考查原电池和电解池串联装置的工作原理。根据电解池中各物质的化合价变化可知,铝电极失电子作阳极,铁电极水得电子作阴极,生成氢气和氢氧根离子;铅蓄电池中X极与阴极相连,为负极,电极反应式为,Y与阳极相连,为正极,电极反应式为。铅蓄电池中两电极都生成硫酸铅,因此两个电极的质量都增加,A项错误;根据分析可知,电解池阳极上被氧化的还原剂有Al和,分别生成铝离子和氧气,B项正确;阳极可发生电极反应,阴极发生电极反应,二者相加得,该装置可以利用水解生成的氢氧化铝胶体絮凝净水,但在铝电极的表面还有氧气产生,证明存在电解水的过程:,C项错误; ,每消耗0.5mol的Pb,转移电子的物质的量是,根据串联电路中电子转移守恒,电解池的阴极上反应产生的物质的量是0.5mol,D项错误。5.答案:A解析:电池分析
离子选择双隔膜电池电极为正极,Zn电极为负极,电池放电时,电解质溶液中阴离子向负极移动,阳离子向正极移动,A项错误;Ⅰ区中的通过隔膜向Ⅱ区迁移,B项正确;电极为正极,电极反应式为,C项正确;根据正负两极的电极反应式可得电池总反应,D项正确。6.答案:D解析:左边电极为阳极,电极反应式为,生成的通过交换膜Ⅰ进入浓缩室,所以交换膜Ⅰ为阳离子交换膜,右边电极反应式为,溶液中从右侧通过交换膜Ⅱ进入浓缩室,所以Ⅱ为阴离子交换膜,故A、B错误;阳极上水失电子生成氢离子和氧气,电极反应式为,故C错误;乳酸溶液通电一段时间后,浓度上升到,则生成的乳酸物质的量为,转移的等于生成的,为0.2mol,同时转移电子的物质的量为0.2mol,根据知,生成氢气的物质的量为0.1mol,在标准状况下的体积是2.24L,故D正确。7.答案:C解析:本题考查电解法制备高铁酸钠。由装置图可知,C极上得电子转化为,则C为阴极,Fe电极上Fe失电子转化为,Fe作阳极,电解池中阳离子移向阴极,阴离子移向阳极,故乙池中经左侧离子交换膜进入甲池,经右侧离子交换膜进入丙池。根据分析可知,甲、乙室间的交换膜为阳离子交换膜,乙、丙室间的交换膜为阴离子交换膜,A正确;阳极上,Fe失电子与反应生成,电极反应式为,B正确;甲池中水放电生成和,与结合使NaOH溶液浓度变大,而丙池中铁放电转化为,无生成,C错误;乙室中向甲室移动,向丙室移动,会导致浓NaOH溶液变稀,丙室中浓NaOH溶液因生成而被消耗,因此需要不断补充NaOH浓溶液,甲室中生成的NaOH可以循环利用,D正确。8.答案:C解析:电解池阴极与电源负极相连,根据图示,电极a为阴极,电极b为阳极,该过程为铜的精炼,则精铜作阳极,高纯铜作阴极,电极b上铜单质失去电子变为铜离子,主要电极反应为,经过净化装置,硝酸铜溶液进入电极a的阴极室,由于精铜仍含微量杂质,则乙膜为过滤膜,可阻止阳极泥及杂质进入阴极区,甲膜为阴离子交换膜,可阻止杂质阳离子进入阴极区,电极a上,铜离子得到电子形成铜单质,电极反应为,从而获得高纯度铜由于精铜中仍含微量杂质,当精铜作阳极时,精铜中活泼的金属杂质(Fe、Zn等)也和铜一起发生电极反应,即阳极上除了发生,还有其他金属杂质失电子,同时精铜中还含有不参与电极反应的固体杂质,则当电路中通过0.1mol电子时,溶解精铜的质量不是3.2g,故D错误。9.答案:D解析:本题考查原电池-电解池组合装置。由装置图可知,左侧装置中存在自发进行的氧化还原反应,为原电池,a电极上重铬酸根离子得电子发生还原反应,为原电池的正极,b电极上苯酚失电子发生氧化反应,为原电池的负极;右侧装置为电解池,与b极相连的c极为阴极,溶液中氢离子得电子发生还原反应,与a极相连的d极为阳极,水失电子生成,氧化苯酚达到处理废水的目的。根据分析可知,a电极为正极,c电极为阴极,A正确;b电极上苯酚转化为二氧化碳,根据原子守恒、电荷守恒,可以写出电极反应式为,B正确;羟基自由基氧化能力仅次于氟,能氧化苯酚,生成二氧化碳和水,则苯酚被氧化的化学方程式为,C正确;c极上氢离子放电,电极反应式为,d极的电极反应式为,结合苯酚的氧化过程可知,当转移0.7mol电子时,c极上生成0.35mol氢气,标准状况下的体积为,d极上生成0.7mol的,氧化苯酚时生成,标准状况下的体积为,则c、d两极共产生气体的体积为3.36L+7.84L=11.2L(标准状况下),D错误。10.答案:A解析:由图所示,Fe发生氧化反应生成,为阳极,电极反应式为,A正确;阳极反应消耗氢氧根离子,故右侧交换膜为能使阴离子通过的阴离子交换膜,B错误;阴极区水被电解产生和,故产出的NaOH浓度变大,,C、D错误。11.答案:D解析:本题考查碱性硼化钒()-空气电池的工作原理。根据题中信息可知,A装置为原电池,失电子发生氧化反应,作负极;氧气在a电极得电子发生还原反应,a电极作正极。B装置为电解池,与相连的c电极为阴极,与a电极相连的b电极为阳极。A装置为碱性环境,则极发生的电极反应式为,A错误;外电路中电子由负极经导线流向阴极,即由电极流向c电极,B错误;电解过程中,b电极为阳极,失电子生成氧气,不会有红色物质析出,C错误;当外电路中通过0.04mol电子时,b电极上生成的氧气的物质的量为0.01mol,B装置内共收集到0.448L(0.02mol)气体,证明阴极产生0.01mol氢气,生成氢气得到电子0.02mol,则优先于氢离子放电的铜离子得到电子0.04mol-0.02mol=0.02mol,溶液中,则,D正确。12.答案:C解析:本题考查电渗析法淡化海水的原理。根据装置图可知,该装置为电解池,阳极上氯离子失电子发生氧化反应,生成氯气,钠离子通过阳离子交换膜进入Ⅰ室;阴极上水得电子发生还原反应,生成氢气和氢氧根离子,氯离子通过阴离子交换膜进入Ⅲ室;在电流的作用下,Ⅱ室中氯离子通过阴离子交换膜进入Ⅰ室,钠离子通过阳离子交换膜进入Ⅲ室。该装置为电解池,能够将电能转化为化学能,A错误;阳极氯离子失电子发生氧化反应,生成氯气,电极反应式为,B错误;由分析可知,Ⅱ室中浓度减小,流出淡水,Ⅰ、Ⅲ室浓度增大,流出液中NaCl浓度变大,C正确;若将a、b膜的位置互换,Ⅰ室中氯离子通过阴离子交换膜进入阳极室,Ⅲ室中钠离子通过阳离子交换膜进入阴极室,在电流作用下,Ⅰ室中钠离子通过阳离子交换膜进入Ⅱ室,Ⅲ室中氯离子通过阴离子交换膜进入Ⅱ室,则Ⅰ室和Ⅲ室中可以获得淡水,D错误。13.答案:D解析:根据题给信息可知,甲部分装置是将化学能转化为电能的原电池,M是负极,N是正极;乙部分是在铁上镀铜的电镀装置,铁电极与电源负极相连,为阴极,铜电极与电源正极相连,为阳极。电子不能通过溶液,A项错误;在负极失电子发生氧化反应,生成氮气、二氧化碳和氢离子,电极反应式为,B项错误;由于未注明是否处于标准状况下,故无法计算的物质的量,C项错误;乙部分为电镀装置,阳极生成,阴极消耗,所以一段时间后乙中溶液浓度基本保持不变,D项正确。14.答案:A解析:由题图可知,电解池中,铝电极失电子作阳极,电极反应为,Y与阳极铝相连作正极,电极反应为,故A正确;Y与阳极铝相连作正极,则铅蓄电池工作时向Y极移动,故B错误;阳极电极反应为,阴极电极反应为,总反应为,在铝的表面有氧气产生,说明还存在电解水的过程:,故C错误;根据串联电路中电子转移守恒,可知铅与氢气的关系式:,所以每消耗103.5gPb,理论上电解池阴极上有生成,没有指明在标准状况下,无法利用计算气体体积,故D错误。15.答案:C解析:该装置为原电池,故工作时化学能转化为电能,A选项错误。负极反应式为,故B选项错误。工作时,透过钠离子交换膜,从左室到右室,故右室的NaOH溶液浓度增大,即b>a>c,C选项正确。如每升溶液消耗,有从左室到右室,故,故D选项错误。16.答案:D解析:A.由分析可知,与直流电源正极相连的电极x为电解池的阳极,若用铅酸蓄电池为电源,X极与二氧化铅相连,故A错误; B.由分析可知,双极膜中水解离出的离子a为氢氧根离子、b为氢离子,故B错误; C.由分析可知,与直流电源正极相连的电极X为电解池的阳极,Y为阴极,氢离子在阴极得到电子发生还原反应生成氢气,电极反应式为,由电极反应式可知电路中通过电子时,电极Y上产生氢气的物质的量为,故C错误;D.由分析可知,M膜为阴离子交换膜,N膜为阳离子交换膜,故D正确;17.答案:A解析:A.根据图示可知:通过CM向正极迁移,通过AM膜移向负极,图示负极上不断产生,则C2中含有HCl浓度增大,含有NaCl浓度降低,故该电池利用溶液盐度梯度产生电动势,C2表示低浓度盐溶液,A错误;B.根据图示可知:AM离子交换膜通过了,CM通过了Na+,因此AM属于阴离子交换膜,CM属于阳离子交换膜,B正确;C.在左边电极上,得到电子发生还原反应变为,因此左边电极为正极,正极的电极反应式为:,C正确;D.在右边电极上,失去电子产生,右边电极为负极,每反应产生1 mol ,转移4 mol电子,则根据同一闭合回路中电子转移守恒可得关系式:,负极产生标准状况下6.72 L氧气时,其物质的量,则正极上理论上转化0.2 mol,D正确;故合理选项是A。18.答案:(1)增强溶液的导电性(2)(3),酸性减弱,水解生成(4)①b②曲线Ⅰ的pH较小,此时Cr(Ⅵ)被还原生成的难以生成沉淀,仍以形式存在于溶液中,导致去除率较低;曲线Ⅳ的pH较大,铬元素主要以形式存在,其氧化能力弱于,Cr(Ⅵ)难以被还原并生成沉淀,导致去除率较低解析: (1)向酸性含铬废水中加入适量NaCl固体的作用是增强溶液的导电性。(2)B极上有大量氢气产生,说明在B极上得电子,发生还原反应,电极反应式为。(3)酸性废水中转化为的主要原因是,酸性减弱,水解生成。(4)①由题图可知,曲线Ⅱ对应pH=4时,溶液中铬元素去除率最大,且所用时间最短,反应速率快;曲线Ⅲ对应pH=6时,铬元素去除率最终与pH=4相同,但所用时间较长,反应速率比pH=4慢;题图中曲线Ⅰ、Ⅳ对应的铬元素去除率偏低,故最佳pH范围为4~6,答案选b。②由题给信息可知,去除废水中的铬元素,最终要生成和沉淀排出。曲线Ⅰ的pH=2,酸性较强,此时Cr(Ⅵ)被还原生成的难以生成沉淀,仍以形式存在于溶液中,导致铬元素去除率较低;曲线Ⅳ的pH=10,溶液呈碱性,促进平衡正向移动,铬元素主要以形式存在,其氧化能力弱于,Cr(Ⅵ)难以被还原并生成沉淀,导致铬元素去除率较低。
相关试卷
这是一份2024届高考化学一轮复习 课时分层作业35 多池串联与“隔膜”电化学装置 (含答案),共8页。试卷主要包含了选择题,非选择题等内容,欢迎下载使用。
这是一份2024届高考一轮复习化学课时练 第41练 多池、多室的电化学装置(含答案),共8页。
这是一份新高考化学一轮复习讲义 第6章 第39讲 多池、多室的电化学装置,共16页。试卷主要包含了全面,扎实训练学科基本技能,培养学生积极的学习态度,有计划等内容,欢迎下载使用。

