09实验题 2021年春山东省各市高一(下)期末化学知识点分类汇编
展开
这是一份09实验题 2021年春山东省各市高一(下)期末化学知识点分类汇编,共32页。试卷主要包含了遇铜片立即产生气泡等内容,欢迎下载使用。
09实验题
二.实验题(共13小题)
6.(2021春•滨州期末)某同学为验证同主族元素原子得电子能力强弱进行如下实验:
Ⅰ.向NaBr溶液中滴加少量氯水,充分反应后,加1mL四氯化碳振荡,静置;
Ⅱ.向KI溶液中滴加少量氯水,充分反应后,加1mL四氯化碳振荡,静置;
Ⅲ.在淀粉碘化钾试纸上滴加几滴溴水。
回答下列问题:
(1)实验Ⅰ的现象 。
(2)根据Ⅰ、Ⅱ、Ⅲ的实验现象可得实验结论为 ,请用原子结构的知识解释其原因: 。
(3)实验Ⅰ、Ⅱ得到的CCl4层中含有卤素单质,可用NaOH浓溶液反萃取分离回收。以下是反萃取回收I2的操作过程:
①向装有I2的CCl4溶液的 (填仪器名称)中加入少量浓NaOH溶液;
②振荡至溶液的 色消失,振荡过程中仪器内压强会增大,需要打开 (填“上口玻璃塞”或“下口活塞”)放气;
③静置、分层,先将CCl4层从仪器的下口放出,再将含碘的碱溶液从仪器的 (填“上”、“下”)口倒入烧杯中;
④边搅拌边加入几滴45%的H2SO4溶液,溶液立即转为棕黄色,并析出碘晶体,写出该反应的离子方程式 。
7.(2021春•临沂期末)某小组探究Cu与HNO3反应,发现有趣的现象,室温下3mol/L的稀硝酸(溶液A)遇铜片短时间内无明显变化,一段时间后才有少量气泡产生,而溶液B(如图)遇铜片立即产生气泡。
探究溶液B遇铜片立即发生反应的原因。
①假设1: 对该反应有催化作用。
实验验证:将溶液A中加入少量硝酸铜,溶液呈浅蓝色,放入铜片,没有明显变化。
结论:假设1不成立。
②假设2:NO2对该反应有催化作用。
方案Ⅰ:向盛有铜片的溶液A中通入少量NO2,铜片表面立即产生气泡,反应持续进行。有同学认为应补充对比实验:向盛有铜片的溶液A中加入几滴5mol/L的硝酸,没有明显变化。补充该实验的目的是 。
方案Ⅱ:向溶液B中通入氮气数分钟得溶液C。相同条件下,铜片与A、B、C三份溶液的反应速率:B>C>A,该实验能够证明假设2成立的理由是 。
③查阅资料:NO2溶于水可以生成HNO2和 。
向盛有铜片的溶液A中加入 ,铜片上立即产生气泡,证明HNO2对该反应也有催化作用。
结论:NO2和HNO2均对Cu与HNO3的反应有催化作用。
④Cu与稀HNO3反应中,HNO2参与的可能催化过程如下:将ii补充完整。
i.NO3﹣+HNO2+H+═2NO2↑+H2O
ii.
ii.3NO2+H2O═2H++2NO3﹣+NO
8.(2021春•烟台期末)石油是重要的化工原料,被称为“工业的血液”。图中A的产量被用作衡量一个国家石油化工产业发展水平的标志。回答下列问题:
(1)过程②这种获得有机化工原料的方法在工业上叫做 。物质D中含有的官能团名称为 。过程③发生的反应类型是 。
(2)石油气的成分中含有一种电子总数为42的烷烃,该烷烃共有 种同分异构体,其中一氯代物共有4种的名称是 。
(3)以淀粉为原料经水解生成葡萄糖,葡萄糖在酒化酶的作用下可分解生成B,写出生成B的化学方程式 。实验室实现过程④反应的化学方程式为 。
(4)实验室常用如图装置实现过程⑥发生的化学反应。
①实验时,先在大试管中加入B、浓硫酸、D的混合物,再加入 。
②反应结束后,将收集到的产品倒入分液漏斗中振荡、静置、分液, 从分液漏斗上口倒出。
③相对于a装置,用b装置进行制备的缺点有 (答一条即可)。
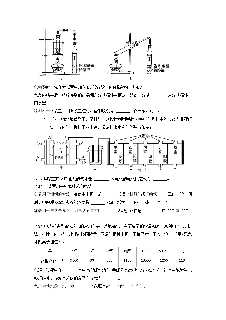
9.(2021春•烟台期末)某科研小组设计利用甲醇(CH3OH)燃料电池(酸性溶液作离子导体),模拟工业电镀、精炼和海水淡化的装置如图。
(1)甲装置中c口通入的气体是 ,A电极的电极反应式为 。
(2)乙装置用来模拟精炼和电镀。
①若用于粗铜的精炼,装置中电极C是 (填“粗铜”或“纯铜”),工作一段时间后,电解质CuSO4溶液的浓度将 (填“增大”“减小”或“不变”)。
②若用于电镀金属银,则电镀液宜使用 溶液,镀件是 (填“C”或“D”)。
(3)电渗析法是海水淡化的常用方法,某地海水中主要离子的含量如表,现利用“电渗析法”进行淡化,技术原理如图丙所示(两端为惰性电极,阳膜只允许阳离子通过,阴膜只允许阴离子通过)。
离子
Na+
K+
Ca2+
Mg2+
Cl﹣
SO42﹣
HCO3﹣
含量/mg•L﹣1
9360
83
200
1100
16000
1200
118
①淡化过程中在 室中易形成水垢[主要成分CaCO3和Mg(OH)2],该室中除发生电极反应外,还发生反应的离子方程式为 。
②产生淡水的出水口为 (选填“e”、“f”、“j”)。
10.(2021春•枣庄期末)某化学兴趣小组用如图装置制备乙酸乙酯(夹持和加热装置省略)。
查阅资料可知:
(1)乙醇可以和氯化钙反应生成微溶于水的CaCl2•6C2H5OH
(2)相关物质的沸点(101KPa)、密度见下表:
物质
乙醇
乙酸
乙酸乙酯
水
沸点/℃
78.3
117.9
77.1
100
密度/g•mL﹣1
0.785
1.049
0.901
0.997
其实验步骤如下,请回答:
1.打开分液漏斗活塞,滴入一部分混合液,小火加热进行蒸馏。
(1)NaHSO4•H2O的作用是 ;仪器A的名称为 ,其进水位置为 (填“a”或“b”)
2.当温度达到80℃时,蒸馏管口有液体流出,再从分液漏斗滴入剩余混合.液,维持反应温度在80~90℃之间,反应一段时间得到粗产品。
(2)该实验中三颈烧瓶适宜的加热方式是 ,其中发生主要反应的化学方程式为 。
3.粗产品用饱和氯化钙溶液洗涤2次,分出酯层,再向酯层中加无水硫酸钠固体,过滤。
(3)饱和氯化钙溶液的作用是 ;过滤操作中用到的玻璃仪器有烧杯 、 。
4.对滤液进行第二次蒸馏,收集相应温度的馏分。
(4)收集馏分的适宜温度为 (填序号)。
A.65~70℃
B.77~80℃
C.100~105℃
D.117~120℃
11.(2021春•聊城期末)氮氧化物(NOx)是大气污染物之一,处理工业废气中的NOx对于环境保护具有重要的意义。
(1)在一定条件下NH3可将NO2还原。甲同学在实验室对该反应进行了探究。实验设计如图(部分夹持置省略)。
①用装置A制备NH3,其中发生反应的化学方程式为 ;装置B内的试剂是 。
②装置D中发生反应的离子方程式是 ,铜丝可抽动的优点是 。
③在装置M中NH3和NO2充分反应,生成两种对环境友好的物质,该反应中NH3和 NO2的物质的量之比为 。
(2)用NaOH溶液吸收法处理NOx(仅含NO、NO2)。已知过程中发生的反应有:2NaOH+NO+NO2═2NaNO2+H2O;2NaOH+2NO2═NaNO3+NaNO2+H2O
①用不同浓度的NaOH溶液吸收NO2含量不同的尾气,关系如图:(α表示NOx中NO2的含量):
用NaOH溶液吸收氮氧化物的最佳条件为:α= ,c(NaOH)= 。
②若一定体积的NOx被250mL2mol•L﹣1的NaOH溶液恰好完全吸收,溶液质量增加19.8g,则x的值为 。
12.(2021春•菏泽期末)有关催化剂的催化机理等问题可以从“乙醇催化氧化实验”得到一些认识,某同学设计了如图所示装置进行实验(加热仪器、夹持仪器已略去)。
已知:乙醇的沸点为78℃,易溶于水:乙醛的沸点为20.8℃,易溶于水。
回答下列问题:
(1)乙醇催化氧化的化学方程式是 。
(2)实验时上述装置需要加热,其中应该首先加热的是 (填字母),为使装置A中的乙醇形成稳定的蒸气,适宜的加热方法是 。
(3)实验开始后,间歇性通入氧气,装置B中观察到的现象是 ,从中可认识到该实验过程中催化剂 (填“参加”或“不参加”)化学反应,催化剂起催化作用需要一定的 。
(4)装置D的作用是 。
(5)若试管E中收集到的液体用紫色石蕊试纸检验,试纸显红色,说明液体中还含有 (填化学式),要除去该物质,可向混合液中加入 。
a.氯化钠溶液
b.苯
c.碳酸氢钠溶液
d.四氯化碳
13.(2021春•菏泽期末)氮是地球上含量丰富的一种元素,氮及其化合物在生产、生活中有着重要作用。回答下列问题:
(1)氮气和氧气反应生成一氧化氮的能量变化如下图所示,则由该反应生成1mol NO时,应 (填“释放”或“吸收”) kJ能量。
(2)汽车尾气中含有的NO是造成城市空气污染的主要因素之一,通过NO传感器可监测汽车尾气中NO含量,其工作原理如图所示:
①NiO电极为 (填“正极”或“负极”)。
②Pt电极上发生的电极反应式为 。
③当电路中有1mol电子发生转移时,消耗NO的体积为 L(标准状况)。
(3)一种新型催化剂能使NO和CO发生反应2NO(g)+2CO(g)⇌2CO2(g)+N2(g)。为验证温度和催化剂的比表面积对化学反应速率的影响规律,某同学设计了如下三组实验。
实验编号
T(℃)
NO初始浓度
(mol•L﹣1)
CO初始浓度
(mol•L﹣1)
催化剂的比表面积
(m2/g)
Ⅰ
280
1.20×10﹣3
5.80×10﹣3
82
Ⅱ
280
1.20×10﹣3
b
124
Ⅲ
350
a
5.80×10﹣3
82
①a= ,b= 。
②能验证温度对化学反应速率影响规律的实验是 (填实验编号)。
③恒温恒容条件下,不能说明该反应已达到平衡状态的是 (填序号)。
A.容器内混合气体颜色不再变化
B.容器内的压强保持不变
C.v逆(CO2)=v正(NO)
D.容器内混合气体密度
14.(2021春•高青县期末)化学是最具有应用价值的学科,为人类生存与繁衍担当了巨大的“社会责任”。
Ⅰ.硝酸铵是一种常用的化肥,也是重要的化工原料。常见工业制备方法如图所示:
(1)氧化室中发生反应的化学方程式为: 。
(2)尾气1的处理方法是: 。
(3)在气体进入吸收塔前再次通入空气的目的是: 。
Ⅱ.利用工业尾气(含硫氧化物与氮氧化物)制备NH4NO3,实现了“变废为宝”并保护了自然环境。如图是相关的工艺流程(Ce为铈元素):
请回答下列问题:
(4)气体1的化学式是: 。
(5)Ge4+发生的反应类型是: 。
(6)若溶液1呈酸性,则装置1中发生反应的离子方程式是: 。
(7)最后要形成粗产品NH4NO3晶体,实验操作依次为(不少于3个术语): 等。
15.(2021春•高青县期末)“创新”是化学人担当“社会责任”的重要体现,“科学探究”是实现“创新”的前奏,“科学探究与创新意识”是化学的核心素养。
Ⅰ.某同学用过量的浓硫酸和如图所示装置来制取SO2并验证其性质。
(1)①写出制取SO2反应的化学方程式: 。
②反应停止并冷却后,烧瓶中的现象: 。
③该制备装置的不足之处是: 。
(2)若要依次验证SO2的漂白性、水溶液的酸性、氧化性和水溶性,请以管口字母写出仪器的连接顺序:a→ → → → → → → → → (可不填满)。
Ⅱ.某同学设计了H2还原CuO的实验装置(如图),并用于证明H2的氧化产物。
(3)实验开始时的操作应: ;
(4)若要证明H2的氧化产物,需对该装置进行的改进是: 。
(5)能够证明H2氧化产物的实验现象是 。
Ⅲ.同学设计了NH3还原CuO的实验装置,并用于证明NH3的氧化产物。
(6)实验开始时,关闭K2,打开K1,当 (填实验操作及现象)时,关闭K1,打开K2。
(7)反应过程中各装置中始终只有无色气体,若要进一步进行探究,请写出你的操作、可能产生的现象和相应的结论 。
16.(2021春•济南期末)碘是人体必需的元素之一,海带中含有丰富的碘元素,灼烧海带获取的海带灰中,碘元素主要以I﹣形式存在。在实验室中,从海带灰中提取碘的流程如下:
回答下列问题:
(1)实验室灼烧海带的主要仪器有酒精灯、三脚架、泥三角、玻璃棒、 等。
(2)指出上述提取碘的过程中有关实验操作的名称:
步骤② ,步骤⑤ 。
(3)写出步骤①中发生反应的离子方程式: 。
(4)步骤②中提取碘的过程中,可选择的有机试剂是 (填编号)。
A.酒精
B.醋酸
C.四氯化碳
D.苯
(5)写出步骤④中发生反应的离子方程式: ,在此反应中,每生成3.81 gI2转移 mol电子。
(6)上述流程中,含I2的水溶液经3步转化为含I2的悬浊液,主要目的是 。
17.(2021春•济南期末)氨是一种重要的化工原料,主要用于化肥、纯碱、硝酸等工业。回答下列问题:
(1)某同学在实验室中,欲用下图装置制备并收集一瓶干燥的氨气。
①实验室利用NH4Cl和Ca(OH)2 制备氨气的化学方程式为 ;
②欲用上述方法收集一瓶干燥的氨气,装置连接顺序为a→ 。
(2)工业合成氨的反应 N2(g)+3H2(g)⇌2NH3(g)是一个可逆反应,反应条件是高温、高压,并且需要合适的催化剂。已知断裂1mol相应化学键需要的能量如下:
化学键
H—H
N—H
N≡N
能量
436kJ
391kJ
946kJ
若反应生成1molNH3(g),可 (填“吸收”或“放出”)热量 kJ。
(3)电化学气敏传感器可用于监测环境中NH3的含量,其工作原理如图。
①离子导体中,OH﹣向Pt电极 (填“a”或“b”)移动;
②写出Pt电极(b)上的电极反应式: 。
18.(2021春•高青县期末)“科学态度”是科学研究的基本要求,“社会责任”是化学人人生观和价值观的基本体现,“科学态度与社会责任”是化学的核心素养。
Ⅰ.Fenton法常用于处理含难降解有机物的工业废水,通常是在调节好pH和Fe2+中加入H2O2,所产生的羟基自由基(•OH)能氧化降解污染物,羟基自由基的产生与溶液pH大小有关。现运用该法降解有机污染物p﹣CP探究有关因素对该降解反应速率的影响。
实验数据:(表中时间,是p﹣CP浓度降低1.50mol/L所需时间)
实验编号
H2O2溶液
Fe2+溶液
蒸馏水
pH
温度
时间
c/mol•L﹣1
V/mL
c/mol•L﹣1
V/mL
V/mL
T/K
t/s
①
6.0×10﹣3
1.50
3.0×10﹣2
3.5
10.00
3
298
200
②
6.0×10﹣3
1.50
3.0×10﹣2
3.5
10.00
3
313
60
③
6.0×10﹣3
3.50
3.0×10﹣2
3.5
V1
3
298
140
④
6.0×10﹣3
1.50
3.0×10﹣2
4.5
9.00
3
298
170
⑤
6.0×10﹣3
1.50
3.0×10﹣2
3.5
V2
12
298
/
请回答:
(1)V1= mL,V2= mL。
(2)实验①条件下,p﹣CP的降解速率为: 。
(3)设置实验①②的目的是: 。设置实验①③的目的是: 。由实验①④可得到的结论是: 。
(4)实验⑤在200s时没有检测到p﹣CP浓度的变化。其原因可能是: 。
Ⅱ.某同学认为,元素的非金属性越强,其最高价含氧酸的氧化性就越强。
请阐述你的观点,并叙述你设计的实验,结合必要的文字说明,证明自己的观点 。
参考答案与试题解析
二.实验题(共13小题)
6.(2021春•滨州期末)某同学为验证同主族元素原子得电子能力强弱进行如下实验:
Ⅰ.向NaBr溶液中滴加少量氯水,充分反应后,加1mL四氯化碳振荡,静置;
Ⅱ.向KI溶液中滴加少量氯水,充分反应后,加1mL四氯化碳振荡,静置;
Ⅲ.在淀粉碘化钾试纸上滴加几滴溴水。
回答下列问题:
(1)实验Ⅰ的现象 溶液分层,下层呈橙色 。
(2)根据Ⅰ、Ⅱ、Ⅲ的实验现象可得实验结论为 元素原子得电子能力:Cl>Br>I ,请用原子结构的知识解释其原因: 氯、溴、碘元素位于元素周期表中的同一主族,三种元素原子的最外层电子数相同,因此随着核外电子层数的依次增加,原子半径依次增加,元素原子吸引电子的能力依次减弱 。
(3)实验Ⅰ、Ⅱ得到的CCl4层中含有卤素单质,可用NaOH浓溶液反萃取分离回收。以下是反萃取回收I2的操作过程:
①向装有I2的CCl4溶液的 分液漏斗 (填仪器名称)中加入少量浓NaOH溶液;
②振荡至溶液的 紫红 色消失,振荡过程中仪器内压强会增大,需要打开 下口活塞 (填“上口玻璃塞”或“下口活塞”)放气;
③静置、分层,先将CCl4层从仪器的下口放出,再将含碘的碱溶液从仪器的 上 (填“上”、“下”)口倒入烧杯中;
④边搅拌边加入几滴45%的H2SO4溶液,溶液立即转为棕黄色,并析出碘晶体,写出该反应的离子方程式 5I﹣+IO3﹣+6H+=3I2↓+3H2O 。
【解答】解:(1)根据分析,向NaBr溶液中滴加少量氯水,充分反应后,加1mL四氯化碳振荡,静置,现象为溶液分层,下层呈橙色,
故答案为:溶液分层,下层呈橙色;
(2)Ⅰ中氧化剂是Cl2,氧化产物是Br2,Ⅱ中氧化剂是Cl2,氧化产物是I2,Ⅲ中氧化剂是Br2,氧化产物是I2,所以氧化性强弱顺序是Cl2>Br2>I2,则元素原子得电子能力:Cl>Br>I,用原子结构的知识解释为:氯、溴、碘元素位于元素周期表中的同一主族,三种元素原子的最外层电子数相同,因此随着核外电子层数的依次增加,原子半径依次增加,元素原子吸引电子的能力依次减弱,
故答案为:元素原子得电子能力:Cl>Br>I;氯、溴、碘元素位于元素周期表中的同一主族,三种元素原子的最外层电子数相同,因此随着核外电子层数的依次增加,原子半径依次增加,元素原子吸引电子的能力依次减弱;
(3)①向装有I2的CCl4溶液的分液漏斗中加入少量浓NaOH溶液进行反萃取,
故答案为:分液漏斗;
②碘单质溶于四氯化碳时呈紫红色,碘单质与氢氧化钠反应,至溶液的紫红色消失,萃取时,慢慢打开下口活塞放气,
故答案为:紫红;下口活塞;
③分层后水溶液位于上层,因此含碘的碱溶液从分液漏斗的上口倒出,
故答案为:上;
④NaI、NaIO3在酸性条件下发生归中反应生成碘,根据得失电子守恒、电荷守恒和原子守恒,写出该反应的离子方程式为:5I﹣+IO3﹣+6H+=3I2↓+3H2O,
故答案为:5I﹣+IO3﹣+6H+=3I2↓+3H2O。
7.(2021春•临沂期末)某小组探究Cu与HNO3反应,发现有趣的现象,室温下3mol/L的稀硝酸(溶液A)遇铜片短时间内无明显变化,一段时间后才有少量气泡产生,而溶液B(如图)遇铜片立即产生气泡。
探究溶液B遇铜片立即发生反应的原因。
①假设1: Cu2+ 对该反应有催化作用。
实验验证:将溶液A中加入少量硝酸铜,溶液呈浅蓝色,放入铜片,没有明显变化。
结论:假设1不成立。
②假设2:NO2对该反应有催化作用。
方案Ⅰ:向盛有铜片的溶液A中通入少量NO2,铜片表面立即产生气泡,反应持续进行。有同学认为应补充对比实验:向盛有铜片的溶液A中加入几滴5mol/L的硝酸,没有明显变化。补充该实验的目的是 排除通入NO2与水反应引起硝酸浓度增大的影响 。
方案Ⅱ:向溶液B中通入氮气数分钟得溶液C。相同条件下,铜片与A、B、C三份溶液的反应速率:B>C>A,该实验能够证明假设2成立的理由是 通入的氮气可以带走溶液中的NO2,因此三份溶液中的NO2的浓度:B>C>A,反应速率随NO2浓度降低而减慢,说明NO2对该反应有催化作用 。
③查阅资料:NO2溶于水可以生成HNO2和 HNO3 。
向盛有铜片的溶液A中加入 NaNO2 ,铜片上立即产生气泡,证明HNO2对该反应也有催化作用。
结论:NO2和HNO2均对Cu与HNO3的反应有催化作用。
④Cu与稀HNO3反应中,HNO2参与的可能催化过程如下:将ii补充完整。
i.NO3﹣+HNO2+H+═2NO2↑+H2O
ii. Cu+2NO2+2H+=Cu2++2HNO2
ii.3NO2+H2O═2H++2NO3﹣+NO
【解答】解:①实验来验证假设,向溶液A中加入少量硝酸铜,故假设应为Cu2+的催化作用,
故答案为:Cu2+;
②方案Ⅰ:实验验证NO2对该反应有催化作用,要保证唯一变量,NO2与水反应会产生硝酸,加入硝酸,排除是硝酸浓度的变化对实验的影响,
故答案为:排除通入NO2与水反应引起硝酸浓度增大的影响;
方案Ⅱ:向溶液B中通入氮气数分钟得溶液C,相同条件下,铜片与A、B、C三份溶液的反应速率:B>C>A,假设2成立,NO2对该反应有催化作用,这三支试管的反应速率不同,可能因为NO2的浓度不同,考虑到通入的氮气带走了部分的NO2,
故答案为:通入的氮气可以带走溶液中的NO2,因此三份溶液中的NO2的浓度:B>C>A,反应速率随NO2浓度降低而减慢,说明NO2对该反应有催化作用;
③NO2溶于水生成HNO2时化合价降低,那么另一种物质N的化合价必然要升高,即生成HNO3,要证明HNO2对该反应也有催化作用,那么就要向溶液中加入亚硝酸根离子,可以加入NaNO2,
故答案为:HNO3;NaNO2;
④HNO2作催化剂,那么i步消耗,在ⅱ步应该要生成,铜和稀硝酸生成NO,所以NO2也为中间产物,结合i、ⅲ,第ⅱ步发生的反应为:Cu+2NO2+2H+=Cu2++2HNO2,
故答案为:Cu+2NO2+2H+=Cu2++2HNO2。
8.(2021春•烟台期末)石油是重要的化工原料,被称为“工业的血液”。图中A的产量被用作衡量一个国家石油化工产业发展水平的标志。回答下列问题:
(1)过程②这种获得有机化工原料的方法在工业上叫做 裂解 。物质D中含有的官能团名称为 羧基 。过程③发生的反应类型是 加成反应 。
(2)石油气的成分中含有一种电子总数为42的烷烃,该烷烃共有 3 种同分异构体,其中一氯代物共有4种的名称是 异戊烷或2﹣甲基丁烷 。
(3)以淀粉为原料经水解生成葡萄糖,葡萄糖在酒化酶的作用下可分解生成B,写出生成B的化学方程式 C6H12O62CH3CH2OH+2CO2↑ 。实验室实现过程④反应的化学方程式为 2CH3CH2OH+O22CH3CHO+2H2O 。
(4)实验室常用如图装置实现过程⑥发生的化学反应。
①实验时,先在大试管中加入B、浓硫酸、D的混合物,再加入 碎瓷片 。
②反应结束后,将收集到的产品倒入分液漏斗中振荡、静置、分液, 乙酸乙酯或上层液体 从分液漏斗上口倒出。
③相对于a装置,用b装置进行制备的缺点有 不易控制反应温度(或原料损失较大或易发生副反应等) (答一条即可)。
【解答】解:(1)石蜡油裂解生成乙烯等小分子化合物,则过程②这种获得有机化工原料的方法在工业上叫做裂解;D为CH3COOH,物质D中含有的官能团名称为羧基;过程③是乙烯中碳碳双键和水发生加成反应生成乙醇,发生的反应类型是加成反应,
故答案为:裂解;羧基;加成反应;
(2)石油气的成分中含有一种电子总数为42的烷烃,该烷烃中C原子个数==5,则烷烃为戊烷,该烷烃同分异构体有正戊烷、异戊烷、新戊烷三种同分异构体,其中一氯代物共有4种的烷烃中含有4种氢原子,该烷烃的名称是异戊烷或2﹣甲基丁烷,
故答案为:3;异戊烷或2﹣甲基丁烷;
(3)以淀粉为原料经水解生成葡萄糖,葡萄糖在酒化酶的作用下可分解生成B,则生成B的化学方程式C6H12O62CH3CH2OH+2CO2↑;实验室实现过程④反应为乙醇的催化氧化,该反应的化学方程式为2CH3CH2OH+O22CH3CHO+2H2O,
故答案为:C6H12O62CH3CH2OH+2CO2↑;2CH3CH2OH+O22CH3CHO+2H2O;
(4)①为防止加入混合溶液时产生暴沸现象,需要在加热前加入碎瓷片,
故答案为:碎瓷片;
②乙醇溶于饱和碳酸钠溶液、乙酸和碳酸钠溶液反应生成可溶性的乙酸钠,乙酸乙酯不溶于水且密度小于水,所以和饱和碳酸钠溶液混合时分层且乙酸乙酯在上层,分液时上层的乙酸乙酯从上口倒出,
故答案为:乙酸乙酯或上层液体;
③乙醇和乙酸易挥发,受热时更易挥发,直接加热不易控制温度,且直接加热易发生副反应,所以装置a较好,
故答案为:不易控制反应温度(或原料损失较大或易发生副反应等)。
9.(2021春•烟台期末)某科研小组设计利用甲醇(CH3OH)燃料电池(酸性溶液作离子导体),模拟工业电镀、精炼和海水淡化的装置如图。
(1)甲装置中c口通入的气体是 O2 ,A电极的电极反应式为 CH3OH﹣6e﹣+H2O=CO2+6H+ 。
(2)乙装置用来模拟精炼和电镀。
①若用于粗铜的精炼,装置中电极C是 粗铜 (填“粗铜”或“纯铜”),工作一段时间后,电解质CuSO4溶液的浓度将 减小 (填“增大”“减小”或“不变”)。
②若用于电镀金属银,则电镀液宜使用 AgNO3 溶液,镀件是 D (填“C”或“D”)。
(3)电渗析法是海水淡化的常用方法,某地海水中主要离子的含量如表,现利用“电渗析法”进行淡化,技术原理如图丙所示(两端为惰性电极,阳膜只允许阳离子通过,阴膜只允许阴离子通过)。
离子
Na+
K+
Ca2+
Mg2+
Cl﹣
SO42﹣
HCO3﹣
含量/mg•L﹣1
9360
83
200
1100
16000
1200
118
①淡化过程中在 戊 室中易形成水垢[主要成分CaCO3和Mg(OH)2],该室中除发生电极反应外,还发生反应的离子方程式为 Ca2++HCO3﹣+OH﹣=CaCO3↓+H2O、Mg2++2OH﹣=Mg(OH)2↓ 。
②产生淡水的出水口为 ej (选填“e”、“f”、“j”)。
【解答】解:(1)甲装置是原电池,电解质溶液中H+移动方向:A→B,则A为负极、B为正极,a口通入的物质是CH3OH,c口通入的气体是氧气,负极上CH3OH失电子生成CO2,负极反应式为CH3OH﹣6e﹣+H2O=CO2+6H+,
故答案为:O2;CH3OH﹣6e﹣+H2O=CO2+6H+;
(2)装置乙为电解池,电极C为电解池的阳极、D电极为阴极,
①电解精炼时,粗铜作阳极、纯铜作阴极,含有铜离子的CuSO4溶液作电解质溶液,即乙装置中C电极为粗铜,D电极为纯铜,粗铜中含有比铜活泼的金属,优先放电,使溶液中的铜离子得电子析出,则CuSO4溶液的浓度减小,
故答案为:粗铜;减小;
②若用于电镀金属银,则阳极为纯银,阴极为镀件,含有银离子的AgNO3溶液作电解质溶液,即C为银,D为镀件,电镀液为AgNO3溶液,
故答案为:AgNO3;D;
(3)装置丙为海水淡化池,甲室为阳极室,戊室为阴极室,工作时阳离子通过阳离子交换膜移向阴极、阴离子通过阴离子交换膜移向阳极,
①甲室中Cl﹣放电生成Cl2,戊室中阴极上水放电生成H2,电极反应为2H2O+2e﹣=H2↑+2OH﹣,OH﹣与Mg2+、Ca2+、HCO3﹣反应生成CaCO3、Mg(OH)2沉淀,发生的反应为Ca2++HCO3﹣+OH﹣=CaCO3↓+H2O、Mg2++2OH﹣=Mg(OH)2↓,则戊室中易形成水垢,
故答案为:戊;Ca2++HCO3﹣+OH﹣=CaCO3↓+H2O、Mg2++2OH﹣=Mg(OH)2↓;
②海水淡化池工作时,阴、阳离子交换膜的限制,甲室中阳离子总量不变,乙室中阴离子移向甲室;乙室中阳离子移向丙室,阴离子移向甲室,得到淡化海水;丙室中阴、阳离子浓度均增大,得到浓海水;丁室中阴离子移向甲丙室、阳离子移向戊室,得到淡化,所以产生淡水的出水口为ej,
故答案为:ej。
10.(2021春•枣庄期末)某化学兴趣小组用如图装置制备乙酸乙酯(夹持和加热装置省略)。
查阅资料可知:
(1)乙醇可以和氯化钙反应生成微溶于水的CaCl2•6C2H5OH
(2)相关物质的沸点(101KPa)、密度见下表:
物质
乙醇
乙酸
乙酸乙酯
水
沸点/℃
78.3
117.9
77.1
100
密度/g•mL﹣1
0.785
1.049
0.901
0.997
其实验步骤如下,请回答:
1.打开分液漏斗活塞,滴入一部分混合液,小火加热进行蒸馏。
(1)NaHSO4•H2O的作用是 催化剂 ;仪器A的名称为 直形冷凝管 ,其进水位置为 b (填“a”或“b”)
2.当温度达到80℃时,蒸馏管口有液体流出,再从分液漏斗滴入剩余混合.液,维持反应温度在80~90℃之间,反应一段时间得到粗产品。
(2)该实验中三颈烧瓶适宜的加热方式是 水浴加热 ,其中发生主要反应的化学方程式为 CH3COOH+CH3CH2OHCH3COOCH2CH3+H2O 。
3.粗产品用饱和氯化钙溶液洗涤2次,分出酯层,再向酯层中加无水硫酸钠固体,过滤。
(3)饱和氯化钙溶液的作用是 除去乙醇 ;过滤操作中用到的玻璃仪器有烧杯 漏斗 、 玻璃棒 。
4.对滤液进行第二次蒸馏,收集相应温度的馏分。
(4)收集馏分的适宜温度为 B (填序号)。
A.65~70℃
B.77~80℃
C.100~105℃
D.117~120℃
【解答】解:(1)制备乙酸乙酯的反应需要催化剂,故NaHSO4•H2O的作用是催化剂,根据仪器的构造可知仪器A的名称为直形冷凝管,其进水位置为 b,
故答案为:催化剂;直形冷凝管;b;
(2)由于反应温度在80~90℃之间,故可采用水浴加热方式进行加热,其中发生主要反应的化学方程式为:CH3COOH+CH3CH2OHCH3COOCH2CH3+H2O,
故答案为:水浴加热;CH3COOH+CH3CH2OHCH3COOCH2CH3+H2O;
(3)饱和氯化钙溶液的作用是除去乙醇,过滤操作中用到的玻璃仪器有烧杯、漏斗、玻璃棒,
故答案为:除去乙醇;漏斗;玻璃棒;
(4)乙酸乙酯的沸点为77.1℃,所以收集馏分的适宜温度为77~80℃,即B符合题意,
故答案为:B。
11.(2021春•聊城期末)氮氧化物(NOx)是大气污染物之一,处理工业废气中的NOx对于环境保护具有重要的意义。
(1)在一定条件下NH3可将NO2还原。甲同学在实验室对该反应进行了探究。实验设计如图(部分夹持置省略)。
①用装置A制备NH3,其中发生反应的化学方程式为 2NH4Cl+Ca(OH)2CaCl2+2NH3↑+2H2O ;装置B内的试剂是 碱石灰 。
②装置D中发生反应的离子方程式是 Cu+4H++2NO3﹣=Cu2++2NO2↑+2H2O ,铜丝可抽动的优点是 随时可以控制反应的进行或停止 。
③在装置M中NH3和NO2充分反应,生成两种对环境友好的物质,该反应中NH3和 NO2的物质的量之比为 4:3 。
(2)用NaOH溶液吸收法处理NOx(仅含NO、NO2)。已知过程中发生的反应有:2NaOH+NO+NO2═2NaNO2+H2O;2NaOH+2NO2═NaNO3+NaNO2+H2O
①用不同浓度的NaOH溶液吸收NO2含量不同的尾气,关系如图:(α表示NOx中NO2的含量):
用NaOH溶液吸收氮氧化物的最佳条件为:α= 50% ,c(NaOH)= 1.25mol/L 。
②若一定体积的NOx被250mL2mol•L﹣1的NaOH溶液恰好完全吸收,溶液质量增加19.8g,则x的值为 1.6 。
【解答】解:(1)①装置A中NH4Cl和Ca(OH)2反应生成CaCl2、NH3、H2O,化学方程式为2NH4Cl+Ca(OH)2CaCl2+2NH3↑+2H2O,氨气可以用碱石灰干燥,
故答案为:2NH4Cl+Ca(OH)2CaCl2+2NH3↑+2H2O;碱石灰;
②装置D中为铜和浓硝酸反应生成Cu(NO3)2、NO2、H2O,反应的离子方程式是:Cu+4H++2NO3﹣=Cu2++2NO2↑+2H2O,铜丝可抽动的优点是随时可以控制反应的进行或停止,
故答案为:Cu+4H++2NO3﹣=Cu2++2NO2↑+2H2O;随时可以控制反应的进行或停止;
③在装置M中NH3和NO2充分反应,生成两种对环境友好的物质即N2和水,NH3中氮元素化合价升高了3价,NO2中氮元素化合价降低了4价,根据化合价升降守恒,可知NH3和 NO2的物质的量之比为:4:3,
故答案为:4:3;
(2)①由图可知,用NaOH溶液吸收氮氧化物的最佳条件为:α=50%,c(NaOH)=1.25mol/L,此时氮氧化物的吸收率接近100%,
故答案为:50%;1.25mol/L;
②根据反应2NaOH+NO+NO2═2NaNO2+H2O;2NaOH+2NO2═NaNO3+NaNO2+H2O可知,若一定体积的NOx被250mL2mol•L﹣1的NaOH溶液恰好完全吸收,则生成物为NaNO2或NaNO3和NaNO2的混合物,根据组成可知:n(Na)=n(N),结合守恒的思想,则有:n(NOx)=n(NaOH)=0.25L×2mol•L﹣1=0.5mol,故NOx的摩尔质量为:=39.6g/mol,故有14+16x=39.6,解得:x=1.6,
故答案为:1.6。
12.(2021春•菏泽期末)有关催化剂的催化机理等问题可以从“乙醇催化氧化实验”得到一些认识,某同学设计了如图所示装置进行实验(加热仪器、夹持仪器已略去)。
已知:乙醇的沸点为78℃,易溶于水:乙醛的沸点为20.8℃,易溶于水。
回答下列问题:
(1)乙醇催化氧化的化学方程式是 2CH3CH2OH+O22CH3CHO+2H2O 。
(2)实验时上述装置需要加热,其中应该首先加热的是 B (填字母),为使装置A中的乙醇形成稳定的蒸气,适宜的加热方法是 水浴加热 。
(3)实验开始后,间歇性通入氧气,装置B中观察到的现象是 受热部分的铜丝随间歇性地鼓入氧气而交替出现先变黑、后变红 ,从中可认识到该实验过程中催化剂 参加 (填“参加”或“不参加”)化学反应,催化剂起催化作用需要一定的 温度 。
(4)装置D的作用是 防止外界的水蒸气进入C装置 。
(5)若试管E中收集到的液体用紫色石蕊试纸检验,试纸显红色,说明液体中还含有 CH3COOH (填化学式),要除去该物质,可向混合液中加入 c 。
a.氯化钠溶液
b.苯
c.碳酸氢钠溶液
d.四氯化碳
【解答】解:(1)乙醇催化氧化生成乙醛和水,反应的化学方程式为2CH3CH2OH+O22CH3CHO+2H2O,
故答案为:2CH3CH2OH+O22CH3CHO+2H2O;
(2)乙醇催化氧化需要加热,则可先加热B处铜丝,再加热A处无水乙醇,使得到的乙醇蒸气进入装置B,且用水浴加热形成稳定的乙醇蒸气,
故答案为:B;水浴加热;
(3)乙醇的催化氧化反应中,铜作催化剂,反应过程中铜网出现黑色,2Cu+O22CuO,CuO再与CH3CH2OH反应,CH3CH2OH+CuOCH3CHO+Cu+H2O,交替出现先变黑、后变红现象,据此可知实验过程中催化剂铜参加了化学反应,只是在初始反应中作反应物,在最终反应中作生成物,加热说明催化作用需要一定的温度,
故答案为:受热部分的铜丝随间歇性地鼓入氧气而交替出现先变黑、后变红;参加;温度;
(4)C处无水硫酸铜用于检验水,但防止E装置中水蒸气造成干扰,可在C、E装置之间添加干燥装置D,所以装置D的作用是防止外界的水蒸气进入C装置,
故答案为:防止外界的水蒸气进入C装置;
(5)若试管E中收集到的液体用紫色石蕊试纸检验,试纸显红色,说明液体中还含有乙酸,
a、乙酸与氯化钠不反应,氯化钠溶液不能除去乙酸,故a不选;
b、苯能溶解乙醇、乙醛、乙酸,不能除去乙酸,故b选;
c、碳酸氢钠溶液能和乙酸反应生成乙酸钠,可除去乙酸,故c选;
d、四氯化碳能溶解乙醇、乙醛、乙酸,不能除去乙酸,故d不选;
故答案为:CH3COOH;c。
13.(2021春•菏泽期末)氮是地球上含量丰富的一种元素,氮及其化合物在生产、生活中有着重要作用。回答下列问题:
(1)氮气和氧气反应生成一氧化氮的能量变化如下图所示,则由该反应生成1mol NO时,应 吸收 (填“释放”或“吸收”) 90 kJ能量。
(2)汽车尾气中含有的NO是造成城市空气污染的主要因素之一,通过NO传感器可监测汽车尾气中NO含量,其工作原理如图所示:
①NiO电极为 负极 (填“正极”或“负极”)。
②Pt电极上发生的电极反应式为 O2+4e﹣=2O2﹣ 。
③当电路中有1mol电子发生转移时,消耗NO的体积为 11.2 L(标准状况)。
(3)一种新型催化剂能使NO和CO发生反应2NO(g)+2CO(g)⇌2CO2(g)+N2(g)。为验证温度和催化剂的比表面积对化学反应速率的影响规律,某同学设计了如下三组实验。
实验编号
T(℃)
NO初始浓度
(mol•L﹣1)
CO初始浓度
(mol•L﹣1)
催化剂的比表面积
(m2/g)
Ⅰ
280
1.20×10﹣3
5.80×10﹣3
82
Ⅱ
280
1.20×10﹣3
b
124
Ⅲ
350
a
5.80×10﹣3
82
①a= 1.20×10﹣3 ,b= 5.80×10﹣3 。
②能验证温度对化学反应速率影响规律的实验是 Ⅰ和Ⅲ (填实验编号)。
③恒温恒容条件下,不能说明该反应已达到平衡状态的是 AD (填序号)。
A.容器内混合气体颜色不再变化
B.容器内的压强保持不变
C.v逆(CO2)=v正(NO)
D.容器内混合气体密度
【解答】解:(1)N2(g)+O2(g)=2NO(g)△H=946kJ/mol+498kJ/mol﹣1264kJ/mol=180kJ/mol,则由该反应生成1mol NO时,应吸收180kJ×=90kJ热量,
故答案为:吸收;90;
(2)①NO失电子生成NO2,NiO电极为负极,
故答案为:负极;
②Pt电极为正极,电极反应式为O2+4e﹣=2O2﹣,
故答案为:O2+4e﹣=2O2﹣;
③NiO电极为负极,电极反应式为NO﹣2e﹣+O2﹣=NO2,当电路中有1mol电子发生转移时,消耗NO的体积为1mol××22.4L/mol=11.2L,
故答案为:11.2;
(3)①保证反应物起始浓度一致,则a=1.20×10﹣3,b=5.80×10﹣3,
故答案为:1.20×10﹣3;5.80×10﹣3;
②实验Ⅰ和Ⅲ催化剂的比表面积相同,能验证温度对化学反应速率影响规律,
故答案为:Ⅰ和Ⅲ;
③A.反应涉及气体均无颜色,故无法用颜色判断平衡状态;
B.反应正向气体体积减小,可用压强来判断平衡状态,压强不变,反应达到平衡状态;
C.v逆(CO2)=v正(NO),反应速率一正一逆,且满足系数比,可用来判断平衡状态;
D.反应前后均为气体,气体总质量不变,容器容积不变,密度始终不变,无法用密度判断平衡状态,
故答案为:AD。
14.(2021春•高青县期末)化学是最具有应用价值的学科,为人类生存与繁衍担当了巨大的“社会责任”。
Ⅰ.硝酸铵是一种常用的化肥,也是重要的化工原料。常见工业制备方法如图所示:
(1)氧化室中发生反应的化学方程式为: 4NH3+5O24NO+6H2O 。
(2)尾气1的处理方法是: 送回合成塔循环使用 。
(3)在气体进入吸收塔前再次通入空气的目的是: 使NO全部转化成HNO3 。
Ⅱ.利用工业尾气(含硫氧化物与氮氧化物)制备NH4NO3,实现了“变废为宝”并保护了自然环境。如图是相关的工艺流程(Ce为铈元素):
请回答下列问题:
(4)气体1的化学式是: NO 。
(5)Ge4+发生的反应类型是: 还原反应 。
(6)若溶液1呈酸性,则装置1中发生反应的离子方程式是: SO2+OH﹣=HSO3﹣ 。
(7)最后要形成粗产品NH4NO3晶体,实验操作依次为(不少于3个术语): 蒸发浓缩、冷却结晶、过滤 等。
【解答】Ⅰ.(1)由上述分析可知:氧化室中氨气被空气中的氧气氧化,生成一氧化氮和水,发生反应的化学方程式为:4NH3+5O24NO+6H2O,
故答案为:4NH3+5O24NO+6H2O;
(2)因为氮气和氢气发生反应生成氨气是可逆反应,所以尾气I是氮气和氢气气体,应该送回合成塔循环使用,
故答案为:送回合成塔循环使用;
(3)由上述分析可知:在气体进入吸收塔前再次通入空气的目的是:氧化氮被氧气氧化生成二氧化氮,在合成塔被水吸收生成硝酸,
故答案为:使NO全部转化成HNO3;
Ⅱ.(4)根据上述分析可知:装置I中加入NaOH溶液将SO2变成HSO3﹣,所以气体1为NO,
故答案为:NO;
(5)根据上述分析可知:装置II中Ce4+将NO氧化为NO3﹣、NO2﹣,本身被还原为Ce,所以Ge4+发生了还原反应,
故答案为:还原反应;
(6)根据上述分析可知:若溶液1呈酸性,装置I中加入NaOH溶液将SO2变成HSO3﹣,则装置I中发生反应的离子方程式是:SO2+OH﹣=HSO3﹣,
故答案为:SO2+OH﹣=HSO3﹣;
(7)根据上述分析可知:硝酸和氨气在合成塔II中反应生成硝酸铵,最后要形成粗产品NH4NO3晶体,需要依次进行蒸发浓缩、冷却结晶、过滤即可得到 晶体,
故答案为:蒸发浓缩、冷却结晶、过滤。
15.(2021春•高青县期末)“创新”是化学人担当“社会责任”的重要体现,“科学探究”是实现“创新”的前奏,“科学探究与创新意识”是化学的核心素养。
Ⅰ.某同学用过量的浓硫酸和如图所示装置来制取SO2并验证其性质。
(1)①写出制取SO2反应的化学方程式: 2H2SO4(浓)+CuCuSO4+SO2↑+2H2O 。
②反应停止并冷却后,烧瓶中的现象: 有白色(灰白色)固体生成,溶液呈无色 。
③该制备装置的不足之处是: 不能随时控制反应的开始与停止 。
(2)若要依次验证SO2的漂白性、水溶液的酸性、氧化性和水溶性,请以管口字母写出仪器的连接顺序:a→ d → e → b → c → g → f → k → 无 → 无 (可不填满)。
Ⅱ.某同学设计了H2还原CuO的实验装置(如图),并用于证明H2的氧化产物。
(3)实验开始时的操作应: 先通入H2,后点燃酒精灯 ;
(4)若要证明H2的氧化产物,需对该装置进行的改进是: 浓硫酸后面添加装有无水硫酸铜的干燥管 。
(5)能够证明H2氧化产物的实验现象是 前面的无水硫酸铜不变蓝,后面的无水硫酸铜变蓝 。
Ⅲ.同学设计了NH3还原CuO的实验装置,并用于证明NH3的氧化产物。
(6)实验开始时,关闭K2,打开K1,当 (用湿润的红色石蕊试纸靠近K1出口,试纸变蓝;或用蘸有浓盐酸的玻璃棒靠近K1出口,有白烟生成) (填实验操作及现象)时,关闭K1,打开K2。
(7)反应过程中各装置中始终只有无色气体,若要进一步进行探究,请写出你的操作、可能产生的现象和相应的结论 向集气瓶中通入空气,如果气体不变色,则证明氨的氧化产物是氮气;如果气体变为红棕色,则证明氨的氧化产物是一氧化氮 。
【解答】解:(1)①由图可知,制取SO2选择的试剂为铜和浓硫酸,发生的化学方程式为2H2SO4(浓)+CuCuSO4+SO2↑+2H2O,
故答案为:2H2SO4(浓)+CuCuSO4+SO2↑+2H2O;
②反应停止并冷却后,有浓硫酸剩余,烧瓶中有白色(灰白色)固体生成,溶液呈无色,
故答案为:有白色(灰白色)固体生成,溶液呈无色;
③由于细铜丝和浓硫酸全部接触,不能随时控制反应的开始与停止,
故答案为:不能随时控制反应的开始与停止;
(2)若要依次验证SO2的漂白性、水溶液的酸性、氧化性和水溶性,则先通入品红溶液验证漂白性,再通入石蕊溶液验证酸性,再通入硫化氢溶液验证氧化性,最后通入水中验证水溶性,所以仪器连接顺序为:a→d→e→b→c→g→f→k,
故答案为:d;e;b;c;g;f;k;
(3)为了排除装置中的氧气,实验开始时的操作应先通入H2再点燃酒精灯,
故答案为:先通入H2,后点燃酒精灯;
(4)若要证明H2的氧化产物,需要证明氢气中的水蒸气已除尽,浓硫酸后面添加装有无水硫酸铜的干燥管,
故答案为:浓硫酸后面添加装有无水硫酸铜的干燥管;
(5)H2氧化产物为水,水能使无水硫酸铜变蓝,所以能够证明H2氧化产物的实验现象是前面的无水硫酸铜不变蓝,后面的无水硫酸铜变蓝,
故答案为:前面的无水硫酸铜不变蓝,后面的无水硫酸铜变蓝;
(6)实验开始时,要排除装置中的氧气,所以关闭K2,打开K1,当用湿润的红色石蕊试纸靠近K1出口,试纸变蓝(或用蘸有浓盐酸的玻璃棒靠近K1出口,有白烟生成时),关闭K1,打开K2,
故答案为:用湿润的红色石蕊试纸靠近K1出口,试纸变蓝(或用蘸有浓盐酸的玻璃棒靠近K1出口,有白烟生成);
(7)反应过程中各装置中始终只有无色气体,但是可能为氮气,也可能为一氧化氮,若要进一步进行探究,可以向集气瓶中通入空气,如果气体不变色,则证明氨的氧化产物是氮气;如果气体变为红棕色,则证明氨的氧化产物是一氧化氮,
故答案为:向集气瓶中通入空气,如果气体不变色,则证明氨的氧化产物是氮气;如果气体变为红棕色,则证明氨的氧化产物是一氧化氮。
16.(2021春•济南期末)碘是人体必需的元素之一,海带中含有丰富的碘元素,灼烧海带获取的海带灰中,碘元素主要以I﹣形式存在。在实验室中,从海带灰中提取碘的流程如下:
回答下列问题:
(1)实验室灼烧海带的主要仪器有酒精灯、三脚架、泥三角、玻璃棒、 坩埚(或坩埚钳) 等。
(2)指出上述提取碘的过程中有关实验操作的名称:
步骤② 萃取分液 ,步骤⑤ 过滤 。
(3)写出步骤①中发生反应的离子方程式: 2I﹣+H2O2+2H+=I2+2H2O 。
(4)步骤②中提取碘的过程中,可选择的有机试剂是 CD (填编号)。
A.酒精
B.醋酸
C.四氯化碳
D.苯
(5)写出步骤④中发生反应的离子方程式: IO3﹣+5I﹣+6H+=3I2+3H2O ,在此反应中,每生成3.81 gI2转移 0.025mol mol电子。
(6)上述流程中,含I2的水溶液经3步转化为含I2的悬浊液,主要目的是 富集碘元素 。
【解答】解:(1)固体灼烧需要坩埚,实验室灼烧海带的主要仪器有酒精灯、三脚架、泥三角、玻璃棒、坩埚(或坩埚钳)等,
故答案为:坩埚(或坩埚钳);
(2)步骤②得到含碘的有机溶液,是将碘单质从水中提取出来的操作,属于萃取分液,步骤⑤是从悬浊液中得到单质碘,将固体和液体分开,属于过滤,
故答案为:萃取分液;过滤;
(3)步骤①中双氧水氧化碘离子,发生反应的离子方程式为2I﹣+H2O2+2H+=I2+2H2O,
故答案为:2I﹣+H2O2+2H+=I2+2H2O;
(4)A.酒精和水互溶,不能作萃取剂,故A错误;
B.醋酸和水互溶,不能作萃取剂,故B错误;
C.单质碘易溶于有机溶剂四氯化碳中,且四氯化碳与水不互溶,可作萃取剂,故C正确;
D.单质碘易溶于有机溶剂苯中,且苯和水不互溶,可作萃取剂,故D正确;
故答案为:CD;
(5)步骤④中碘酸根氧化碘离子,发生反应的离子方程式为IO3﹣+5I﹣+6H+=3I2+3H2O,在此反应中,每生成3mol碘,转移5mol电子,3.81gI2的物质的量是=0.015mol,则转移=0.025mol电子,
故答案为:IO3﹣+5I﹣+6H+=3I2+3H2O;0.025mol;
(6)由于海水中碘的含量较低,则含I2的水溶液经3步转化为含I2的悬浊液,主要目的是富集碘元素,
故答案为:富集碘元素。
17.(2021春•济南期末)氨是一种重要的化工原料,主要用于化肥、纯碱、硝酸等工业。回答下列问题:
(1)某同学在实验室中,欲用下图装置制备并收集一瓶干燥的氨气。
①实验室利用NH4Cl和Ca(OH)2 制备氨气的化学方程式为 2NH4Cl+Ca(OH)2CaCl2+2NH3↑+2H2O ;
②欲用上述方法收集一瓶干燥的氨气,装置连接顺序为a→ cb→ed→h 。
(2)工业合成氨的反应 N2(g)+3H2(g)⇌2NH3(g)是一个可逆反应,反应条件是高温、高压,并且需要合适的催化剂。已知断裂1mol相应化学键需要的能量如下:
化学键
H—H
N—H
N≡N
能量
436kJ
391kJ
946kJ
若反应生成1molNH3(g),可 放出 (填“吸收”或“放出”)热量 46 kJ。
(3)电化学气敏传感器可用于监测环境中NH3的含量,其工作原理如图。
①离子导体中,OH﹣向Pt电极 a (填“a”或“b”)移动;
②写出Pt电极(b)上的电极反应式: O2+2H2O+4e﹣=4OH﹣ 。
【解答】解:(1)①实验室利用NH4Cl和Ca(OH)2 制备氨气,化学方程式为2NH4Cl+Ca(OH)2CaCl2+2NH3↑+2H2O,
故答案为:2NH4Cl+Ca(OH)2CaCl2+2NH3↑+2H2O;
②B为干燥装置,干燥管中气体粗口进细口出,C为收集装置,向下排空气法应短进长出,E为尾气处理装置,故装置连接顺序为a→cb→ed→h,
故答案为:cb→ed→h;
(2)N2(g)+3H2(g)⇌2NH3(g)△H=946kJ/mol+3×436kJ/mol﹣6×391kJ/mol=﹣92kJ/mol,生成1molNH3(g)可放出(﹣92kJ)×=46kJ热量,
故答案为:放出;46;
(3)①原电池中,阴离子向负极移动,故OH﹣向Pt电极a移动,
故答案为:a;
②Pt电极b为正极,氧气的电子生成氢氧根离子,电极反应式为O2+2H2O+4e﹣=4OH﹣,
故答案为:O2+2H2O+4e﹣=4OH﹣。
18.(2021春•高青县期末)“科学态度”是科学研究的基本要求,“社会责任”是化学人人生观和价值观的基本体现,“科学态度与社会责任”是化学的核心素养。
Ⅰ.Fenton法常用于处理含难降解有机物的工业废水,通常是在调节好pH和Fe2+中加入H2O2,所产生的羟基自由基(•OH)能氧化降解污染物,羟基自由基的产生与溶液pH大小有关。现运用该法降解有机污染物p﹣CP探究有关因素对该降解反应速率的影响。
实验数据:(表中时间,是p﹣CP浓度降低1.50mol/L所需时间)
实验编号
H2O2溶液
Fe2+溶液
蒸馏水
pH
温度
时间
c/mol•L﹣1
V/mL
c/mol•L﹣1
V/mL
V/mL
T/K
t/s
①
6.0×10﹣3
1.50
3.0×10﹣2
3.5
10.00
3
298
200
②
6.0×10﹣3
1.50
3.0×10﹣2
3.5
10.00
3
313
60
③
6.0×10﹣3
3.50
3.0×10﹣2
3.5
V1
3
298
140
④
6.0×10﹣3
1.50
3.0×10﹣2
4.5
9.00
3
298
170
⑤
6.0×10﹣3
1.50
3.0×10﹣2
3.5
V2
12
298
/
请回答:
(1)V1= 8.00 mL,V2= 10.00 mL。
(2)实验①条件下,p﹣CP的降解速率为: 0.0075mol/(L•min) 。
(3)设置实验①②的目的是: 探究温度对反应速率的影响 。设置实验①③的目的是: 探究H2O2溶液浓度对反应速率的影响 。由实验①④可得到的结论是: 其他条件相同时,c(Fe2+)越大,反应速率越大 。
(4)实验⑤在200s时没有检测到p﹣CP浓度的变化。其原因可能是: Fe2+在该条件下生成Fe(OH)2,迅速被氧化成Fe(OH)3,不能使H2O2产生羟基自由基 。
Ⅱ.某同学认为,元素的非金属性越强,其最高价含氧酸的氧化性就越强。
请阐述你的观点,并叙述你设计的实验,结合必要的文字说明,证明自己的观点 我认为该同学的说法正确,S的非金属性大于C,加热条件下,浓硫酸能氧化碳生成二氧化碳,浓硫酸是氧化剂,二氧化碳是氧化产物,该实验能证明硫酸的氧化性大于碳酸,可证明该该观点正确(或我认为该同学的说法正确,N的非金属性强于S,等浓度的浓硝酸常温下能氧化Cu,浓硫酸需加热才能氧化Cu,该实验能证明浓硝酸的氧化性强于浓硫酸,可证明该该观点正确) 。
【解答】解:Ⅰ.(1)实验①为对照组,实验①、③是探究H2O2溶液浓度对降解速率的影响,实验①、⑤是探究pH对降解速率的影响,所以所取溶液的总量为15.00mL,应保持单一变量,溶液总体积应为15mL,则V1=15.00﹣3.50﹣3.50=8.00,V2=15.00﹣3.50﹣1.50=10.00,
故答案为:8.00;10.00;
(2)实验①条件下,p﹣CP的降解速率v===0.0075mol/(L•min),
故答案为:0.0075mol/(L•min);
(3)由表中数据可知,实验①、②只有温度不同,其他数据均相同,则实验①、②是探究温度对降解速率的影响,同理可知实验①、③是探究H2O2溶液浓度对降解速率的影响,实验①、④是探究催化剂浓度对化学反应速率的影响,并且Fe2+的浓度越大,反应速率越快,
故答案为:探究温度对反应速率的影响;探究H2O2溶液浓度对反应速率的影响;其他条件相同时,c(Fe2+)越大,反应速率越大;
(4)实验①、⑤是探究pH对P﹣CP降解速率的影响,溶液的pH等于12,在200s时没有检测到p﹣CP浓度的变化,说明pH=12时,该降解反应趋于停止,是因为碱性较强时,Fe2+被H2O2氧化生成Fe(OH)3,催化作用降低,抑制了羟基自由基产生的,进而无法氧化降解污染物,
故答案为:Fe2+在该条件下生成Fe(OH)2,迅速被氧化成Fe(OH)3,不能使H2O2产生羟基自由基;
Ⅱ.某同学认为:元素的非金属性越强,其最高价含氧酸的氧化性就越强,可以C、S元素为例说明:S的非金属性大于C,碳粉和浓硫酸在加热条件下反应的实验中,浓硫酸是氧化剂,二氧化碳是氧化产物,根据氧化剂的氧化性大于氧化产物的氧化性规律可知,硫酸的氧化性大于碳酸(或以N、S元素为例说明:N的非金属性大于S,实验为:将Cu片分别与浓度相同的浓硝酸、浓硫酸反应,浓硝酸直接氧化Cu,但浓硫酸需要加热,据此可推断浓硝酸的氧化性大于浓硫酸),
故答案为:我认为该同学的说法正确,S的非金属性大于C,加热条件下,浓硫酸能氧化碳生成二氧化碳,浓硫酸是氧化剂,二氧化碳是氧化产物,该实验能证明硫酸的氧化性大于碳酸,可证明该该观点正确(或我认为该同学的说法正确,N的非金属性强于S,等浓度的浓硝酸常温下能氧化Cu,浓硫酸需加热才能氧化Cu,该实验能证明浓硝酸的氧化性强于浓硫酸,可证明该该观点正确)。
相关试卷
这是一份09解答题 2021年春广东省各市高一(下)期末化学知识点分类汇编,共53页。试卷主要包含了的路线如下等内容,欢迎下载使用。
这是一份05实验&推断题 2021年春湖南省各市高一(下)期末化学知识点分类汇编,共23页。试卷主要包含了海带中含有丰富的碘,制取SO2并验证其性质,是 ,是一种黄色气体,遇水易水解,如图为元素周期表的一部分等内容,欢迎下载使用。
这是一份06选择题(中档题)2021年春山东省各市高一(下)期末化学知识点分类汇编,共25页。

