2021省哈尔滨九中高二下学期期末考试化学PDF版含解析
展开
这是一份2021省哈尔滨九中高二下学期期末考试化学PDF版含解析,文件包含化学试卷pdf、化学答案docx等2份试卷配套教学资源,其中试卷共5页, 欢迎下载使用。
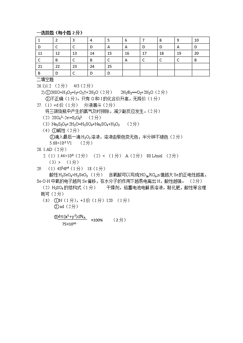
12345678910DCCDAADDAD11121314151617181920CBCBCACCCB2122232425 BDCDD 一选择题(每小题2分)二填空题26.1)1:2 (2分) 4/3(2分)2) ①2HIO+H2O2=I2+O2↑+2H2O(2分) 2H2O2==O2+2H2O(2分) ②不正确(1分)。只有O和I的化合价升高,无降价(1分)(1)+6价(1分) 分液漏斗(2分) 将三颈烧瓶中产生的氨气及时排除,减少副反应发生。(2分)(2)2SO42--2e-=S2O82- (2分)(3)Na2S2O8+2H2O=H2SO4+Na2SO4+H2O2 (2分)(4)①碱性(2分)②滴入最后一滴H2O2溶液,溶液由紫色变无色,半分钟不褪色(2分)5.68×10-3 V1 (2分) 1.AD(2分) 2.(1)1.44×10-8(2分) (2)< (1分) A(2分) 80 L/mol (2分) (3)> (1分)29. (1)4S24P4(1分) 18(1分) 酸性H2SeO4>H2SeO3 (1分) 含氧酸可以写成(HO)mROn,n值越大Se的正电性越高,Se-O-H中氧的电子越向Se偏移,在水分子的作用下越易电离出H,酸性越强。 (2分)(2)H2SO4的结构式(1分) 干燥剂,铅蓄电池电解质溶液,制化肥,酸性等合理既可(2分)(3) ①N(1分),+3价(1分)120。 (1分)② ad(2分) ③4π(x3+y3)dNA
相关试卷
这是一份2024省哈尔滨九中高三下学期开学考试化学PDF版含答案,共6页。
这是一份2024省哈尔滨三中高三上学期1月期末考试化学含解析,共32页。试卷主要包含了选择题,填空题等内容,欢迎下载使用。
这是一份2021省哈尔滨九中高二下学期期中考试化学PDF版含答案

