备战2022年中考化学必刷20题-解答题(江苏专用)
展开
这是一份备战2022年中考化学必刷20题-解答题(江苏专用),共51页。试卷主要包含了请结合如图回答问题,根据下列仪器装置,回答问题,石灰石是重要的化工原料,铜及其化合物有广泛的应用,研究气体的制备及相关气体的性质,钢铁的腐蚀是重要研究课题,化学是一门以实验为基础的科学等内容,欢迎下载使用。
备战2022年中考化学必刷20题-解答题(江苏专用)
三.解答题(共20小题)
41.(2021•镇江)请结合如图回答问题。
(1)仪器名称:① ,② 。
(2)用高锰酸钾制取氧气可选用装置A和 (填字母)组合,反应的化学方程式为 ,试管中棉花团的作用是 。
(3)实验室制取CO2的化学方程式为 ,选用装置C相对B的优点是 。
(4)已知CaCl2的水溶液呈中性。用图1装置探究制取CO2的实验。实验开始时,向锥形瓶中加入一定量的盐酸图2表示实验过程中装置G和Ⅰ中的溶液pH变化曲线。
①装置H的作用为 。
②t1时,锥形瓶中石灰石有剩余,无气泡产生。请判断t2时,锥形瓶中 (填“有”或“无”)盐酸剩余。
③t1后,显示器B中曲线几乎无变化,其原因是 。
42.(2021•盐城)根据下列仪器装置,回答问题。
(1)写出仪器名称:①为 ,②为 。
(2)实验室用MnO2和双氧水制取O2,反应的化学方程式为 ;装入药品前必须进行的操作是 ;实验室制取H2可选用装置 (填字母序号)。
(3)实验室用混有MnO2的KClO3固体制取O2,MnO2在反应中起 作用。
(4)实验室可用 (填物质名称)干燥CO2。用装置E进行CO2的部分性质实验:将干燥的紫色石蕊试纸放在 (选填“a”“d”)处,并与b处现象对比,可说明CO2能与水反应;c处发生反应的化学方程式为 。
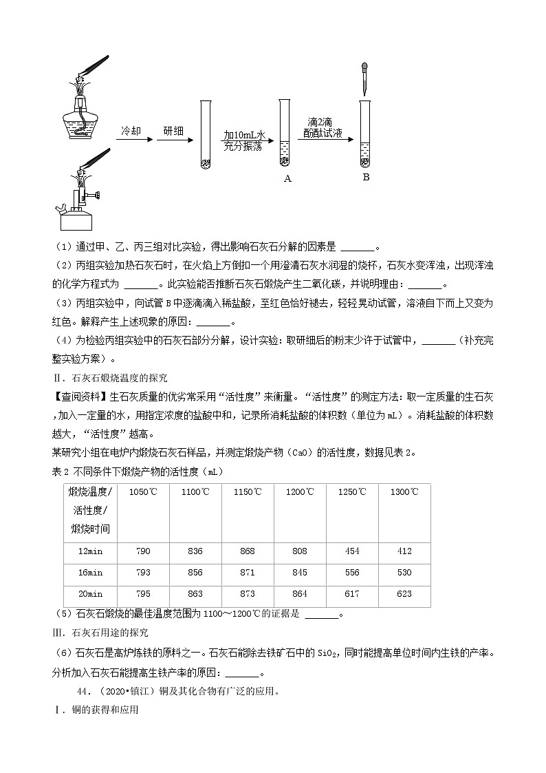
43.(2021•苏州)石灰石是重要的化工原料。为研究石灰石的性质和用途进行如下探究。
Ⅰ.石灰石分解的探究
取三块形状大小相近的石灰石(长宽厚约为1cm×1cm×0.2cm),一块不加热,另两块分别在酒精灯和酒精喷灯(酒精化学式为C2H5OH)的火焰上加热2min(假设杂质加热时不发生变化)。探究过程如图所示,实验现象见表1。
表1 不同条件下的实验现象
实验组别
实验条件
试管B中的现象
甲
未加热
无明显现象
乙
酒精灯加热
呈浅红色
丙
酒精喷灯加热
呈红色
(1)通过甲、乙、丙三组对比实验,得出影响石灰石分解的因素是 。
(2)丙组实验加热石灰石时,在火焰上方倒扣一个用澄清石灰水润湿的烧杯,石灰水变浑浊,出现浑浊的化学方程式为 。此实验能否推断石灰石煅烧产生二氧化碳,并说明理由: 。
(3)丙组实验中,向试管B中逐滴滴入稀盐酸,至红色恰好褪去,轻轻晃动试管,溶液自下而上又变为红色。解释产生上述现象的原因: 。
(4)为检验丙组实验中的石灰石部分分解,设计实验:取研细后的粉末少许于试管中, (补充完整实验方案)。
Ⅱ.石灰石煅烧温度的探究
【查阅资料】生石灰质量的优劣常采用“活性度”来衡量。“活性度”的测定方法:取一定质量的生石灰,加入一定量的水,用指定浓度的盐酸中和,记录所消耗盐酸的体积数(单位为mL)。消耗盐酸的体积数越大,“活性度”越高。
某研究小组在电炉内煅烧石灰石样品,并测定煅烧产物(CaO)的活性度,数据见表2。
表2 不同条件下煅烧产物的活性度(mL)
煅烧温度/
活性度/
煅烧时间
1050℃
1100℃
1150℃
1200℃
1250℃
1300℃
12min
790
836
868
808
454
412
16min
793
856
871
845
556
530
20min
795
863
873
864
617
623
(5)石灰石煅烧的最佳温度范围为1100~1200℃的证据是 。
Ⅲ.石灰石用途的探究
(6)石灰石是高炉炼铁的原料之一。石灰石能除去铁矿石中的SiO2,同时能提高单位时间内生铁的产率。分析加入石灰石能提高生铁产率的原因: 。
44.(2020•镇江)铜及其化合物有广泛的应用。
Ⅰ.铜的获得和应用
(1)西汉时期《淮南万毕术》中有“曾青得铁则化为铜”的记载,其中蕴含化学反应的基本类型是 。
(2)我国古代制黄铜的原理如图1。
①黄铜的硬度比铜和锌都 (选填“大”或“小”)。
②木炭还原Cu2O的化学方程式为 。
(3)铜可用于制导线,主要利用了铜的 性。
(4)CuSO4可配制波尔多液等。向铜粉中加入稀H2SO4,通入O2并加热可得到CuSO4溶液,反应的化学方程式为 。
Ⅱ.实验及产物组成测定
如图2为某小组同学所做的实验及现象。
资料:①NaOH和CuSO4溶液混合可生成Cu(OH)2、Cux(OH)y(SO4)z(铜为+2价)等多种产物。
②68℃时,Cu(OH)2发生分解;300℃左右,Cux(OH)y(SO4)z发生分解,生成铜的氧化物和气体。
(一)实验一中蓝色固体为Cu(OH)2,则黑色固体是 。
(二)将实验二反应后的物质过滤、洗涤、低温干燥得浅蓝绿色固体样品。小组同学称取27.6g样品,在老师的指导下进行下列实验。
(1)装配好装置后,实验前先要 。
(2)控制温度为68℃,对样品进行热分解,至固体质量不再减少,再通一段时间N2.冷却后测得装置B增重1.8g。则样品中含Cu(OH)2和 Cux(OH)y(SO4)z。
①再通一段时间N2的目的是 。
②27.6g样品中Cu(OH)2的质量为 g。
(3)取出装置A中加热后的剩余固体,溶于适量稀盐酸后,再向溶液中加入过量BaCl2溶液,得11.65g沉淀;继续加入过量NaOH溶液,沉淀质量增加了24.5g。则Cux(OH)y(SO4)z中,x:y:z= 。
Ⅲ.样品的热重分析
另取27.6g样品,利用图3装置控制温度由低到高加热分解,测得A中剩余固体质量与加热时间的关系如图4。
(1)t1~t2段固体质量未发生变化的原因是 。
(2)用装置C替代装置B,t2~t3段观察到C中溶液褪色,说明样品加热分解时生成了 。
(3)a点为黑色固体。b点固体中铜、氧元素质量比为 。
(4)写出a~c段发生反应的化学方程式: 。
45.(2020•南京)研究气体的制备及相关气体的性质。
(1)写出实验室用过氧化氢溶液制取氧气的化学方程式 。
(2)写出实验室用石灰石与稀盐酸反应制取二氧化碳的化学方程式 。
(3)某同学为了便于加入液体药品,在如图装置的橡胶塞上添加了一个注射器,该同学发现,这样做的优点还有 (写出其中一点)。
(4)实验室里制取气体的一般思路和方法:
①选择适当的反应,包括 ;
②选择合适的 ;
③验证所制得的气体。
(5)请设计实验验证制得的氧气和二氧化碳气体,并完成实验报告。
实验步骤
实验现象
实验结论
46.(2020•苏州)钢铁的腐蚀是重要研究课题。
【知识回顾】用如图1所示实验进行铁钉腐蚀的研究。一段时间后试管A、B中铁钉几乎没有生锈,而试管C中铁钉明显锈蚀,试管D、E中铁钉严重锈蚀。
(1)由A、B、C的现象可知,铁的锈蚀是铁跟 (填化学式)等物质作用的过程。
(2)试管B中使用“煮沸并迅速冷却的蒸馏水”,其目的是 。
【实验探究】向试管D中(含生锈铁钉)加入过量10%稀盐酸,浸泡。可观察到铁锈逐渐消失,铁钉表面有气泡产生,溶液呈黄色,一段时间后黄色变为浅绿色。
(3)写出铁锈溶于盐酸的化学方程式: 。
(4)推测试管D中溶液由黄色变为浅绿色,可能是因为氯化铁与某些物质发生反应所致。现进行如表3个实验(持续10小时,已知氢气不影响该反应)
序号
实验Ⅰ
实验Ⅱ
实验Ⅲ
实验内容
现象
溶液颜色始终呈黄色
产生红褐色沉淀
溶液逐渐由黄色变浅绿色
①设计实验Ⅰ的目的是 。
②综合分析上述3个实验,试管D中溶液由黄色变为浅绿色的原因是 。
【拓展延伸】研究水样的pH、水中溶解氧浓度与钢铁腐蚀速率的关系。查阅相关文献得到如下资料。
(5)图2表示水样温度22℃、氧含量6mL•L﹣1时,钢铁腐蚀速率与水样pH的关系。当pH<4时,钢铁腐蚀速率明显增大的原因是 。
(6)图3表示温度22℃、pH=7时,钢铁腐蚀速率与水中溶解氧浓度的关系。当溶解氧超过20mL•L﹣1时,钢铁腐蚀速率明显下降的原因可能是 。
47.(2022•工业园区模拟)化学是一门以实验为基础的科学,请回答下列问题。
(1)写出图中仪器①的名称 。
(2)实验室可以用A装置加热高锰酸钾制取氧气,需在试管口放置一团棉花,目的是 。
(3)实验室用大理石和稀盐酸制取CO2,请写出化学方程式 。若选用C作发生装置,使反应停止的操作为 。若用G装置收集该气体,气体应从 (填“a”或“b”)进。若实验中需使用溶质质量分数为12%的稀盐酸,用水和溶质质量分数为36%的浓盐酸来配制。需要的水和该浓盐酸的质量比为 。
(4)实验室常用加热氢氧化钠和醋酸钠的固体混合物制取甲烷气体,应选用的发生装置是 (填字母,下同)。已知相同条件下甲烷的密度比空气小且难溶于水,常见的D、E、F三种收集装置中,可用于收集甲烷气体的装置有 。
48.(2022•邗江区二模)化学是一门以实验为基础的自然科学。
(1)用高锰酸钾制氧气应选用发生装置 (填“A”或“B”),反应的原理是 (用化学方程式表示);收集较纯净的氧气适宜选用装置 (填字母);
(2)仪器①由 (填“无机”或“合成”)材料制成,该材料作反应容器除了耐腐蚀,还具有 等优点(写一点即可);仪器②在实验中的作用是 ;
(3)对废干电池进行实验研究,将外层锌筒 (填“磨成细粉末”或“剪成小块状”)后,用装置C制取氢气。将筒内的灰黑色物质(含有C、MnO2、ZnCl2、NH4C1等)取出进行实验,过程如下:
i.操作①使用玻璃棒的作用是 ,所得溶液中含有的阴离子是 ;
ii.操作②的名称是 。操作中滤纸折叠不应出现下列图示中的 (填字母);
iii.向操作②所得的滤液中滴加NaOH,会产生有刺激性气味的 (填化学式);
iv.操作③灼烧后固体质量减少,原因是 (用化学方程式表示);
v.操作④将灼烧后的剩余固体加入试管,带火星木条立即复燃,试管内反应的化学方程式是 。
49.(2022•姑苏区模拟)化学是一门以实验为基础的科学。请根据下列实验装置回答有关问题:
(1)写出B中标号①仪器的名称: ,实验室用加热高锰酸钾的方法制取氧气,发生装置可选择 (填字母),该反应的化学方程式为 。
(2)用装置F收集一瓶O2,验满时应将带火星的木条放在 (填“a”或“b”)处。
(3)将装置G倾斜使两种药品混合,即可制得气体。下列制取气体的方法可选用装置G的是 (填字母)。
A.用锌粒和稀硫酸反应制取氢气
B.加热氯酸钾和二氧化锰的混合物制取氧气
C.用双氧水和二氧化锰反应制取氧气.
D.加热无水醋酸钠和碱石灰的固体混合物制取甲烷
(4)实验室用加热氯化铵和氢氧化钙固体混合物的方法制取氨气(已知:氨气密度比空气小,极易溶于水),则实验室制取氨气可选用的实验装置组合为 (填字母)。
A.A和D
B.A和E
C.B和E
D.A和F
(5)H中,由“①处的白磷不燃烧、②处的白磷燃烧”的现象,说明可燃物燃烧需满足的条件是 。
50.(2022•常州模拟)化石燃料的燃烧、硫酸的生产都会产生二氧化硫,二氧化硫被雨水吸收后会形成酸雨,使农作物、建筑材料等遭到破坏。我国环境空气质量标准对空气中SO2的最高浓度进行了限定,其中一级标准为0.15g•mL﹣1。
(1)通过测定雨水的 可粗略判断其是否为酸雨。
(2)测定某工业废气中SO2的含量。兴趣小组同学利用图1所示装置进行实验,步骤如下。
已知:SO2+I2+2H2O═H2SO4+2HI(无色溶液)。
常温下,碘微溶于水,加入碘化钾可促进碘的溶解,增加SO2的吸收量。废气中的其他成分不与淀粉碘溶液反应。
步骤1:称取1.27g碘单质(I2),加入少量碘化钾,加水配制成1000mL溶液;
步骤2:取5mL上述溶液于试管中,滴入2~3滴淀粉试液,溶液变蓝;
步骤3:将注射器的活塞推到底后,插入试管的橡皮塞中,然后缓缓向外拉活塞,每次抽取80mL该工业废气样品,当溶液刚好变为无色时,共抽取100次。
①步骤2中,5mL溶液中溶有碘单质 mg;步骤3中缓缓向外拉活塞,“缓缓”的目的是 。
②计算该废气中SO2的含量,并判断是否达到国家一级标准(请写出计算过程)。
(3)工业废渣(主要成分为Na2CO3)可吸收工业废气中的SO2达到减少污染,节约资源的目的。反应过程中溶液组成的浓度变化如图2所示。
①吸收初期(图2中A点以前)发生反应的化学方程式为 。
②不断通入SO2(图2中B点以后)的最终产物是 。
51.(2022•启东市模拟)2022年2月冬奥会在北京胜利召开,突出了“简约、安全、精彩”的要求。
(1)简约冬奥。
①通过对首钢的工业构筑物改造,成为冬奥滑雪大跳台,钢属于 材料。
②“用张北的风点亮北京的灯”,能量转化是 →机械能→电能。
(2)安全冬奥。
①冬奥期间所有人员都要勤戴口罩,这是因为口罩有 、吸附作用。
②雾化消毒机器人每天都要使用0.5%的过氧乙酸(化学式为C2H4O3)溶液对运动场馆进行消杀。在配制过程中量取20%的过氧乙酸溶液仰视读数,则最终配得的溶液浓度将 (填“偏大”、“不变”或“偏小”)。
(3)精彩冬奥。
①冬奥火炬“飞扬”采用氢气代替了丙烷(C3H8)作为燃料,其优点是 。关闭火炬的燃气开关,即可使火炬熄灭,采用的灭火原理是 。
②“冰丝带”采用了CO2跨临界直冷制冰技术,该技术可有效缓解的环境问题是 。水制成冰时,从微观角度看,发生改变的是 。
52.(2022•秦淮区二模)某学习小组的同学对铁的化学性质进行探究。
【知识回顾】
(1)与氧气的反应。铁丝在氧气中燃烧的现象是 。
(2)与稀硫酸的反应。该反应的化学方程式是 。
(3)与硫酸铜溶液的反应。该反应属于基本反应类型中的 。
【查阅资料】铁锈蚀的主要反应过程如图1所示:
方框内的四种物质中,铁元素的化合价从左到右依次为 。
【探究实验1】连接实验装置如图2所示,分别在瓶①、瓶②中加入对应药品,利用氧气传感器采集数据,得到图像如图3所示,观察到瓶①中铁粉不生锈,瓶②中铁粉生锈。
【得出结论1】铁生锈需要与水和氧气接触。请简要分析通过上述实验得出该结论的依据: 。
【探究实验2】连接实验装置如图4所示,分别在瓶③、瓶④、瓶⑤中加入对应药品,利用氧气传感器采集数据,得到图像如图5所示。
瓶③中加入药品的名称及用量为 。
【得出结论2】食盐或稀醋酸的物质的存有会加速铁的诱蚀。
【拓展提升】将一定量稀硫酸和硫酸铜溶液混合,向其中加入一定质量的铁粉,反应一段时间后,经过滤、洗涤、干燥。得到固体的质量与加入铁粉的质量相同,则生成的氢气与铜的质量比为 (填最简整数比)。
53.(2022•徐州二模)化学实验室常用下列几种装置制备气体。
(1)写出E装置中一种玻璃仪器的名称: 。
(2)用氯酸钾制氧气的化学方程式为 ,发生装置和收集装置的组合是 ;若用装置G收集二氧化碳,应从 (填“a”或“b”)管通入气体。
(3)利用装置B与F制取某种气体,有关的化学方程式为 。
(4)乙炔气体(C2H2)的密度与空气的密度很接近,且难溶于水。固体电石(CaC2)和水在常温下剧烈反应,生成乙炔和一种碱,则制取乙炔的化学方程式是 ,发生装置与收集装置的组合最好选 。
54.(2022•姜堰区一模)化学是以实验为基础的学科。
(1)下表是实验室三个药品柜中存放的部分药品。
甲柜
乙柜
丙柜
稀盐酸、稀硫酸……
氢氧化钠、氢氧化钙
碳酸钠、氯化钠、硫酸铜
实验一组同学欲取出浓氨水,应从 柜中取。
a.甲
b.乙
c.丙
(2)实验二组同学欲用溶质质量分数为14%(密度为1.1g/mL)的氯化钠溶液配制154g溶质质量分数为6%的氯化钠溶液,实验步骤为:
①计算:需要14%的氯化钠溶液体积为 mL;② ;③稀释。
(3)实验三组同学观察到实验台上有制备二氧化碳后未处理的锥形瓶,里面有固体和液体,固体表面无明显气泡,同学们对锥形瓶中的物质进行探究。
【提出猜想】甲同学猜想:固体中有碳酸钙,液体中没有稀盐酸
乙同学猜想:固体中没有碳酸钙,液体中有稀盐酸
丙同学猜想:固体中没有碳酸钙,液体中也没有稀盐酸
【实验过程】
实验步骤
实验现象
实验结论
用镊子夹取几块较大的固体放入小烧杯中,向其中加入质量分数为10%的盐酸
有较多气泡产生
取出少量液体放入另一只小烧杯中,用 测定液体的酸碱度
pH=2.3
液体中有稀盐酸
【实验反思】如果锥形瓶内的物质不分离,持续测定液体的酸碱度,酸度会 (填“增强”或“减弱”或“不变”)。
【实验拓展】同学们另取实验室药品用数字化实验完成拓展实验。
实验1:向盐酸中逐滴滴入碳酸钠溶液。
实验2:向氯化钙溶液中逐滴滴入碳酸钠溶液。
实验3:另取上述盐酸和氯化钙的混合物于烧杯中,滴入2﹣3滴酚酞试液,再向烧杯中逐滴滴入碳酸钠溶液。
①实验1中25s时的溶液中的阳离子有 。
②实验2中25s﹣75s时间段发生反应的方程式为 。
③实验3最终烧杯中液体呈现红色的原因是 。
55.(2022•南通模拟)兴趣小组同学实验中,将一定质量Mg条投入200g溶质质量分数为10.6%的Na2CO3溶液中发现:产生了气泡,并有白色沉淀生成。小组同学对此进行了系列探究。已知:无水硫酸铜遇水会变成蓝色。
【实验1】气体成分探究
实验现象:气体燃烧,产生淡蓝色火焰,澄清石灰水未变浑浊,烧杯内壁有水雾,说明气体是 ,装置中浓硫酸的作用是 。
【实验2】白色沉淀成分探究
充分反应后,某同学经过滤、洗涤、低温烘干得白色固体。
【猜 测】白色固体可能是:①Mg(OH)2; ②MgCO3; ③Mg(OH)2、MgCO3混合物。
【实验3】取白色不溶物少许,加入 ,不溶物全部溶解,产生气泡,则猜测①不成立。
【资 料】Mg(OH)2、MgCO3均为白色不溶性固体,加热易分解,生成对应的两种氧化物。将固体充分加热,产生的气体使无水CuSO4粉末变蓝,说明白色固体中含有 ,澄清石灰水变浑浊。结论:猜测 (选填“②”或“③”)成立。
【实验4】溶质成分探究
向滤液中加入足量的BaCl2溶液,产生了19.7g白色沉淀,静置,向上层清液中滴加酚酞试液,出现 色,说明溶质中含有Na2CO3和NaOH,两者的质量比为 。
【结论】通过上述实验探究,请写出Mg和Na2CO3溶液反应的化学方程式 。
56.(2022•惠山区模拟)某小组为探究二氧化碳产生快慢与哪些因素有关,在老师的指导下进行如下探究。老师提供的药品有:块状和粉末状大理石、5%和10%稀盐酸、10%稀硫酸。
【提出问题】影响产生二氧化碳快慢的因素有哪些?
【作出猜想】甲同学:与酸的种类有关。乙同学:与酸的浓度有关。
丙同学:与大理石颗粒大小有关。丁同学:与 有关
【设计实验】同学们为了验证自己的猜想,按照如下实验方案进行实验并测得数据。
序号
X(℃)
大理石颗粒
酸的种类
酸的浓度
收集50mL气体时间(s)
①
20
块状
盐酸
5
56
②
20
块状
盐酸
10
42
③
30
块状
盐酸
10
31
④
20
块状
硫酸
10
﹣
⑤
30
块状
盐酸
5
Y
⑥
20
粉末状
盐酸
10
27
(1)写出盐酸与大理石反应的化学方程式 。
(2)实验①②对比得出的实验结论为 。
(3)已知硫酸钙是一种微溶于水的物质,请根据实验数据④和⑥试分析实验④几乎没有收集到气体的原因可能是 。
(4)Y的数据可能是 。
A.42
B.48
C.58
D.28
57.(2022•广陵区一模)某化学兴趣小组进行草酸亚铁晶体(FeC2O4•2H2O)分解的实验探究。
【查阅资料】白色无水硫酸铜CuSO4固体遇水会变成蓝色CuSO4•5H2O。
【猜想】草酸亚铁晶体分解会产生CO、CO2和H2O三种气体。
【实验方案】按照如图装置进行实验,验证猜想(夹持装置部分未画出)。
【问题讨论】
(1)实验开始前需要先鼓入一段时间的N2,该操作的目的为 。
(2)E中碱石灰的作用是 。
【结果分析】
(3)定性分析:
①证明分解产物中存在CO的现象是 (需要从D、F、G三装置中的现象答全):
②小明认为应增加H装置,则H装置应放在 两个装置之间,若观察到H装置的现象 ,则证明草酸亚铁晶体分解有水生成。
(4)定量分析(假定每一步反应进行完全):
取3.6g草酸亚铁晶体进行上述实验,测得装置A玻璃管中残余1.44g黑色固体FeO,装置F中玻璃管固体质量减轻0.32g,则草酸亚铁晶体分解得到的CO2的质量为 。
【反思评价】
(5)从环保角度考虑,该套实验装置的明显缺陷是 。
(6)文献显示:FeC2O4•2H2O受热分解时,固体的质量随温度变化的曲线如图所示:
①写出加热到400℃时,FeC2O4•2H2O受热分解的化学方程式 :
②根据图象,若有3.6g FeC2O4•2H2O在敞口环境中充分加热,最终得到红棕色固体1.60g,则该物质的化学式为 。
58.(2022•兴化市一模)如图1是实验室常用的部分实验装置,请回答下列问题:
(1)仪器名称:① ,② 。
(2)用高锰酸钾制氧气,可选用的发生装置是 。(选填序号),反应化学方程式为 。若用E来收集氧气,收集完毕的操作顺序是 (填写序号顺序)。
①盖上玻璃片 ②正放在实验台上 ③取出集气瓶
(3)实验室制CO2的反应化学方程式为 ,为方便控制反应的发生和停止,应选择的发生装置是 (选填序号);如果用F装置收集CO2,验满的操作是 。
(4)FeS2和O2在加热条件下可反应生成SO2,图2是实验室利用FeS2制取SO2的装置。
①装置H中浓硫酸的作用是 。
②装置J用于收集SO2,说明SO2气体的密度 (选“小于”或“大于”)空气。
③用化学方程式表示实验中NaOH溶液的作用 。
59.(2022•常州模拟)第24届冬季奥运会在北京举办,制冰技术是速滑馆建设的关键,中国建设团队采用了冬奥场馆历史上第一次使用的新技术一一二氧化碳跨临界直冷制冰技术,该技术“碳排放”趋近于零,且二氧化碳主要来自于热电厂的回收再利用。
实验室用如图所示装置完成如图与“CO2”相关的实验:
(1)小徐欲证明鸡蛋壳的主要成分是碳酸盐,他将装置A与装置C相连,装置A中发生反应的化学方程式是 ,装置C中盛放的试剂Y是 。
(2)小徐将上述装置按照A→C→B→D的顺序进行连接,其中X是浓度较大的盐酸,Y是饱和碳酸氢钠溶液,在装置D中收集到纯净、干燥的二氧化碳气体。X不用稀盐酸,而用浓度较大盐酸的优点是 ,装置C的作用是 ,装置D的进气管管口是 (选填“f”或“g”)。
60.(2022•邗江区一模)化学以实验为基础。根据如图回答有关问题:
(1)认识仪器:图1中仪器A的名称是 。
(2)制取气体:实验室用高锰酸钾制氧气的化学方程式为 ,收集一瓶较纯净的氧气应选用的仪器是 (填字母,下同);组装实验室制取二氧化碳的发生装置,需选择的仪器是 。
(3)探究性质:用图2装置实验,测得三颈烧瓶内气压变化情况如图2。
①首先注入瓶中的药品是 (填“水”或“氢氧化钠溶液”)。
②对比曲线中bc段和de段,可证明 。
参考答案与试题解析
三.解答题(共20小题)
41.(2021•镇江)请结合如图回答问题。
(1)仪器名称:① 酒精灯 ,② 长颈漏斗 。
(2)用高锰酸钾制取氧气可选用装置A和 D或E (填字母)组合,反应的化学方程式为 2KMnO4K2MnO4+MnO2+O2↑ ,试管中棉花团的作用是 防止加热时高锰酸钾进入导管 。
(3)实验室制取CO2的化学方程式为 CaCO3+2HCl=CaCl2+H2O+CO2↑ ,选用装置C相对B的优点是 控制反应的发生和停止 。
(4)已知CaCl2的水溶液呈中性。用图1装置探究制取CO2的实验。实验开始时,向锥形瓶中加入一定量的盐酸图2表示实验过程中装置G和Ⅰ中的溶液pH变化曲线。
①装置H的作用为 除去氯化氢气体,防止影响装置Ⅰ中pH测定 。
②t1时,锥形瓶中石灰石有剩余,无气泡产生。请判断t2时,锥形瓶中 有 (填“有”或“无”)盐酸剩余。
③t1后,显示器B中曲线几乎无变化,其原因是 二氧化碳的溶解已经达到饱和 。
【解答】解:(1)①是加热仪器酒精灯,②是添加液体药品时使用的长颈漏斗。
(2)氧气不易溶于水,可用排水法收集,氧气密度比空气略大,可用向上排空气法收集,故选D或E收集;高锰酸钾在加热条件下反应生成锰酸钾、二氧化锰和氧气,化学方程式为:2KMnO4K2MnO4+MnO2+O2↑;高锰酸钾制取氧气,试管口要加一团棉花,防止加热时高锰酸钾进入导管。
(3)实验室用石灰石或大理石与稀盐酸反应制取二氧化碳,石灰石、大理石主要成分碳酸钙,碳酸钙和盐酸反应生成氯化钙、水和二氧化碳。化学方程式为:CaCO3+2HCl=CaCl2+H2O+CO2↑;C装置可以通过控制旋塞调节装置内气压来实现反应物的分离与接触,从而控制反应的发生和停止。
(4)①盐酸具有挥发性,因此制取的CO2中含有HCl气体,碳酸氢钠作用是除去氯化氢气体,防止影响装置Ⅰ中pH测定;
②t2时,显示器A显示的数值约为2,显酸性,说明锥形瓶中有盐酸剩余;
③随着二氧化碳的溶解生成碳酸,溶液的pH从7逐渐减小,当溶解达到饱和时,pH保持不变。
故答案为:(1)酒精灯;长颈漏斗;
(2)D或E;2KMnO4K2MnO4+MnO2+O2↑;防止加热时高锰酸钾进入导管;
(3)CaCO3+2HCl=CaCl2+H2O+CO2↑;控制反应的发生和停止;
(4)①除去氯化氢气体,防止影响装置Ⅰ中pH测定;②有;二氧化碳的溶解已经达到饱和。
42.(2021•盐城)根据下列仪器装置,回答问题。
(1)写出仪器名称:①为 酒精灯 ,②为 集气瓶 。
(2)实验室用MnO2和双氧水制取O2,反应的化学方程式为 2H2O22H2O+O2↑ ;装入药品前必须进行的操作是 检查装置气密性 ;实验室制取H2可选用装置 BC或BD (填字母序号)。
(3)实验室用混有MnO2的KClO3固体制取O2,MnO2在反应中起 催化 作用。
(4)实验室可用 浓硫酸 (填物质名称)干燥CO2。用装置E进行CO2的部分性质实验:将干燥的紫色石蕊试纸放在 a (选填“a”“d”)处,并与b处现象对比,可说明CO2能与水反应;c处发生反应的化学方程式为 CO2+Ca(OH)2=H2O+CaCO3↓ 。
【解答】解:(1)①是酒精灯;②是集气瓶;
(2)过氧化氢在二氧化锰的催化作用下生成水和氧气,反应的化学方程式为:2H2O22H2O+O2↑;为了防止更换仪器造成药品损失,装入药品前必须进行的操作是检查装置气密性;实验室常用锌和稀硫酸反应生成硫酸锌和氢气,属于固、液常温型,适合用装置B作发生装置;氢气的密度比空气小,难溶于水,可用装置C或D收集氢气;
(3)二氧化锰在氯酸钾分解制取氧气的过程中起催化作用;
(4)浓硫酸具有吸水性,不和二氧化碳反应,实验室可用浓硫酸干燥;干燥的二氧化碳不能使干燥的紫色石蕊试纸变色,二氧化碳和水反应生成的碳酸呈酸性,能使紫色石蕊溶液变红色,因此将干燥的紫色石蕊试纸放在a处,并与b处现象对比,可说明CO2能与水反应;二氧化碳和氢氧化钙反应生成碳酸钙和水,反应的化学方程式为:CO2+Ca(OH)2=H2O+CaCO3↓。
故答案为:
(1)酒精灯;集气瓶;
(2)2H2O22H2O+O2↑;检查装置气密性;BC或BD;
(3)催化;
(4)浓硫酸;a;CO2+Ca(OH)2=H2O+CaCO3↓。
43.(2021•苏州)石灰石是重要的化工原料。为研究石灰石的性质和用途进行如下探究。
Ⅰ.石灰石分解的探究
取三块形状大小相近的石灰石(长宽厚约为1cm×1cm×0.2cm),一块不加热,另两块分别在酒精灯和酒精喷灯(酒精化学式为C2H5OH)的火焰上加热2min(假设杂质加热时不发生变化)。探究过程如图所示,实验现象见表1。
表1 不同条件下的实验现象
实验组别
实验条件
试管B中的现象
甲
未加热
无明显现象
乙
酒精灯加热
呈浅红色
丙
酒精喷灯加热
呈红色
(1)通过甲、乙、丙三组对比实验,得出影响石灰石分解的因素是 温度 。
(2)丙组实验加热石灰石时,在火焰上方倒扣一个用澄清石灰水润湿的烧杯,石灰水变浑浊,出现浑浊的化学方程式为 Ca(OH)2+CO2═CaCO3↓+H2O 。此实验能否推断石灰石煅烧产生二氧化碳,并说明理由: 不能,酒精燃烧也会生成二氧化碳,使澄清石灰水变浑浊 。
(3)丙组实验中,向试管B中逐滴滴入稀盐酸,至红色恰好褪去,轻轻晃动试管,溶液自下而上又变为红色。解释产生上述现象的原因: 氢氧化钙与盐酸反应,酚酞红色褪去;氢氧化钙微溶于水,晃动,氢氧化钙又继续溶解,溶液呈碱性,使酚酞变红 。
(4)为检验丙组实验中的石灰石部分分解,设计实验:取研细后的粉末少许于试管中, 滴入稀盐酸,有气体产生 (补充完整实验方案)。
Ⅱ.石灰石煅烧温度的探究
【查阅资料】生石灰质量的优劣常采用“活性度”来衡量。“活性度”的测定方法:取一定质量的生石灰,加入一定量的水,用指定浓度的盐酸中和,记录所消耗盐酸的体积数(单位为mL)。消耗盐酸的体积数越大,“活性度”越高。
某研究小组在电炉内煅烧石灰石样品,并测定煅烧产物(CaO)的活性度,数据见表2。
表2 不同条件下煅烧产物的活性度(mL)
煅烧温度/
活性度/
煅烧时间
1050℃
1100℃
1150℃
1200℃
1250℃
1300℃
12min
790
836
868
808
454
412
16min
793
856
871
845
556
530
20min
795
863
873
864
617
623
(5)石灰石煅烧的最佳温度范围为1100~1200℃的证据是 煅烧不同的时间,在1100﹣1200℃范围内生成的生石灰活性度均高 。
Ⅲ.石灰石用途的探究
(6)石灰石是高炉炼铁的原料之一。石灰石能除去铁矿石中的SiO2,同时能提高单位时间内生铁的产率。分析加入石灰石能提高生铁产率的原因: 石灰石高温分解产生的二氧化碳与焦炭反应生成一氧化碳,可还原生成更多的铁 。
【解答】解:(1)通过甲、乙、丙三组对比实验,得出影响石灰石分解的因素是温度;
(2)丙组实验加热石灰石时,在火焰上方倒扣一个用澄清石灰水润湿的烧杯,石灰水变浑浊,因为碳酸钙分解生成二氧化碳,二氧化碳与氢氧化钙反应生成碳酸钙和水,化学方程式为:Ca(OH)2+CO2═CaCO3↓+H2O;此实验不能推断石灰石煅烧产生二氧化碳,因为酒精燃烧也会生成二氧化碳,使澄清石灰水变浑浊;
(3)丙组实验中,试管B中主要是氧化钙,向试管B中逐滴滴入稀盐酸,氧化钙与水反应生成氢氧化钙,氢氧化钙与盐酸反应,酚酞红色褪去;又因为氢氧化钙微溶于水,晃动,试管底的氢氧化钙又继续溶解,溶液呈碱性,使酚酞变红,溶液自下而上又变为红色;
(4)为检验丙组实验中的石灰石部分分解,设计实验:取研细后的粉末少许于试管中,滴入稀盐酸,有气体产生;
(5)由表2 不同条件下煅烧产物的活性度(mL)可知石灰石煅烧的最佳温度范围为1100~1200℃的证据是煅烧不同的时间,在1100﹣1200℃范围内生成的生石灰活性度均高;
(6)石灰石是高炉炼铁的原料之一。石灰石能除去铁矿石中的SiO2,同时能提高单位时间内生铁的产率。分析加入石灰石能提高生铁产率的原因石灰石高温分解产生的二氧化碳与焦炭反应生成一氧化碳,可还原生成更多的铁。
故答案为:
(1)温度:
(2)Ca(OH)2+CO2═CaCO3↓+H2O;不能,酒精燃烧也会生成二氧化碳,使澄清石灰水变浑浊;
(3)氢氧化钙与盐酸反应,酚酞红色褪去;氢氧化钙微溶于水,晃动,氢氧化钙又继续溶解,溶液呈碱性,使酚酞变红;
(4)滴入稀盐酸,有气体产生;
(5)煅烧不同的时间,在1100﹣1200范围内生成的生石灰活性度均高;
(6)石灰石高温分解产生的二氧化碳与焦炭反应生成一氧化碳,可还原生成更多的铁。
44.(2020•镇江)铜及其化合物有广泛的应用。
Ⅰ.铜的获得和应用
(1)西汉时期《淮南万毕术》中有“曾青得铁则化为铜”的记载,其中蕴含化学反应的基本类型是 置换反应 。
(2)我国古代制黄铜的原理如图1。
①黄铜的硬度比铜和锌都 大 (选填“大”或“小”)。
②木炭还原Cu2O的化学方程式为 C+2Cu2O4Cu+CO2↑ 。
(3)铜可用于制导线,主要利用了铜的 导电 性。
(4)CuSO4可配制波尔多液等。向铜粉中加入稀H2SO4,通入O2并加热可得到CuSO4溶液,反应的化学方程式为 2Cu+O2+2H2SO42CuSO4+2H2O 。
Ⅱ.实验及产物组成测定
如图2为某小组同学所做的实验及现象。
资料:①NaOH和CuSO4溶液混合可生成Cu(OH)2、Cux(OH)y(SO4)z(铜为+2价)等多种产物。
②68℃时,Cu(OH)2发生分解;300℃左右,Cux(OH)y(SO4)z发生分解,生成铜的氧化物和气体。
(一)实验一中蓝色固体为Cu(OH)2,则黑色固体是 CuO 。
(二)将实验二反应后的物质过滤、洗涤、低温干燥得浅蓝绿色固体样品。小组同学称取27.6g样品,在老师的指导下进行下列实验。
(1)装配好装置后,实验前先要 检查装置气密性 。
(2)控制温度为68℃,对样品进行热分解,至固体质量不再减少,再通一段时间N2.冷却后测得装置B增重1.8g。则样品中含Cu(OH)2和 Cux(OH)y(SO4)z。
①再通一段时间N2的目的是 使生成的水被B中浓硫酸全部吸收 。
②27.6g样品中Cu(OH)2的质量为 9.8 g。
(3)取出装置A中加热后的剩余固体,溶于适量稀盐酸后,再向溶液中加入过量BaCl2溶液,得11.65g沉淀;继续加入过量NaOH溶液,沉淀质量增加了24.5g。则Cux(OH)y(SO4)z中,x:y:z= 3:4:1 。
Ⅲ.样品的热重分析
另取27.6g样品,利用图3装置控制温度由低到高加热分解,测得A中剩余固体质量与加热时间的关系如图4。
(1)t1~t2段固体质量未发生变化的原因是 在该温度下Cux(OH)y(SO4)z未分解 。
(2)用装置C替代装置B,t2~t3段观察到C中溶液褪色,说明样品加热分解时生成了 SO2 。
(3)a点为黑色固体。b点固体中铜、氧元素质量比为 5:1 。
(4)写出a~c段发生反应的化学方程式: 4CuO2Cu2O+O2↑ 。
【解答】解:Ⅰ.(1)“曾青得铁则化为铜”中包含的反应原理是Fe+CuSO4=FeSO4+Cu,所以反应类型是置换反应,故填:置换反应;
(2)①因为合金比其组分金属的硬度大,黄铜是铜锌合金,则黄铜的硬度比铜和锌大,故填:大;
②分析流程图可知木炭与赤铜反应生成铜和二氧化碳,则反应方程式C+2Cu2O4Cu+CO2↑,故填:C+2Cu2O4Cu+CO2↑;
(3)因为铜具有导电性,所以铜可用于制导线是利用铜的导电性,故填:导电性;
(4)因为向铜粉中加入稀H2SO4,通入O2并加热可得到CuSO4溶液,则反应方程式2Cu+O2+2H2SO42CuSO4+2H2O,故填:2Cu+O2+2H2SO42CuSO4+2H2O;
Ⅱ.(一)实验一发生的反应是CuSO4+2NaOH=Cu(OH)2↓+Na2SO4,68℃时,Cu(OH)2发生分解,即Cu(OH)2CuO+H2O,氧化铜为黑色,所以黑色固体的化学式CuO,故填:CuO;
(二)(1)因为有气体参加和生成的实验装置,实验前的操作是检查装置气密性,故填:检查装置气密性;
(2)①因为实验原理是利用加热Cux(OH)y(SO4)z分解生成的水被浓硫酸吸收测其质量,所以再通一段时间N2的目的是使生成的水被B中浓硫酸全部吸收;故填:使生成的水被B中浓硫酸全部吸收;
②设Cu(OH)2的质量为x
Cu(OH)2CuO+H2O
98 18
x 1.8g
=
x=9.8g,所以27.6g样品中Cu(OH)2的质量为9.8g,故填:9.8g
(3)A中加热后的剩余固体,溶于适量稀盐酸后,再向溶液中加入过量BaCl2溶液,得11.65g沉淀,即生成BaSO4的质量为11.65g
设Cux(OH)y(SO4)z中SO42﹣的质量为A,
SO42﹣~~~BaSO4
96 233
A 11.65g
=
A=4.8g
继续加入过量NaOH溶液,沉淀质量增加了24.5g即生成Cu(OH)2的质量为24.5g
设Cu2+的总质量为B
Cu2+~~~Cu(OH)2
64 98
B 24.5g
=
B=16.0g
则Cux(OH)y(SO4)z中Cu元素的质量为16.0g﹣9.8g××100%=9.6g
Cux(OH)y(SO4)z中OH﹣的质量为27.6g﹣9.8g﹣9.6g﹣4.8g=3.4g
所以Cux(OH)y(SO4)z中x:y:z=::=3:4:1 故填:3:4:1;
Ⅲ.(1)因为固体质量没变,说明在该温度下Cux(OH)y(SO4)z未分解,故填:在该温度下Cux(OH)y(SO4)z未分解;
(2)依据C装置中的药品是稀高锰酸钾溶液,实验现象是t2~t3段观察到C中溶液褪色,SO2可以使稀高锰酸钾溶液褪色,说明样品加热分解时生成SO2,故填:SO2;
(3)分析图象中数据b点固体质量为19.2g,样品中铜元素的总质量是16.0g,则b点固体中氧元素质量为19.2g﹣16.0g=3.2g,所以铜、氧元素质量比16.0g:3.2g=5:1,故填:5:1;
(4)c点固体质量为18.0g,则固体中氧元素的质量为18.0g﹣16.0g=2.0g,所以固体中铜原子与氧原子的个数比为:=2:1化学式为Cu2O,因此a~c段发生反应的化学方程式4CuO2Cu2O+O2↑;故填:4CuO2Cu2O+O2↑。
45.(2020•南京)研究气体的制备及相关气体的性质。
(1)写出实验室用过氧化氢溶液制取氧气的化学方程式 2H2O22H2O+O2↑ 。
(2)写出实验室用石灰石与稀盐酸反应制取二氧化碳的化学方程式 CaCO3+2HCl=CaCl2+H2O+CO2↑ 。
(3)某同学为了便于加入液体药品,在如图装置的橡胶塞上添加了一个注射器,该同学发现,这样做的优点还有 可以控制反应的速率或得到平稳的气流等 (写出其中一点)。
(4)实验室里制取气体的一般思路和方法:
①选择适当的反应,包括 反应物和反应条件 ;
②选择合适的 实验装置 ;
③验证所制得的气体。
(5)请设计实验验证制得的氧气和二氧化碳气体,并完成实验报告。
实验步骤
实验现象
实验结论
①检验氧气:把带火星的木条伸入集气瓶内
②检验二氧化碳:把适量的澄清石灰水注入集气瓶中,振荡
木条复燃
澄清石灰水变浑浊
瓶内气体是氧气
瓶内气体是二氧化碳
【解答】解:(1)过氧化氢在二氧化锰的催化作用下生成水和氧气,反应的化学方程式为:2H2O22H2O+O2↑;
(2)碳酸钙和稀盐酸反应生成氯化钙、水和二氧化碳,反应的化学方程式为:CaCO3+2HCl=CaCl2+H2O+CO2↑;
(3)注射器可以控制液体的加入速率,从而控制反应的速率或得到平稳的气流等;
(4)①选择适当的反应,包括反应物和反应条件;
②选择合适的实验装置;
(5)氧气的密度比空气略大,具有助燃性、二氧化碳能使澄清石灰水变浑浊,它们的检验方法分别如下:
实验步骤
实验现象
实验结论
①检验氧气:把带火星的木条伸入集气瓶内
②检验二氧化碳:把适量的澄清石灰水注入集气瓶中,振荡
木条复燃
澄清石灰水变浑浊
瓶内气体是氧气
瓶内气体是二氧化碳
故答案为:
(1)2H2O22H2O+O2↑;
(2)CaCO3+2HCl=CaCl2+H2O+CO2↑;
(3)可以控制反应的速率或得到平稳的气流等;
(4)①反应物和反应条件;
②实验装置;
(5)
实验步骤
实验现象
实验结论
①检验氧气:把带火星的木条伸入集气瓶内
②检验二氧化碳:把适量的澄清石灰水注入集气瓶中,振荡
木条复燃
澄清石灰水变浑浊
瓶内气体是氧气
瓶内气体是二氧化碳
46.(2020•苏州)钢铁的腐蚀是重要研究课题。
【知识回顾】用如图1所示实验进行铁钉腐蚀的研究。一段时间后试管A、B中铁钉几乎没有生锈,而试管C中铁钉明显锈蚀,试管D、E中铁钉严重锈蚀。
(1)由A、B、C的现象可知,铁的锈蚀是铁跟 H2O、O2 (填化学式)等物质作用的过程。
(2)试管B中使用“煮沸并迅速冷却的蒸馏水”,其目的是 除去蒸馏水中溶解的氧气且防止氧气再溶于水 。
【实验探究】向试管D中(含生锈铁钉)加入过量10%稀盐酸,浸泡。可观察到铁锈逐渐消失,铁钉表面有气泡产生,溶液呈黄色,一段时间后黄色变为浅绿色。
(3)写出铁锈溶于盐酸的化学方程式: Fe2O3+6HCl=2FeCl3+3H2O 。
(4)推测试管D中溶液由黄色变为浅绿色,可能是因为氯化铁与某些物质发生反应所致。现进行如表3个实验(持续10小时,已知氢气不影响该反应)
序号
实验Ⅰ
实验Ⅱ
实验Ⅲ
实验内容
现象
溶液颜色始终呈黄色
产生红褐色沉淀
溶液逐渐由黄色变浅绿色
①设计实验Ⅰ的目的是 探究氯化铁能否与盐酸反应生成氯化亚铁 。
②综合分析上述3个实验,试管D中溶液由黄色变为浅绿色的原因是 酸性条件下,氯化铁与铁钉反应生成氯化亚铁 。
【拓展延伸】研究水样的pH、水中溶解氧浓度与钢铁腐蚀速率的关系。查阅相关文献得到如下资料。
(5)图2表示水样温度22℃、氧含量6mL•L﹣1时,钢铁腐蚀速率与水样pH的关系。当pH<4时,钢铁腐蚀速率明显增大的原因是 钢铁与水样中的氢离子发生化学反应 。
(6)图3表示温度22℃、pH=7时,钢铁腐蚀速率与水中溶解氧浓度的关系。当溶解氧超过20mL•L﹣1时,钢铁腐蚀速率明显下降的原因可能是 钢铁表面生成较致密的氧化膜,阻碍氧气、水与钢铁的接触 。
【解答】解:(1)试管A中的铁钉只与氧气接触,没有锈蚀,试管B中的铁钉只与水接触,没有锈蚀,试管C中的铁钉与氧气、水同时接触发生了锈蚀,由A、B、C的现象可知,铁的锈蚀是铁跟水、氧气等物质作用的过程;故填:H2O、O2;
(2)蒸馏水中可能溶解有少量的氧气,所以试管B中使用“煮沸并迅速冷却的蒸馏水”,其目的是除去蒸馏水中溶解的氧气且防止氧气再溶于水;故填:除去蒸馏水中溶解的氧气且防止氧气再溶于水;
(3)铁锈的主要成分是氧化铁,氧化铁与盐酸反应生成氯化铁和水;故填:Fe2O3+6HCl=2FeCl3+3H2O;
(4)①设计实验Ⅰ的目的是探究氯化铁能否与盐酸反应生成氯化亚铁;故填:探究氯化铁能否与盐酸反应生成氯化亚铁;
②综合分析上述3个实验可知,酸性条件下,氯化铁与铁钉反应生成氯化亚铁,所以试管D中溶液由黄色变为浅绿色;故填:酸性条件下,氯化铁与铁钉反应生成氯化亚铁;
(5)由图象2可知,当pH<4时,钢铁与水样中的氢离子发生化学反应,所以钢铁腐蚀速率明显增大;故填:钢铁与水样中的氢离子发生化学反应;
(6)当溶解氧超过20mL•L﹣1时,钢铁表面生成较致密的氧化膜,阻碍氧气、水与钢铁的接触,所以钢铁腐蚀速率明显下降;故填:钢铁表面生成较致密的氧化膜,阻碍氧气、水与钢铁的接触。
47.(2022•工业园区模拟)化学是一门以实验为基础的科学,请回答下列问题。
(1)写出图中仪器①的名称 长颈漏斗 。
(2)实验室可以用A装置加热高锰酸钾制取氧气,需在试管口放置一团棉花,目的是 防止加热时高锰酸钾进入导管 。
(3)实验室用大理石和稀盐酸制取CO2,请写出化学方程式 CaCO3+2HCl═CaCl2+H2O+CO2↑ 。若选用C作发生装置,使反应停止的操作为 关闭活塞 。若用G装置收集该气体,气体应从 a (填“a”或“b”)进。若实验中需使用溶质质量分数为12%的稀盐酸,用水和溶质质量分数为36%的浓盐酸来配制。需要的水和该浓盐酸的质量比为 2:1 。
(4)实验室常用加热氢氧化钠和醋酸钠的固体混合物制取甲烷气体,应选用的发生装置是 A (填字母,下同)。已知相同条件下甲烷的密度比空气小且难溶于水,常见的D、E、F三种收集装置中,可用于收集甲烷气体的装置有 E或F 。
【解答】解:(1)图中仪器①的名称是长颈漏斗。
故答案为:长颈漏斗。
(2)实验室可以用A装置加热高锰酸钾制取氧气,需在试管口放置一团棉花,目的是防止加热时高锰酸钾进入导管。
故答案为:防止加热时高锰酸钾进入导管。
(3)实验室用大理石和稀盐酸制取CO2,化学方程式是CaCO3+2HCl═CaCl2+H2O+CO2↑。若选用C作发生装置,使反应停止的操作为关闭活塞(试管中的气体增多,压强增大,导致液面下降和固体分离,反应停止)。若用G装置收集该气体,二氧化碳密度比空气大,气体应从a进。若实验中需使用溶质质量分数为12%的稀盐酸,用水和溶质质量分数为36%的浓盐酸来配制。设需要的水和该浓盐酸的质量比为x:y,根据题意有:y×36%=(x+y)×12%,x:y=2:1。
故答案为:CaCO3+2HCl═CaCl2+H2O+CO2↑;关闭活塞;a;2:1。
(4)实验室常用加热氢氧化钠和醋酸钠的固体混合物制取甲烷气体,应选用的发生装置是A。已知相同条件下甲烷的密度比空气小且难溶于水,常见的D、E、F三种收集装置中,可用于收集甲烷气体的装置有E或F。
故答案为:A;E或F。
48.(2022•邗江区二模)化学是一门以实验为基础的自然科学。
(1)用高锰酸钾制氧气应选用发生装置 A (填“A”或“B”),反应的原理是 2KMnO4K2MnO4+MnO2+O2↑ (用化学方程式表示);收集较纯净的氧气适宜选用装置 F (填字母);
(2)仪器①由 无机 (填“无机”或“合成”)材料制成,该材料作反应容器除了耐腐蚀,还具有 透明 等优点(写一点即可);仪器②在实验中的作用是 加入液体药品 ;
(3)对废干电池进行实验研究,将外层锌筒 剪成小块状 (填“磨成细粉末”或“剪成小块状”)后,用装置C制取氢气。将筒内的灰黑色物质(含有C、MnO2、ZnCl2、NH4C1等)取出进行实验,过程如下:
i.操作①使用玻璃棒的作用是 搅拌加快溶解速率 ,所得溶液中含有的阴离子是 氯离子 ;
ii.操作②的名称是 过滤 。操作中滤纸折叠不应出现下列图示中的 D (填字母);
iii.向操作②所得的滤液中滴加NaOH,会产生有刺激性气味的 NH3 (填化学式);
iv.操作③灼烧后固体质量减少,原因是 C+O2CO2 (用化学方程式表示);
v.操作④将灼烧后的剩余固体加入试管,带火星木条立即复燃,试管内反应的化学方程式是 2H2O22H2O+O2↑ 。
【解答】解:(1)用高锰酸钾制氧气应选用发生装置A,反应的原理是2KMnO4K2MnO4+MnO2+O2↑;收集较纯净的氧气适宜选用装置F(因为氧气的密度比空气大,可以用向上排空气法收集,氧气不易溶于水,可以用排水法收集,用排水法收集的氧气比用排空气法收集的氧气纯净)。
故答案为:A;2KMnO4K2MnO4+MnO2+O2↑;F。
(2)仪器①(锥形瓶)由无机材料制成,该材料作反应容器除了耐腐蚀,还具有透明等优点;仪器②在实验中的作用是加入液体药品。
故答案为:无机;透明;加入液体药品。
(3)对废干电池进行实验研究,将外层锌筒剪成小块状后,用装置C制取氢气。
故答案为:剪成小块状。
i.操作①使用玻璃棒的作用是搅拌加快溶解速率,所得溶液中含有的阴离子是氯离子。
故答案为:搅拌加快溶解速率;氯离子。
ii.操作②的名称是过滤。操作中滤纸折叠不应出现下列图示中的D。
故答案为:过滤;D。
iii.向操作②所得的滤液中滴加NaOH,会产生有刺激性气味的氨气,是因为氢氧根离子能和铵根离子结合生成水和氨气,氨气有刺激性气味。
故答案为:NH3。
iv.操作③灼烧后固体质量减少,原因是碳燃烧生成二氧化碳,反应的化学方程式是C+O2CO2。
故答案为:C+O2CO2。
v.操作④将灼烧后的剩余固体加入试管,带火星木条立即复燃,是因为过氧化氢在二氧化锰催化作用下分解生成水和氧气,氧气能使带火星的木条复燃,试管内反应的化学方程式是2H2O22H2O+O2↑。
故答案为:2H2O22H2O+O2↑。
49.(2022•姑苏区模拟)化学是一门以实验为基础的科学。请根据下列实验装置回答有关问题:
(1)写出B中标号①仪器的名称: 锥形瓶 ,实验室用加热高锰酸钾的方法制取氧气,发生装置可选择 A (填字母),该反应的化学方程式为 2KMnO4K2MnO4+MnO2+O2↑ 。
(2)用装置F收集一瓶O2,验满时应将带火星的木条放在 b (填“a”或“b”)处。
(3)将装置G倾斜使两种药品混合,即可制得气体。下列制取气体的方法可选用装置G的是 AC (填字母)。
A.用锌粒和稀硫酸反应制取氢气
B.加热氯酸钾和二氧化锰的混合物制取氧气
C.用双氧水和二氧化锰反应制取氧气.
D.加热无水醋酸钠和碱石灰的固体混合物制取甲烷
(4)实验室用加热氯化铵和氢氧化钙固体混合物的方法制取氨气(已知:氨气密度比空气小,极易溶于水),则实验室制取氨气可选用的实验装置组合为 BD (填字母)。
A.A和D
B.A和E
C.B和E
D.A和F
(5)H中,由“①处的白磷不燃烧、②处的白磷燃烧”的现象,说明可燃物燃烧需满足的条件是 可燃物需要与氧气接触 。
【解答】解:(1)①为固液反应容器锥形瓶;反应物为固体,且需要加热,故选A为发生装置;高锰酸钾在加热条件下反应生成锰酸钾、二氧化锰和氧气,书写化学方程式注意配平及气体符号,所以化学方程式为2KMnO4K2MnO4+MnO2+O2↑;
故答案为:锥形瓶;A;2KMnO4K2MnO4+MnO2+O2↑。
(2)氧气密度比空气大,先在顶部聚集,集满后从短口b逸出,所以将带火星的木条置于b处,检验是否集满;
故答案为:b。
(3)G为固液不加热装置,因此选择固液混合物,且不需要加热反应制备气体:
A、锌和硫酸属于固液混合物,不需要加热,选项A符合题意;
B、氯酸钾与二氧化锰为固体混合物,且需要加热,选项B不符合题意;
C、双氧水和二氧化锰为固液混合物,不需要加热,选项C符合题意;
D、无水醋酸钠和碱石灰属于固体混合物,且需要加热,选项D不符合题意;
故选:AC。
(4)反应物为固体,且需要加热,故选A为发生装置,氨气极易溶于水,不能用排水法收集,密度比空气小,可以用向下排空气法收集,故选E或F为收集装置,所以制备装置选择AE或AF:
故选:BD。
(5)①和②处白磷变量为是否与氧气接触,因此探究燃烧条件之一,可燃物需要与氧气接触;
故答案为:可燃物需要与氧气接触。
50.(2022•常州模拟)化石燃料的燃烧、硫酸的生产都会产生二氧化硫,二氧化硫被雨水吸收后会形成酸雨,使农作物、建筑材料等遭到破坏。我国环境空气质量标准对空气中SO2的最高浓度进行了限定,其中一级标准为0.15g•mL﹣1。
(1)通过测定雨水的 pH 可粗略判断其是否为酸雨。
(2)测定某工业废气中SO2的含量。兴趣小组同学利用图1所示装置进行实验,步骤如下。
已知:SO2+I2+2H2O═H2SO4+2HI(无色溶液)。
常温下,碘微溶于水,加入碘化钾可促进碘的溶解,增加SO2的吸收量。废气中的其他成分不与淀粉碘溶液反应。
步骤1:称取1.27g碘单质(I2),加入少量碘化钾,加水配制成1000mL溶液;
步骤2:取5mL上述溶液于试管中,滴入2~3滴淀粉试液,溶液变蓝;
步骤3:将注射器的活塞推到底后,插入试管的橡皮塞中,然后缓缓向外拉活塞,每次抽取80mL该工业废气样品,当溶液刚好变为无色时,共抽取100次。
①步骤2中,5mL溶液中溶有碘单质 6.35 mg;步骤3中缓缓向外拉活塞,“缓缓”的目的是 使废气中的二氧化硫与碘完全反应 。
②计算该废气中SO2的含量,并判断是否达到国家一级标准(请写出计算过程)。
(3)工业废渣(主要成分为Na2CO3)可吸收工业废气中的SO2达到减少污染,节约资源的目的。反应过程中溶液组成的浓度变化如图2所示。
①吸收初期(图2中A点以前)发生反应的化学方程式为 2Na2CO3+SO2+H2O=2NaHCO3+Na2SO3 。
②不断通入SO2(图2中B点以后)的最终产物是 NaHSO3 。
【解答】解:(1)酸雨的pH<5.6,测定雨水的pH与5.6进行比较,可粗略判断其是否为酸雨,故答案为:pH。
(2)①步骤2中,5mL溶液中溶有碘单质的质量=5mL×=0.00635g=6.35mg,步骤3中缓缓向外拉活塞,“缓缓”的目的是使气体与淀粉碘溶液充分接触,使二氧化硫气体与碘充分反应,完全被吸收,故答案为:6.35;使废气中的二氧化硫与碘完全反应。
②设5mL溶液吸收的二氧化硫的质量为x,
SO2+I2+2H2O=H2SO4+2HI
64 254
x 0.00635g
x=0.0016g=1.6mg,
实验中消耗气体的体积=80mL×100=8000mL=8L。
该废气中SO2的含量=1.6mg×8L=0.2mg/L>0.15 mg/mL,所以没有达到国家一级标准。
答:该废气中SO2的含量没有达到国家一级标准。
(3)①由图可知,吸收初期,碳酸钠的质量减少,碳酸氢钠与亚硫酸钠的质量增加,即碳酸钠、二氧化硫和水反应生成碳酸氢钠和亚硫酸钠,故反应的化学方程式写为:2Na2CO3+SO2+H2O=2NaHCO3+Na2SO3,故答案为:2Na2CO3+SO2+H2O=2NaHCO3+Na2SO3;
②不断通入SO2,图中B点以后Na2CO3、NaHCO3、Na2SO3的质量都为零,只有NaHSO3的质量最多,即反应的最终产物是NaHSO3,故答案为:NaHSO3。
51.(2022•启东市模拟)2022年2月冬奥会在北京胜利召开,突出了“简约、安全、精彩”的要求。
(1)简约冬奥。
①通过对首钢的工业构筑物改造,成为冬奥滑雪大跳台,钢属于 金属 材料。
②“用张北的风点亮北京的灯”,能量转化是 风能 →机械能→电能。
(2)安全冬奥。
①冬奥期间所有人员都要勤戴口罩,这是因为口罩有 过滤 、吸附作用。
②雾化消毒机器人每天都要使用0.5%的过氧乙酸(化学式为C2H4O3)溶液对运动场馆进行消杀。在配制过程中量取20%的过氧乙酸溶液仰视读数,则最终配得的溶液浓度将 偏大 (填“偏大”、“不变”或“偏小”)。
(3)精彩冬奥。
①冬奥火炬“飞扬”采用氢气代替了丙烷(C3H8)作为燃料,其优点是 燃烧只生成水,无污染 。关闭火炬的燃气开关,即可使火炬熄灭,采用的灭火原理是 隔绝可燃物 。
②“冰丝带”采用了CO2跨临界直冷制冰技术,该技术可有效缓解的环境问题是 温室效应 。水制成冰时,从微观角度看,发生改变的是 分子之间的间隔 。
【解答】解:(1)①钢是铁和碳的合金,属于金属材料,故答案为金属;
②“用张北的风点亮北京的灯”,能量转化是风能转化为机械能,机械能转化为电能;故答案为:风能;
(2)①口罩具有过滤、吸附的作用,故答案为:过滤;
②在配制过程中量取20%的过氧乙酸溶液仰视读数,实际量取的20%的过氧乙酸偏多,因此最终配得的溶液浓度偏大,故答案为:偏大;
(3)①氢能的优点是燃烧只生成水,无污染,关闭火炬的燃气开关,即可使火炬熄灭,采用的灭火原理是隔绝可燃物,故答案为:燃烧只生成水,无污染;隔绝可燃物;
②减少二氧化碳的排放可以缓解温室效应,水制成冰,分子种类不变,变化的是分子之间的间隔,故答案为:温室效应;分子之间的间隔。
52.(2022•秦淮区二模)某学习小组的同学对铁的化学性质进行探究。
【知识回顾】
(1)与氧气的反应。铁丝在氧气中燃烧的现象是 剧烈燃烧、火星四射、生成了黑色固体物质,放出大量的热 。
(2)与稀硫酸的反应。该反应的化学方程式是 Fe+H2SO4═FeSO4+H2↑ 。
(3)与硫酸铜溶液的反应。该反应属于基本反应类型中的 置换反应 。
【查阅资料】铁锈蚀的主要反应过程如图1所示:
方框内的四种物质中,铁元素的化合价从左到右依次为 0、+2、+3、+3 。
【探究实验1】连接实验装置如图2所示,分别在瓶①、瓶②中加入对应药品,利用氧气传感器采集数据,得到图像如图3所示,观察到瓶①中铁粉不生锈,瓶②中铁粉生锈。
【得出结论1】铁生锈需要与水和氧气接触。请简要分析通过上述实验得出该结论的依据: 图像②中氧气体积分数减小 。
【探究实验2】连接实验装置如图4所示,分别在瓶③、瓶④、瓶⑤中加入对应药品,利用氧气传感器采集数据,得到图像如图5所示。
瓶③中加入药品的名称及用量为 铁粉5.0g、炭粉0.1g,水10滴 。
【得出结论2】食盐或稀醋酸的物质的存有会加速铁的诱蚀。
【拓展提升】将一定量稀硫酸和硫酸铜溶液混合,向其中加入一定质量的铁粉,反应一段时间后,经过滤、洗涤、干燥。得到固体的质量与加入铁粉的质量相同,则生成的氢气与铜的质量比为 1:224 (填最简整数比)。
【解答】解:(1)铁丝燃烧时观察到的现象是剧烈燃烧、火星四射、生成了黑色固体物质,放出大量的热;
(2)铁和稀硫酸反应生成硫酸亚铁和氢气,反应的化学方程式是:Fe+H2SO4═FeSO4+H2↑;
(3)铁与硫酸铜反应生成铜和硫酸亚铁,该反应为单质与化合物反应生成另一种单质和另一种化合物,属于置换反应;
铁为单质,化合价为0,氢氧化亚铁中氢氧根为﹣1价,根据化合物中正负化合价代数和为0,铁为+2价,氢氧化铁中铁为+3价,氧化铁中铁为+3价;
【探究实验1】②中铁与水和氧气接触生锈了,由图像可知,②中氧气体积分数减小,说明氧气被反应了,说明铁生锈需要与水和氧气接触;
【探究实验2】由图像5可知,瓶③氧气体积分数减小,说明铁生锈了,减小的幅度需要瓶④、⑤,根据控制变量实验方法可知,瓶③中加入药品的名称及用量为铁粉5.0g、炭粉0.1g,水10滴;
【拓展提升】设铁粉质量为x,生成氢气质量为y,
Fe+H2SO4═FeSO4+H2↑
56 2
x y
x=
设铁粉质量为在z,生成铜的质量为m
Fe+CuSO4═FeSO4+Cu
56 64
z m
z=
根据题意有:x
x+z=m
=m
y:m=1:224
故答案为:(1)剧烈燃烧、火星四射、生成了黑色固体物质,放出大量的热;
(2)Fe+H2SO4═FeSO4+H2↑;
(3)置换反应;0、+2、+3、+3;
【探究实验1】图像②中氧气体积分数减小;
【探究实验2】铁粉5.0g、炭粉0.1g,水10滴;
【拓展提升】1:224。
53.(2022•徐州二模)化学实验室常用下列几种装置制备气体。
(1)写出E装置中一种玻璃仪器的名称: 集气瓶或水槽 。
(2)用氯酸钾制氧气的化学方程式为 2KClO32KCl+3O2↑ ,发生装置和收集装置的组合是 AD或AE或AG ;若用装置G收集二氧化碳,应从 a (填“a”或“b”)管通入气体。
(3)利用装置B与F制取某种气体,有关的化学方程式为 Zn+H2SO4=ZnSO4+H2↑ 。
(4)乙炔气体(C2H2)的密度与空气的密度很接近,且难溶于水。固体电石(CaC2)和水在常温下剧烈反应,生成乙炔和一种碱,则制取乙炔的化学方程式是 CaC2+2H2O=Ca(OH)2+C2H2↑ ,发生装置与收集装置的组合最好选 CE 。
【解答】解:(1)E为排水法收集装置,玻璃仪器包括集气瓶和水槽,任选一个回答即可;
故答案为:水槽或集气瓶。
(2)氯酸钾在二氧化锰催化作用下加热反应生成氯化钾和氧气,书写化学方程式注意配平及气体符号,所以化学方程式为2KClO32KCl+3O2↑;反应物为固体且需要加热,故选A为发生装置,氧气不易溶于水,可以用排水法收集,密度比空气大,也可以用向上排空气法收集,故选D或E或G为收集装置;
故答案为:2KClO32KCl+3O2↑;AD或AE或AG。
(3)发生装置为固液不加热装置,收集装置为向下排空气法收集装置,说明气体密度比空气小,符合此要求的常见气体为氢气,实验室利用锌与硫酸的反应制备氢气,锌和硫酸反应生成硫酸锌和氢气,书写化学方程式注意配平及气体符号,所以化学方程式为Zn+H2SO4=ZnSO4+H2↑;
故答案为:Zn+H2SO4=ZnSO4+H2↑。
(4)反应后生成一种碱和乙炔,而反应后含有钙元素,因此可以形成氢氧化钙,所以是电石与水反应生成氢氧化钙和乙炔,书写化学方程式注意配平及气体符号,所以化学方程式为CaC2+2H2O=Ca(OH)2+C2H2↑;反应剧烈需要控制反应速率,因此选择带有注射器的发生装置,控制加入液体的量,控制反应速率,密度与空气接近,不能采用排空气法收集,难溶于水,可以用排水法收集,故选E为收集装置;
故答案为:CaC2+2H2O=Ca(OH)2+C2H2↑;CE。
54.(2022•姜堰区一模)化学是以实验为基础的学科。
(1)下表是实验室三个药品柜中存放的部分药品。
甲柜
乙柜
丙柜
稀盐酸、稀硫酸……
氢氧化钠、氢氧化钙
碳酸钠、氯化钠、硫酸铜
实验一组同学欲取出浓氨水,应从 b 柜中取。
a.甲
b.乙
c.丙
(2)实验二组同学欲用溶质质量分数为14%(密度为1.1g/mL)的氯化钠溶液配制154g溶质质量分数为6%的氯化钠溶液,实验步骤为:
①计算:需要14%的氯化钠溶液体积为 60 mL;② 量取 ;③稀释。
(3)实验三组同学观察到实验台上有制备二氧化碳后未处理的锥形瓶,里面有固体和液体,固体表面无明显气泡,同学们对锥形瓶中的物质进行探究。
【提出猜想】甲同学猜想:固体中有碳酸钙,液体中没有稀盐酸
乙同学猜想:固体中没有碳酸钙,液体中有稀盐酸
丙同学猜想:固体中没有碳酸钙,液体中也没有稀盐酸
【实验过程】
实验步骤
实验现象
实验结论
用镊子夹取几块较大的固体放入小烧杯中,向其中加入质量分数为10%的盐酸
有较多气泡产生
固体中有碳酸钙
取出少量液体放入另一只小烧杯中,用 酸度计 测定液体的酸碱度
pH=2.3
液体中有稀盐酸
【实验反思】如果锥形瓶内的物质不分离,持续测定液体的酸碱度,酸度会 减弱 (填“增强”或“减弱”或“不变”)。
【实验拓展】同学们另取实验室药品用数字化实验完成拓展实验。
实验1:向盐酸中逐滴滴入碳酸钠溶液。
实验2:向氯化钙溶液中逐滴滴入碳酸钠溶液。
实验3:另取上述盐酸和氯化钙的混合物于烧杯中,滴入2﹣3滴酚酞试液,再向烧杯中逐滴滴入碳酸钠溶液。
①实验1中25s时的溶液中的阳离子有 钠离子、氢离子 。
②实验2中25s﹣75s时间段发生反应的方程式为 Na2CO3+CaCl2=CaCO3↓+2NaCl 。
③实验3最终烧杯中液体呈现红色的原因是 盐酸、氯化钙均被消耗完后,再加入碳酸钠溶液后,溶液显碱性,使酚酞试液变红 。
【解答】解:(1)浓氨水属于碱,所以应从乙柜中取出,故答案为:b;
(2)①需要14%的氯化钠溶液体积为=60mL;故答案为:60;
②用溶质质量分数为14%的氯化钠溶液配制154g溶质质量分数为6%的氯化钠溶液,实验步骤为:计算、量取、稀释;故答案为:量取;
(3)[实验过程]盐酸和碳酸钙反应生成氯化钙、二氧化碳和水,夹取几块较大的固体放入小烧杯中,向其中加入质量分数为10%的盐酸,有较多气泡产生,说明固体中有碳酸钙;测得液体的pH=2.3,所以用酸度计测定的;故答案为:固体中有碳酸钙;酸度计;
[实验反思]盐酸和碳酸钙反应生成氯化钙、二氧化碳和水,导致溶液中盐酸的量减少,酸性会减弱,酸度会减弱;故答案为:减弱;
[实验拓展]①盐酸和碳酸钠反应生成氯化钠、二氧化碳和水,实验1中25s时的溶液中的pH小于7,说明有盐酸,则溶液的阳离子有钠离子、氢离子;故答案为:钠离子、氢离子;
②实验2中25s﹣7Ss时间段的pH一直为7,溶液显中性,发生的反应是氯化钙和碳酸钠反应生成碳酸钙沉淀和氯化钠,反应的方程式为:Na2CO3+CaCl2=CaCO3↓+2NaCl;故答案为:Na2CO3+CaCl2=CaCO3↓+2NaCl;
③碳酸钠先和盐酸反应生成氯化钠、二氧化碳和水完成后,碳酸钠再和氯化钙反应生成碳酸钙沉淀和氯化钠,溶液的pH由小于7,逐渐变为7,盐酸、氯化钙均被消耗完后,再加入碳酸钠溶液后,溶液显碱性,使酚酞试液变红,故答案为:盐酸、氯化钙均被消耗完后,再加入碳酸钠溶液后,溶液显碱性,使酚酞试液变红。
55.(2022•南通模拟)兴趣小组同学实验中,将一定质量Mg条投入200g溶质质量分数为10.6%的Na2CO3溶液中发现:产生了气泡,并有白色沉淀生成。小组同学对此进行了系列探究。已知:无水硫酸铜遇水会变成蓝色。
【实验1】气体成分探究
实验现象:气体燃烧,产生淡蓝色火焰,澄清石灰水未变浑浊,烧杯内壁有水雾,说明气体是 氢气 ,装置中浓硫酸的作用是 除去氢气中的水蒸气 。
【实验2】白色沉淀成分探究
充分反应后,某同学经过滤、洗涤、低温烘干得白色固体。
【猜 测】白色固体可能是:①Mg(OH)2; ②MgCO3; ③Mg(OH)2、MgCO3混合物。
【实验3】取白色不溶物少许,加入 足量稀盐酸 ,不溶物全部溶解,产生气泡,则猜测①不成立。
【资 料】Mg(OH)2、MgCO3均为白色不溶性固体,加热易分解,生成对应的两种氧化物。将固体充分加热,产生的气体使无水CuSO4粉末变蓝,说明白色固体中含有 氢氧化镁 ,澄清石灰水变浑浊。结论:猜测 ③ (选填“②”或“③”)成立。
【实验4】溶质成分探究
向滤液中加入足量的BaCl2溶液,产生了19.7g白色沉淀,静置,向上层清液中滴加酚酞试液,出现 红 色,说明溶质中含有Na2CO3和NaOH,两者的质量比为 53:20 。
【结论】通过上述实验探究,请写出Mg和Na2CO3溶液反应的化学方程式 3Mg+Na2CO3+6H2O=2Mg(OH)2+MgCO3+2NaOH+3H2↑ 。
【解答】解:【实验1】气体燃烧,产生淡蓝色火焰,澄清石灰水未变浑浊,烧杯内壁有水雾,说明气体是氢气,装置中浓硫酸的作用是除去氢气中的水蒸气;
【实验3】碳酸镁与盐酸反应生成氯化镁、水和二氧化碳气体,故取白色不溶物少许,加入稀盐酸,不溶物全部溶解,产生气泡,说明有碳酸镁,故则猜测①不成立。
【资 料】氢氧化镁加热生成氧化镁和水,碳酸镁加热生成氧化镁和二氧化碳,将固体充分加热,产生的气体使无水CuSO4粉末变蓝,说明生成水,则白色固体中含有氢氧化镁,澄清石灰水变浑浊,生成二氧化碳,则白色固体中含有碳酸镁,则猜测③成立。
【实验3】根据结论溶质中含有Na2CO3和NaOH,向滤液中加入足量的BaCl2溶液,氯化钡与碳酸钠反应生成碳酸钡沉淀和氯化钠,静置,向上层清液中滴加酚酞试液,氢氧化钠呈碱性,能使无色酚酞试液变红。
设溶质中含有Na2CO3质量为x
BaCl2+Na2CO3=BaCO3↓+2NaCl
106 197
x 19.7g
x=10.6g
200g溶质质量分数为10.6%的Na2CO3溶液中碳酸钠质量为200g×10.6%=21.2g,则与镁反应的碳酸钠质量为21.2g﹣10.6g=10.6g,根据质量守恒定律可知,氢氧化钠中钠元素质量与10.6g碳酸钠中钠元素质量相等,设氢氧化钠质量为y,则有10.6g×=x×,x=4g。则溶质中Na2CO3和NaOH两者的质量比为10.6g:4g=53:20。
两者的质量比为
【结论】通过上述实验探究,Mg和Na2CO3溶液反应生成氢氧化钠、氢氧化镁、碳酸镁和氢气,化学方程式为3Mg+Na2CO3+6H2O=2Mg(OH)2+MgCO3+2NaOH+3H2↑。
故答案为:
【实验1】氢气;除去氢气中的水蒸气;
【实验3】足量稀盐酸;氢氧化镁;③;
【实验4】红;53:20;
【结论】3Mg+Na2CO3+6H2O=2Mg(OH)2+MgCO3+2NaOH+3H2↑。
56.(2022•惠山区模拟)某小组为探究二氧化碳产生快慢与哪些因素有关,在老师的指导下进行如下探究。老师提供的药品有:块状和粉末状大理石、5%和10%稀盐酸、10%稀硫酸。
【提出问题】影响产生二氧化碳快慢的因素有哪些?
【作出猜想】甲同学:与酸的种类有关。乙同学:与酸的浓度有关。
丙同学:与大理石颗粒大小有关。丁同学:与 温度 有关
【设计实验】同学们为了验证自己的猜想,按照如下实验方案进行实验并测得数据。
序号
X(℃)
大理石颗粒
酸的种类
酸的浓度
收集50mL气体时间(s)
①
20
块状
盐酸
5
56
②
20
块状
盐酸
10
42
③
30
块状
盐酸
10
31
④
20
块状
硫酸
10
﹣
⑤
30
块状
盐酸
5
Y
⑥
20
粉末状
盐酸
10
27
(1)写出盐酸与大理石反应的化学方程式 CaCO3+2HCl═CaCl2+H2O+CO2↑ 。
(2)实验①②对比得出的实验结论为 其它条件相同时,酸的浓度越大,反应速率越快 。
(3)已知硫酸钙是一种微溶于水的物质,请根据实验数据④和⑥试分析实验④几乎没有收集到气体的原因可能是 稀硫酸和碳酸钙反应生成的硫酸钙微溶于水,包裹住块状大理石表面,阻止反应进行 。
(4)Y的数据可能是 AB 。
A.42
B.48
C.58
D.28
【解答】解:【作出猜想】
甲同学:与酸的种类有关。乙同学:与酸的浓度有关。
丙同学:与大理石颗粒大小有关。丁同学:与温度有关。
故答案为:温度。
【设计实验】
(1)盐酸与大理石中的碳酸钙反应生成氯化钙、水和二氧化碳,反应的化学方程式是CaCO3+2HCl═CaCl2+H2O+CO2↑。
故答案为:CaCO3+2HCl═CaCl2+H2O+CO2↑。
(2)实验①②对比得出的实验结论为其它条件相同时,酸的浓度越大,反应速率越快。
故答案为:其它条件相同时,酸的浓度越大,反应速率越快。
(3)已知硫酸钙是一种微溶于水的物质,请根据实验数据④和⑥试分析实验④几乎没有收集到气体的原因可能是稀硫酸和碳酸钙反应生成的硫酸钙微溶于水,包裹住块状大理石表面,阻止反应进行。
故答案为:稀硫酸和碳酸钙反应生成的硫酸钙微溶于水,包裹住块状大理石表面,阻止反应进行。
(4)由表中信息可知,温度越高、接触面积越大、酸的浓度越大,反应速率越快,对比①⑤可知Y的数据应该小于56,对比③⑤可知Y的数据应该大于31,因此Y的数据可能是42或48。
故答案为:AB。
57.(2022•广陵区一模)某化学兴趣小组进行草酸亚铁晶体(FeC2O4•2H2O)分解的实验探究。
【查阅资料】白色无水硫酸铜CuSO4固体遇水会变成蓝色CuSO4•5H2O。
【猜想】草酸亚铁晶体分解会产生CO、CO2和H2O三种气体。
【实验方案】按照如图装置进行实验,验证猜想(夹持装置部分未画出)。
【问题讨论】
(1)实验开始前需要先鼓入一段时间的N2,该操作的目的为 将装置内的空气排尽,防止发生爆炸或空气中的二氧化碳、水蒸气干扰实验结果 。
(2)E中碱石灰的作用是 吸收水蒸气 。
【结果分析】
(3)定性分析:
①证明分解产物中存在CO的现象是 装置D中澄清石灰水不变浑浊,装置F中由黑色变为红色,装置G中澄清石灰水变浑浊 (需要从D、F、G三装置中的现象答全):
②小明认为应增加H装置,则H装置应放在 AB 两个装置之间,若观察到H装置的现象 无水硫酸铜变蓝 ,则证明草酸亚铁晶体分解有水生成。
(4)定量分析(假定每一步反应进行完全):
取3.6g草酸亚铁晶体进行上述实验,测得装置A玻璃管中残余1.44g黑色固体FeO,装置F中玻璃管固体质量减轻0.32g,则草酸亚铁晶体分解得到的CO2的质量为 0.88g 。
【反思评价】
(5)从环保角度考虑,该套实验装置的明显缺陷是 缺少尾气处理装置 。
(6)文献显示:FeC2O4•2H2O受热分解时,固体的质量随温度变化的曲线如图所示:
①写出加热到400℃时,FeC2O4•2H2O受热分解的化学方程式 FeC2O4•2H2O FeO+CO↑+CO2↑+2H2O↑ :
②根据图象,若有3.6g FeC2O4•2H2O在敞口环境中充分加热,最终得到红棕色固体1.60g,则该物质的化学式为 Fe2O3 。
【解答】解:(1)实验开始前,需要鼓入一段时间的氮气,将装置内的空气排尽,因为草酸亚铁晶体分解会产生CO、CO2和H2O 三种气体,一氧化碳具有可燃性,混有一定量的空气,遇明火会发生爆炸,同时空气中的二氧化碳、水蒸气可能会干扰试验结果;
(2)碱石灰具有吸水性,可以吸收水蒸气,故E中碱石灰的作用是吸收水蒸气;
(3)①一氧化碳能与氧化铜在加热的条件下反应生成铜和二氧化碳,氧化铜为黑色,铜为红色,反应生成的二氧化碳能使澄清石灰水变浑浊,故证明分解产物中存在CO的现象是装置D中澄清石灰水不变浑浊,装置F中由黑色变为红色,装置G中澄清石灰水变浑浊;
②无水硫酸铜遇水变蓝,故该装置可以证明有水生成,实验中应首先证明水的存在,然后证明一氧化碳、二氧化碳的存在,因为气体会从溶液中携带水蒸气,干扰实验结果,故应将其放在A、B装置之间,无水硫酸铜变蓝则证明有水生成;
(4)装置F中硬质玻璃管固体质量减轻0.32g,说明氧化铜与一氧化碳在加热的条件下反应生成了铜和二氧化碳,减少的质量就是氧化铜中氧元素的质量,设草酸亚铁晶体(FeC2O4•2H2O)分解得到的CO的质量为x
CuO+COCu+CO2 固体减少质量
80 28 64 80﹣64=16
x 0.32g
x=0.56g;
一氧化碳中碳元素的质量为0.56g100%=0.24g;
该固体物质中碳元素的质量为3.6g×100%=0.48g,则生成二氧化碳中碳元素质量为0.48g﹣0.24g=0.24g,则二氧化碳质量为0.24g÷( 100%)=0.88g;
(5)一氧化碳有毒,未反应的一氧化碳排放到空气中,会对环境造成污染,故应增加尾气处理装置;
(6)①由图可知,加热到400°C时,生成固体的质量为1.44g,设该固体的化学式为FemOn,该固体物质中铁元素的质量为
3.6g× 100%=1.12g,氧元素的质量为1.44g﹣1.12g=0.32g,56m:16n=1.12g:0.32g,m:n=l:1,故该固体的化学式为FeO,草酸亚铁晶体分解还产生了CO、CO2和H2O三种气体,该反应的化学方程式为:
FeC2O4•2H2O FeO+CO↑+CO2↑+2H2O↑;
②该红棕色固体中氧元素的质量为1.60g﹣1.12g=0.48g,设该红棕色物质的化学式为FeaOb,56a:16b=1.12g:0.48g,a:b=2:3,
该红棕色固体的化学式为:Fe2O3。
故答案为:(1)将装置内的空气排尽,防止发生爆炸或空气中的二氧化碳、水蒸气干扰实验结果;
(2)吸收水蒸气;
(3)①装置D中澄清石灰水不变浑浊,装置F中由黑色变为红色,装置G中澄清石灰水变浑浊;②AB;无水硫酸铜变蓝
(4)0.88g;
(5)缺少尾气处理装置;
(6)①FeC2O4•2H2O FeO+CO↑+CO2↑+2H2O↑;②Fe2O3。
58.(2022•兴化市一模)如图1是实验室常用的部分实验装置,请回答下列问题:
(1)仪器名称:① 铁架台 ,② 锥形瓶 。
(2)用高锰酸钾制氧气,可选用的发生装置是 A 。(选填序号),反应化学方程式为 2KMnO4K2MnO4+MnO2+O2↑ 。若用E来收集氧气,收集完毕的操作顺序是 ①③② (填写序号顺序)。
①盖上玻璃片 ②正放在实验台上 ③取出集气瓶
(3)实验室制CO2的反应化学方程式为 CaCO3+2HCl═CaCl2+H2O+CO2↑ ,为方便控制反应的发生和停止,应选择的发生装置是 C (选填序号);如果用F装置收集CO2,验满的操作是 将燃着的木条放在b管口处,若木条熄灭,则已收集满 。
(4)FeS2和O2在加热条件下可反应生成SO2,图2是实验室利用FeS2制取SO2的装置。
①装置H中浓硫酸的作用是 吸收水蒸气,干燥氧气 。
②装置J用于收集SO2,说明SO2气体的密度 大于 (选“小于”或“大于”)空气。
③用化学方程式表示实验中NaOH溶液的作用 。
【解答】解:(1)①为铁架台;②为锥形瓶,故答案为铁架台;锥形瓶;
(2)高锰酸钾制氧气药品为固态,反应条件为加热,故选择固固加热型的发生装置,即A;反应的方程式;用E收集为排水法收集氧气,顺序为在水下盖好玻璃片,然后取出集气瓶,正方在桌面上,所以为 ①③②;故答案为:A;2KMnO4 K2MnO4+MnO2+O2↑;①③②;
(3)实验室制CO2的药品选用为大理石和稀盐酸,反应化学方程式为CaCO3+2HCl═CaCl2+H2O+CO2↑;B装置可以控制反应速率,C装置可以控制反应的发生和停止,故选C;F为排气法收集二氧化碳气体,a端进入气体,将燃着的木条放在短导管口检验收集气体是否集满,所以将燃着的木条放在b管口处,若木条熄灭,则已收集满。故答案为:CaCO3+2HCl═CaCl2+H2O+CO2↑;C;将燃着的木条放在b管口处,若木条熄灭,则已收集满;
(4)利用浓硫酸的吸水性干燥气体,故H的作用为吸收水蒸气,干燥氧气;J为向上排空气法,所以二氧化硫的密度大于空气的密度;氢氧化钠的作用为尾气处理,防止污染空气,方程式为。故答案为:吸收水蒸气,干燥氧气;大于;。
59.(2022•常州模拟)第24届冬季奥运会在北京举办,制冰技术是速滑馆建设的关键,中国建设团队采用了冬奥场馆历史上第一次使用的新技术一一二氧化碳跨临界直冷制冰技术,该技术“碳排放”趋近于零,且二氧化碳主要来自于热电厂的回收再利用。
实验室用如图所示装置完成如图与“CO2”相关的实验:
(1)小徐欲证明鸡蛋壳的主要成分是碳酸盐,他将装置A与装置C相连,装置A中发生反应的化学方程式是 2HCl+CaCO3=CaCl2+H2O+CO2↑ ,装置C中盛放的试剂Y是 澄清石灰水 。
(2)小徐将上述装置按照A→C→B→D的顺序进行连接,其中X是浓度较大的盐酸,Y是饱和碳酸氢钠溶液,在装置D中收集到纯净、干燥的二氧化碳气体。X不用稀盐酸,而用浓度较大盐酸的优点是 加快反应速率,确保碳酸钙充分被溶解 ,装置C的作用是 去除氯化氢 ,装置D的进气管管口是 g (选填“f”或“g”)。
【解答】解:(1)鸡蛋壳主要成分为碳酸钙,盐酸与碳酸钙反应生成氯化钙、水和二氧化碳,书写化学方程式注意配平及气体符号,所以化学方程式为2HCl+CaCO3=CaCl2+H2O+CO2↑;证明为碳酸盐,则生成气体含有二氧化碳,二氧化碳可以用澄清石灰水检验;
故答案为:2HCl+CaCO3=CaCl2+H2O+CO2↑;澄清石灰水。
(2)盐酸浓度较大,可以加快反应速率,确保碳酸钙被充分溶解;盐酸浓度大,氯化氢会挥发出,进去二氧化碳气体,因此需要去除氯化氢;二氧化碳密度比空气大,先在底部聚集,所以从g进气;
故答案为:加快反应速率,确保碳酸钙充分被溶解;去除氯化氢;g。
60.(2022•邗江区一模)化学以实验为基础。根据如图回答有关问题:
(1)认识仪器:图1中仪器A的名称是 铁架台 。
(2)制取气体:实验室用高锰酸钾制氧气的化学方程式为 2KMnO4K2MnO4+MnO2+O2↑ ,收集一瓶较纯净的氧气应选用的仪器是 DFG (填字母,下同);组装实验室制取二氧化碳的发生装置,需选择的仪器是 ABE 。
(3)探究性质:用图2装置实验,测得三颈烧瓶内气压变化情况如图2。
①首先注入瓶中的药品是 水 (填“水”或“氢氧化钠溶液”)。
②对比曲线中bc段和de段,可证明 二氧化碳能与氢氧化钠发生反应 。
【解答】解:(1)由图可知,仪器A为铁架台;
(2)高锰酸钾受热分解生成锰酸钾、二氧化锰和氧气,该反应的化学方程式为:2KMnO4K2MnO4+MnO2+O2↑;氧气不易溶于水,密度比空气大,可用排水法或向上排空气法收集,排水法收集的氧气比较纯净,故收集一瓶较纯净的氧气应选用的仪器是:DFG;实验室通常用石灰石(或大理石)与稀盐酸反应制取二氧化碳,属于固液不加热反应,组装实验室制取二氧化碳的发生装置,需选择的仪器是:ABE;
(3)①由图可知,bc段压强减小的少,de段压强减少的多,说明首先注入瓶中的药品是水,然后是氢氧化钠溶液;
②bc段压强减小,是因为注入水,二氧化碳能溶于水,且能与水反应,使装置内气体减小,压强减小,de段压强减少,是因为注入氢氧化钠溶液,二氧化碳和氢氧化钠反应生成碳酸钠和水,氢氧化钠吸收二氧化碳的量比水大,故de段压强减少的多,故对比曲线中bc段和de段,可证明二氧化碳能与氢氧化钠发生反应。
故答案为:
(1)铁架台;
(2)2KMnO4K2MnO4+MnO2+O2↑;DFG;ABE;
(3)①水;②二氧化碳能与氢氧化钠发生反应。
相关试卷
这是一份必刷卷02-2023年中考化学考前信息必刷卷(江苏扬州专用),文件包含2023年中考化学考前信息必刷卷江苏扬州专用解析版docx、2023年中考化学考前信息必刷卷江苏扬州专用原卷版docx等2份试卷配套教学资源,其中试卷共31页, 欢迎下载使用。
这是一份必刷卷01-2023年中考化学考前信息必刷卷(江苏扬州专用),文件包含2023年中考化学考前信息必刷卷江苏扬州专用解析版docx、2023年中考化学考前信息必刷卷江苏扬州专用原卷版docx等2份试卷配套教学资源,其中试卷共29页, 欢迎下载使用。
这是一份备战2022年中考化学必刷100题-化学与生活,文件包含备战2022年中考化学必刷100题-化学与生活③docx、备战2022年中考化学必刷100题-化学与生活④docx、备战2022年中考化学必刷100题-化学与生活②docx、备战2022年中考化学必刷100题-化学与生活①docx等4份试卷配套教学资源,其中试卷共60页, 欢迎下载使用。

