


2022届中考物理冲刺猜题卷 黑龙江哈尔滨专版
展开
这是一份2022届中考物理冲刺猜题卷 黑龙江哈尔滨专版,共14页。试卷主要包含了选择题,填空题,作图题等内容,欢迎下载使用。
2022届中考物理冲刺猜题卷 黑龙江哈尔滨专版一、选择题(每小题2分)1.下列数据与生活实际相符的是( )A.一只鸡蛋所受的重力约为50 N B.人感觉温暖而舒适的室内温度约为35 ℃C.中学生步行上学的速度约为1.2 m/s D.中学生课桌的高度约为0.7 dm2.下列四个实例中,能够使蒸发加快的是( )A.将水果放在低温冷藏柜中 B.将新鲜的蔬菜封装在保鲜袋中C.给播种后的农田覆盖地膜 D.将新采摘的辣椒摊开晾晒在阳光下3.关于透镜,下列说法正确的是( )A.远视眼的人配戴的眼镜是凹透镜B.照相机中所成的像是放大正立的C.用投影仪投放出来的电影画面属于虚像D.丢弃的矿泉水瓶容易引起火灾,是因为矿泉水瓶相当于一个凸透镜,能会聚阳光4.下列说法正确的是( )A.太空中宇航员能“对话”,说明声音可在真空中传播B.手在小提琴上不同位置按弦,主要目的是改变响度C.道路两旁的隔音墙是在声源处减弱噪声D.用B超检查身体是利用超声波可以传递信息5.同学们对运动场上出现的现象进行了讨论。下列说法正确的是( )A.百米运动员冲过终点时,由于受到惯性力的作用不会立即停下来B.抛出去的篮球会在空中继续运动,是因为篮球具有惯性C.踢出去的足球在地上越滚越慢,说明物体的运动需要力来维持D.跳远运动员助跑起跳,是为了增大惯性6.如图所示是某同学自制的玩具电动机,一块钕铁椭圆形磁铁吸在干电池底部,将一段裸露的铜线折成矩形线框,上边与电池正极接触,下边搭接在磁铁上,观察到线框顺时针转动,则( )
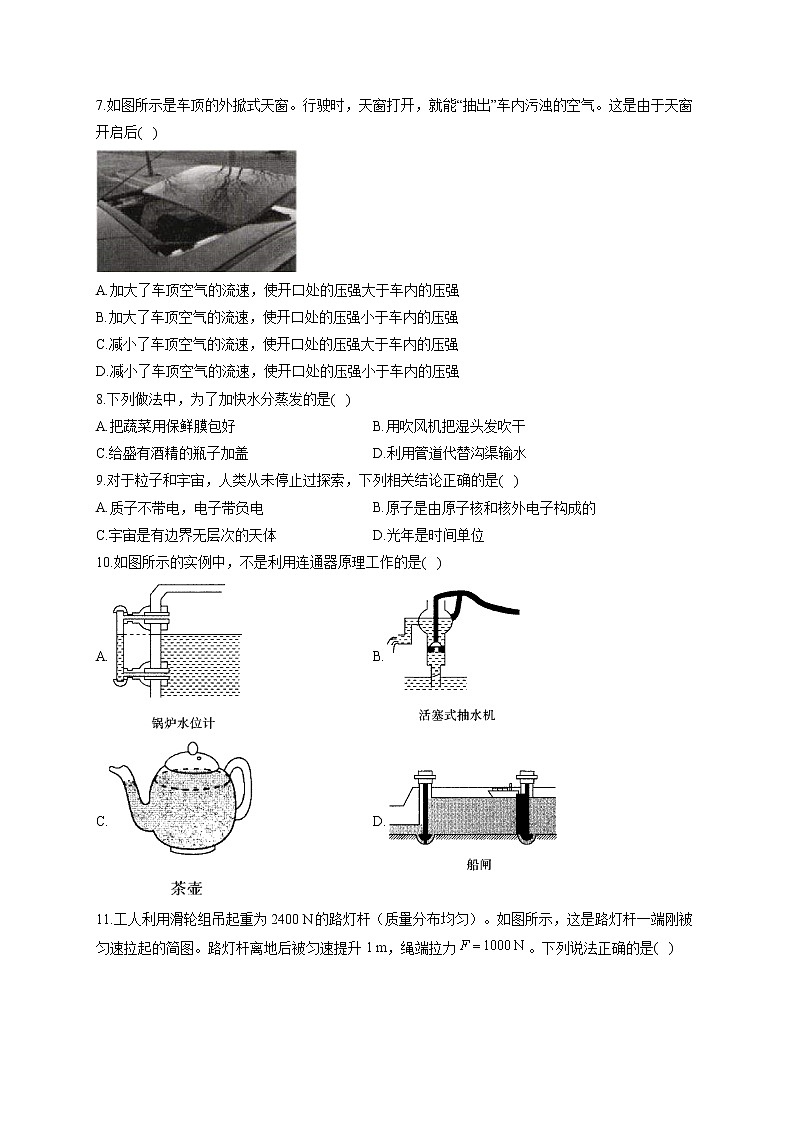
A.该过程中机械能转化为电能 B.线框左右两边所受磁场力方向相同C.若仅调换电池两极,线框将逆时针转动 D.若仅调换磁铁两极,线框仍顺时针转动7.如图所示是车顶的外掀式天窗。行驶时,天窗打开,就能“抽出”车内污浊的空气。这是由于天窗开启后( )
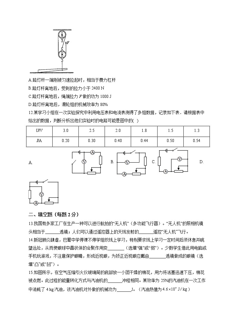
A.加大了车顶空气的流速,使开口处的压强大于车内的压强B.加大了车顶空气的流速,使开口处的压强小于车内的压强C.减小了车顶空气的流速,使开口处的压强大于车内的压强D.减小了车顶空气的流速,使开口处的压强小于车内的压强8.下列做法中,为了加快水分蒸发的是( )A.把蔬菜用保鲜膜包好 B.用吹风机把湿头发吹干C.给盛有酒精的瓶子加盖 D.利用管道代替沟渠输水9.对于粒子和宇宙,人类从未停止过探索,下列相关结论正确的是( )A.质子不带电,电子带负电 B.原子是由原子核和核外电子构成的C.宇宙是有边界无层次的天体 D.光年是时间单位10.如图所示的实例中,不是利用连通器原理工作的是( )A. B.C. D.11.工人利用滑轮组吊起重为2400 N的路灯杆(质量分布均匀)。如图所示,这是路灯杆一端刚被匀速拉起的简图。路灯杆离地后被匀速提升1 m,绳端拉力。下列说法正确的是( )
A.路灯杆一端刚被匀速拉起时,相当于费力杠杆B.路灯杆离地后,受到的拉力小于2400 N C.路灯杆离地后,绳端拉力F做的功为1000 J D.路灯杆离地后,滑轮组的机械效率为80%12.某学习小组在一次实验探究中利用电压表和电流表测得了多组数据,记录如下表.请根据表中给出的数据,判断分析出他们实验时的电路可能是图中的( )U/V3.02.52.01.81.51.3I/A0.200.300.400.440.500.54 B. C. D.二、填空题(每题2分)13.我国有多家工厂在生产一种可以进行航拍的“无人机”(多功能飞行器)。“无人机”的照相机镜头相当于_______透镜;人们可以通过遥控器上的天线发射的_______遥控“无人机”飞行。14.新冠肺炎肆虐,巴蜀中学停课不停学组织线上学习,特别要求线上学习一定时间后须休息并眺望远处,从而使眼球中晶状体的会聚作用变________(选填“强”或“弱”)。少数学生借此用电脑或手机玩游戏,不注意保护眼睛,形成近视眼,为矫正近视眼应戴由________透镜做成的眼镜(选填“凸”或“凹”)。15.如图所示,在空气压缩引火仪玻璃筒的底部放一小团干燥的棉花,用力将活塞迅速下压,棉花被点燃。此过程的能量转化方式与汽油机的_______冲程相同。某效率为25%的汽油机在一次工作中消耗了4 kg汽油,该汽油机对外做的机械功为_______J。(汽油热值为)
16.杠杆是一种重要的简单机械,它的平衡条件是________;当我们用钓鱼竿在河边钓鱼时,钓鱼竿是一种________的杠杆(选填“省力”或“费力”)。17.如图所示,电源电压保持不变,电阻,要使串联,应断开开关,此时电流表的示数为;要使并联,且两端电压等于电源电压,应闭合开关_______,此时电流表的示数为;则_______。18.注射器的针头做得很尖,其目的是为了增大_____;注射器能将药液吸入针管是利用了_____的作用.19.如图所示,小明用100 N的水平推力,推着重500 N的木箱在水平地面上向前匀速运动,则木箱所受的摩擦力为________N;小明推动中改为80 N推力还能继续向前运动,木箱所受的摩擦力为________N。
20.2017年5月18日,我国在南海海域“可燃冰”试采成功,“可燃冰”作为新型能源,有着巨大的开发使用潜力。同等条件下,“可燃冰”完全燃烧放出的热量达到煤气的数十倍,说明“可燃冰”的______很大。以10倍的关系粗略计算,1kg“可燃冰”完全燃烧出的热量为______J.()21.“新冠”防控期间,为了缓解长时间戴口罩的不适,小明用卫生纸垫在口罩挂耳处是为了______(选填“增大”或“减小”)口罩对耳部的压强;医护人员戴防护面罩会起“白雾”,这是______现象(填物态变化的名称)。22.如图甲所示电路中,为定值电阻,为滑动变阻器。图乙是该滑动变阻器消耗的电功率与电流关系的图像。则该滑动变阻器的最大电阻值是______Ω,电源电压是______V。三、作图题(每题2分)23.如图所示,太阳能汽车在水平公路上向右匀速行驶,请在图中画出汽车受力的示意图(力的作用点画在重心O点上)。
24.如图所示,给电磁铁M通电,发现弹簧开始被压缩,过一会儿,条形磁铁和弹簧重新处于 静止.此时把滑动变阻器的滑片P向B端滑动。弹簧的长度逐渐变短.请用笔画线代替导线,把电路连接完整(导线不能交叉,弹簧在其弹性范围内).三、实验题25.(5分)为完成“探究平面镜成像特点”实验,小芳选择了如图所示的实验装置.
(1)小芳用玻璃板代替平面镜的目的是________;(2)小芳把点燃的蜡烛A放在玻璃板前,还要在玻璃板的后面放一支外形相同但没有点燃的蜡烛B,小芳应在蜡烛________(选填“A”或“B”)一侧观察玻璃板中的像;(3)当把蜡烛A靠近玻璃板时,蜡烛A经玻璃板所成的像的大小将________(选填“变大”“不变”或“变小”);(4)移去蜡烛B,在其原位置放置一块光屏,光屏上不能得到蜡烛A的像,说明平面镜所成的像是________(选填“实像”或“虚像”);(5)实验中,发现在水平桌面上无论怎样移动蜡烛B,都无法与蜡烛A的像完全重合,你认为原因可能是________;(6)如图所示,仅将玻璃板由图中甲位置水平向右平移至乙位置时,蜡烛A的成像情况是________(选填字母代号).A.蜡烛成像仍在B处B.蜡烛成像在B处右侧C.蜡烛无法通过玻璃板成像26.(5分)在探究活动中,小明利用大平和量筒测量液体的密度.
(1)将托盘天平放于水平台面上,并将游码移到标尺左端零刻度线处,发现指针在分度盘上的位置如图甲所示,为了使指针对准分度盘的中央刻度线,此时应该将_________向_________调节.(2)天平平衡后,将适量水倒入玻璃杯中,并将玻璃杯放在天平左盘,天平再次平衡时,右盘中砝码和标尺上游码位置如图乙所示,则玻璃杯和水的总质量为_________g.(3)小明在液面位置作上标记,将玻璃杯中的水倒入量筒,如图丙所示,读出水的体积_________.(4)按小明的操作方法,测量出的水的体积与真实值相比_________(选填“偏大”或“偏小”).(5)小明认为接下来不用量筒,也可测量液体的密度,他将另一种液体倒入玻璃杯中直至液面到达标记处,并放于天平左盘,右盘中砝码质量不变,只将游码向右移动至示数改变了时,天平平衡,则这种液体的密度为_________.(用已知量的字母表示)27.(6分)小明在“探究通电螺线管外部磁场的方向”实验中.(1)设计的部分电路如图所示,请根据要求用笔画线代替导线将图中的电路补充完整。要求:①小磁针的指向满足如图所示的方向;②滑动变阻器的滑片向A端移动后,通电螺线管的磁性减弱。(2)在螺线管外部两处放置小磁针,闭合开关,发现C处小磁针发生偏转,而D处小磁针不偏转,试说明D处小磁针不偏转的可能原因:________;(3)小磁针的作用(写出两条):________,________;(4)将电池的正负极对调,重复上述实验,是为了探究________;28.(6分)某款水位自动测控仪的测量原理如图甲所示,电源电压U恒为15 V,定值电阻,为一竖直固定光滑金属棒,总长40 cm,阻值为20 Ω,其接入电路的阻值与对应棒长成正比。弹簧上端固定,滑片P固定在弹簧下端且与接触良好,滑片及弹簧的阻值、重力均不计。圆柱体M通过无伸缩的轻绳挂在弹簧下端,重80 N,高60 cm,底面积为。当水位处于最高位置A时,M刚好浸没在水中,此时滑片P恰好在最上端;当水位降至最低位置B时,M的下表面刚好离开水面。已知弹簧所受拉力F与其伸长量的关系如图乙所示。闭合开关S,试问:
(1)当水位下降时,金属棒接入电路的长度________,电压表示数________。(两空均选填“增大”或“减小)(2)当水位处于位置A时,电压表的示数为多少?(3)水位由位置A降至B这一过程,弹簧的长度增加了多少?电压表的示数变化了多少?(已知取10 N/kg)
答案以及解析1.答案:C解析:一只鸡蛋所受的重力约为0.5 N;人感觉温暖而舒适的室内温度约为25 ℃;中学生步行上学的速度约为1.2 m/s;中学生课桌的高度约为0.7 m;故选C。2.答案:D解析:加快蒸发主要的方法有:增大与空气接触的面积、加快液体表面的空气流速、升高温度。将水果放在低温冷藏柜中,降低了温度,A选项不符合题意;将新鲜的蔬菜封装在保鲜袋中,降低了蔬菜表面的空气流速,B选项不符合题意;给播种后的农田覆盖地膜,降低了农田表面的空气流速,C选项不符合题意;将新采摘的辣椒摊开晾晒在阳光下,增大了辣椒与空气接触的面积并升高了温度,D选项符合题意。3.答案:D解析:远视眼像成在视网膜的后方,应配戴凸透镜进行矫正,A错误;照相机在使用时物距大于二倍焦距,成倒立缩小的实像,B错误;投影仪在使用时物距位于一倍焦距和二倍焦距之间,成倒立放大的实像,C错误;丢弃的矿泉水瓶与瓶内剩余的水组成一个中间厚边缘薄的凸透镜,能会聚阳光,容易引起火灾,D正确。4.答案:D解析:太空中宇航员能对话是利用电磁波传递信号的,真空不能传播声音,A错误;手在小提琴上不同位置按弦,主要目的是通过改变弦的长度来改变音调,B错误;道路两旁的隔音墙是在传播过程中减弱噪声,C错误;用B超检查身体是利用超声波能够传递信息,D正确。5.答案:B解析:百米运动员冲过终点时,由于运动员具有惯性,所以不会立即停下来,惯性不是力,不能说受到惯性力的作用,故A错误;抛出去的篮球会在空中继续运动,是因为篮球具有惯性,会保持原来的运动状态,故B正确;踢出去的足球在地上越滚越慢,说明了力是改变物体运动状态的原因,故C错误;惯性的大小只与物体的质量有关,跳远运动员助跑起跳,是利用了惯性,但不能增大惯性,故D错误。6.答案:C解析:玩具电动机的工作原理是通电导体在磁场中受到力的作用,在工作过程中将电能转化为机械能,A错误;左边线框中的电流方向和右边线框中的电流方向相同(均为从上到下),但它们所处的磁场方向不同,故两边线框所受磁场力的方向相反,B错误;若仅调换电池两极,则两个线框中的电流方向反向,由于磁场方向不变,故两线框所受磁场力的方向与原来相反,线框的转动方向将与原来的转动方向相反,从上方观察,线框将逆时针转动,C正确;若仅调换磁铁两极,线框中的电流方向不变,所处磁场方向反向,故两线框所受磁场力方向与原来相反,从上方观察,线圈将逆时针转动,D错误.7.答案:B解析:天窗打开,在车顶形成一个凸面,加大了车顶空气的流速,使天窗开口处的气压小于车内的气压,则车内污浊的空气被自动“抽出”,从而保持车内空气清新,A、C、D错误,B正确。8.答案:B解析:9.答案:B解析:质子带正电,电子带负电,故A错误;原子由原子核和核外电子构成,故B正确;宇宙是无边界有层次的天体系统,故C错误;光年指光在真空中传播一年通过的距离,是长度单位,故D错误。10.答案:B解析:锅炉水位计是利用连通器的原理制成的;活塞式抽水机,是利用大气压工作的;茶壶的壶嘴和壶身下部是相通的,构成了连通器;船闸工作时,当下游阀门关闭,上游阀门打开,上游与闸室内的水位逐渐相平,打开上游闸门,来自上游的船就可以进入闸室,同理,船再进入下游,就通过了船闸,所以,船闸利用连通器原理工作。11.答案:D解析:路灯杆一端刚被匀速拉起时,阻力为路灯杆的重力G,作用点在重心上,绳子对路灯杆的拉力是动力F,支点为路灯杆的左端,可见,动力臂大于阻力臂,所以路灯杆相当于省力杠杆,故A错误。路灯杆离地后被匀速提升,杆受到的拉力与重力是一对平衡力,则拉力为:,故B错误。由图可知承担物重的绳子段数,路灯杆离地后被匀速提升1 m,则绳子自由端移动距离为:,绳端拉力F做的功为:,故C错误。路灯杆离地后,所做有用功为:,滑轮组的机械效率为:,故D正确。12.答案:C解析:由表中的数据分析可知,随着电流的增大,电压表的示数是越来越小的;
A.电压表测量的是电源的电压,电压表的示数不会变化,故A错;
B.电压表测量的是电源的电压,电压表的示数不会变化,故B错;
C.电压表测的是变阻器两端的电压,当电流增大时,定值电阻两端的电压变大,根据串联电路中电压的特点可知,电压表的示数应变小,符合题意,故C正确;
D.电压表测量的是定值电阻两端的电压,当电流增大时,电压表的示数也变大,与题意不符,故D错.13.答案:凸;电磁波解析:14.答案:弱;凹解析:正常人看远近不同的物体时,通过晶状体的调节作用,能使来自远近不同物体的光线会聚在视网膜上,形成清晰的像。视近物时,晶状体的曲度大,会聚作用强;视远物时,晶状体的曲度小,会聚作用弱。学习一定时间后须休息并眺望远处,从而使眼球中晶状体的会聚作用变弱。近视眼是成像在视网膜前,矫正时应使光线稍微发散成像在视网膜上,故应选用凹透镜。15.答案:压缩;解析:用力将活塞迅速下压,棉花被点燃,此过程对玻璃筒内的空气做功,空气内能增加,温度升高,通过热传递,使棉花燃烧,此过程中机械能转化为内能,相当于汽油机的压缩冲程;燃烧4 kg的汽油释放的热量为,汽油机的热效率为25%,所以汽油机对外做的机械功。16.答案:;费力解析:杠杆是否平衡取决于力和力臂的乘积是否相等,即杠杆的平衡条件是:动力×动力臂=阻力×阻力臂();钓鱼竿在使用的过程中手移动的距离小于鱼移动的距离,并且动力臂小于阻力臂,所以它属于费力杠杆,费了力但省距离。17.答案:;1:4解析:如图所示,要使电阻并联,则电阻中必须有电流通过,所以应闭合开关,此时电流表测干路电流;断开开关时,串联,电流表测电路中的电流,因串联电路中总电阻等于各分电阻之和,且,所以,此时电流表的示数:,因并联电路中总电阻的倒数等于各分电阻倒数之和,且,所以,电路中的总电阻:,此时电流表的示数:,所以,。18.答案:压强;大气压 解析:由公式可知,注射器的针头做得很尖,是在压力一定时,通过减小受力面积来增大压强的.注射器能将药液吸入针筒是因为针筒内的气压减小,外界大气压把药液压入针筒.故答案为压强;大气压.19.答案:100;100解析:木箱在水平方向上匀速运动,水平方向上处于平衡状态,水平推力是100 N,那么木箱所受的摩擦力为100 N。由于木箱对地面的压力不变,接触面的粗糙程度不变,那么小明推动中改为80 N推力还能继续向前运动,木箱所受的摩擦力不变,还是100 N。20.答案:热值;解析:在同等条件下,包含质量相同,“可燃冰”完全燃烧放出的热量达到煤气的数十倍,说明“可燃冰”的热值很大;
1kg煤气完全燃烧放出的热量:
,
1kg“可燃冰”完全燃烧放出的热量:
;
21.答案:减小;液化
解析:小明用卫生纸垫在口罩挂耳处是通过增大受力面积来减小口罩对耳部的压强;
人呼出的水蒸气温度较高,遇到温度低的面罩时放热液化,形成液态小水滴,附着在面罩的内侧,所以面罩会起“白雾”。22.答案:50;12解析:由图乙可知,当电流为0.2A时,滑动变阻器消耗的电功率为2.0W,可知此时滑动变阻两端的电压为;当电流为0.4A时,滑动变阻器消耗的电功率为3.2W,可知此时滑动变阻两端的电压为;由于电压不变,所以可得,可得电源电压为,该滑动变阻器的最大电阻值是。23.答案:如图所示
解析:在水平公路上向右匀速行驶的太阳能汽车,在水平方向上受牵引力和摩擦力作用,为一对平衡力;在竖直方向受重力和支持力作用,为一对平衡力;从重心分别沿竖直向下、竖直向上、水平向右、水平向左画一条带箭头的线段,分别用符号表示;注意表示重力、支持力的线段长度相等,表示牵引力、阻力的线段长度相等。24.答案:见解析图解析:开始时弹簧被压缩,说明磁铁受到的斥力变大, 故螺线管的上端为S极.根据安培定则可知,电磁铁的上端应接电源的正极;把滑动变阻器的滑片P向B端滑动,弹簧的长度逐 渐变短,说明电磁铁磁性增强,此时的电流变大,故电磁铁下端应 接滑动变阻器的B接线柱.25.答案:(1)便于确定像的位置(2)A(3)不变(4)虚像(5)玻璃板与水平桌面不垂直(6)A解析:(1)因为玻璃板是透明的,能在观察到A蜡烛像的同时.还可以透过玻璃清楚的看到放在后面B蜡烛,便于确定像的位置;(2)实验时,小芳同学应在A这一侧观察蜡烛A经玻璃板所成的像;(3)当把蜡烛靠近玻璃板时,由于像的大小与物体大小相同,蜡烛在玻璃板所成像的大小将不变;(4)取走蜡烛B,在其所在的位置放置一光屏,光屏上不能接收到A的像,说明蜡烛A经平面镜所成的像是虚像;(5)如果玻璃板与桌面不垂直,A蜡烛所成的像可能偏高或偏低,这样B蜡烛与A蜡烛的像就无法重合了;(6)平面镜所成的像与物关于平面镜对称,蜡烛A位置不变,将平面镜平移,平面镜仍在原来像与成像物体对称轴上,像的位置不变,故选A.26.答案:(1)平衡螺母;右(2)70(3)50(4)偏小(5)解析:(2)由题图乙知,玻璃杯和水的总质量为.(3)由题图丙可知,量筒的分度值为1 mL,水的体积.(4)把玻璃杯中的水倒入量筒中测体积时,由于玻璃杯内壁附着有水,所以测得的水的体积V偏小.(5)将另一种液体倒入玻璃杯直至液面到达标记处,并放于天平左盘,右盘中砝码质量不变,只将游码向右移动至示数改变了时,天平平衡,此时水和液体的体积相同,但液体的质量比水的质量大,所以液体的密度为.27.答案:(1)如解析(2)小磁针N极的指向与D处的磁场方向相同(3)检验是否存在磁场;判断磁场方向(4)通电螺线管外部磁场的方向与电流方向的关系解析:(1)根据同名磁极相互排斥,异名磁极相互吸引,所以螺线管的右端是N极,左端是S极;根据安培定则判断电流从螺线管的左端进入,从右端流出。在匝数一定时,电流越小,磁性越弱。滑片向左端移动后,通电螺线管的磁性减弱,螺线管的电流减小,滑动变阻器接入电路的电阻增大,所以滑动变阻器一定接入右端下面接线柱。如图:(2)在螺线管外部两处放置小磁针,闭合开关,发现C处小磁针发生偏转,C处的小磁针会指示磁场的方向;D处小磁针不偏转,可能原因是小磁针N极的指向与磁场方向相同;(3)通电时螺线管周围存在磁场,小磁针在磁场中受到力的作用会发生偏转,所以小磁针能显示磁场的存在;小磁针静止时N极指向与该点磁场方向相同,因此利用小磁针还可以判断磁场的方向;(4)将电池的正负极对调,此时螺线管中电流的方向发生变化,磁场的方向发生变化,是为了探究通电螺线管外部磁场的方向与电流方向的关系。28.答案:(1)减小;减小(2)10 V(3)30 cm;5 V解析:(1)当水位下降时,M所受浮力减小,对弹簧的拉力增大,滑片下移,金属棒接入电路的长度减小,即接入电路的电阻减小,根据“串联分压”可知,两端电压减小,电压表示数减小(2)当水位处于A时,设电压表示数为
根据串联电路特点,则。(3)当水位处于A时,M所受浮力
M所受拉力
当水位处于B时,M所受拉力
由此可知拉力的变化量
(说明:以上解法也可通过对M的受力分析,直接求出当水位由A降至B时,拉力变化量)
水位由A降至B,由图乙可知,弹簧的长度增加了,当水位处于B时,金属棒接入电路的长度为
设金属棒接入电路的阻值为,由题意知:
得出
设此时电压表示数为
根据串联电路特点,
则。
水位由A降至B,电压表的示数变化了。
相关试卷
这是一份2022届中考物理冲刺猜题卷 陕西专版,共12页。试卷主要包含了选择题,填空与作图题,实验与探究,计算题等内容,欢迎下载使用。
这是一份2022届中考物理冲刺猜题卷 重庆专版,共14页。试卷主要包含了选择题,填空作图题,实验探究题,计算题等内容,欢迎下载使用。
这是一份2022届中考物理冲刺猜题卷 天津专版,共15页。试卷主要包含了选择题,多项选择题,填空题,综合题等内容,欢迎下载使用。