射阳县第三中学2022年中考数学第一次模拟考试
展开
这是一份射阳县第三中学2022年中考数学第一次模拟考试,文件包含射阳县第三中学2022年中考数学第一次模拟考试doc、初三数学期中考试答案202204pdf等2份试卷配套教学资源,其中试卷共10页, 欢迎下载使用。
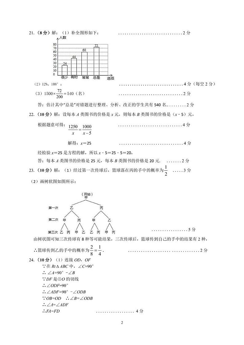
射阳县第三中学2022年中考第一次模拟考试九年级数学试卷(卷面总分:150分 考试时间:120分钟)一、选择题(本大题共8小题,每小题3分,共24分)1.2022的相反数是 ( ▲ )A. 2022 B. -2022 C. D. 2.计算的结果正确的是 ( ▲ )A. B. C. D.3.以下历届冬奥会会标中,既是轴对称图形又是中心对称图形的是 ( ▲ ) A. B. C. D.4.在平面直角坐标系xOy中,点M(﹣3,1)关于x轴对称的点的坐标是 ( ▲ ) A.(﹣3,1) B.(3,1) C.(﹣3,﹣1) D.(3,﹣1)5.估计的值在 ( ▲ )A.3和4之间 B.4和5之间 C.5和6之间 D.6和7之间6.数据2,2,4,8,9的中位数是 ( ▲ ) A.2 B.3 C.4 D.6 7.如图,在△ABC中,∠B=70°,∠C=50°,若点D,E,F分别是边AB,BC,CA的中点,则∠DEF= ( ▲ )A.50° B.60° C.70° D.65°8.已知,则代数式的值是 ( ▲ )A.31 B.-31 C.41 D.-41二、填空题(本大题共8小题,每小题3分,共24分)9.若式子有意义,则x的取值范围是 ▲ .10.分解因式:= ▲ .11.圆锥的母线长为3cm,底面圆的半径长为1cm,则该圆锥的侧面积为 ▲ cm2.12.盐城市的“瓢城绿廊”是瓢形连续道路,是瓢城绿链,文化长廊,传承城墙记忆,再现瓢城古韵,长廊总长度4840米,其中数据4840用科学计数法表示为 ▲ 米.13.将抛物线向上平移一个单位长度,所得到的抛物线为 ▲ .14.如图,平移图形M,与图形N可以拼成一个平行四边形,则图中α的度数是 ▲ °.15.甲、乙两人沿同一条直路走步,如果两人分别从这条直路上的A,B两处同时出发,都以不变的速度相向而行,甲、乙两人之间的距离y(单位:m)与甲行走时间x(单位:min)的函数关系如图所示,则a= ▲ . 第14题图 第15题图16.如图,把四边形EDFB纸片分别沿AB和DC折叠,恰好使得点E和点D、点F和点B重合,在折叠成的新四边形ABCD中,AD=3,AB=4,BC=,则△BEF的面积是 ▲ .三、解答题(本大题共有11小题,共102分,请在答题卡指定区域内作答,解答时应写出文字说明、推理过程或演算步骤)17.(本题满分6分) 计算 18.(本题满分6分) 解不等式组 19.(本题满分8分) 先化简,再求值:,其中m=3. 20.(本题满分8分)如图,点E,F分别在矩形ABCD的边AB,CD上,且DF=BE.求证:AF=CE. 21.(本题满分8分)某校九年级数学社团随机抽取部分学生,对“错题整理习惯”进行问卷调查.他们设计的问题:对自己做错的题目进行整理纠错,答案选项为:A:很少,B:有时,C:常常,D:总是.将调查结果的数据进行了整理、绘制成部分统计图如图:请根据图中信息,解答下列问题:(1)请你补全条形统计图;(2)“很少”所占的百分比a= ▲ ,“常常”对应扇形的圆心角度数为 ▲ ;(3)若该校有1500名学生,请你估计其中“总是”对错题进行整理纠错的学生共有多少名? 22.(本题满分10分)鹿鸣路初级中学为了开展学生阅读活动,计划从书店购进若干本A、B两类图书(每本A类图书的价格相同,每本B类图书的价格也相同),且每本A类图书的价格比每本B类图书的价格多5元,用1250元购进的A类图书与用1000元购进的B类图书册数相同,求每本A类图书和每本B类图书的价格各为多少元? 23.(本题满分10分)现有甲、乙、丙三人组成的篮球训练小组,他们三人之间进行互相传球练习,篮球从一个人手中随机传到另外一个人手中记作传球一次,共连续传球三次.(1)若开始时篮球在甲手中,则经过第一次传球后,篮球落在丙的手中的概率是 ▲ ;(2)若开始时篮球在甲手中,求经过连续三次传球后,篮球传到自己手中的概率. 24.(本题满分10分)如图,在Rt△ABC中,∠C=90°,∠B=30°,点O在BC上,以O为圆心,OB为半径的⊙O交AB于点D,交BC于点E,DF是⊙O的切线,与AC交于点F.(1)求证:FA=FD;(2)若AF=,FC=,求弧DE的长. 25.(本题满分10分)如图,抛物线与x轴交于点A和点B,直线 l:y=kx+b与抛物线 交于点D和点F(,n),且与y轴交与点E(0,2).(1)求直线l的函数表达式;(2)若P为抛物线上一点,当∠POE=∠OED时,求点P的坐标. 26.(本题满分12分)苏科版数学七(下)教材中有这样一段阅读材料:著名的反例:公元1640年,著名数学家费马发现:,,,,而3、5、17、257、65537都是质数,于是费马猜想:对于一切自然数n,都是质数.可是,到了1732年,数学家欧拉发现:.这说明了是个合数,从而否定了费马的猜想.这个故事告诉我们,举反例是说明一个数学命题不成立的常用方法.(Ⅰ)代数中的反例:(1)用举反例说明“”是个假命题时,a的取值范围是 ▲ .(2)请你举反例说明“反比例函数,y随x的增大而减小”是个假命题.(Ⅱ)几何中的反例:学习全等三角形判定时,我们知道“两边相等和一相等边所对的角也相等的两个三角形不一定全等”,即“SSA”不全等.请借助已给的△ABC,用三种方法在△ABC图形基础上构造一个三角形,使得构造出的三角形满足以下三个条件:①有两边分别与AC和BC相等;②与BC相等边所对的角等于∠A;③构造出的三角形与△ABC不全等.要求:(1)用直尺和圆规作图,保留作图的痕迹,并写出必要的文字说明;(2)不可借助已构造出符合条件的三角形利用全等变换作图. 27.(本题满分14分)【问题情境】如图1,木匠陈师傅现有一块五边形ABFED木板,它是由矩形ABCD木板用去△CEF后的余料,AD=4,AB=5,DE=1,点F 是BC边上一点.陈师傅打算利用该余料截取一块矩形材料,其中一条边在AD上,并使得所截矩形材料的面积最大. 图1 图2【初步探究】若BF=2时,爱动脑筋的小明尝试对特殊位置矩形面积进行计算.特殊位置1:若截取的矩形有一边是DE,则截取的矩形面积是 ▲ ;特殊位置2:若截取的矩形有一边是BF,则截取的矩形面积是 ▲ .【问题解决】计算:当BF=2时,小明发现可以截取出比特殊位置1或特殊位置2时面积更大的矩形,请你计算出该矩形面积的最大值.应用:如图2,陈师傅还有另一块余料,∠BAF=∠AFE=90°,AB=EF=1,CD=3,AF=9,CD∥AF,且CD和AF之间的距离为5,曲线是反比例函数图像的一部分,陈师傅想利用该余料截取一块矩形材料,其中一条边在AF上,则所截矩形材料面积的最大值是 ▲ . 【深度思考】经探究,小明发现,当BF满足某个条件时,符合陈师傅要求的矩形恰好另一条边是BF,请问:BF需满足什么条件,请说明理由. 备用图
相关试卷
这是一份[数学]2022_2023学年江苏盐城射阳县射阳县实验中学初一下学期月考数学试卷,文件包含数学2022_2023学年江苏盐城射阳县射阳县实验中学初一下学期月考数学试卷解析版pdf、数学2022_2023学年江苏盐城射阳县射阳县实验中学初一下学期月考数学试卷原题版pdf等2份试卷配套教学资源,其中试卷共17页, 欢迎下载使用。
这是一份2024年淄博市高青县第三中学中考数学第一次模拟考试预测题(原卷版+解析版),文件包含2024年淄博市高青县第三中学中考数学第一次模拟考试预测题原卷版docx、2024年淄博市高青县第三中学中考数学第一次模拟考试预测题解析版docx等2份试卷配套教学资源,其中试卷共31页, 欢迎下载使用。
这是一份江苏省盐城市射阳县第六中学2022年中考数学第一次模拟试卷,文件包含江苏省盐城市射阳县第六中学2022年中考数学第一次模拟试卷doc、江苏省盐城市射阳县第六中学2022年中考数学第一次模拟试卷-答题卡doc等2份试卷配套教学资源,其中试卷共7页, 欢迎下载使用。

