


所属成套资源:2022届中考化学科学探究题型专练(含解析)
(3)影响因素探究——2022届中考化学科学探究题型专练
展开
这是一份(3)影响因素探究——2022届中考化学科学探究题型专练,共12页。试卷主要包含了2g等内容,欢迎下载使用。
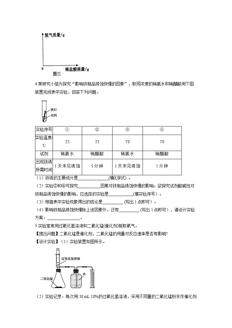
(3)影响因素探究1.教材第二单元课后作业中有“寻找新的催化剂”的探究内容,某探究小组据此设计了如下探究方案。【提出问题】红砖粉末能否作为过氧化氢溶液分解的催化剂?如果能,效果如何?【实验探究】实验步骤实验现象实验结论及解释Ⅰ.A中无明显现象,B中产生大量能使带火星木条复燃的气体①产生的气体是_________②红砖粉末能改变过氧化氢分解速率Ⅱ. 向B试管中重新加入5%的过氧化氢溶液,反应停止后过滤、洗涤、干燥、称量滤渣 ①又产生大量能使带火星木条复燃的气体②滤渣质量等于g红砖粉末___的和_________在反应前后均没有发生变化,能作过氧化氢分解的催化剂Ⅲ.两试管中均产生气泡且______红砖粉末的催化效果没有二氧化锰粉末好【实验拓展】查阅资料得知:硫酸铜、土豆等也可以作过氧化氢溶液分解的催化剂。下列有关催化剂的说法正确的是_________。A.催化剂只能加快化学反应的速率B.催化剂能增加生成物的质量C.同一个化学反应可以有多种催化剂2.实验室通常用块状大理石(或石灰石)和稀盐酸反应制取二氧化碳气体,在一次实验课上,各小组同学使用在不同地点找来的小石块与稀盐酸反应制取二氧化碳时,小明发现,相邻小组气体产生的速率比自己小组的快。小明将这一情况报告老师,老师鼓励他们对此问题共同探究。【提出问题】影响二氧化碳气体产生速率的因素是什么?【作出猜想】①不同地点石块中碳酸钙含量不同;②所用盐酸的溶质质量分数不同;③还可能是___________。【设计实验】(1)验证猜想①是否成立,需要设计实验:分别取大小相同、质量相同、________的石块,加入质量相同、_________的稀盐酸进行实验。(2)验证猜想②是否成立,对盐酸的要求是_________。【交流讨论】实验中可以通过观察气泡产生的剧烈程度,粗略地比较反应速率。若要做到精确比较,应该测量的实验数据是_____________。【拓展延伸】上述实验中,小明采用了控制变量的研究方法。用此方法探究“催化剂对用过氧化氢溶液制取氧气的反应速率的影响”,需要控制不变的因素有_______(答出两点即可)。3.某实验小组为了研究在其他条件相同时,反应物的接触面积对反应速率的影响。实验装置如图一所示,他们用等质量不同形状的金属锌(所用金属锌均不含任何杂质)和稀盐酸反应(见下表),实验中使用传感器装置测算生成氢气的体积,绘制氢气体积随时间变化的曲线如图二所示。实验编号药品Ⅰ6.5g锌块、150g 含HCl7.3%足量的稀盐酸Ⅱ6.5g锌粒、150g 含HCl7.3%足量的稀盐酸Ⅲ6.5g锌粉、150g 含HCl7.3%足量的稀盐酸(1)小组按图一装置进行的三个实验中,实验________(填实验编号)反应速率最慢;在图二中的曲线________(填“甲”、“乙”或“丙”)代表的是实验Ⅲ,从曲线甲、乙、丙得出探究结论是:________。(2)分析表中锌和稀盐酸的用量可知:________(填物质名称)反应消耗完;(3)请计算以上任意一组实验中生成氢气的质量________(写出具体计算过程)。(4)分析上表数据,请在图三中画出在6.5g锌中加入0~150 g稀盐酸过程中,产生氢气质量对应的变化曲线图,并标注必要的数值。4.某研究小组为探究“影响铁制品锈蚀快慢的因素”,取同浓度的稀氨水和稀醋酸用下图装置完成表中实验,回答下列问题。实验序号①②③④实验温度/℃25257070试剂稀氨水稀醋酸稀氨水稀醋酸出现铁锈 所需时间1天未见锈蚀5分钟1天未见锈蚀1分钟(1)铁锈的主要成分是_______________(填化学式)。(2)实验②和④可探究___________因素对铁制品锈蚀快慢的影响;欲探究试剂酸碱性对铁制品锈蚀快慢的影响,应选择的实验是____________(填实验序号)。(3)根据表中实验现象得出的结论是__________ (写出1点即可)。(4)影响铁制品锈蚀快慢除上述因素外,还有__________ (写出1点即可),请设计实验方案:________________。 5.实验室常用过氧化氢溶液和二氧化锰(催化剂)制取氧气。【提出问题】二氧化锰是催化剂,二氧化锰的用量对反应速率是否有影响?【设计实验】(1)实验装置如图所示。(2)实验记录:每次用30 mL 10%的过氧化氢溶液,采用不同量的二氧化锰粉末作催化剂进行实验,测定相关数据记录于下表中:实验序号12345678910二氧化锰用量/g0.10.20.30.40.50.60.70.80.91.0待测数据 【分析】(1)上述实验应该测定的“待测数据”可能是________________。(2)10次实验“每次用30mL10%的过氧化氢溶液”的目的是_______________。(3)若第2次实验比第3次实验的“待测数据”更________(填“大”或“小”),说明催化剂的量越多,反应越快。【实验与结果】经多次实验证明,第1次实验至第7次实验中过氧化氢的分解速率依次加快,第7次实验至第10次实验所记录的“待测数据”无明显差异。【结论】_________________。6.某化学兴趣小组为研究石灰石与稀盐酸反应快慢的因素,于是进行了以下探究:(1)小明设计的实验方案:取从不同地点取来的石灰石放入等体积不同浓度的稀盐酸中,观察反应的现象。写出石灰石与稀盐酸反应的化学方程式:__________。班级同学对小明设计的实验方案提出质疑,原因是___________________。【提出猜想】猜想1:可能与温度有关;猜想2:可能与石灰石颗粒大小有关。【设计并实验】小明按照如图实验装置进行实验,并比较20s收集二氧化碳的体积:实验编号温度/℃石灰石(1g) 颗粒大小稀盐酸浓度20 s收集二氧化 碳的体积/mL①20粉状10%56②20块状10%32③30粉状10%89④30块状10%57(2)实验装置还要增加一个__________(填写仪器名称)。(3)实验中小明通过排出集气瓶中的水来测出二氧化碳的体积,为了减少二氧化碳溶解在水中,还应该在水中倒入少量___________。【得出结论】(4)通过实验中①②对比,得出的结论是__________________;若比较温度对该反应的影响,可以通过实验___________(写实验编号)对比。【交流与反思】(5)除了上述比较的方法外,还有比较快慢的方法是__________________。(6)石灰石与稀盐酸反应的快慢可能还受哪些因素影响?设计实验验证: _____________。7.学习了铁在空气中生锈的条件后,小明和小红对铜在空气中生锈的条件产生了浓厚的兴趣,他们进行了如下探究过程:【查阅资料】铜锈是绿色的,俗称铜绿,主要成分是碱式碳酸铜;铜绿在加热条件下能分解生成三种常见的氧化物。【猜测】小红猜测铜生锈与空气中的下列物质有关:①、②、③、④。(1)小明认为铜生锈与氮气一定无关,理由是________。【实验探究】小明设计了如图所示的实验,几天后观察到A试管中水面处的铜片表面有绿色物质生成,B、C、D试管中铜片均无明显现象。请帮助分析实验过程并回答下列问题:(2)根据上述实验得出:与铜生锈相关的物质有_____(填化学式)。【实验反思】(3)通过学习和探究,他们认为铁和铜在空气中更易生锈的是_____。(4)上述实验_____(填实验序号)说明铜生锈与一定有关。【拓展探究】设计实验探究铜绿受热分解的产物。(5)若生成物中有氧化铜,可观察到的实验现象是_____。(6)请写出铜绿受热分解的化学方程式:_____。8.如图所示“黑面包”实验中,蔗糖()变黑,体积膨胀,变成疏松的炭,放出有刺激性气味的气体。【提出问题】改变糖的种类、浓硫酸的体积、水的滴数和温度是否会影响实验效果呢?【进行实验】分别取5g糖粉进行实验,根据前2min的现象对实验效果进行评分,记录如下:表1 实验记录实验糖浓硫酸体积/mL水的滴数温度/℃效果得分1蔗糖4522652蔗糖51030813蔗糖61550934冰糖41050915冰糖51522886冰糖530757葡萄糖4153008葡萄糖555009葡萄糖610220【处理数据】分析表1,计算效果得分均值,结果如下:表2 效果得分均值因素糖浓硫酸体积/mL蔗糖冰糖葡萄糖456均值79.784.7052.056.356.0因素水的滴数温度/°C51015223050均值46.757.360.351.052.061.3依据均值推断最佳实验方案,均值越高,效果越好。【解释与结论】(1)蔗糖变成黑色的炭,发生了__________(填“物理”或“化学”)变化。(2)推测放出的气体含,从元素守恒角度说明理由:__________________。(3)实验6中,为______mL。(4)根据表2推断,“黑面包”实验最好选择5g冰糖、5mL浓硫酸、_____滴水和50℃。【反思与评价】(5)表2中,22℃对应的均值为51.0,计算该值所依据的3个数据分别是______________。(6)综合分析,使实验3的效果得分高于实验4的因素有_________________。
答案以及解析1.答案:【实验探究】氧气;质量;化学性质;加入二氧化锰的试管中产生气泡的速率比加入红砖粉末的快【实验拓展】C解析:【实验探究】A中无明显现象,B中产生大量能使带火星木条复燃的气体,①产生的气体是氧气,②红砖粉末能改变过氧化氢分解速率;向B试管中重新加入5%的过氧化氢溶液,反应停止后过滤、洗涤、干燥、称量滤渣,①又产生大量能使带火星木条复燃的气体,②滤渣质量等于g,说明红砖粉末的质量和化学性质在反应前后均没有发生变化,能作过氧化氢分解的催化剂;两试管中均产生气泡且加入二氧化锰的试管中产生气泡的速率比加入红砖粉末的快,说明红砖粉末的催化效果没有二氧化锰粉末好。【实验拓展】A.催化剂能加快也能减慢化学反应的速率,故错误;B.催化剂不能增加生成物的质量,故错误;C.同一个化学反应可以有多种催化剂,正确。2.答案:【作出猜想】石块大小不同(或石块质量不同)【设计实验】(1)不同地点;溶质质量分数相同(2)溶质质量分数不同【交流讨论】相同时间内收集的二氧化碳体积(或收集相同体积二氧化碳所需的时间)【拓展延伸】温度、溶液的溶质质量分数解析:【作出猜想】③影响二氧化碳产生速率的因素还可能是石块大小不同或石块质量不同。【设计实验】(1)验证猜想①是否成立,设计实验时,其他量都要相同,但要取不同地点的石块进行实验。(2)验证猜想②是否成立,对盐酸的要求是溶质质量分数不同。【交流讨论】实验中可以通过观察气泡产生的剧烈程度,粗略地比较反应速率。若要做到精确比较,应该测量的实验数据是相同时间内收集的二氧化碳体积或收集相同体积二氧化碳所需的时间。【拓展延伸】探究“催化剂对用过氧化氢溶液制取氧气的反应速率的影响”,需要控制不变的因素有温度、溶液的溶质质量分数、溶液质量、压强等。3.答案:(1)Ⅰ;甲;在其他条件相同时,固体的颗粒越小,反应速率越快。(或在其他条件相同时,反应物的接触面积越大,反应速率越快)
(2)锌
(3)0.2g
(4)解析:(1)锌块与稀盐酸的接触面积最小,因此反应的速率最慢:锌粉与稀盐酸的接触面积最大,反应速率最快:从曲线甲、乙、丙得出探究图二中的曲线结论是:在其他条件相同时,反应物的接触面积越大,反应速率越快;故答案为:I:甲:在其他条件相同时,反应物的接触面积越大,反应速率越快;(2)由化学方程式可知,每65份质量的锌能与73份质量的HCl恰好反应,题干中锌的质量为6.5g,150g含HCl7.3%的稀盐酸中所含HCl的质量为:,所以锌完全反应:故答案为:锌;(3)设生成氢气的质量为x,消耗HC的质量为y,则:因此恰好反应时消耗稀盐酸的质量为:7.3g÷7.3%=100g答:生成氢气的质量为0.2g。(3)锌中没有加入稀盐酸时,氢气的质量为零,随若稀盐酸的加入,产生氢气的质量增大,当加入到100g稀盐酸时,反应恰好完成,生成氢气的质量为0.2g,再加入稀盐酸,氢气的质量也不再改变;图像如下:。4.答案:(1)(2)温度;①②(或③④)(3)相同条件下,酸性越强,金属生锈越快(4)酸的浓度;相同条件下,取两份浓度不同的醋酸,分别在25℃时,观察铁钉生锈时间解析:(1)铁锈的主要成分是氧化铁,铁生锈是铁与空气中的氧气、水共同作用的结果。铁锈的主要成分是。(2)实验②和④可探究温度因素对铁制品锈蚀快慢的影响,欲探究试剂酸碱性对铁制品锈蚀快慢的影响,应选择的实验是①②或③④。(3)根据表中实验现象得出的结论是相同条件下,酸性越强,金属生锈越快等。(4)影响铁制品锈蚀快慢除上述因素外,还有酸的浓度,设计的实验方案是相同条件下,取两份浓度不同的醋酸,分别在25℃时,观察铁钉生锈所用的时间。 5.答案:【分析】(1)收集相同体积氧气所用的时间(2)在条件相同时,检验二氧化锰的量不同,对反应速度的影响不同(3)小【结论】在条件相同时,二氧化锰的用量对反应速率是有影响的解析: 【分析】(1)由题目中提供的信息每次实验过氧化氢的量相同,二氧化锰的量不同,可以推测是检验二氧化锰的用量对反应速度的影响,“待测数据”可能是量筒中收集相同体积氧气所用的时间。(2)由题目中提供的信息每次实验过氧化氢的量相同,二氧化锰的量不同,目的是检验二氧化锰的用量对反应速度的影响。(3)催化剂的用量越多,反应越快,第3次比第2次的二氧化锰用量多,故第2次实验比第3次实验的“待测数据”更小。【结论】根据催化剂的特点是改变反应速率,在条件相同时,二氧化锰的用量对反应速率是有影响的。6.答案:【答案】(1);没有控制变量(2)量筒(3)植物油(4)在其他条件相同的情况下,石灰石颗粒越小,反应速率越快;①③或②④(5)收集等体积的气体需要的时间(或比较在相同时间的装置质量减少的情况)(6)石灰石所处的环境;在相同温度下,分别取不同地方的等质量、颗粒大小相同的石灰石与等体积、等质量分数的稀盐酸反应,比较20s内收集二氧化碳的体积的大小解析:(1)石灰石与稀盐酸反应生成氯化钙和水以及二氧化碳,对应的化学方程式为;由于实验中石灰石不同,稀盐酸浓度也不同,所以该结论不成立,原因是没有控制变量。(2)由于是要20s收集二氧化碳的体积,而直接测量气体体积不方便,可通过排水法使水进入量筒进行测量,所以实验装置还要增加一个量筒。(3)实验中小明通过排出集气瓶中的水来测出二氧化碳的体积,为了减少二氧化碳溶解在水中,根据教材中铁生锈条件的探究中植物油的作用,可以想到在水中倒入少量植物油使二氧化碳和水隔离,从而减小误差(4)通过实验中①②对比,温度相同,稀盐酸浓度相同,而粉末状的石灰石反应得快,所以得出的结论是在其他条件相同的情况下,石灰石颗粒越小,反应速率越快;若比较温度对该反应的影响,需要选择温度之外相同的因素所以可以通过实验①③或②④对比。(5)除了上述比较的方法外,还有比较快慢的方法是比较在相同时间装置的质量减少的情况(这个办法误差小,且不需要考虑二氧化碳溶解性的影响)或者看收集等体积的气体需要的时间。(6)石灰石与稀盐酸反应的快慢可能还受石灰石所处的环境等影响,设计实验为在相同温度下,分别取不同地方的等质量、颗粒大小相同的石灰石与等体积、等质量分数的稀盐酸反应,比较20s收集二氧化碳的体积的大小。7.答案:(1)碱式碳酸铜中不含有氨元素(2)(3)铁(4)AC(5)固体由绿色变成黑色(6)解析:(1)小明认为铜生锈与氮气一定无关,理由是碱式碳酸铜中不含有氮元素。(2)根据题述实验可知,铜与水、氧气、二氧化碳同时接触时生锈,缺少水、二氧化碳、氧气中的一种则不能生锈,因此与铜生锈相关的物质有。(3)通过学习和探究,他们认为铁和铜在空气中更易生锈的是铁,因为空气中二氧化碳的含量较少。(4)题述实验AC说明铜生锈与一定有关,因为实验AC对比,变量为铜是否与接触,且A中的铜片与二氧化碳接触一段时间后生锈,C中铜片不与二氧化碳接触,一段时间后未生锈。(5)若生成物中有氧化铜,可观察到的实验现象是固体由绿色变成黑色。(6)铜绿受热分解生成三种常见的氧化物,由质量守恒定律可判断这三种氧化物为氧化铜、水和二氧化碳,反应的化学方程式为。8.答案:(1)化学(2)浓硫酸中含有硫元素和氧元素,蔗糖中含有氧元素,则生成物中也会有硫元素和氧元素(3)6(4)15(5)65、88、0(6)浓硫酸的体积和水的滴数解析:(1)蔗糖变成黑色的炭,有新物质炭生成,属于化学变化。(2)推测放出的气体含,从元素守恒角度,反应物硫酸中含有硫、氧元素,蔗糖中含有碳元素和氧元素,生成物的气体可能是一氧化碳、二氧化碳、二氧化硫,放出有刺激性气味的气体,则含有二氧化硫。(3)根据表1,当蔗糖、葡萄糖质量相同时,选用的浓硫酸的体积均为4mL、5mL、6mL,所以冰糖选用的浓硫酸的体积应为4mL、5mL、6mL,即为6mL。(4)均值越高,效果越好,表2中均值最高时应选择的是5g冰糖、5mL浓硫酸、15滴水和50℃。(5)表2中22℃对应的均值为51.0,来自于表1实验中的实验1、实验5和实验9对应的65、88和0三个数据的均值。(6)实验3和实验4均为50℃,糖的种类不同,从表2看出,蔗糖的效果得分均值小于冰糖;浓硫酸的体积和水的滴数不同,表2中冰糖比蔗糖的效果好,浓硫酸的体积为6mL比4mL的效果好,水的滴数为15时效果最好,故实验3的效果得分高于实验4的因素是浓硫酸的体积和水的滴数。
相关试卷
这是一份(6)数字化实验探究——2022届中考化学科学探究题型专练,共15页。试卷主要包含了探究是学习化学的重要方法等内容,欢迎下载使用。
这是一份(5)标签受损类探究——2022届中考化学科学探究题型专练,共12页。
这是一份(4)变质类探究——2022届中考化学科学探究题型专练,共11页。试卷主要包含了00g等内容,欢迎下载使用。
