所属成套资源:【备考2022】2021中考物理真题分类汇编
【备考2022】2021中考物理真题分类汇编-力和机械-探究摩擦力大小与什么因素有关实验(含答案)
展开
这是一份【备考2022】2021中考物理真题分类汇编-力和机械-探究摩擦力大小与什么因素有关实验(含答案),共25页。试卷主要包含了的关系等内容,欢迎下载使用。
【备考2022】2021中考物理真题分类汇编 力和机械 探究摩擦力大小与什么因素有关实验(含答案)
一.选择题(共2小题)
1.(2021•湘潭)用如图所示的装置探究滑动摩擦力大小与什么有关时,下列说法错误的是( )
A.探究与压力大小的关系时,可在木块上加砝码
B.探究与接触面积大小的关系时,可将木块侧放
C.木块运动的速度越大,滑动摩擦力越大
D.本实验用到了控制变量法
2.(2021•大庆)在“探究影响滑动摩擦力大小的因素”实验中,三幅图中均是完全相同的木块和木板,图甲、图乙中木板静止,木块、铁块水平向右做匀速直线运动;图丙中电动装置D带动木板水平向左做匀速直线运动,弹簧测力计水平拴在竖直墙上,木块相对地面处于静止状态。下列说法中正确的是( )
A.若图丙中木板做加速运动,则弹簧测力计读数一定不等于木块受到的摩擦力大小
B.利用甲、乙两图,可以探究滑动摩擦力大小跟接触面粗糙程度是否有关
C.图甲与图丙相比,甲中弹簧测力计指针位置更稳定,读数更准确
D.利用甲、乙两图,可以探究滑动摩擦力大小跟压力大小是否有关
二.填空题(共2小题)
3.(2021•盐城)如图所示,在“探究影响滑动摩擦力大小的因素”实验中,小红将木块置于水平桌面上,用弹簧测力计沿 方向拉动,使其做 运动,记下弹簧测力计的示数,再将一个砝码叠加在木块上重复上面实验,弹簧测力计的示数变大,说明滑动摩擦力大小与 有关。
4.(2021•株洲)如图为某同学用弹簧测力计测量木块在水平固定木板上匀速滑动时所受摩擦力的情景。此时,弹簧测力计的读数为 N,实验操作中的错误是 。改正错误后,通过增减木块上钩码的个数,可以探究滑动摩擦力的大小与 (填“接触面的粗糙程度”或“压力”)的关系。
三.实验探究题(共28小题)
5.(2021•黄冈)某实验小组用如图所示的装置探究影响滑动摩擦力大小的因素,木块挂在测力计下,右侧面与竖直传送带接触,左侧面有可旋转的螺杆对其施加不同的压力,启动电机,传送带逆时针转动,通过测力计的读数即可计算出木块所受的摩擦力。
部分实验数据如表:
实验次数
木块重力(N)
螺杆旋转的圈数(圈)
测力计示数(N)
摩擦力(N)
1
0.60
1
0.70
0.10
2
0.60
2
0.82
0.22
3
0.60
3
0.95
0.35
4
1.20
1
1.30
0.10
5
1.80
1
1.90
(1)该实验用螺杆旋转圈数的多少来表示木块与传送带之间压力的大小,这里运用了 的方法。
(2)比较1、2、3次实验的数据可知,滑动摩擦力大小与 有关。
(3)第5次实验中,木块受到的滑动摩擦力大小是 N。
(4)要探究木块所受滑动摩擦力大小与相对运动速度是否有关,正确的做法是 。
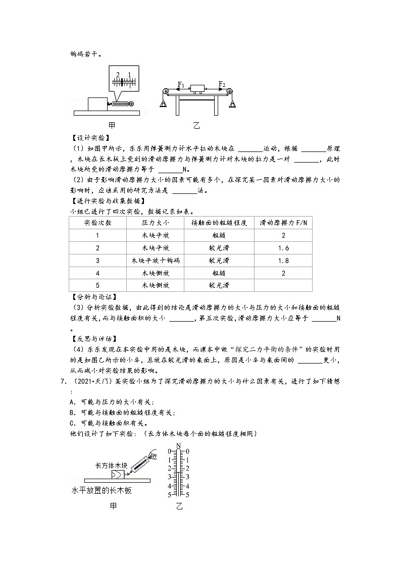
6.(2021•日照)乐乐所在的小组做“探究影响滑动摩擦力大小的因素”的实验,器材有:长方体木块(各表面的粗糙程度相同),一面较光滑一面粗糙的长木板,弹簧测力计,钩码若干。
【设计实验】
(1)如图甲所示,乐乐用弹簧测力计水平拉动木块在 运动,根据 原理,木块在长木板上受到的滑动摩擦力与弹簧测力计对木块的拉力是一对 ,此时木块所受的滑动摩擦力等于 N。
(2)由于影响滑动摩擦力大小的因素可能有多个,在探究某一因素对滑动摩擦力大小的影响时,应该采用的研究方法是 法。
【进行实验与收集数据】
小组已进行了四次实验,数据记录如表。
实验次数
压力大小
接触面的粗糙程度
滑动摩擦力F/N
1
木块平放
粗糙
2
2
木块平放
较光滑
1.6
3
木块平放十钩码
较光滑
1.8
4
木块侧放
粗糙
2
5
木块侧放
较光滑
【分析与论证】
(3)分析实验数据,由此得到的结论是滑动摩擦力的大小与压力的大小和接触面的粗糙程度有关,而与接触面积的大小 ,第五次实验,滑动摩擦力大小应等于 N。
【反思与评估】
(4)乐乐发现在本实验中用的是木块,而课本中做“探究二力平衡的条件”的实验时用的是如图乙所示的小车,且放在较光滑的桌面上,原因是小车与桌面间的 更小,从而减小对实验结果的影响。
7.(2021•天门)某实验小组为了探究滑动摩擦力的大小与什么因素有关,进行了如下猜想:
A.可能与压力的大小有关;
B.可能与接触面的粗糙程度有关;
C.可能与接触面积有关。
他们设计了如下实验:(长方体木块每个面的粗糙程度相同)
(1)如图甲,小芳同学用弹簧测力计斜向上拉动长方体木块,使木块在水平木板上做匀速直线运动,读出弹簧测力计的示数,即为滑动摩擦力的大小。小明认为她的操作有误,此时的拉力与滑动摩擦力 (选填“是”或“不是”)一对平衡力,因为这两个力不在 上。
(2)小芳纠正错误后,重新实验,记录如下表实验次数1~3:
实验次数
木块放置方法
接触面
压力情况
弹簧测力计示数F/N
1
平放
木块与木板
木块
2.0
2
平放
木块与毛巾
木块+1个钩码
2.8
3
平放
木块与木板
木块+1个钩码
4
侧放
①
②
2.0
①为了探究猜想A,应选择实验次数 (填序号);
②表格中第3次实验弹簧测力计的示数为 N(如图乙);
③由2与3两次实验可知: 。
(3)小明探究猜想C,设计并完成了第4次实验,分析表中的记录得出滑动摩擦力的大小与接触面积无关,表中第4次实验①②两处的信息忘记填写,请你帮他完成 、 。
8.(2021•西宁)在探究“滑动摩擦力大小与哪些因素有关”的实验中,实验小组的同学用如图所示的装置和器材进行实验。
(1)实验中应该用弹簧测力计水平 (填“匀速”或“加速”)直线拉动木块在长木板上运动。根据 知识可知,此时木块所受滑动摩擦力大小等于弹簧测力计的示数。
(2)比较 两次实验可知,滑动摩擦力的大小跟接触面的粗糙程度有关;比较甲、丙两次实验可知,滑动摩擦力的大小还跟 有关。
(3)同学们猜想:滑动摩擦力的大小还与接触面的面积有关。他们在图甲的基础上,将木块沿竖直方向切成两部分继续进行实验,将测得的数据记录在如下的表格中,分析数据验证自己的猜想。这种做法是 (填“正确”或“错误”)的,理由是 。
次数
木块大小
接触面积S/cm2
接触面
摩擦力f/N
1
整块
90
木板
1.2
2
三分之二块
60
木板
0.8
3
三分之一块
30
木板
0.4
9.(2021•镇江)小华使用图甲装置来探究影响滑动摩擦力大小的因素。
(1)实验中,应沿 方向拉动弹簧测力计,使木块在水平木板上做 运动。
(2)某次正确实验中,弹簧测力计的指针位置如图乙所示,木块受到的滑动摩擦力大小为 N,方向为 。
(3)小华利用图丙中场景①和②来探究滑动摩擦力与压力的关系,请指出她在实验中明显的不当之处: 。
(4)在某次实验中,小华拉动木块在木板上运动,木块运动的路程﹣时间图像如图丁所示。若用F1和F2分别表示0~t1和t1~t2时间内弹簧测力计的示数,则可判断F1 F2(填“>”、“<”或“=”)。
10.(2021•常州)常州某小学大门口,设有护学岗标志牌及其固定装置:铁杆左端固定在墙上、右端固定有铁夹,铁夹夹着重4N的护学岗标志牌,铁夹张开幅度越大,夹得越紧。放学时,值班教师用13N的力可将标志牌竖直向上匀速拔出,此过程中,标志牌杆受到铁夹的摩擦力方向 、大小为 N。雨天,标志牌杆拔出铁夹过程中受到铁夹的摩擦力会发生怎样的变化?同学们展开合理猜想。
猜想1:考虑到“雨天木质标志牌杆受潮膨胀”,导致标志牌杆拔出铁夹过程中,受到铁夹的摩擦力变大,理由是 。
猜想2:考虑到“雨天木质标志牌杆表面湿润”,导致标志牌杆拔出铁夹过程中,受到铁夹的摩擦力变小,理由是 。
同学们讨论后,认为猜想1、猜想2都合理,为确定哪一种猜想起主导作用,同学们先采用原始方案,测量时发现超出测力计的量程,于是设计出改进方案1、改进方案2,如图所示,每个滑轮重均为0.3N,不计绳重及滑轮处摩擦。
应采用改进方案 进行探究,实验时,匀速拔出过程中,测力计示数为4.4N,拔出后静止时,测力计示数为1.6N。淋湿、吸水后标志牌重为 N。雨天,标志牌杆拔出铁夹过程中受到铁夹的摩擦力为 N,猜想 起主导作用。
11.(2021•朝阳)在“研究影响滑动摩擦力大小的因素”实验中,小亮用同一木块、同一长木板按照如图1所示的甲、乙、丙三种情况进行实验。
(1)如图1中甲所示,用弹簧测力计水平拉动木块,使它沿长木板匀速直线滑动,测出木块与长木板之间的滑动摩擦力为 N。
(2)比较图1中甲、乙两次实验,得出结论为: ,滑动摩擦力越大。
(3)比较图1中 两次实验,得出结论为:接触面所受压力一定时,接触面越粗糙,滑动摩擦力越大。
(4)实验过程中,木块的温度升高,是通过 (选填“做功”或“热传递”)的方式改变了木块的内能。
(5)利用图2装置,他还能探究物体的动能跟 (选填“质量”或“运动速度”)的关系。
12.(2021•铜仁市)瑞瑞同学用如图所示实验装置“探究影响滑动摩擦力大小的因素”,请你与他合作,回答下列问题:
(1)缓慢拉动木板B,直到物块A与木板B之间发生相对滑动。观察某时刻弹簧测力计示数(如图)为 N;
(2)若保持A、B间接触面粗糙程度、接触面积大小不变,在A上增加钩码,重复(1)操作,弹簧测力计示数变大,说明滑动摩擦力大小与 有关;
(3)若保持 不变,在B上分别铺棉布、毛巾,重复(1)操作,弹簧测力计示数发生变化,说明滑动摩擦力大小与接触面粗糙程度有关;
(4)若保持A、B间压力大小、接触面粗糙程度不变,改变A、B间的接触面积大小,重复(1)操作,弹簧测力计示数不变,说明滑动摩擦力大小与 无关。
13.(2021•铁岭)在探究“滑动摩擦力大小与哪些因素有关”的实验中,找来质量相同但表面粗糙程度不同的木块1、2和砝码若干。
木块
压力F/N
2
4
6
8
1
摩擦力f1/N
0.5
1
1.5
2
2
摩擦力f2/N
0.2
0.4
0.8
(1)将木块1和2分别放到水平放置的长木板上,用弹簧测力计沿 方向匀速直线拉动木块。利用砝码改变木块对木板的压力重复上面的操作,将实验数据记录在表格中。由数据可得:当接触面粗糙程度一定时,滑动摩擦力与压力成 比。表格空白处数据应为 N,通过分析表格中的数据可以得出:对于粗糙程度不同的接触面,滑动摩擦力与压力的比值 (填“不同”或“相同”)。
(2)将木块1沿图中虚线切为两部分,将a部分放在b上,所测得的滑动摩擦力与没有切时相比将 (填“不变”、“变大”或“变小”)。
(3)分别以速度v1和v2(v1>v2)在同一表面匀速直线拉动木块2,通过相同的路程,两次拉力所做功的关系为:W1 W2(填“<”、“>”或“=”)。
14.(2021•眉山)在探究“影响滑动摩擦力大小因素”的实验中,器材有:木板、铁块、木块和弹簧测力计。
(1)物理兴趣小组的同学进行了如下操作:
a.如图甲所示,将铁块平放在木板表面上,用弹簧测力计沿水平方向匀速拉动铁块,弹簧测力计的示数为F1=1.2N;
b.如图乙所示,将木块叠放在铁块正上方,用弹簧测力计沿水平方向匀速拉动铁块,弹簧测力计的示数为F2=1.6N;
c.如图丙所示,将铁块叠放在木块正上方,用弹簧测力计沿水平方向匀速拉动木块,弹簧测力计的示数为F3=1.8N。
分析以上操作:
①操作a和b是为了探究滑动摩擦力大小跟 的关系;
②比较操作b和c可得铁块表面比木块表面 些。
(2)在老师的指导下物理兴趣小组的同学改进了该实验,如图丁所示。当用力F4=3N拉动长木板在水平桌面上运动,铁块保持静止状态时,弹簧测力计的示数为1N;
①此时铁块受到摩擦力的大小为 N,方向为水平 ;
②按图丁所示的实验装置进行实验有较多的优点,请列举两条: ; 。
15.(2021•烟台)在“探究影响滑动摩擦力大小的因素”的实验中,某小组用同一物块按照图甲、乙、丙进行了三次实验。
(1)实验过程中,弹簧测力计必须沿水平方向拉着物块做 运动,此时滑动摩擦力的大小等于弹簧测力计的示数,所依据的原理是 。
(2)进行 两次实验,是为了探究滑动摩擦力大小与压力大小之间的关系;
(3)实验中发现丙图中弹簧测力计的示数比甲图中的大,由此可以得到的结论是: 。
(4)在交流评估环节中,某同学总认为滑动摩擦力的大小还与接触面积有关,为了验证他的想法,他进行了如下设计:将甲图中的物块竖直切掉一半重新进行实验,测得物块所受摩擦力与甲图中测得的数据进行比较,从而得出结论。请对该同学的设计方案进行评估。
16.(2021•兰州)在学习了滑动摩擦力的知识后,小美想知道新买的运动鞋在橡胶垫上的滑动摩擦力大小,她准备了一张平整的橡胶垫、一个弹簧测力计和一根细线。
(1)为了能准确测量滑动摩擦力的大小,根据 知识可知,小美应该让运动鞋沿水平方向做 运动;
(2)如图甲所示,小美将运动鞋放在水平橡胶垫上,按正确的方法拉动,此时测出运动鞋受到的滑动摩擦力大小为 N;
(3)若在实际拉动过程中运动鞋没有做匀速直线运动,则运动鞋所受滑动摩擦力的大小 (选填“改变”或“不变”);
(4)在老师的指导下,小美对甲图实验方案进行了改进,如图乙所示,她固定弹簧测力计,拉动鞋下的橡胶垫进行实验,这样做的好处是 。
17.(2021•绥化)某同学利用如图所示装置探究“研究影响滑动摩擦力大小的因素”实验。他利用细线、长木板、两个完全相同的木块A、B和一个弹簧测力计,在水平台上进行实验。
(1)实验中用弹簧测力计水平拉动木块,使它沿长木板做 运动,根据 知识,可知弹簧测力计对木块的拉力与木块受到的滑动摩擦力大小相等。当停止拉动木块后,木块由于 会继续运动。
(2)比较甲、乙两图,得出的结论是:当接触面的粗糙程度相同时, 越大,滑动摩擦力越大。
(3)比较乙、丙两图,得出的结论是:滑动摩擦力大小与接触面积大小 。(选填“有关”或“无关”)
(4)在利用甲图装置进行实验时,拉动木块由静止到匀速直线运动过程中,弹簧测力计对木块的拉力F随时间t的变化图象如图丁所示。0﹣3s木块处于静止状态,3s后木块开始运动,分析图象可知,当木块所受拉力为0.4N时,木块处于 状态。
18.(2021•齐齐哈尔)为了探究滑动摩擦力大小与什么因素有关,小夏设计了如图所示实验(实验所用棉布比木板表面粗糙)。
(1)实验过程中,弹簧测力计应沿水平方向拉着物块做 运动,根据 知识,可知滑动摩擦力的大小等于弹簧测力计的示数。
(2)在这四次实验中,滑动摩擦力最小的是 (选填“甲”、“乙”、“丙”或“丁”)。
(3)比较甲、乙两次实验,是为了探究滑动摩擦力大小与 是否有关;比较乙、丙两次实验,是为了探究滑动摩擦力大小与 是否有关。
(4)比较甲、丁两次实验,发现甲实验中弹簧测力计的示数大于丁实验中弹簧测力计的示数,小夏由此得出结论:滑动摩擦力大小与接触面积的大小有关。你认为他的结论是 的(选填“正确”或“错误”),理由是 。
(5)小夏对实验装置进行改进后,如图戊所示,当他再进行实验时,发现效果更好。请你说出改进后的优点是 (写出一条即可)。
19.(2021•黑龙江)某实验小组在“探究滑动摩擦力大小与哪些因素有关”的实验中:
(1)如图甲所示,小睿用弹簧测力计沿 方向, 拉动木块,这样做的目的是利用 原理间接测出木块所受滑动摩擦力的大小;
(2)由甲、乙两图实验数据可得出的结论是: ;
(3)实验结束后,小睿仔细思考了实验中存在的问题,为了减小误差,他设计了另一种方案,如图丁所示,将弹簧测力计的一端固定,另一端与木块相连,木块放在长木板上,弹簧测力计保持水平,拉动木板水平向左运动,在此过程中 (选填“需要”或“不需要”)匀速直线拉动木板,木块稳定时相对地面处于静止状态,这样做的好处是 。
20.如图所示,是某实验小组用弹簧测力计、木块、砝码、长木板和毛巾探究“影响滑动摩擦力大小的因素”的实验。
(1)实验过程中,应拉着木块在木板上做 运动,弹簧测力计的示数如图甲所示,则木块受到的滑动摩擦力大小为 N。
(2)对比甲、乙两次实验,是为了探究滑动摩擦力的大小与 的关系。在图甲中,若拉着木块以比原来更大的速度运动,木块所受摩擦力的大小将 (选填“变大”“变小”或“不变”)。
(3)实验小组想进一步探究滑动摩擦力的大小与接触面粗糙程度的关系,进行了如图丙所示的实验,当弹簧测力计示数达到最大值时仍没拉动木块,为了使用现有实验器材顺利完成此实验探究,可采取的办法是: 。
21.(2021•吉林)研究影响滑动摩擦力大小因素的实验,如图所示。
(1)用弹簧测力计水平拉动木块,使它沿水平长木板做 运动,比较甲、乙两图可知,滑动摩擦力的大小跟接触面所受的 有关。
(2)当甲图中弹簧测力计示数增大到2.8N时,木块受到的滑动摩擦力为 N。
22.(2021•广东)小明在“探究滑动摩擦力的大小与什么因素有关”的实验中,如图所示。
(1)根据 条件,当弹簧测力计沿水平方向拉着木块做 运动时,木块所受滑动摩擦力的大小等于拉力的大小,如图甲所示。
(2)小明在图甲实验中发现较难保持木块匀速运动,弹簧测力计示数不稳定。于是,他与同学们一起改进实验,如图乙所示,固定弹簧测力计,通过拉动长木板进行实验,实验记录如表,则木块所受的滑动摩擦力大小为 N。
实验次数
长木板运动情况
弹簧测力计示数/N
1
匀速
2.0
2
由慢到快
2.0
3
由快到慢
2.0
(3)写出用图乙装置的一条优点: 。
23.(2021•十堰)在“探究影响滑动摩擦力大小的因素”的实验中:
(1)小明将装有部分文具的文具盒,置于水平桌面上如图甲所示,用弹簧测力计水平方向拉动文具盒,使其做匀速直线运动,这是利用 的原理测出滑动摩擦力的大小;
(2)实验过程中小明发现保持文具盒做匀速直线运动很困难,他与同组成员讨论后,改用图乙装置进行实验,将弹簧测力计水平固定,在文具盒与桌面之间垫一块表面粗糙的木板,当小明用8N的力拉出木板时,弹簧测力计示数是2N,他这样做实验的好处是 ;
(3)接着,小明又将橡皮、改正液等物品放入文具盒,重复上述实验,若小明仍用8N的力拉出木板时,弹簧测力计的示数为3N,则此时文具盒与木板之间的摩擦力为 N。
24.(2021•南京)用如图所示的装置做“探究影响滑动摩擦力大小的因素”实验。
(1)为了测出滑动摩擦力的大小,弹簧测力计应沿水平方向 拉动小木块。
(2)图中两次实验探究的是滑动摩擦力大小与 的关系。
以下事例中,用到以上探究结论的是 (填字母)。
A.鞋底的槽纹
B.机器转轴处加润滑油
C.体操运动员在手上涂镁粉
D.自行车刹车时用力捏闸
25.(2021•菏泽)在探究滑动摩擦力大小与哪些因素有关的实验中,选择如下器材:长木板和表面固定有棉布的长木板、长方体木块(各表面粗糙程度相同)、砝码、弹簧测力计等。
(1)实验中用弹簧测力计沿水平方向拉动放置在长木板上的物块,使其做 运动,此时弹簧测力计示数等于木块所受滑动摩擦力的大小。
(2)如图为完成本实验设计的操作方案
得到的实验数据记录如表:
实验情景
甲
乙
丙
丁
测力计示数/N
1.50
1.50
2.10
2.50
该实验设计主要运用了 的实验方法。
(3)比较甲、乙两次实验可知,滑动摩擦力大小与接触面积的大小 ;比较 两次实验可知,在接触面粗糙程度相同的情况下,压力越小,滑动摩擦力越小。
(4)拔河比赛时队员要穿鞋底带有花纹的运动鞋参赛,这是应用了 两次实验得出的结论。
26.(2021•南充)如图所示,在探究“影响滑动摩擦力大小因素”的实验中:
(1)实验中测量滑动摩擦力大小的原理是 。
(2)甲、丙两图是为了研究滑动摩擦力大小与 的关系,实验中采用的研究方法是 。
(3)根据甲、乙两图可得结论是: 。
(4)小华同学将甲图测量摩擦力大小装置改为丁图装置的好处是: 。
27.(2021•内江)如图甲所示,是课外兴趣小组的同学们在探究“滑动摩擦力的大小与压力大小有什么关系”的实验装置图。
跨过光滑定滑轮的细线两端分别与木块和弹簧测力计相连,滑轮和木块间的细线保持水平,在木块上方放置砝码。缓慢向左拉动水平放置的木板,当木块和砝码相对桌面静止且木板仍在继续滑动时,弹簧测力计的示数即等于木块受到的滑动摩擦力的大小。则:
(1)定滑轮的作用是改变力的方向,但不能改变力的 ;
(2)弹簧测力计的示数等于木块受到的滑动摩擦力大小的依据是:木块在水平方向上受到的力是一对 (选填“平衡力”或“非平衡力”);
(3)如图乙,是在某次实验中弹簧测力计的读数示意图,由此可知,木块与木板间的滑动摩擦力的大小是 N;
(4)多次改变砝码的质量,探究得出:接触面粗糙程度相同时,压力越大,木块与木板间的滑动摩擦力 (选填“越大”、“越小”或“不变”)。
28.(2021•济宁)在探究“滑动摩擦力的大小与哪些因素有关”的实验中,小明设计了如下方案。
实验步骤
实验条件
弹簧测力计示数F/N
压力情况
接触面情况
1
木块
木板
2
木块上放1个钩码
3
木块上放2个钩码
4
木块
棉布
5
木块上放1个钩码
6
木块上放2个钩码
7
木块
毛巾
8
木块上放1个钩码
9
木块上放2个钩码
(1)通过表中2、5、8三次实验,可以探究滑动摩擦力大小与 的关系。
(2)用弹簧测力计水平拉木块在接触面上匀速滑动时,弹簧测力计对木块的拉力与木块受到的滑动摩擦力大小相等,依据是 。
(3)实验过程中,当弹簧测力计的示数为0.6N时,木块未被拉动,此时木块所受的摩擦力 (选填“大于”“等于”或“小于”)0.6N。
29.(2021•乐山)在做“研究影响滑动摩擦力大小的因素”的实验中,同学们猜想影响滑动摩擦力大小的因素可能有:①接触面所受的压力;②接触面的粗糙程度。根据猜想,同学们设计了如图甲、乙、丙所示的实验:
(1)用弹簧测力计水平拉动木块,使它沿长木板做匀速直线运动,根据 的知识可知,弹簧测力计对木块的拉力与木块受到的滑动摩擦力大小相等。如图甲所示,木块受到的摩擦力大小为 N。
(2)通过比较 两图,可验证猜想①;通过比较 两图,可验证猜想②。进一步归纳得出结论:接触面所受的压力越 (选填“大”或“小”),接触面越 (选填“光滑”或“粗糙”),滑动摩擦力越大。
(3)有同学提出滑动摩擦力的大小还可能与接触面积有关,于是设计了以下两种实验方案:
A.将木块竖直切去一半,如图丁,重复(1)的操作过程,比较图甲和图丁
B.将木块侧放,如图戊,重复(1)的操作过程,比较图甲和图戊
你认为合理的实验方案是 (选填“A”或“B”)。
30.(2021•自贡)如图所示,在“探究滑动摩擦力大小与什么因素有关”的实验中:
(1)实验过程中,用弹簧测力计沿水平方向拉着物块A做匀速直线运动,此时滑动摩擦力大小 (选填“大于”、“等于”或“小于”)弹簧测力计示数。在利用图甲装置进行实验时,运动过程中木块A的速度突然变大,则木块A受到的滑动摩擦力将 (选填“变大”、“不变”或“变小”)。
(2)在甲、乙、丙所示图中,分别用F1=1N,F2=2N,F3=1.5N的拉力,拉着物块A匀速前进,为研究滑动摩擦力大小与接触面粗糙程度的关系,应该比较 两次实验。
(3)大量实验进一步证明:在接触面粗糙程度相同时,滑动摩擦力大小与压力大小成正比,在丙图中物块A上叠放一块与A相同的物块B,用弹簧测力计拉着物块A,使物块B随A一起做匀速直线运动(如丁图所示),此时弹簧测力计示数为F4,则F4= N;此运动过程中,物块B受到的摩擦力为 N。
31.(2021•牡丹江)在“探究影响滑动摩擦力大小的因素”实验中,用完全相同的木块分别做了如图所示的甲、乙、丙三个实验。
(1)将木块放在水平木板上,弹簧测力计必须沿 方向拉动,使木块做匀速直线运动,此时木块受到的滑动摩擦力 弹簧测力计的示数(选填“大于”、“等于”或“小于”);
(2)甲、乙两个实验说明滑动摩擦力的大小与 有关;在甲实验中,若拉力增大为2N,则木块所受到的摩擦力 2N(选填“大于”、“等于”或“小于”);
(3)比较乙、丙两图中的测力计示数,可得出结论: .利用此结论,如果要在拔河比赛中获胜,应该选用图中的 类型的鞋。
(4)比较甲、丁实验,发现甲实验弹簧测力计的示数大于丁实验弹簧测力计的示数,小明得出结论:滑动摩擦力的大小与接触面积的大小有关,他的结论是 (选填“正确”或“错误”)的。理由是 。
32.(2021•通辽)在探究“影响滑动摩擦力大小因素”的实验中,实验装置如图所示。选取三个相同的木块分别放在不同的接触面上,其中甲、乙两图的接触面是相同的木板,丙图的接触面是棉布。
(1)实验中应该用弹簧测力计拉着木块在水平接触面上做 运动,根据 知识可知,木块所受摩擦力大小等于弹簧测力计的示数。
(2)如果想探究滑动摩擦力大小与接触面粗糙程度的关系,应选择 两图进行实验,比较两图可得出的结论是 。
(3)某同学猜想:滑动摩擦力大小可能与接触面积大小有关。于是他将甲图中木块切去一半(如图丁所示),重复甲图的实验操作。他比较图甲和图丁的实验结果,得出结论:滑动摩擦力的大小与接触面积的大小有关。你认为他探究过程中存在的问题是 ,改进方法是 。
参考答案与试题解析
一.选择题(共2小题)
1.【解答】解:
A、探究与压力大小的关系时,需要控制接触面的粗糙程度不变,增大压力,所以可在木块上加砝码,故A正确;
B、探究与接触面积大小的关系时,需要控制压力大小不变,接触面的粗糙程度不变,可将木块侧放,改变接触面的大小,故B正确;
C、滑动摩擦力的大小与压力大小、接触面的粗糙程度有关,与物体运动的速度无关,故C错误;
D、影响滑动摩擦力大小的因素有两个,实验中采用的是控制变量法,故D正确。
故选:C。
2.【解答】解:
A、若图丙中木板做加速运动,木块相对于地面处于静止状态,水平方向上受到的拉力和滑动摩擦力是一对平衡力,则弹簧测力计读数一定等于木块受到的摩擦力大小,故A错误;
BD、利用甲、乙两图可知,接触面的粗糙程度相同,压力的大小不同,可以探究滑动摩擦力大小跟压力大小是否有关,故B错误,D正确;
C、当拉动长木板运动的过程中,无论木板是否做匀速直线运动,木块保持静止状态,根据二力平衡的条件知:此时弹簧测力计的示数等于摩擦力的大小,弹簧测力计不动,容易读数,故C错误。
故选:D。
二.填空题(共2小题)
3.【解答】解:(1)用弹簧测力计水平方向匀速拉动木块时,弹簧测力计处于匀速直线运动状态,则弹簧测力计在水平方向上受到了摩擦力和拉力才是一对平衡力;
(2)再将一个砝码叠加在木块上重复上面实验,木块对桌面的压力变大,弹簧测力计的示数变大,说明滑动摩擦力大小与压力大小有关。
故答案为:水平;匀速直线;压力大小。
4.【解答】解:由图可知,弹簧测力计的分度值为0.2N,示数为1.4N;
实验中需要用弹簧测力计水平拉动木块在水平木板上做匀速直线运动,根据二力平衡,拉力等于摩擦力;而实验中弹簧测力计没有沿水平方向拉动木块;
改正错误后,通过增减木块上钩码的个数,压力发生了变化,接触面的粗糙程度不变,可以探究滑动摩擦力的大小与压力的关系。
故答案为:1.4;弹簧测力计没有沿水平方向拉动木块;压力。
三.实验探究题(共28小题)
5.【解答】解:(1)由于木块和传送带在竖直方向上相互摩擦,压力的大小不易改变,实验中用螺杆旋转圈数的多少来表示木块与传送带之间压力的大小,这里运用了转换法的方法;
(2)比较1、2、3次实验的数据可知,木块的重力相同,螺杆旋转的圈数不同,即木块对传送带的压力不同,木块受到的摩擦力不同,所以滑动摩擦力大小与压力大小有关;
(3)对木块进行受力分析可知,在竖直方向上,木块受到竖直向下的重力、竖直向下的摩擦力和竖直向上的弹簧测力计的拉力,且在这三个力的作用下保持静止,所以第5次实验中,木块受到的滑动摩擦力大小是:f=F拉﹣G=1.90N﹣1.80N=0.10N;
(4)要探究木块所受滑动摩擦力大小与相对运动速度是否有关,需要控制木块的重力、木块与传送带接触面的粗糙程度、螺杆旋转的圈数均不变,改变传送带的转动速度。
故答案为:(1)转换;(2)压力的大小;(3)0.10;(4)保持木块的重力、木块与传送带接触面的粗糙程度、螺杆旋转的圈数均不变,改变传送带的转动速度。
6.【解答】解:(1)根据二力平衡的知识,用弹簧测力计水平拉动木块,使它沿长木板做匀速直线运动,物体在水平方向上受到滑动摩擦力和拉力是一对平衡力,两力大小相等;由图甲可知,弹簧测力计的分度值为0.2N,示数为1.6N,则滑动摩擦力为1.6N;
(2)影响滑动摩擦力大小的因素可能有多个,在探究某一因素对滑动摩擦力大小的影响时,应该采用控制变量法;
(3)由表中第1和4次实验数据知,压力和接触面的粗糙程度相同,木块分别平放、侧放,滑动摩擦力大小都为2N,所以滑动摩擦力大小与接触面积的大小无关;
据此,由第2和第5次实验数据知,压力和接触面的粗糙程度相同,所以第5次实验和第2次实验的滑动摩擦力大小相等,等于1.6N;
(4)“探究二力平衡的条件”的实验时用小车,且放在较光滑的桌面上,原因是小车与桌面间的摩擦力更小,从而减小对实验结果的影响。
故答案为:(1)匀速直线;二力平衡;平衡力;1.6;(2)控制变量;(3)无关;1.6;(4)摩擦力。
7.【解答】解:
(1)当物体在水平面上进行匀速直线运动时,物体受到的拉力和滑动摩擦力是一对平衡力;图中小芳同学用弹簧测力计斜向上拉动长方体木块,拉力和滑动摩擦力不在同一直线上,不满足二力平衡的条件,因此不是一对平衡力;
(2)①实验中研究摩擦力的大小与压力的关系时,应控制其它因素不变,只改变压力的情况,因此根据表格可知,应选择实验次数1、3;
②图乙中弹簧测力计的分度值为0.2N,测力计示数为2.4N;
③比较实验次数2和3的实验数据可知,压力相同,改变了接触面的粗糙程度,因此是探究滑动摩擦力和接触面粗糙程度的关系,可得出结论是:压力相同时,接触面越粗糙,滑动摩擦力越大;
(3)探究滑动摩擦力大小与接触面积的关系,应控制接触面粗糙程度、压力情况相同,接触面积不同。比较第1、4次实验可知,弹簧测力计示数相等,木块放置方法不同,因此第1次和第4次实验的接触面和压力情况应该一样,故第4次实验接触面应该为木块与木板,压力情况应该为木块。
故答案为:(1)不是;同一直线;(2)1、3;2.4;压力相同时,接触面越粗糙,滑动摩擦力越大;(3)木块与木板;木块。
8.【解答】解:(1)将木块放在水平木板上,用弹簧测力计沿水平方向拉动,使木块做匀速直线运动,物体在水平方向上受到平衡力的作用,此时木块受到的滑动摩擦力大小等于弹簧测力计的示数;
(2)甲、乙两次实验中,压力相同,乙中接触面较粗糙,滑动摩擦力也较大,可知,滑动摩擦力的大小与接触面的粗糙程度有关;研究滑动摩擦力的大小与压力大小有关,要控制接触面粗糙程度相同,甲、丙两次实验中接触面的粗糙程度相同,压力不同,故分析甲、丙两次实验可知,滑动摩擦力的大小与压力大小有关;
(3)研究滑动摩擦力的大小跟接触面面积的关系时,要控制压力大小和接触面粗糙程度相同;将木块沿竖直方向切成两部分继续进行实验,虽然接触面的面积改变了,但压力大小也改变了,将测得的数据记录在表格中,由表中数据验证了自己的猜想,这种做法是错误的,理由是没有控制压力的大小相同。
故答案为:(1)匀速;二力平衡;(2)甲乙;压力大小;(3)错误;没有控制压力大小相等。
9.【解答】解:(1)当用弹簧测力计沿水平方向拉动木块,使其在长木板上做匀速直线运动时,木块处于平衡状态,根据二力平衡知识,此时摩擦力的大小等于弹簧测力计的示数;
(2)由图可知,用弹簧测力计水平向右匀速拉动木块,弹簧测力计的分度值为0.2N,其示数大小为3.4N,木块受到的滑动摩擦力大小为3.4N,摩擦力方向水平向左;
(3)由图丙可知,①和②两实验接触面的粗糙程度不同,压力不同,由于没有控制接触面粗糙程度相同,无法探究摩擦力与压力之间的关系;
(4)由图可知,木块在0~tl和t1~t2内运动的路程和时间均成正比,说明木块在0~tl和t1~t2内均做匀速直线运动,同一木块在粗糙程度相同的水平面上运动,压力不变,接触面的粗糙程度相同,所以木块受到的滑动摩擦力相同,木块做匀速直线运动,拉力等于滑动摩擦力,所以拉力也相等,即F1=F2。
故答案为:(1)水平;匀速直线;(2)3.4;水平向左;(3)没有控制接触面粗糙程度相同;(4)=。
10.【解答】解:(1)放学时,值班教师用13N的力可将标志牌竖直向上匀速拔出,标志牌在竖直方向上受到的竖直向下的摩擦力和重力、竖直向上的拉力的作用,三个力平衡,大小相等,所以摩擦力的大小为13N﹣4N=9N,方向是竖直向下的;
(2)猜想1:考虑到“雨天木质标志牌杆受潮膨胀”,则铁夹张开幅度越大,夹得越紧,即压力越大,则标志牌杆拔出铁夹过程中,受到铁夹的摩擦力变大;
考虑到“雨天木质标志牌杆表面湿润”,在压力不变时,接触面的粗糙程度变小,导致标志牌杆拔出铁夹过程中,受到铁夹的摩擦力变小;
(3)使用定滑轮不能改变力的大小,使用动滑轮可以省力;物体的重力为4N,拔出标志牌后,测力计示数为1.6N,要小于标志牌的重力,所以采用是实验方案2;
实验时,由图可知,滑轮组有3段绳子拉着动滑轮,拔出后静止时,测力计示数为1.6N,则F'=(G'+G动),吸水后的标志牌的重力为:G'=nF'﹣G动=3×1.6N﹣0.3N=4.5N;
匀速拔出过程中,测力计示数为4.4N,不计绳重及滑轮处摩擦,则:F=(FG+G动),标志牌受到向上的拉力为:FG=nF﹣G动=3×4.4N﹣0.3N=12.9N,则受到的摩擦力为:f=FG﹣G=12.9N﹣4.5N=8.4N;
由此可知,摩擦力变小了,即猜想2起主导作用。
故答案为:竖直向下;9;铁夹张开幅度越大,压力越大,标志牌杆受到铁夹的摩擦力变大;接触面的粗糙程度变小,标志牌杆受到铁夹的摩擦力变小;2;4.5;8.4;2。
11.【解答】解:(1)只有沿水平方向拉着物体做匀速直线运动,物体在水平方向上受到平衡力的作用,拉力大小才等于摩擦力的大小,弹簧测力计的分度值是0.2N,示数是2.4N,木块与长木板之间的滑动摩擦力为2.4N;
(2)分析图1甲、乙两图知,接触面的粗糙程度相同,压力大小不同,且压力越大,弹簧测力计的示数越大,滑动摩擦力越大,故可以得出结论:接触面粗糙程度一定时,压力越大,滑动摩擦力越大;
(3)要探究摩擦力大小与接触面的粗糙程度的关系,需使压力大小和接触面积大小相同,改变接触面的粗糙程度,所以应选择图1乙图和丙图;
(4)实验过程中,木块滑动,需要克服摩擦做功,使木块的温度升高、内能增大,这是通过做功的方式改变物体的内能;
(5)利用图2装置,小球的质量相同,滚下的高度不同,高度越高到达水平面的速度越大,将木块推得越远,能探究物体的动能跟运动速度的关系。得出的结论是:质量相同时,物体运动的速度越大,动能越大;
故答案为:(1)2.4;(2)接触面粗糙程度一定时,压力越大;(3)乙、丙;(4)做功;(5)运动速度。
12.【解答】解:(1)读图可知,弹簧测力计把1N分成了5份,其分度值为0.2N,故该测力计的示数为3.4N。
(2)滑动摩擦力大小跟压力大小和接触面粗糙程度有关,保持A、B间接触面粗糙程度、接触面积大小不变,在A上增加钩码,相当于增加了压力,根据二力平衡的知识可知,木块在水平板面上做匀速直线运动,F拉=F摩,弹簧测力计示数变大,说明拉力增大,摩擦力增大,能够说明滑动摩擦力大小与压力有关。
(3)滑动摩擦力大小跟压力大小和接触面粗糙程度有关。当压力不变时,改变物体间的粗糙程度,根据二力平衡的知识可知,木块在水平板面上做匀速直线运动,F拉=F摩,弹簧测力计示数发生变化,说明滑动摩擦力大小与接触面粗糙程度有关。
(4)保持A、B间压力大小、接触面粗糙程度不变,改变A、B间的接触面积大小,重复实验,弹簧测力计示数不变,拉力大小不变,即摩擦力大小不变,说明滑动摩擦力大小与接触面积无关。
故答案为:(1)3.4;(2)压力;(3)压力;(4)接触面积。
13.【解答】解:(1)实验时,将木块1和2分别放到水平放置的长木板上,用弹簧测力计水平匀速直线拉动木块,木块受到平衡力的作用,根据二力平衡知识,这时滑动摩擦力的大小等于弹簧测力计拉力的大小;
对比实验数据表格其接触面的粗糙程度相同,压力越大,滑动摩擦力越大,滑动摩擦力大小与压力大小比值一定,所以滑动摩擦力与压力成正比;
当木块压力为2N时,滑动摩擦力为压力的0.1倍,则压力为6N时,滑动摩擦力大小为0.2N的3倍,即滑动摩擦力为0.6N;
根据表格可知,对于粗糙程度不同的接触面,滑动摩擦力与压力的比值不同。
(2)因为滑动摩擦力的大小与压力的大小和接触面的粗糙程度有关,与接触面积的大小无关,在研究滑动摩擦力大小跟接触面面积的关系时,应保持压力大小和接触面的粗糙程度不变,将木块1沿图中虚线切为两部分,将a部分放在b上,所测得的滑动摩擦力与没有切时相比将不变;
(3)用弹簧测力计两次水平拉同一木块2使它在同一水平木板上做匀速直线运动,不论其速度大小如何,都受到平衡力的作用,在水平方向上滑动摩擦力和拉力是一对平衡力,则拉力和滑动摩擦力大小相等,两次拉力大小相等,通过相同的路程,所以由W=Fs可知,两次拉力所做功的关系为:W1=W2。
故答案为:(1)水平;正;0.6;不同;(2)不变;(3)=。
14.【解答】解:(1)①操作a和b控制两接触面的粗糙程度相同,压力大小不同,是为了探究滑动摩擦力大小跟压力大小的关系;
②比较操作b和c可知,压力大小相同,接触面的粗糙程度不同,丙图弹簧测力计的示数大,滑动摩擦力大,说明铁块表面比木块表面更光滑;
(2)①将实验装置改成如图丁所示,木块相对地面处于静止状态,受到弹簧测力计的拉力与木块受到的摩擦力为一对平衡力,此时弹簧测力计的示数等于木块受到的摩擦力,所以铁块受到摩擦力的大小为f=F=1N,方向水平向左;
②如图丁所示的实验装置,拉动长木板向左运动,铁块相对水平桌面处于静止状态,铁块受到弹簧测力计的拉力与长木板施加的摩擦力为一对平衡力,大小相等,故该装置的优点是不需要长木板做匀速直线运动,且弹簧测力计静止,示数稳定,便于读数。
故答案为:(1)①压力大小;②光滑;
(2)①1;向左;②不需要长木板做匀速直线运动;弹簧测力计静止,示数稳定,便于读数。
15.【解答】解:(1)实验中,弹簧测力计必须沿水平方向拉动木块做匀速直线运动,此时根据二力平衡知识可知:滑动摩擦力的大小等于拉力的大小;
(2)研究滑动摩擦力的大小与压力大小有关,要控制接触面粗糙程度相同,故分析甲、乙两次实验可知,滑动摩擦力的大小与压力大小有关;
(3)甲、丙两次实验中,压力相同,丙中接触面较粗糙,丙图中弹簧测力计的示数比甲图中的大,滑动摩擦力也较大,可知在压力一定时,接触面越粗糙,滑动摩擦力越大;
(4)研究滑动摩擦力的大小与接触面积的关系,要控制压力大小相同,将木块沿竖直方向截去一半后,压力也变为原来的一半,没有控制对接触面的压力不变,故探究过程不正确。
故答案为:(1)匀速直线;二力平衡;(2)甲乙;(3)在压力一定时,接触面越粗糙,滑动摩擦力越大;(4)将木块沿竖直方向截去一半后,压力也变为原来的一半,没有控制对接触面的压力不变,故探究过程不正确。
16.【解答】解:(1)只有沿水平方向拉着物体做匀速直线运动,物体在水平方向上受到平衡力的作用,拉力大小才等于摩擦力的大小。为了能准确地测量滑动摩擦力的大小,应该水平拉动运动鞋,使其沿水平方向做匀速直线运动。根据二力平衡知识可知,滑动摩擦力等于拉力;
(2)弹簧测力计分度值为0.1N,示数(如图甲所示)为2.8N;
鞋子沿水平方向做匀速直线运动,根据二力平衡知识可知,滑动摩擦力等于拉力,所以滑动摩擦力等于2.8N;
(3)若实际拉动的过程中没有做到匀速运动,根据影响滑动摩擦力大小因素有两个:压力大小和接触面的粗糙程度都不变,故鞋受到的滑动摩擦力是不变的;
(4)让弹簧测力计和鞋保持静止,拉动鞋下的橡胶垫进行测量(如图乙所示),鞋处于静止状态,受到的摩擦力与测力计拉力是平衡力,这样改进的好处是不用匀速拉动橡胶垫,且弹簧测力计处于静止状态,方便读数。
故答案为:(1)二力平衡;匀速直线;(2)2.8;(3)不变;(4)不用匀速拉动橡胶垫,易操作。
17.【解答】解:(1)实验时,用弹簧测力计水平拉动木块,使它沿长木板做匀速直线运动,物体在水平方向上受到平衡力的作用,根据二力平衡知识,拉力大小才等于滑动摩擦力的大小;当停止拉动木块后,木块由于具有惯性,仍然保持原来的运动状态,继续向右运动;
(2)比较甲、乙两图可知,接触面的粗糙程度相同,压力不同,弹簧测力计示数不同,滑动摩擦力不同,压力越大,滑动摩擦力越大;
(3)比较乙、丙两图可知,压力大小、接触面的粗糙程度相同,接触面积不同,弹簧测力计示数相同,滑动摩擦力相同,得出的结论是:滑动摩擦力大小与接触面积大小无关;
(4)由图丁知,要使木块由静止开始运动,至少要用0.5N的力;当木块受到的拉力是0.4N时,木块可能静止(还没拉动),也可能做匀速直线运动。
故答案为:(1)匀速直线;二力平衡;惯性;(2)压力;(3)无关;(4)静止或匀速直线运动。
18.【解答】解:
(1)弹簧测力计显示拉力大小,弹簧测力计水平拉动木块进行匀速直线运动时,水平方向上木块受到拉力和滑动摩擦力作用,这两个力是平衡力,根据二力平衡条件,滑动摩擦力大小等于拉力大小。
(2)滑动摩擦力大小跟压力大小和接触面粗糙程度有关。
由题意可知,甲乙丁的接触面较光滑,并且丁的压力最小,故丁实验中木块受到的滑动摩擦力最小。
(3)甲、乙两次实验,接触面粗糙程度相同,压力不同,故甲、乙实验是为了探究滑动摩擦力大小与压力大小是否有关;
乙、丙两次实验,压力相同,接触面粗糙程度不同,故乙、丙为了探究滑动摩擦力大小与接触面粗糙程度是否有关。
(4)甲、丁两次实验,接触面的粗糙程度相同,压力大小不同,接触面积不同,即没有控制压力大小相等,无法探究滑动摩擦力跟接触面积的关系,故得到的结论是错误的。
(5)实验改进后,物体A相对于地面是静止的,物体A受到测力计的拉力和木板对物体A的滑动摩擦力是一对平衡力,其大小始终相等,与木板运动的速度无关,所以实验时不必控制木板做匀速直线运动,便于操作,且实验时测力计的示数稳定,便于读数。
故答案为:(1)匀速直线;二力平衡;(2)丁;(3)压力大小;接触面粗糙程度;(4)错误;没有控制压力大小相等;(5)不必控制木板做匀速直线运动,便于操作(或测力计的示数稳定,便于读数)。
19.【解答】解:(1)小睿用弹簧测力计沿水平方向拉动木块,弹簧测力计显示拉力大小,木块进行匀速直线运动,木块水平方向上受到拉力和滑动摩擦力作用,这两个力是平衡力,根据二力平衡条件得,滑动摩擦力大小等于拉力大小。
(2)甲实验弹簧测力计的示数是2.6N,根据二力平衡条件得,滑动摩擦力大小是2.6N;
乙实验弹簧测力计的示数是3.6N,根据二力平衡条件得,滑动摩擦力大小是3.6N;
甲、乙实验接触面粗糙程度相同,得到实验结论:在接触面粗糙程度一定时,压力越大,滑动摩擦力越大。
(3)将弹簧测力计的一端固定,另一端与木块相连,木块放在长木板上,弹簧测力计保持水平,拉动木板水平向左运动,木块相对于地面是静止的,木块水平方向上受到弹簧测力计的拉力和木板对木块的滑动摩擦力作用,这两个力是平衡力,滑动摩擦力跟压力大小和接触面粗糙程度有关,跟物体运动速度无关,故不需要匀速直线拉动木板,便于操作。
故答案为:(1)水平;匀速直线;二力平衡;(2)在接触面粗糙程度一定时,压力越大,滑动摩擦力越大;(3)不需要;便于操作。
20.【解答】解:(1)只有沿水平方向拉着物体做匀速直线运动,物体在水平方向上受到平衡力的作用,根据二力平衡的条件可知,摩擦力的大小等于拉力的大小,弹簧测力计的示数如图甲所示,图中测力计分度值为0.2N,示数为4.2N,即木块受到的滑动摩擦力大小为4.2N;
(2)观察三个实验,分析比较甲、乙两次可知,接触面粗糙程度相同,乙中压力大,测力计示数大,滑动摩擦力大,故可以得出滑动摩擦力大小与压力大小有关;
图甲中,若拉木块加速运动,由于影响滑动摩擦力大小因素有两个,压力大小和接触面的粗糙程度,二者都不变,所以木块所受摩擦力的大小不变;
(3)丙是为了探究摩擦力大小与接触面粗糙程度的关系,需使压力大小相同,接触面的粗糙程度不同,由于摩擦力较大,测力计量程不够,可使丙的压力与甲相同进行探究,所以可以将丙实验中木块上的砝码取下,测出滑动摩擦力,再和甲实验进行比较。
故答案为:(1)匀速直线;4.2;(2)压力大小;不变;(3)先将木块上的砝码取下,测出滑动摩擦力的大小,再与甲图实验的数据进行比较。
21.【解答】解:(1)弹簧测力计拉动木块运动,弹簧测力计显示拉力大小,当弹簧测力计在水平方向上拉动木块做匀速直线运动时,滑动摩擦力大小等于拉力大小。
弹簧测力计每一个大格代表1N,每一个小格代表0.2N,甲图弹簧测力计示数是2.2N,甲图木块受到的滑动摩擦力是2.2N,乙图弹簧测力计示数是2.6N,乙图木块受到的滑动摩擦力是2.6N,甲、乙两图的接触面粗糙程度相同,压力越大,滑动摩擦力越大,故甲乙探究滑动摩擦力大小跟压力大小的关系。
(2)当甲图中弹簧测力计示数增大到2.8N时,接触面粗糙程度不变,压力大小不变,故滑动摩擦力不变,故滑动摩擦力是2.2N。
故答案为:(1)匀速直线;压力大小;(2)2.2。
22.【解答】解:(1)实验中,应在水平方向拉着木块做匀速直线运动,物体在水平方向上受到平衡力的作用,根据二力平衡,滑动摩擦力大小等于拉力大小,即等于弹簧测力计示数;
(2)固定弹簧测力计,通过拉动长木板进行实验,木块相对于地面保持静止状态,木块在水平方向上受力平衡,受到的滑动摩擦力等于弹簧测力计的示数,弹簧测力计示数为2.0N,则滑动摩擦力为2.0N;
(3)与直接用弹簧测力计拉动木块测量摩擦力相比,拉动木板进行实验具有容易操作的优点:长木板不必进行匀速直线运动,摩擦力总等于拉力,并且弹簧测力计处于静止状态,便于读数。
故答案为:(1)二力平衡;匀速直线;(2)2.0;(3)长木板不必进行匀速直线运动,摩擦力等于弹簧测力计示数,并且弹簧测力计处于静止状态,容易读数。
23.【解答】解:(1)只有沿水平方向拉着物体做匀速直线运动,物体在水平方向上受到平衡力的作用,由二力平衡的条件,拉力大小才等于摩擦力的大小;
(2)文具盒与弹簧测力计固定不动,拉动木板运动,该实验设计的优点是:一方面,不需要木板做匀速直线运动,便于实验操作,另一方面,由于测力计静止便于读数;
(3)若小明仍用8N的力拉出木板时,文具盒相对于地面的位置不变,处于静止状态,受到水平向右的拉力和水平向左的摩擦力,它们是一对平衡力,大小相等,所以当弹簧测力计的示数为3N时文具盒与本板之间的摩擦力也为3N。
故答案为:(1)二力平衡;(2)一方面,不需要木板做匀速直线运动,便于实验操作,另一方面,由于测力计静止便于读数;(3)3。
24.【解答】解:(1)本实验中摩擦力的测量是间接测量的,必须在水平方向上匀速沿直线拉动木块才能测出摩擦力的原因是二力平衡;
(2)滑动摩擦力与压力和接触面的粗糙程度有关,甲、乙两图接触面的粗糙程度相同,压力大小不同,是探究滑动摩擦力大小与压力大小的关系;
比较两图知可以初步得出的结论是:在接触面粗糙程度相同时,压力越大,滑动摩擦力越大。
A.鞋底的槽纹是增大接触面的粗糙程度来增大摩擦,故A不符合题意;
B.机器转轴处加润滑油是通过使接触面分开,来减小摩擦力的,故B不符合题意。
C.体操运动员在手上涂镁粉是增大接触面的粗糙程度来增大摩擦,故C不符合题意;
D.自行车刹车时用力捏闸是利用改变压力大小来改变摩擦力大小的,故D符合题意;
故选:D。
故答案为:(1)匀速直线;(2)压力大小;D。
25.【解答】解:(1)根据二力平衡的原理,只有物体做匀速直线运动时,拉力才与滑动摩擦力大小相等;
(2)滑动摩擦力的大小与压力的大小、接触面的粗糙程度同时有关,在研究滑动摩擦力与压力的关系时需要控制接触面的粗糙程度相同,改变压力,在研究滑动摩擦力与接触面粗糙程度的关系时需要控制压力大小相同,用到了控制变量法;
(3)比较甲、乙两次实验可知,压力和接触面的粗糙程度相同,接触面积不同,弹簧测力计的示数相同,说明滑动摩擦力大小与接触面积的大小无关;
要得出“在接触面粗糙程度相同的情况下,压力越小,滑动摩擦力越小”,需要控制接触面的粗糙程度相同,改变压力,比较甲、丙两次实验即可;
(4)拔河比赛时队员要穿鞋底带有花纹的运动鞋参赛,是通过增大接触面的粗糙程度来增加摩擦力的,是应用了甲、丁两次实验得到的结论的。
故答案为:(1)匀速直线;(2)控制变量;(3)无关;甲、丙;(4)甲、丁。
26.【解答】解:(1)用弹簧测力计匀速拉动木块时,木块做匀速直线运动受到的力是平衡力,根据二力平衡的知识,此时摩擦力的大小等于弹簧测力计对木块拉力的大小;
(2)甲、丙两图中,压力的大小不同,接触面的粗糙程度相同,是为了研究滑动摩擦力大小与压力大小的关系,实验中采用的研究方法是控制变量法;
(3)根据甲、乙两图可知,压力相同,接触面越粗糙,弹簧测力计示数越大,滑动摩擦力越大,可得结论是:在压力相同时,接触面越粗糙,滑动摩擦力越大;
(4)将甲图测量摩擦力大小装置改为丁图装置,此装置中,物块静止不动,在水平方向上受力平衡,滑动摩擦力等于弹簧测力计的拉力,实验中不需要控制传送带匀速运动,且弹簧测力计是静止的,读数更方便。
故答案为:(1)二力平衡;(2)压力大小;控制变量法;(3)在压力相同时,接触面越粗糙,滑动摩擦力越大;(4)不需要控制传送带匀速运动。
27.【解答】解:
(1)使用定滑轮的作用是可以改变力的方向,但不能改变力的大小;
(2)实验中用弹簧测力计拉着木块在水平木板上做匀速直线运动,此时拉力与摩擦力平衡,根据二力平衡条件可知,木块所受摩擦力的大小等于木块所受的拉力;
(3)拉着木块匀速运动,木块与木板间的滑动摩擦力的大小等于弹簧测力计的示数,弹簧测力计的分度值为0.1N,测力计示数为2.7N,故木块与木板间的滑动摩擦力的大小是2.7N;
(4)多次改变砝码的质量,就是改变压力的大小,在接触面粗糙程度相同时,压力越大,滑动摩擦力越大。
故答案为:(1)大小;(2)平衡力;(3)2.7;(4)越大。
28.【解答】解:(1)①通过表中2、5、8三次实验,接触面的粗糙程度不相同而物体间的压力相同,可以探究滑动摩擦力大小与接触面的粗糙程度的关系;
(2)用弹簧测力计水平拉着木块匀速滑动,木块处于平衡状态,弹簧测力计对木块的拉力与木块受到的滑动摩擦力是一对平衡力,由二力平衡条件可知,滑动摩擦力等于拉力;
(3)用弹簧测力计沿水平方向拉木块,当弹簧测力计示数是0.6N时,木块静止处于平衡状态,受到的摩擦力和拉力是一对平衡力,所以此时木块受到的摩擦力等于0.6N。
故答案为:(1)接触面的粗糙程度;(2)二力平衡;(3)等于。
29.【解答】解:(1)只有沿水平方向拉着物体做匀速直线运动,物体在水平方向上受到平衡力的作用,拉力大小才等于摩擦力的大小,实验时,用弹簧测力计水平拉动木块,使它沿长木板做匀速直线运动,根据二力平衡知识,从而测出木块与长木板之间的滑动摩擦力;弹簧测力计的分度值为0.2N,滑动摩擦力大小等于弹簧测力计的示数,即1.8N;
(2)研究滑动摩擦力的大小与压力的关系,要控制接触面的粗糙程度相同,只改变压力的大小,故应比较甲、乙两图;研究滑动摩擦力的大小与接触面粗糙程度的关系,要控制压力不变,改变接触面的粗糙程度,故应比较甲、丙,比较图中弹簧测力计示数的大小,进一步得到结论:接触面所受的压力越大,接触面越粗糙,滑动摩擦力越大;
(3)探究摩擦力跟接触面积的关系时,将木块切去一半,则木块对桌面的压力也变为一半,只控制接触面粗糙程度不变,没有控制压力大小不变,实验结论是不可靠的,故B正确。
故答案为:(1)二力平衡;1.8;(2)甲、乙;甲、丙;大;粗糙;(3)B。
30.【解答】解:(1)弹簧测力计拉动木块运动时,弹簧测力计显示拉力大小,当弹簧测力计水平拉动木块做匀速直线运动时,木块水平方向上受到滑动摩擦力和弹簧测力计的拉力,这两个力是平衡力,大小相等,所以滑动摩擦力大小等于弹簧测力计示数。
滑动摩擦力大小跟压力大小和接触面粗糙程度有关,这个两个因素不变,故木块A受到的滑动摩擦力将不变。
(2)滑动摩擦力大小跟压力大小和接触面粗糙程度有关,探究滑动摩擦力大小跟接触面粗糙程度的关系时,控制压力不变,选择实验甲和丙。
(3)如图丙,木块A受到的滑动摩擦力是1.5N,在丙图中物块A上叠放一块与A相同的物块B,用弹簧测力计拉着物块A,使物块B随A一起匀速直线运动,接触面粗糙程度不变,压力变为原来的2倍,滑动摩擦力变为原来的二倍,故此时滑动摩擦力是3N,即F4=3N。
B物块随A一起匀速直线运动,B物块相对A物块来讲,没有发生相对运动,也没有相对运动趋势,故B不受摩擦力作用,故物块B受到的摩擦力为0N。
故答案为:(1)等于;不变;(2)甲和丙;(3)3;0
31.【解答】解:(1)弹簧测力计拉动木块时,弹簧测力计显示拉力大小,木块水平方向上受到水平向左的滑动摩擦力和水平向右的拉力,木块进行匀速直线运动时,这两个力是一对平衡力,大小相等,所以其目的是使滑动摩擦力等于弹簧测力计示数;
(2)甲、乙两图接触面粗糙程度相同,压力不同、弹簧测力计的示数不同,滑动摩擦力大小不相同,可探究滑动摩擦力大小跟压力大小的关系。在甲实验中,由弹簧测力计的示数可知滑动摩擦力为1.5N,若拉力增大为2N,根据滑动摩擦力与压力大小和接触面粗糙程度有关,则木块所受到的摩擦力还是1.5N,小于2N;
(3)比较乙、丙两图中的测力计示数,压力相同,接触面粗糙程度不同,丙表面粗糙程度较大,丙弹簧测力计的示数大于乙实验中弹簧测力计的示数,所以丙的滑动摩擦力更大,由此可以得出结论:压力一定时,接触面越粗糙,滑动摩擦力越大。利用此结论,如果要在拔河比赛中获胜应选用鞋底有较深花纹的A鞋;
(4)观察实验,比较甲图和丁图所示实验可知,作用在物体表面的压力不同,接触面的面积不同,摩擦力不同,这个结论是错误的,没有控制压力大小相同。
故答案为:(1)水平;等于;(2)压力的大小;小于;(3)压力一定时,接触面越粗糙,滑动摩擦力越大;A;(4)错误;没有控制压力大小相同。
32.【解答】解:(1)实验中应该用弹簧测力计拉着木块在水平接触面上做匀速直线运动,物体在水平方向上受到平衡力的作用,根据二力平衡知识可知,木块所受摩擦力大小等于弹簧测力计的示数;
(2)如果想探究滑动摩擦力大小与接触面粗糙程度的关系,要控制压力大小相同,应选择乙、丙两图进行实验,比较两图可得出的结论是:压力相同时,接触越粗糙,滑动摩擦力越大;
(3)研究滑动摩擦力大小可能与接触面积大小有关,要控制压力和接触面粗糙程度相同,他将甲图中木块切去一半(如图丁所示),则压力变小,故他探究过程中存在的问题是:没有控制压力大小相等;为控制压力相同,改进方法是将切除的一半叠放在剩余的一半之上。
故答案为:
(1)匀速直线;二力平衡;
(2)乙、丙;压力相同时,接触面越粗糙,滑动摩擦力越大;
(3)没有控制压力大小相等;将切除的一半叠放在剩余一半之上。
相关试卷
这是一份2023年北京初三一模物理分类汇编:学生实验:探究—摩擦力的大小与什么有关,共5页。试卷主要包含了单选题,实验题等内容,欢迎下载使用。
这是一份【备考2022】2021中考物理真题分类汇编-机械能-探究影响动能、势能大小因素的实验(含答案9题),共7页。试卷主要包含了是皮球从较高处下落形成的,请完成与下列实验有关的填空等内容,欢迎下载使用。
这是一份【备考2022】2021中考物理真题分类汇编-力和机械-增大或减小摩擦力的方法知识点(含答案),共15页。

