


2022年中考二轮物理复习专题训练多档位电热器综合计算
展开
这是一份2022年中考二轮物理复习专题训练多档位电热器综合计算,共6页。试卷主要包含了如图甲是某款电热水龙头等内容,欢迎下载使用。
1.下图是电饭锅工作原理的简化电路图,电饭锅有两挡,分别是高温烧煮和低温焖饭,S1为挡位自动控制开关.和为电热丝,的阻值为1210Ω,该电饭锅铭牌技术参数如下表所示(低温焖饭挡额定功率模糊不清),求:
(1)电饭锅高温烧煮0.5h消耗的电能;
电饭锅低温焖饭时的额定功率;
(3)电阻丝的阻值.
2.图甲为某款新型电饭煲,额定电压为220V,它采用了“聪明火”技术,智能化地控制不同时间段的烹饪温度,以得到食物最佳的营养和口感。图乙为其电路原理图,R1和R2为电阻不变的电热丝,S1是自动控制开关.将电饭煲接入220V电路中,在电饭煲工作的30min内,它消耗的电功率随时间变化的图像如图丙所示.求:
(1)0~30min,电饭煲产生的总热量;
(2)S和S1均闭合,电路中的总电流;
(3)在不同电压下,电饭煲从开始工作到S1第一次自动断开产生的热量相同.用电高峰期,当实际电压为198V时,使用该电饭煲,从开始工作到S1第一次自动断开需要多长时间.
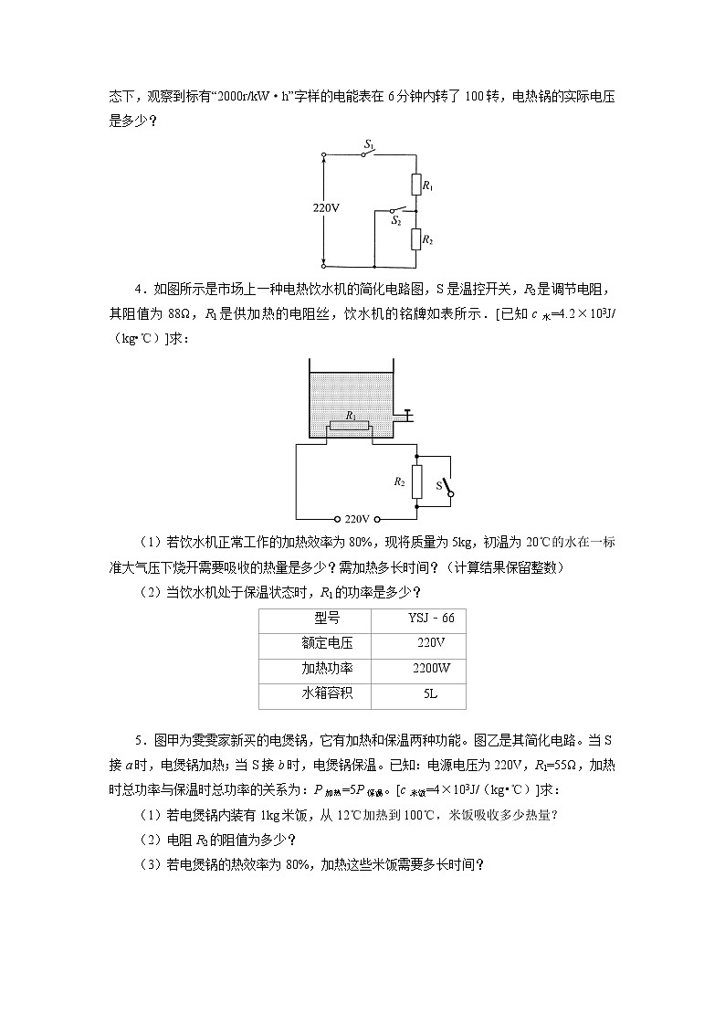
3.随着电器化时代的到来,家用电器已广泛应用到我们的生活中。某家庭煲汤用电热锅简化电路如图所示,电热锅额定电压为220V,R1、R2均为发热电阻,其阻值分别为80Ω、404Ω。接通电源,闭合开关S1、S2,电热锅处于“大火”加热状态;当锅内温度达到100℃时,开关S2自动断开,开关Sl仍闭合,电热锅处于“小火”炖煮状态。
(1)电热锅在额定电压下,处于“大火”加热状态时,电路中的电流多大?
(2)电热锅在额定电压下,处于“大火”加热状态15分钟,消耗的电能是多少焦耳?
(3)电热锅在额定电压下,处于“小火”炖煮状态时,电功率多大?
(4)为测量电热锅的实际电压,将家中其它用电器全部关闭,电热锅在“大火”加热状态下,观察到标有“2000r/kW·h”字样的电能表在6分钟内转了100转,电热锅的实际电压是多少?
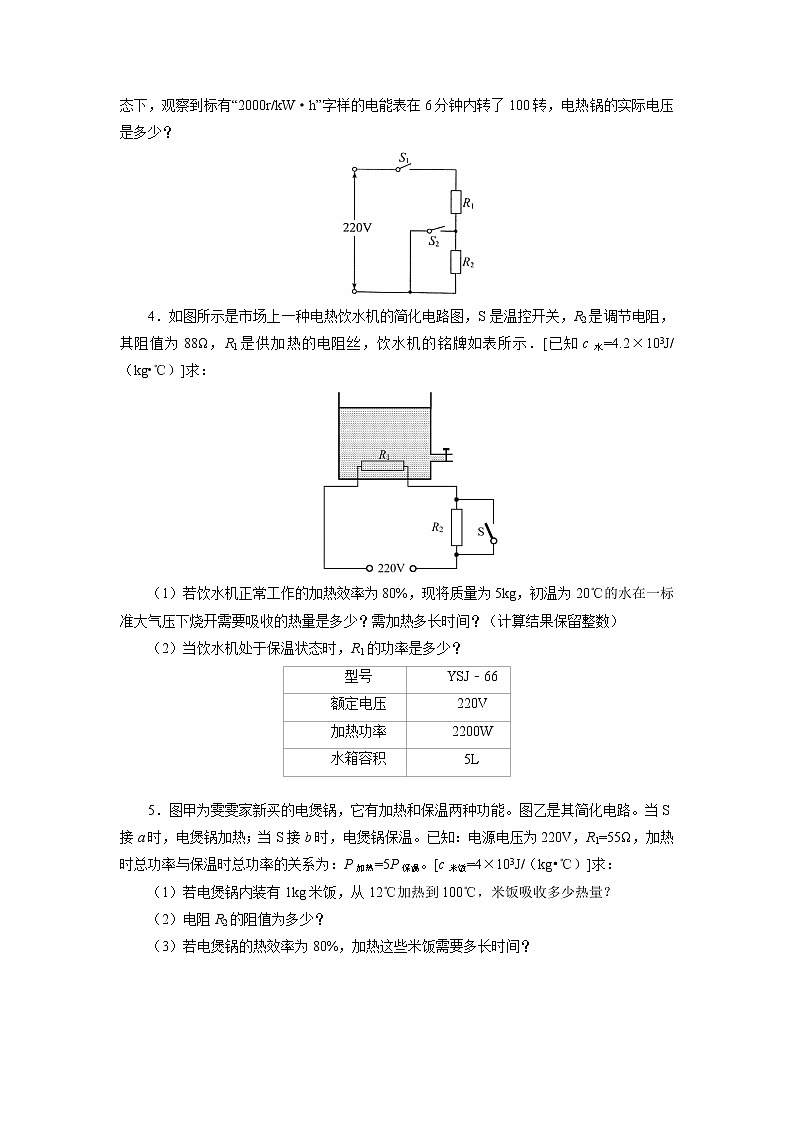
4.如图所示是市场上一种电热饮水机的简化电路图,S是温控开关,R2是调节电阻,其阻值为88Ω,R1是供加热的电阻丝,饮水机的铭牌如表所示.[已知c水=4.2×103J/(kg•℃)]求:
(1)若饮水机正常工作的加热效率为80%,现将质量为5kg,初温为20℃的水在一标准大气压下烧开需要吸收的热量是多少?需加热多长时间?(计算结果保留整数)
(2)当饮水机处于保温状态时,R1的功率是多少?
5.图甲为雯雯家新买的电煲锅,它有加热和保温两种功能。图乙是其简化电路。当S接a时,电煲锅加热;当S接b时,电煲锅保温。已知:电源电压为220V,R1=55Ω,加热时总功率与保温时总功率的关系为:P加热=5P保温。[c米饭=4×103J/(kg•℃)]求:
(1)若电煲锅内装有1kg米饭,从12℃加热到100℃,米饭吸收多少热量?
(2)电阻R2的阻值为多少?
(3)若电煲锅的热效率为80%,加热这些米饭需要多长时间?
6.如上图所示为某电烤箱的铭牌,下图虚线内所示是电烤箱内部的简化电路图。R1和R2均为电热丝,电烤箱开关接1时是低温挡,接2时是高温挡。求:
(1)电路中R1和R2的阻值。
(2)如果实际电压只有200V,则电烤箱在高温挡工作10分钟所消耗的电能是多少。(最后结果保留整数)
7.小亮家新装了一台智能电热马桶盖,如图甲所示,他查阅使用说明书发现便座加热电路有高、中、低三挡并可手动调节,其额定电压为220V,低温挡,中温挡的额定功率分别为22W和44W。利用所学知识他设计了一个等效电路图,如图乙所示,用两定值电阻R1和R2表示两电热丝,单刀双掷开关S2可接a或b。当它接入家庭电路中正常工作时:
(1)低温挡加热的电流多大?
(2)中温挡加热5h,消耗多少度电?
(3)高温挡加热的额定功率是多少瓦?
8.某款家用蒸汽挂烫机(图甲)的工作电路原理如图乙所示,R1、R2为阻值相同的发热电阻,1、2、3、4为触点,S2为旋转开关,实现关、低档、高档的转换,其高档时的额定功率为1000W.使用时,水箱中一部分水通过进水阀门进入电热杯受热至沸腾,产生的水蒸气通过蒸汽软管从蒸汽喷头喷出,从而熨烫衣服.请解答:
(1)用来制作蒸汽软管的材料应具有什么样的物理特点或性质?请写出一点:____________________.
(2)发热电阻R1的阻值.
(3)将电热杯内0.2kg、20℃的水加热到100℃需要的最短时间是多少?[设无热损失,
c水=4.2×103J/(kg•℃)]
9.在厨房里安装如图甲所示俗称“小厨宝”的电热水龙头,使用起来非常方便,旋转手柄S可处于冷水挡a、温水挡b或热水挡c,它的简要工作电路如图乙所示,虚线方框内有“小厨宝”的两个发热电阻(未画出),温水挡的发热电阻R1=44Ω,电源电压为220V.
(1)当S旋到b挡位时,求通电10秒电流产生的热量.
(2)当S旋c挡位时,水龙头的电功率为2000W,求此时发热电阻的总阻值.
(3)请你在虚线方框内画出发热电阻的电路,并连接到相应的挡位和“e”点.
10.如图甲是某款电热水龙头。即开即热、冷热兼用。图乙是它的原理电路图R1、R2为电热丝。通过旋转手柄带动开关S接通对应的电路,从而实现冷水、温水、热水之间切换。有关参数如表。不考虑温度对电阻丝值的影响,请回答下列问题:
(1)开关与1、2接触时,水龙头放出的水是____(填“温”、“热”)水,此时电路中的电流多大?
(2)水龙头放热水时,正常工作50s,消耗的电能是多少?
(3)R2的电阻值多大?
11.如图所示是某型号电压力锅工作电路简图,下表是其部分参数。接通电路后,开关S自动与触点a、b接通,1挡加热器开始加热。当锅内混合物质温度达到102℃时,开关S自动与a、b断开,并与触点c接通,2挡加热器工作,此时锅内混合物质温度不变,保持锅内压强不变,进入保压状态。现将质量为2.0kg,初温为36℃的混合物质放入压力锅中,接通电路使其正常工作20min。假设加热器产生的热量全部被混合物质吸收,混合物质的比热容(为)c=4.0×103J/(kg·℃)。求:
(1)R1、R2的阻值。
(2)电压力锅加热多少秒后开始保压?
(3)电压力锅最后2min内消耗的电能。
12.如图所示,某家用电器具有加热、保温的功能。用电器发热电阻R的额定电压为220V,额定功率为605W。加热时,按下温控开关S与a、b接触,此时红色指示灯亮;当达到一定温度时,温控开关S自动跳接到c,使用电器处于保温状态,此时绿色指示灯亮。红灯标有“6V 1.5W”、绿灯标有“12V 3W”的字样,用电器工作时两灯均正常发光(虚线框内为用电器的加热和保温装置)。请根据以上信息解答下列问题:
(1)电阻R1的作用。
(2)当用电器处于加热状态时,加热装置1min消耗的电能。
(3)该用电器在保温状态时保温装置的发热功率和电阻R2的阻值。
参考答案
1.(1)1.512×106J (2)40W (3)60.5Ω
2.(1)9.9×105J(2)3A(3)740.7s
3.(1)2.75A(2)5.445×105J (3)100W(4)200V
4.(1)需要吸收的热量是1.68×106J 需加热955s时间
(2)当饮水机处于保温状态时,R1的功率是88W
5.(1)3.52×105J(2)220Ω(3)500s
6.(1)44Ω 66Ω(2)545454J
7.(1)0.1A(2)0.22度(3)88W
8.(1)不容易传热(熔点较高或耐高温;质量较小;比热容较小;密度较小;柔软性好)(2)96.8Ω(3)67.2s
9.(1)1.1×104(2)24.2Ω(3)如下图所示
10.(1)温 10A(2)1.65×105J (3)44Ω
11.(1)R1、R2的阻值依次为110Ω、440Ω
(2)电压力锅加热16min后开始保压
(3)电压力锅最后2min内消耗的电能为1.32×104J.
12.(1)R1起分压(或限流)的作用,以保证红灯正常发光(2)3.63×104J
(3)52W 752Ω
某品牌电饭锅
额定电压
220V
额定
功率
高温烧煮
840W
低温焖饭
电源频率
50Hz
型号
YSJ﹣66
额定电压
220V
加热功率
2200W
水箱容积
5L
××牌电烤箱
额定电压
220V
额定功率
高温挡
1100W
低温挡
440W
频率
50Hz
产品名称
即热式热水龙头
应用场所
厨房、卫生间
额定功率
温水 2200W
热水 3300W
额定电压
220V
额定频率
50Hz
防触电类型
Ⅰ类(最高等级)
额定电压/V
220
1挡加热器额定功率/W
550
2挡加热器额定功率/W
110
保压温度/℃
102
最大容积/dm3
3
相关试卷
这是一份2023年中考物理二轮复习专题训练11 多档位电热的计算,共28页。试卷主要包含了计算题等内容,欢迎下载使用。
这是一份备战2023新中考二轮物理专题导练 专题33 电热器及其档位问题,文件包含备战2023物理新中考二轮专题导练专题33电热器及其档位问题解析版docx、备战2023物理新中考二轮专题导练专题33电热器及其档位问题原卷版docx等2份试卷配套教学资源,其中试卷共29页, 欢迎下载使用。
这是一份中考物理专题训练【多档位电热的计算】试卷(无答案),共16页。试卷主要包含了填空题,计算题,综合题等内容,欢迎下载使用。