


所属成套资源:2022届高考化学一轮复习全套考点精练之知识点含答案
2022届高考化学一轮复习考点精练之知识点23物质的制备检验分离与提纯含答案
展开
这是一份2022届高考化学一轮复习考点精练之知识点23物质的制备检验分离与提纯含答案,共12页。试卷主要包含了下列除去杂质的实验方法正确的是,除去下列物质中所含的少量杂质等内容,欢迎下载使用。
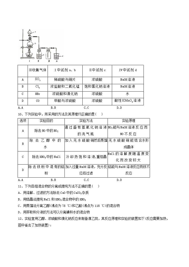
物质的制备、检验、分离与提纯1、下列除去杂质的实验方法正确的是( )A. 除去N2中混有的少量O2,通过灼热的Cu网后收集气体B. 乙烯中混有S02 通过足量的高锰酸钾溶液洗气,以得到纯净的乙烯C. 除去乙醇中的水分,加入足量金属钠,蒸馏D. 除去CuCl2溶液中的少量FeCl2,加入适量CuO溶液过滤2、按以下实验方案可以从海洋动物柄海鞘中提取具有抗肿瘤活性的天然产物。下列说法错误的是( )A.步骤(1)需要过滤装置 B.步骤(2)需要用到分液漏斗C.步骤(3)需要用到坩埚 D.步骤(4)需要蒸馏装置3、是一种重要的金属蚀刻试剂,固体易潮解易升华(熔点306 ℃,沸点315 ℃),如图是实验室制取少量固体的装置图(夹持装置略):下列有关说法错误的是( )A.A装置内制氯气的反应氧化剂与还原剂物质的量之比为1:5B.试剂X和试剂Y分別为浓硫酸、饱和食盐水C.反应器D和收集器E的设计可以防堵塞D.F装置的目的不是干燥氯气,而是防止G中水蒸气逆流进入E使潮解4、根据下列实验操作和现象得出的结论正确的是( )选项实验操作现象结论A将某溶液与稀盐酸反应产生的气体通入澄清石灰水石灰水变浑浊该溶液中一定含有B常温下,将铁片浸入足量浓硫酸中铁片不溶解常温下,铁与浓硫酸一定没有发生化学反应C向某食盐溶液中滴加淀粉溶液溶液颜色不变该食盐中一定没有添加D向苯酚钠溶液中滴加乙酸溶液溶液变浑浊相同条件下,乙酸的酸性一定比苯酚强A.A B.B C.C D.D5、除去下列物质中所含的少量杂质(括号内为杂质),所选用的试剂和分离方法能达到实验目的的是( )选项混合物试剂分离方法A甲烷(乙烯)溶液洗气B乙醇(乙酸)饱和碳酸钠溶液分液C苯(苯酚)溴水过滤D乙炔(H2S)溶液洗气A.A B.B C.C D.D6、过滤后的食盐水仍含有可溶性的CaCl2、MgCl2、Na2SO4等杂质,通过如下几个实验步骤,可制得纯净的食盐水:① 加入稍过量的Na2CO3溶液;② 加入稍过量的NaOH溶液;③ 加入稍过量的BaCl2溶液;④ 滴入稀盐酸至无气泡产生;⑤ 过滤.正确的操作顺序是( )A.②③①④⑤ B.①②③⑤④ C.③②①⑤④ D.③⑤②①④7、取1 mL 0.1 溶液进行如下实验(实验中所用试剂浓度均为0.1 ):下列说法不正确的是( )A.实验①白色沉淀是难溶的AgCl B.由实验②说明AgI比AgCl更难溶C.若按①③顺序实验,看不到黑色沉淀 D.若按②①顺序实验,看不到白色沉淀8、为除去括号内的杂质,所选用的试剂和方法正确的是( )A.——通入氧气中,点燃B.(HCI)——通入足量饱和食盐水中,再干燥C.溶液()——加入过量铜粉,再过滤D.溶液()——加入适量氯化钙溶液,再过滤9、用如图装置制取并收集气体,对应的装置和试剂均正确的是( ) Ⅲ收集气体I中试剂a、bⅡ中试剂cIV中试剂dA稀硫酸与铜片浓硫酸NaOH溶液B浓盐酸和二氧化锰饱和氯化钠溶液NaOH溶液CHBr浓硫酸和溴化钠浓硫酸水DCO甲酸与浓硫酸浓硫酸酸性溶液A.A B.B C.C D.D10、下列实验中,所采用的方法及其原理均正确的是( )选项实验目的实验方法实验原理A除去NO中的NO2通过盛有氢氧化钠溶液的洗气瓶NO2能与NaOH溶液反应而NO不反应B除去乙醇中的水加入无水硫酸铜然后蒸馏无水硫酸铜能结合水形成晶体C除去KNO3中的NaCl冷却热饱和溶液,重结晶NaCl的溶解度随温度变化而改变较大D除去铁粉中混有的铝粉加入过量NaOH溶液,充分反应后过滤铝能与NaOH溶液反应而铁不反应A.A B.B C.C D.D11、下列各组混合物的分离或提纯方法不正确的是( )A.用溶解、过滤的方法除去CaO中的CaCO3杂质B.用结晶法提纯NaCl和KNO3混合物中的KNO3C.用蒸馏法分离乙醇(沸点为78 ℃)和乙酸(沸点为118 ℃)的混合物D.用萃取和分液的方法可以分离碘和水的混合物12、实验室用乙醇、浓硫酸和溴化钠反应来制备溴乙烷,其反应原理和实验的装置如下(反应需要加热,图中省去了加热装置):
。有关数据见下表: 乙醇溴乙烷溴状态无色液体无色液体深红色液体密度/()0.791.443.1沸点/℃78.538.459(1)A装置的名称是______________。(2)实验中用滴液漏斗代替分液漏斗的优点为_______________________。(3)给A加热温度过高或浓硫酸的浓度过大,均会使C中收集到的粗产品呈橙色,原因是A中发生了副反应,写出此反应的化学方程式________________________。(4)给A加热的目的是______________,F接橡皮管导入稀NaOH溶液,其目的主要是_______________。(5)图中C中的导管E的末端须在水面以下,其目的是______________________。(6)粗产品洗涤、分液后,再经过蒸馏水洗涤、分液,然后加入少量的无水硫酸镁固体,静置片刻后过滤,再将所得滤液进行蒸馏,收集到的馏分约10.0 g。从乙醇的角度考虑,本实验所得溴乙烷的产率是_________。13、无水可用作催化剂。实验室采用镁屑与液溴为原料制备无水,装置如图1主要步骤如下:步骤1 三颈瓶中装入10 g镁屑和150 mL无水乙醚;装置B中加入15 mL液溴。步骤2 缓慢通入干燥的氮气,直至溴完全导入三颈瓶中。步骤3 反应完毕后恢复至常温,过滤,滤液转移至另一干燥的烧瓶中,冷却至0 ℃,析出晶体,再过滤得三乙醚合溴化镁粗品。步骤4 室温下用苯溶解粗品,冷却至0 ℃,析出晶体,过滤,洗涤得三乙醚合溴化镁,加热至160 ℃分解得无水产品。已知: ①Mg与反应剧烈放热;具有强吸水性②请回答: (1)仪器A的名称是______________,实验中不能用干燥空气代替干燥,原因是_______________。(2)如将装置B改为装置C(图2),可能会导致的后果是____________。(3)步骤3中,第一次过滤除去的物质是____________。(4)有关步骤4的说法,正确的是_____________。A.可用95%的乙醇代替苯溶解粗品 B.洗涤晶体可选用0 ℃ 的苯C.加热至160 ℃ 的主要目的是除去苯 D.该步骤的目的是除去乙醚和可能残留的溴(5)为测定产品的纯度,可用EDTA(简写)标准溶液滴定,反应的离子方程式:①滴定前润洗漓定管的操作方法是__________。②测定时,先称取0.250 0 g无水产品,溶解后,用0.050 0 的EDTA标准溶液滴定至终点,消耗EDTA标准溶液26.50 mL,则测得无水产品的纯度是____________(以质量分数表示)。14、叠氮化钠(NaN3)固体易溶于水,微溶于乙醇,不溶于乙醚,是汽车安全气囊中的主要成分,能在发生碰撞的瞬间分解产生大量气体使气囊鼓起。已知:①NaNH2+N2ONaN3+H2O;②NaNH2能与水反应生成NaOH和NH3。实验室利用如下装置模拟工业级NaN3的制备。请回答下列问题:实验Ⅰ:制备NaN3(1)装置C中盛放的药品为______________。(2)为了使反应均匀受热,装置D处b容器应采取的加热方式为____________。(3)实验开始时首先应加热通氨气,其目的是______________。(4)氨气与熔化的钠反应生成NaNH2的化学方程式为___________________。实验Ⅱ:分离提纯反应完全结束后,取出装置D中的混合物进行以下操作,得到NaN3固体。(5)操作iv采用乙醚洗涤的原因是______________(答一项即可)。实验Ⅲ:定量测定实验室用滴定法测定叠氮化钠样品中NaN3的质量分数:①将2.500 g试样配成500 mL溶液②取50.00 mL溶液置于锥形瓶中,加入50.00 mL 0.101 0 mol•L-1(NH4)2Ce(NO3)6溶液。③充分反应后,将溶液稍稀释,向溶液中加入8.00 mL浓硫酸,滴入3滴邻菲啰啉指示液,用0.050 0 mol•L-1(NH4)2Fe(SO4)2标准溶液滴定过量的Ce4+,消耗溶液体积为29.00 mL。测定过程中反应的化学方程式为2(NH4)2Ce(NO3)6+2NaN3=4NH4NO3+2Ce(NO3)3+2NaNO3+3N2↑、Ce4++Fe2+=Ce3++Fe3+。(6)配制叠氮化钠溶液时,除需用到烧杯、玻璃棒、量筒外,还用到的玻璃仪器有_____________。(7)若其他读数均正确,滴定到终点后,读取滴定管中的(NH4)2Fe(SO4)2标准溶液体积时俯视,将导致所测定的样品中叠氮化钠质量分数____________(选填“偏大”“偏小”或“不变")。(8)试样中NaN3的质量分数为______________(保留4位有效数字)。15、天津港“8·12”爆炸事故中,因爆炸冲击导致氰化钠泄漏,可以通过喷洒双氧水或硫代硫酸钠溶液来处理,以减轻环境污染。资料:氰化钠化学式为NaCN(C元素为+2价,N元素为-3价),白色结晶颗粒,剧毒,易溶于水,水溶液呈碱性,易水解生成氰化氢。Ⅰ.(1)NaCN水溶液呈碱性,其原因是 (用离子方程式解释)。(2)双氧水氧化法除NaCN:碱性条件下加入,可得到纯碱和一种无色无味的无毒气体。该反应的离子方程式为 。Ⅱ.某化学兴趣小组实验室制备硫代硫酸钠(),并检测用硫代硫酸钠溶液处理后的氰化钠废水能否达标排放。【实验一】实验室通过如图装置制备。(1)b装置的作用是 。(2)反应后c装置中的产物有和等,d装置中的溶质有NaOH、,d中还可能有 。(3)实验结束后,在e处最好连接盛 (填“NaOH溶液”“水”或“”)的注射器,再关闭打开防止拆除装置时污染空气。【实验二】测定用硫代硫酸钠溶液处理后的废水中氰化钠的含量,已知:①废水中氰化钠的最高排放标准为0.50 mg/L;②,,AgI呈黄色,且优先与反应。实验如下:取25.00 mL处理后的氰化钠废水于锥形瓶中,并滴加几滴KI溶液作指示剂,用的标准溶液滴定,消耗溶液的体积为2.50 mL。(4)滴定终点的判断方法是 。(5)处理后的废水中氰化钠的含量为 mg/L。 答案以及解析1答案及解析:答案:A
解析:A. 加热条件下,铜与氧气反应,可除去杂质,故A正确;B. 二者都与高锰酸钾溶液反应,应用氢氧化钠溶液除杂,故B错误;C. 乙醇含有羟基,可与钠反应,应加入CaO,然后用蒸馏的方法分离,故C错误;D. 氯化钙与碳酸钠反应生成NaCl,引入新杂质,应加入碳酸钾除杂,故D错误。 2答案及解析:答案:C解析:本题考査实验设计及基本操作。步骤(1)分离液体和不溶性固体,需过滤,A项正确;步骤(2)将两种互不相溶的液体分开,需分液,B项正确;步骤(3)将溶液中的溶质析出,需蒸发结晶,需要用到蒸发皿,C项错误;步骤(4)分离两种相互溶解但沸点不同的液体,需蒸馏,D项正确。 3答案及解析:答案:B解析:A中发生的反应:,氧化剂与还原剂物质的量之比为1:5,A正确;试剂X为饱和含盐水,试剂Y为浓硫酸,B错误;因为熔点306 ℃.沸点315 ℃,很容易形成固体,造成堵塞,D、E的设计可以起到防堵塞的作用,C正确;F装置是一套反向干燥装置,尾气氯气不用干燥,F装置的目的是防止G中水蒸气逆流进入E使潮解,D正确。 4答案及解析:答案:D解析:A项,能使澄清石灰水变浑浊的气体可以是或,因此该溶液中可能含有、、或,错误;B项,常温下浓硫酸使铁片钝化,浓硫酸体现强氧化性,并不是没有发生化学反应,错误;C项,淀粉遇变蓝色,而遇不变蓝色,不能用淀粉检验,错误;D项,乙酸的酸性比苯酚酸性强,苯酚钠与乙酸反应,生成苯酚和乙酸钠,因此溶液变浑浊,正确。 5答案及解析:答案:D解析:A. 乙烯能被高锰酸钾溶液氧化生成二氧化碳,除去乙烯的同时引入了二氧化碳新杂质,应选用溴水、洗气除杂,故A错误;B. 乙酸与饱和碳酸钠溶液反应乙酸钠,增大了与乙醇的沸点差异,可以用蒸馏可分离,故B错误;C. 苯酚和溴水反应生成的三溴苯酚易溶于苯中,除去苯酚的同时引入了三溴苯酚新杂质,应加入氢氧化钠溶液、分液除杂,故C错误;D. 硫化氢与硫酸铜溶液反应,而乙炔不能反应,则加硫酸铜溶液、洗气可达到除杂目的,故D正确。故选:D。 6答案及解析:答案:C解析:除去可溶性的CaCl2、MgCl2、Na2SO4等杂质,实验步骤为②加入稍过量的NaOH溶液;③加入稍过量的BaCl2溶液;①加入稍过量的Na2CO3溶液;⑤过滤;④滴入稀盐酸至无气泡产生,也可先加入氢氧化钠,再加入氯化钡溶液,顺序为③②①⑤④或②③①⑤④. 7答案及解析:答案:C解析: 8答案及解析:答案:B解析:通入,引入杂质,另外,在中少量CO不容易燃烧,应该通过足量灼热的氧化铜,A项错误;氯气在饱和食盐水中溶解度小,此法可除去氯化氢,再通过浓硫酸得到干燥氯气,B项正确;加入铜粉,引入氯化铜杂质,C项错误;加入氯化钙,引入了氯化钠杂质,应通入足量,D项错误。 9答案及解析:答案:B解析:A项,制备应该用浓硫酸与铜反应,稀硫酸与铜片不反应,错误;B项,实验室制备用浓盐酸与二氧化锰反应,饱和氯化钠溶液用来吸收HCl气体,NaOH溶液起吸收尾气的作用,正确;C项,浓硫酸具有强氧化性,会将HBr氧化为,错误;D项,甲酸为液态,不是固体,而且CO 的密度与空气接近,不能用排空气法收集,错误。 10答案及解析:答案:D解析:A项,NO不与氢氧化钠溶液反应,但NO和NO2的混合气体可以与氢氧化钠溶液反应:NO+NO2+2NaOH=2NaNO2+H2O,不能达到净化NO的目的,故错误;B项,乙醇中的少量水可以与CuSO4反应生成CuSO4·5H2O晶体,过滤即可得无水乙醇,通过蒸馏的方法分离不仅装置繁琐,晶体中的结晶水很有可能再次进入乙醇中,故错误;C项,之所以可采用冷却热饱和溶液、结晶及重结晶的方法分离KNO3中的NaCl,是因为KNO3的溶解度受温度影响变化较大,而NaCl的溶解度受温度的影响变化小,故错误;D项,Al单质可与NaOH溶液反应变为可溶性的NaAlO2,而Fe不能,故可用过量NaOH溶液将Fe粉中的杂质Al除去,故正确。 11答案及解析:答案:A解析:A. 碳酸钙不溶于水,溶解后CaO转化为氢氧化钙,不能除杂,应高温加热分解除杂,故A错误;B. NaCl和KNO3的溶解度受温度影响不同,则用结晶法提纯NaCl和KNO3混合物中的KNO3,故B正确;C. 乙醇和乙酸互溶,但沸点不同,则应选蒸馏法分离,故C正确;D. 碘不易溶于水,易溶于有机溶剂,则利用萃取、分液分离碘和水,故D正确; 12答案及解析:答案:(1)颈烧瓶(2)能使浓硫酸顺利流下(3)(4)加快反应速率;将溴乙烷蒸出 (5)吸收、HBr防止空气污染(回答出即可)使溴乙烷充分冷凝,提高产率(6)53.3%解析: 13答案及解析:答案:(1)干燥管;防止镁屑与氧气反应,生成的MgO阻碍Mg与的反应(2)会将液溴快速压入三颈瓶,反应过快大量放热而存在安全隐患(3)镁屑(4)BD(5)①从滴定管上口加入少量待装液,倾斜着转动滴定管,使液体润湿内壁,然后从下部放出,重复 2~3 次;②297.5%解析: (1)干燥空气中的能与Mg反应生成MgO覆盖在镁屑的表面而阻碍Mg与的反应。(2)若用C装置则会使三颈烧瓶中一下子加入过多的,反应过快放出大量的热而会出现安全隐患。(3)第一次过滤除去的是未反应的镁屑。(4)A项,95%的乙醇溶液中含有水,有强吸水性,所以加热最终得到的产品中含有杂质MgO,错误;B项,苯可除去可溶性杂质,且0 ℃ 可降低三乙醚合溴化镁的溶解损耗,正确;C项,加热至160 ℃ 的主要目的是使三乙醚合溴化镁分解得到无水,错误;D项,由于乙醚和溴易溶于有机物,所以可通过苯溶解再加热的方法除去,正确。(5)②由~可知,所以无水 产品的纯度为。 14答案及解析:答案:(1)碱石灰(2)油浴(3)排尽装置中的空气(4)2Na+2NH3=2NaNH2 +H2(5)NaN3不溶于乙醚,能减少其损失;可洗去NaN3固体表面的乙醇杂质;乙醚易挥发,有利于产品快速干燥(任答一项)(6)500 mL容量瓶、胶头滴管(7)偏大(8)0.9360或93.60%解析:(1)反应物Na和生成物NaNH2均能与水反应,即反应前的氨气必须干燥,故装置C的作用是干燥呈碱性的氨气,盛放的药品为碱石灰。(2)由已知D得NaNH2与N2O反应的温度是210~220 ℃,为了控制反应温度,装置D处b容器加热采取油浴。(3)由于Na的活泼性很强,很容易与氧气反应,则实验开始时首先通氨气的目的是排尽装置中的空气,防止副反应发生。(4)氨气与熔化的钠反应类似于水与钠的反应,类推可知生成物为NaNH2和H2。(5)操作iv的主要目的是洗去NaN3固体表面的乙醇杂质,采用乙醚洗涤是因为NaN3不溶于乙醚,乙醇易溶于乙醚,另外乙醚挥发性较强,有利于产品快速干燥。(6)由固体试样配制500 mL.叠氮化钠溶液时,除烧杯、玻璃棒、量筒外,还需要用到的玻璃仪器是500 mL,容量瓶、胶头滴管。(7)滴定到终点后,读取滴定管中剩余(NH4)2Fe(SO4)2标准溶液体积时俯视,导致所测标准溶液的体积偏小,与(NH4)2Fe(SO4)2反应的(NH4)2Ce(NO3)6,偏少,则用于消耗NaN3的(NH4)2Ce(NO3)6偏多,故样品中NaN3质量分数偏大。(8)由Ce4++Fe2+=Ce3++Fe3+得Ce4+~ Fe2+,第一步剩余的Ce4+的物质的量为0.050 0 mol•L-1×0.029 L=0.001 45 mol,由NaN3消耗的Ce4+的物质的量为0.05 L×0.101 0 mol•L-1-0.00145 mol=0.0036mol;根据对应方程式得(NH4)2Ce(NO3)6~ NaN3,则NaN3的物质的量为0.0036mol,故试样中NaN3的质量分数为×100%=93.60%。 15答案及解析:答案:Ⅰ.(1)(2)Ⅱ.(1)安全瓶,防止倒吸(2)(3)NaOH溶液(4)滴入最后一滴硝酸银溶液,出现黄色沉淀,且振荡后不消失(5)0.98解析:Ⅰ.(1)NaCN为强碱弱酸盐,由于的水解而使NaCN溶液呈碱性,反应的离子方程式为。(2)在碱性条件下用双氧水处理氰化钠,双氧水将氰化钠氧化为一种无色无味的无毒气体和纯碱,该气体为氮气,双氧水被还原为水,该反应的离子方程式为。Ⅱ.(1)a装置制备二氧化硫,c装置中制备,c装置中反应导致装置内气压减小,b为安全瓶,可以防止溶液倒吸。(2)d装置还可以吸收二氧化硫,反应方程式为,故d中溶质有NaOH、,还有。(3)实验结束后,装置b中还有残留的二氧化硫,为防止污染空气,应用氢氧化钠溶液吸收。(4)优先与反应生成,当反应结束时,滴入最后一滴硝酸银溶液,与生成AgI黄色沉淀,且振荡后不消失,说明反应到达滴定终点。(5)滴定消耗的的物质的量为,根据方程式,则处理后的废水中氰化钠的质量为,故废水中氰化钠的含量为。
相关试卷
这是一份高考化学一轮复习考点规范练29物质的检验分离和提纯 人教版(含答案解析),共6页。试卷主要包含了选择题,非选择题等内容,欢迎下载使用。
这是一份高考化学一轮复习第1章从实验学化学第2讲物质的分离、提纯与检验考点1物质的分离与提纯答案PDF版
这是一份高考化学一轮复习第1章从实验学化学第2讲物质的分离、提纯与检验考点1物质的分离与提纯试题PDF版