考点 24 溶液的溶质质量分数-三年(2019-2021)中考真题化学分项汇编(全国通用)·
展开
这是一份考点 24 溶液的溶质质量分数-三年(2019-2021)中考真题化学分项汇编(全国通用)·,文件包含考点24溶液的溶质质量分数解析版doc、考点24溶液的溶质质量分数学生版doc等2份试卷配套教学资源,其中试卷共126页, 欢迎下载使用。
考点 24 溶液的溶质质量分数 (解析版)
★考点归纳【有笔记归纳、易错点、容量大试题、随时可用】
归纳1 溶质质量分数的计算
归纳2 有关溶液稀释的计算
归纳3 一定溶质质量分数的氯化钠溶液的配制
归纳4 典题剖析
归纳5、 易错提醒
归纳6、2019年、2020年、2021年化学中考试题《溶液的溶质质量分数 》汇编
如:2021年全国中考《溶液的溶质质量分数 》精选60道试题(容量大、一次下载、值得拥有)
★考点归纳
归纳1 溶质质量分数的计算
1.溶质质量分数的概念:溶质质量与溶液质量之比。
2.溶质质量分数=_溶质质量/溶液质量__×100%
3.饱和溶液中溶质的质量分数=溶解度/(100 g+溶解度)×100%
归纳2 有关溶液稀释的计算
1.溶液的质量=_溶质__的质量+_溶剂__的质量=溶质的质量÷_溶质的质量分数__;溶质的质量=溶液质量×_溶质的质量分数__;溶剂的质量=_溶液__的质量-_溶质__的质量。
2.溶液稀释计算的依据是:溶液稀释前后溶质的质量_不变__,即稀释前溶液的质量×稀释前溶液的溶质质量分数=稀释后溶液的质量×稀释后溶液的溶质质量分数。
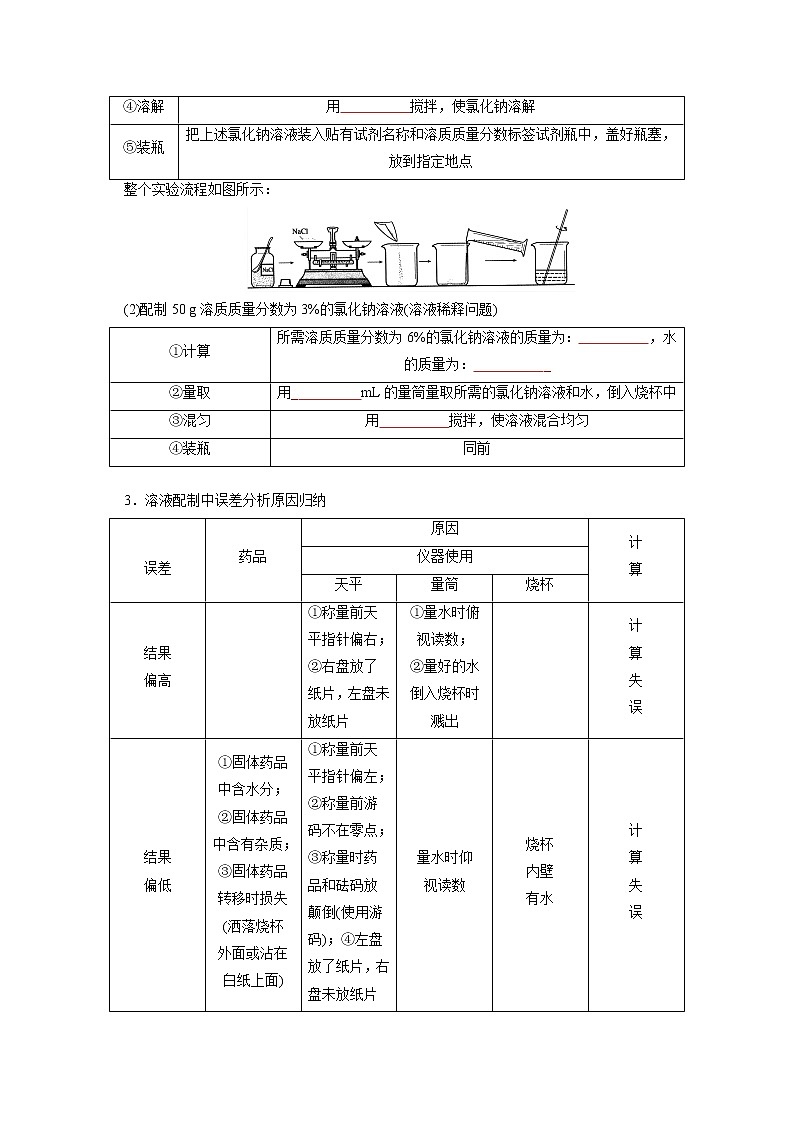
归纳3 一定溶质质量分数的氯化钠溶液的配制
1.实验仪器:托盘天平、烧杯、玻璃棒、药匙、氯化钠、量筒(10 mL、50 mL)、胶头滴管。
2.实验步骤:
(1)配制50 g溶质质量分数为6%的氯化钠溶液
①计算
所需氯化钠的质量为:_50_g×6%=3_g__,水的质量为:_50_g-3_g=47_g__
②称量
用托盘天平称量氯化钠倒入烧杯中
③量取
用_50__mL的量筒量取所需要的水,倒入盛有氯化钠的烧杯里
④溶解
用玻璃棒搅拌,使氯化钠溶解
⑤装瓶
把上述氯化钠溶液装入贴有试剂名称和溶质质量分数标签试剂瓶中,盖好瓶塞,放到指定地点
整个实验流程如图所示:
(2)配制50 g溶质质量分数为3%的氯化钠溶液(溶液稀释问题)
①计算
所需溶质质量分数为6%的氯化钠溶液的质量为:_50_g×3%÷6%=25_g__,水的质量为:_50_g-25_g=25_g__
②量取
用_50__mL的量筒量取所需的氯化钠溶液和水,倒入烧杯中
③混匀
用_玻璃棒__搅拌,使溶液混合均匀
④装瓶
同前
3.溶液配制中误差分析原因归纳
误差
药品
原因
计
算
仪器使用
天平
量筒
烧杯
结果
偏高
①称量前天
平指针偏右;
②右盘放了
纸片,左盘未放纸片
①量水时俯视读数;
②量好的水
倒入烧杯时
溅出
计
算
失
误
结果
偏低
①固体药品
中含水分;
②固体药品
中含有杂质;
③固体药品
转移时损失
(洒落烧杯
外面或沾在
白纸上面)
①称量前天
平指针偏左;
②称量前游
码不在零点;
③称量时药
品和砝码放
颠倒(使用游码);④左盘放了纸片,右盘未放纸片
量水时仰
视读数
烧杯
内壁
有水
计
算
失
误
归纳4 典题剖析
1.50g溶质质量分数为98%的浓硫酸变为20%的稀硫酸,需加水多少g?
解:设需要水的质量为X 。
50g×98%=(50g+X)×20% X=195g
或法:设需浓硫酸质量为X。
50g×98%=X20% X=245g 水=245g—50g==195g
或法:50g×98%=49g 49g÷20%=245g 水=245g—50g==195g 答:需要水195g。
2.100g溶质质量分数为5%的氢氧化钠溶液变为10%,需加氢氧化钠或蒸发水各多少g?
解:设需要加入氢氧化钠的质量为x,或蒸发水的质量为y 。
100g×5%+x=(100g+x)×10% x=5.6g
100g×5%=(100g—y)×10% y=50g
答:需要加入5.6g的氢氧化钠或者蒸发50g的水。
3.生成气体的情况:100g某浓度的硫酸与13g锌恰好完全反应,试求:
⑴生成氢气的质量。 ⑵此硫酸的溶质质量分数。 ⑶反应后所得溶液的溶质质量分数。
解:设生成氢气的质量为x,硫酸溶质的质量为y,生成硫酸锌的质量为z 。
Zn + H2SO4══ZnSO4 + H2↑
65 98 161 2
13g y z x
X=0.4g y=19.6g z=32.2g
⑵ ×100%=19.6%
⑶ ×100%=28.6%
或法: 28.6%
答:生成氢气0.4g,硫酸的溶质质量分数为19.6%,反应后所得溶液溶质的质量分数为28.6%。
4.生成沉淀的情况:某碳酸钠样品中含有少量氯化钠,取12g样品用88g水完全溶解后,逐滴加入氯化钙溶液,反应方程式为Na2CO3+CaCl2===CaCO3↓+2NaCl。加至100g氯化钙溶液时恰好反应,过滤得到溶液190g。试求:
⑴样品中碳酸钠质量。 ⑵反应后所得溶液中溶质质量分数。
解:12g+88g+100g—190g==10g
设样品中碳酸钠质量为X,反应生成氯化钠质量为Y。
Na2CO3+CaCl2===CaCO3↓+2NaCl
106 100 117
X 10g Y
100%==6.9%
X ==10.6g Y==11.7g
答:样品中碳酸钠为10.6g,反应后所得溶液浓度为6.9% 。
归纳5、 易错提醒
1、溶质质量是指已溶解的溶质的质量,溶液的浓度在一定范围内才有意义。在某温度下,某种溶质的饱和溶液的浓度最大。
2、一种溶液,无论取出多少,取出的溶液与剩余的溶液均与原溶液中溶质的质量分数相同。
3、溶质质量分数关系式中的各种量都是以质量表示的,不得以体积数据代替。在计算中如需把体积换算成质量,可以通过密度公式来计算:[m(溶液)]=溶液体积(V)×溶液密度(ρ)来换算。
4、溶质的质量是指溶解在溶剂中形成溶液的溶质的质量,不包括未溶解或结晶析出的溶质的质量。
5、 利用化学方程式计算的依据是利用化学反应中纯净物间的质量关系。由于溶液是混合物,在根据化学方程式列出有关反应物、生成物的质量比时,要将溶质的质量列比例式,而不能用溶液的质量或体积。
6、对于反应后所得溶液的质量,有两种求法:
(1)溶液组成法:溶液质量=溶质质量+溶剂质量,其中溶质一定是溶解的,若生成物中有水,溶剂中还要加上生成水的质量。
(2)质量守恒法:溶液质量=m(反应物)-m(沉淀)-m(气体),其中m(反应物)代表反应前物质质量总和,m(沉淀)表示生成沉淀的质量,m(气体)表示生成气体的质量。
7、对于与化学方程式相结合求有关溶液中溶质的质量分数的计算题,解答时要明确以下几点:
(1)明确题目涉及的化学反应,并能正确地书写化学方程式。
(2)准确确定解题所需的已知量,参加反应的是反应物溶液中的溶质。
(3)如果涉及反应后所得溶液中溶质质量分数的计算,还应该注意反应过程中是否有气体、沉淀生成或反应物中是否有不参加反应的杂质等。计算反应后溶液的质量时一定要注意,如果反应中生成了气体或生成了沉淀,或者使用的样品中有不溶于水的杂质,计算溶液质量时,一定要将这部分气体、沉淀和杂质的质量排除。
(4)如果一种反应物不纯,加入另一种反应物后的生成物恰好是原有杂质时,所得溶液中的溶质质量应为反应生成物质的质量与原杂质的质量之和。
★三年真题
2021年中考真题
一、选择题(共4道题):
1.(2021年广西贺州市中考)配制好的生理盐水装瓶时不小心溅出少量溶液,剩余溶液溶质的质量分数( )
A.偏小 B.偏大 C.不变 D.无法判断
【答案】C
【解析】
配制好的生理盐水装瓶时不小心溅出少量溶液,溶液具有均一性,剩余溶液溶质的质量分数不变。
故选:C。
【点评】本题难度不大,掌握溶液具有均一性是正确解答本题的关键。
2.(2021·丽水中考)20℃时,取一定质量的固体硝酸钾于烧杯中,把100克水平均分成四份依次加入烧杯,不断搅拌,使之充分溶解,实验过程如图所示。下列分析正确的是
A. 甲烧杯中,硝酸钾溶液是不饱和溶液
B. 丁烧杯中,硝酸钾溶液是不饱和溶液
C. 乙→丙过程中,硝酸钾溶液溶质质量分数变大
D. 丙→丁过程中,硝酸钾溶液的溶质质量分数变大
【答案】B
【解析】
A、由图可知,20℃时,甲烧杯中硝酸钾固体有剩余,故甲烧杯中,硝酸钾溶液是饱和溶液,不符合题意;
B、丙烧杯里的固体硝酸钾已完全溶解,而丁烧杯又加入了25g水,所以可以推断出丁烧杯中,硝酸钾溶液是不饱和溶液,符合题意;
C、由图可知,20℃时,乙为饱和溶液,乙→丙过程中,加入25g水,固体全部溶解,丙烧杯中可能是饱和溶液,也可能是不饱和溶液,若丙为饱和溶液,则乙→丙过程中,硝酸钾溶液的溶质质量分数不变,若丙为不饱和溶液,则乙→丙过程中,硝酸钾溶液的溶质质量分数变小,不符合题意;
D、丙→丁的过程中,溶质不变,溶剂增加,硝酸钾溶液的溶质质量分数变小,不符合题意。
故选B。
3. (2021年四川乐山化学中考)已知20℃时CuSO4的溶解度为32g。20℃时,取一定质量某CuSO4溶液于烧杯中,按下图进行实验(整个过程中忽略溶剂损失),下列说法不正确的是:
A. 溶液中溶质质量分数的大小关系为丁>丙>甲
B. 丙中溶液溶质与溶剂的质量比为8:25
C. 丁溶液一定是饱和溶液
D. CuSO4 50℃时的溶解度比20℃时的大
【答案】C
【解析】
A、20℃时,向甲溶液中加入2g硫酸铜,完全溶解得到乙溶液,溶质质量增加,故溶质质量分数:乙>甲,该温度下,向乙溶液中,加入2g硫酸铜,得到丙溶液,有部分溶质未溶解,丙溶液的溶质质量分数可能大于乙,也可能等于乙,加热到50℃,得到丁溶液,溶质完全溶解,丁溶液中溶质质量大于丙,溶剂质量相等,故溶质质量分数:丁大于丙,故溶液中溶质质量分数的大小关系为丁>丙>甲,不符合题意;
B、丙中有溶质未溶解,是20℃时的饱和溶液,故丙中溶液溶质与溶剂的质量比为:32g:100g=8:25,不符合题意;
C、丁中溶质完全溶解,丁可能恰好饱和,也可能是不饱和溶液,符合题意;
D、升温后,丙中未溶解的溶质完全溶解,说明升温后,溶解度增加,CuSO4 50℃时的溶解度比20℃时的大,不符合题意。
故选C。
4.(2021年荆门市中考)有A、B两种固体的溶解度曲线如图所示(不考虑水的质量变化),下列说法正确的是
A. 依据溶解度曲线可判断,A的溶解度比B的大
B. t2℃时,A的饱和溶液溶质的质量分数为20%
C. t1℃,将A、B的饱和溶液分别升高温度至t2℃时,两溶液的溶质质量分数恰好相等
D. t2℃时,将A、B的饱和溶液分别降低温度至t1℃时,析出的固体质量A的质量大于B的质量
【答案】C
【解析】
A、选项说法没有指明温度,A的溶解度不一定比B的大,故选项说法错误。
B、t2℃时,A的溶解度为20g,甲的饱和溶液中溶质质量分数为,故选项说法错误。
C、t1℃,A、B溶解度相等,且溶解度均随温度升高而增大,将A、B的饱和溶液分别升高温度至t2℃时,两溶液的溶质质量分数恰好相等,故选项说法正确。
D、未明确饱和溶液质量关系,不能比较析出的固体质量,故选项说法错误。
故选:C。
二、填空题(简单填空题、实验填空题、推断题、实验题、探究题、计算题、工艺流程图题)、(共56道题):
1.(2021年浙江省湖州市中考)大型海水淡化厂采用反渗透膜技术淡化海水,但是需要利用化石燃料供能,成本较高。阿拉伯目前正在建设一面巨大的反射镜,这个装置会将太阳光聚集到一个足球场大小的钢制玻璃穹顶上,汇集后的热量可以使其中的海水蒸发。蒸发后海水的溶质质量分数 (选填“变大”或“变小”或“不变”),此过程海水发生的变化是 (选填“物理”或“化学”)变化。
【答案】变大;物理。
【解答】
这个装置会将太阳光聚集到一个足球场大小的钢制玻璃穹顶上,汇集后的热量可以使其中的海水蒸发,析出晶体前,溶质的质量不变,溶剂的质量减少,则蒸发后海水的溶质质量分数变大。
此过程海水发生的变化,只是水的状态发生改变,没有新物质生成,属于物理变化。
故答案为:变大;物理。
【点评】本题难度不大,明确蒸发前后溶液组成的变化、物理变化和化学变化的判别方法是正确解答本题的关键。
2.(2021年湖南省益阳市) 生产、生活中蕴含着丰富的化学知识。
(1)炒菜时油锅着火,立刻用锅盖盖灭的原理是_______。
(2)用墨汁书写的文书、档案年深日久不褪色的原因是常温下碳的化学性质_______;
(3)已知在农业生产上,常需要用质量分数为16%的NaCl溶液选种。若某技术员将16g NaCl固体加入到100g水中,这样配制成的溶液的溶质质量分数会_______(填“偏高”、“偏低”或“不变”);
(4)热水瓶用久后,瓶胆内壁常附着一层水垢[主要成分是CaCO3和Mg(OH)2],可利用厨房内常用的一种调味品_______来洗涤。
【答案】①. 隔绝空气或氧气 ②. 稳定 ③. 偏低 ④. 食醋
【解析】
(1)盖上锅盖,空气无法进入锅内,可燃物无法接触空气或氧气,无法继续燃烧;
(2)档案长时间不褪色,说明墨汁中碳常温下化学性质稳定,不易发生变化,保持良好自身性质;
(3)16g氯化钠加入100g水中,溶液质量大于100g,而溶质质量为16g,因此配制溶液质量分数偏低;
(4)碳酸钙和氢氧化镁都与醋酸发生反应,厨房中的食醋含有醋酸,所以可以用醋酸洗涤。
3.[2021·呼和浩特]甲、乙两物质(均不含结晶水)的溶解度曲线如图,请回答:
(1)A点含义_______________________________________________。
(2)将t2℃ 160g乙的饱和溶液降温至t1℃,析出晶体______g。
(3)t2℃时,若甲、乙溶液的溶质质量分数相等且均为a% ,则a %的取值范围为_______。
(4)现有t2℃时等质量的甲、乙饱和溶液,分别加入等质量的水,所得溶液中溶质的质量分数:甲_____(填“>”“a>c,选项错误。故选B。
【点睛】本考点考查了溶解度曲线及其应用,通过溶解度曲线我们可以获得很多信息;还考查了有关溶液溶质质量分数的变化等,本考点主要出现在选择题和填空题中。
3.(2020·内蒙古呼伦贝尔�中考真题)本题有甲、乙两图,图甲为硝酸钾和氯化铵的溶解度曲线,图乙为兴趣小组进行的实验,R物质是硝酸钾或氯化铵中的一种。
关于图乙中烧杯内的物质,下列说法正确的是( )
A.R物质是氯化铵
B.溶液的溶质质量分数是烧杯①小于烧杯②
C.若使烧杯③中的固体溶解,只能采用加水的方法
D.烧杯①②③中,只有烧杯③中上层清液是饱和溶液
【答案】B
【解析】
A、由图甲可知,t2℃时,NH4Cl的溶解度小于60g,而烧杯②中在t2℃时,100g水中溶解了60gR,所以R是KNO3,故A选项错误;
B、由图甲可知,t1℃时,KNO3的溶解度大于40g。t1℃时, 200g水中加入60g KNO3得到烧杯①中的溶液是不饱和溶液,而烧杯③中的溶液是t1℃时KNO3的饱和溶液,所以烧杯①溶液的溶质质量分数小于烧杯③,故B选项正确;
C、因为KNO3的溶解度随温度的升高而增大,若使烧杯③中的固体溶解可以采用加水或升高温度的方法,故C选项错误;
D、由图甲可知,t2℃时,KNO3的溶解度为60g,所以烧杯②中的溶液也是饱和溶液。烧杯①、②、③中,烧杯②、③中的溶液是饱和溶液,故D选项错误。
故选B。
4.(2020·甘肃金昌�中考真题)下列关于“相等”的说法不正确的是( )
A.化学反应前后分子个数一定相等
B.原子中核外电子数与核内质子数一定相等
C.浓溶液在加水稀释前后溶质的质量一定相等
D.化合物中元素化合价的正价总和与负价总和绝对值一定相等
【答案】A
【解析】
A、化学反应前后分子个数不一定相等,A错。
B、原子中,核外电子数等于质子数,B正确。
C、浓溶液在加水稀释后溶剂质量增大,溶质质量不变,溶质的质量一定相等,C正确。
D、化合物中元素化合价的代数和为零,正价总和与负价总和绝对值一定相等,D正确。
故选:A。
5.(2020·内蒙古呼和浩特�中考真题)如图四个图像不能正确反映对应变化关系的是( )
A.把NaOH和NH4NO3固体分别溶于水中
B.分别向等质量镁和铁中,逐渐加入溶质质量分数相同的稀
硫酸至过量
C.向一定质量硝酸银的混合溶液中逐渐加入锌粉
D.加热一定质量氯酸钾和二氧化锰的固体混合物
【答案】C
【解析】
A、氢氧化钠固体溶于水放出热量,温度升高;硝酸铵固体溶于水吸收热量,温度降低,溶解后,随着时间的推移,溶液温度又慢慢恢复至原温度,图像正确;
B、等质量的金属镁和铁中分别滴入溶质质量分数相等的稀盐酸至过量,开始时金属过量,稀盐酸完全反应,生成氢气的质量相同;当向等质量的镁和锌中加入溶质质量分数相同的稀盐酸至过量,则镁和锌全部参加反应,
通过反应的化学方程式以及金属与酸反应生成氢气的质量关系可以看出,镁生成的氢气大于铁,图像正确;
C、锌与硝酸银溶液反应生成银和硝酸银,
216-65=151
由化学方程式可知,锌与硝酸银溶液反应的过程中,固体的质量增加,当硝酸银完全反应后,继续加入锌,固体质量仍然增加,但是增加的幅度减小,图像错误;
D、氯酸钾在二氧化锰的催化作用下、加热分解为氯化钾和氧气,反应中固体质量减少,但是固体中钾元素的质量不变,所以固体中钾元素的质量分数增大,一直到氯酸钾完全分解,图像正确。
故选:C。
6.(2020·广西防城港�中考真题)如图是甲、乙、丙三种固体物质(均不含结晶水)的溶解度曲线。下列说法正确的是( )
A.三种物质的溶解度大小关系为甲>乙>丙
B.t2℃时,将20g甲加入50g水中,得到70g溶液
C.t3℃时,用等质量的甲、乙、丙固体配成饱和溶液,需要水的质量大小关系是乙>甲>丙
D.将t2℃的三种物质的饱和溶液分别降温到t1℃,所得溶液的溶质质量分数大小关系为乙>丙>甲
【答案】D
【解析】
A、没有确定温度,不能比较三种物质的溶解度大小,故A错误;
B、根据溶解度曲线可知,t2℃时,甲的溶解度为30g,根据溶解度概念可知,t2℃时,100g水最多溶解30g甲,50g水最多溶解15g甲,将20g甲加入50g水中,得到65g溶液,故B错误;
C、 根据溶解度曲线可知,三种物质的溶解度大小关系为乙> 甲>丙,t3℃时,用等质量的固体配成饱和溶液,需要水的质量大小关系是丙>甲>乙,故C错误;
D、将t2℃时甲、乙、丙三种物质的饱和溶液降温到t1℃时,甲、乙的溶解度减小,丙的溶解度随温度的降低而增大,甲、乙有晶体析出,质量分数变小,溶液仍为饱和溶液,丙没有晶体析出,质量分数不变,一定温度下饱和溶液的溶质分数=,溶解度越大,质量分数越大,t1℃时乙的溶解度大于t2℃时丙的溶解度,t2℃时丙的溶解度大于t1℃时A的溶解度。将t2℃的三种物质的饱和溶液分别降温到t1℃,所得溶液的溶质质量分数大小关系为乙>丙>甲,故正确。故选D。
7.(2020·贵州毕节�中考真题)关于如图所示实验的相关判断错误的是( )
A.固体X可能是NaOH B.固体X可能是NH4NO3
C.Ca(OH)2溶解度:①>② D.Ca(OH)2质量分数:①=③
【答案】B
【解析】
A、氢氧化钙的溶解度随着温度的升高而减小,加入X后,溶液变浑浊,是因为温度升高,氢氧化钙的溶解度减小,有氢氧化钙析出,氢氧化钠溶于水放出热量,故固体X可能是NaOH,故选项说法正确;
B、硝酸铵溶于水吸热,使温度降低,氢氧化钙溶解度增加,不可能有氢氧化钙析出,故选项说法错误;
C、由图示可知,①中溶解的氢氧化钙多,则Ca(OH)2溶解度:①>②,故选项说法正确;
D、①、③中溶质和溶剂的质量相等,Ca(OH)2质量分数:①=③,故选项说法正确。
故选B。
8.(2020·江苏常州�中考真题)盐水选种是把种子放在一定浓度的盐水里,利用浮力把好坏种子分开来。20℃时,技术员将一包氯化钠(20℃,S(NaCl)=36g)放入容器中,分三次加入水,充分搅拌,记录情况如下:
次数
第一次
第二次
第三次
加水质量
1000g
1000g
1000g
烧杯内NaCl晶体剩余情况
有
无
无
则第三次加水后,烧杯中所得NaCl溶液的溶质质量分数ω的范围是( )
A.10.71%甲>丙
B溶剂质量大小关系是:丙>乙>甲
C溶液质量大小关系是:丙>甲>乙
【答案】(1)t1 (2) 冷却热饱和溶液(或降温结晶) (3)80 (4) AB
【解析】
(1)由图可知,t1时,甲、丙的溶解度曲线相交于一点,故t1时,甲、丙的溶解度相等;
(2)由图可知,甲、乙的溶解度随温度的升高而增加,甲的溶解度受温度影响较大,乙的溶解度受温度影响较小,故若甲中混有少量的乙,提纯甲物质可采取的方法是:冷却热饱和溶液(或降温结晶);
(3)由图可知,t2℃时,甲的溶解度是80g,故该温度下,180g甲物质的饱和溶液,需要甲物质的质量是:;
(4)A、由图可知,甲、乙的溶解度随温度的升高而增加,丙的溶解度随温度的升高而减小,故降温后,甲、乙还是饱和溶液,丙的溶解度增加,变为不饱和溶液,降温后,丙的溶质质量分数不变,t1℃时,乙的溶解度大于t1℃时,甲的溶解度,大于t3℃时,丙的溶解度,故t1℃时,乙的饱和溶液的溶质质量分数大于t1℃时,甲的饱和溶液的溶质质量分数,大于t3℃时,丙的饱和溶液的溶质质量分数,故溶质质量分数大小关系是:乙>甲>丙,符合题意;
B、t3℃时,溶解度:甲>乙>丙,饱和溶液的溶质质量分数:甲>乙>丙,故等质量的甲、乙、丙三种物质的饱和溶液中溶质质量:甲>乙>丙,溶剂质量:丙>乙>甲,降温后溶剂质量不变,符合题意;
C、由图可知,甲、乙的溶解度随温度的升高而增加,丙的溶解度随温度的升高而减小,故降温后,甲、乙有溶质析出,丙的溶解度增加,没有溶质析出,甲的溶解度受温度影响较大,乙的溶解度受温度影响较小,故甲析出的晶体多,故降温后,溶液质量大小关系是:丙>乙>甲,不符合题意。
故选AB。
29.(2020·内蒙古通辽�中考真题)A、B、C三种固体物质(均不含结晶水)的溶解度曲线如图所示,请回答:
①t1℃时,A、B、C三种物质的溶解度由大到小的顺序是____________________。
②当温度在t2~t3℃之间时,A物质与B物质______________(填“能”或“不能”)配制溶质质量分数相同的饱和溶液。
③将A、B、C三种物质的饱和溶液分别由t2℃升温到t3℃,所得溶液中溶质的质量分数最大的物质是___________________。
④t3℃时将75gA的饱和溶液稀释成20%的溶液需加__________________g水。
【答案】(1)C>B>A (2)能 (3)B (4)50
【解析】
①根据溶解度曲线可知,t1℃时,A、B、C三种物质的溶解度由大到小的顺序是C>B>A;
②当温度在t1~t3℃之间时,A物质与B物质的溶解度可能相等,因此能配制溶质质量分数相同的饱和溶液;
③将A、B、C三种物质的饱和溶液分别由t2℃升温到t3℃,AB变成不饱和溶液,质量分数都不变,C仍然是饱和溶液,质量分数减小,由于t2℃时B的溶解度大于A,所得溶液中溶质的质量分数最大的物质是B;
④t3℃时A溶解度是50g,将75g A的饱和溶液稀释成20%的溶液需加水的质量:75g×÷20%-75g=50g。
30.(2020·甘肃天水�中考真题)如图1是A、B、C三种物质的溶解度曲线,请回答。
(1)t2℃时,将30克A物质放入50克水中,充分溶解后所得溶液中溶质与溶剂的质量比为________。
(2)A物质中混有少量B物质,若提纯A物质,可采取的结晶方法是_______。
(3)t1℃时,取等质量的A、C饱和溶液分别置于甲,乙两支试管中,如图2所示。在大烧杯中加入一定质量的硝酸铵固体溶解后,A、C溶液的溶质质量分数的大小关系是______
【答案】(1)2:5 (2) 降温结晶 (3) AC(BAC)
【解析】
(1)由图可知,t2°C时,A物质的溶解度为40g。
(2)由图可知,A、C两物质的溶解度曲线交点横坐标为t1℃,因此, t1°C时,A、C两物质的溶解度相等。
(3)t2°C时,A的溶解度是40g,也就是100g水中最多能溶解40gA,则50g水中最多能溶解20gA,将30gA物质放入50g水中充分溶解,所得溶液一定是饱和溶液。
(4)t2°C时,A、B、C三种物质的溶解度大小是A>B>C,则其饱和溶液溶质的质量分数也为A>B>C。将A、B、C三种物质的饱和溶液分别降温到t1℃,C的质量分数不变,A、B的质量分数下降且有溶质析出。t1℃时,三种物质溶解度是:B>A=C,溶液溶质的质量分数也应为B>A=C,但t1℃时C的溶质质量分数与t2°C的相等,且小于A在t1℃的,故此时所得溶液中溶质的质量分数由大到小的顺序为B>A>C。
35.(2020·山东威海�中考真题)认识消毒剂过氧乙酸,过氧乙酸(C2H4O3)是一种高效绿色的消毒剂。请回答下列问题:
(1)下列有关过氧乙酸的说法,正确的是___________(填选项序号)。
A 是一种氧化物
B 由三种元素组成
C 分子中含有臭氧(O3)分子
D 氧元素的质量分数最大
(2)凡是含有“”结构的物质都具有杀菌消毒作用。研究发现,过氧乙酸分子结构中也含有“”结构,所以过氧乙酸也具有杀菌消毒作用。获得这一结论所运用的科学方法属于___________推理(填选项序号)。
A 归纳
B 演绎
C 类比
(3)过氧乙酸具有如下性质:
A 无色易挥发液体
B 有酸性
C 有很强的腐蚀性
D 易溶于水和乙醇
E 不稳定,易分解放出氧气
F 有毒性
其中属于化学性质的有__________________(填选项序号)。
(4)醋酸(C2H4O2)与过氧化氢在室温下混合均匀,即可反应生成过氧乙酸和水,写出该反应的化学方程式__________________________。
(5)配制1L溶质质量分数为0.5%的过氧乙酸溶液。现有以下物品:
水、溶质质量分数20%的过氧乙酸溶液、量筒(规格分别为1000mL、50mL)、塑料桶、铁桶、木棍、口罩、护目镜、橡皮手套。
①需要20%的过氧乙酸溶液____________mL(计算时,将水、20%和0.5%过氧乙酸溶液的密度都近似为1g/cm3)。
②戴好防护用品,用_____________mL量筒量取所需20%的过氧乙酸溶液倒入塑料桶中,按比例兑水,用木棍搅拌后,盖好桶盖备用。
③请你根据(3)中过氧乙酸的性质分析,进行配制时,不用铁桶的理由是_______。
【答案】(1)BD (2)B (3)BCEF (4) (5)25 50 过氧乙酸显酸性,能与铁反应
【解析】
(1)A、 过氧乙酸含三种元素,不是氧化物,故A错误;
B、过氧乙酸由碳、氢、氧三种元素组成,故B正确。
C、过氧乙酸分子中不含有臭氧(O3)分子,C错误;
D、过氧乙酸中,碳氢氧元素的质量比为(12×2):(1×4):(16×3)=6:1:12,氧元素质量分数最大,故D正确。
故选:BD。
(2)凡是含有“”结构的物质都具有杀菌消毒作用。研究发现,过氧乙酸分子结构中也含有“”结构,所以过氧乙酸也具有杀菌消毒作用。获得这一结论所运用的科学方法属于演绎,故填:B。
(3)A 无色易挥发液体,物理性质;
B 有酸性,属于化学性质;
C 有很强的腐蚀性,化学性质;
D 易溶于水和乙醇,物理性质;
E 不稳定,易分解放出氧气,化学性质;
F 有毒性,化学性质。
故选:BCEF。
(4)C2H4O2与过氧化氢在室温下混合均匀,即可反应生成过氧乙酸和水,化学方程式为,故填:。
(5)①设需要过氧乙酸体积为x,则1000mL×1g/mL×0.5%=x×1g/mL×20%,x=25mL,故填:25。
②为准确量取过氧乙酸溶液,戴好防护用品,量取25mL液体,用50mL量筒量取,故填:50。
③请你根据(3)中过氧乙酸的性质分析,进行配制时,不用铁桶的理由是过氧乙酸显酸性,能与铁反应,故填:过氧乙酸显酸性,能与铁反应。
2019年中考真题
1.(2019·兰州)实验室用质量分数为6%的氯化钠溶液(密度约为1.04 )配制50g质量分数为3%的氯化钠溶液,下列说法正确的是( )
A.需要加水的质量是50g B.量取水时俯视会使浓度偏大
C.玻璃棒的作用是加速水挥发 D.量取6%的氯化钠溶液时选用100mL的量筒
【答案】B
【解析】溶液稀释前后溶质质量不变,设需6%的氯化钠溶液质量为x,则:x×6%=50g×3%,
x=25g,需要加水的质量为:50g-25g=25g;量取水时俯视读数,读数大于实际量取水的体积
数,导致溶剂量减少,所配溶质质量分数偏大;配制时用玻璃棒搅拌是为了加速溶解;由A
计算可知,需6%的氯化钠溶液的体积为:,量取24mL水应取50mL量
筒,量取更精确。故选B。
2.(2019·龙东) 实验室需配制50g6%的NaCl溶液。在配制溶液的过程中,下列说法中不正确的是( )
A.用药匙取用NaCl固体时,瓶塞倒放于桌面
B. 用玻璃棒搅拌,加速NaCl固体的溶解
C.用量筒量取水时仰视读数
D. 称量时,天平指针向右偏转,应向左盘添加NaCl固体至天平平衡
【答案】C
【解析】用量筒量取水时,视线要与凹液面的最低处相平。故选C。
3.(2019·梧州)关于配制50g8%的氢氧化钠溶液,下列说法正确的是( )
A.用量筒量取50.00mL水
B.将氢氧化钠固体放在小烧杯中称量
C.把称量好的氢氧化钠固体放在量筒中溶解
D.配制好的溶液存放在带玻璃塞的广口瓶中
【答案】B
【解析】A.配制50g8%的氢氧化钠溶液,需要氢氧化钠固体质量为:50g×8%=4g,需水的质量为:50g-4g=46g,则实验时量取水的体积为46mL;氢氧化钠易潮解,且具有很强的腐蚀性,称量氢氧化钠固体不能在纸上称量,应在小烧杯中称量;量筒只能用于量取液体的体积,不能挪作它用;配制好的溶液存放在带橡胶塞的广口瓶中,不能用玻璃塞,因为氢氧化钠能与玻璃中的二氧化硅反应生成硅酸钠,使瓶口和瓶塞粘接在一起,以后无法打开。故选B。
4. 配制一定质量分数的数的NaCl溶液和粗盐中难溶性杂质去除实验均不需用到的玻璃仪
器 ( )
A.玻璃棒 B.烧杯 C.漏斗 D.试管
【答案】D
【解析】配制一定质量分数的NaCl溶液实验步骤是计算、称量、量取、溶解,需要用到的玻璃仪器有烧杯玻璃棒,量筒,胶头滴管;粗盐中难溶性杂质去除实验的实验步骤是溶解过滤蒸发结晶,需要用到的玻璃仪器有烧杯、玻璃棒、漏斗、酒精灯。这两个实验都不需要的玻璃器是试管。本题选D。
5.(2019·呼和浩特) 配制70克15%的NaCl溶液,下列操作会使所配溶液溶质质量分数大于16%的是( )
A.称取氯化钠 B.转移氯化钠 C.量取水 D.配好后装瓶
【答案】C
【解析】A.配制70g15%的NaCl溶液,需溶质氯化钠质量为:70g×15%=10.5g,称量氯化钠固体时,如果左码右物,实际称取氯化钠质量为:10g-0.5g=9.5g,所配溶液溶质质量分数小于16%,A不符合题意;
B.转移氯化钠时,如操作无误,所配溶液溶质质量分数等于16%,如氯化钠晶体溅出,所配溶液溶质质量分数小于16%,B不符合题意;
C.量取水的体积,如俯视读数,实际量取的水的体积小于理论值,所配溶液的溶质质量分数大于16%,C符合题意;
D.配好后装瓶不影响所配溶液溶质质量分数的大小,D不符合题意。故选C。
6.(2019·内江)实验室欲配制50克溶质质量分数为15%的氯化钠溶液,下列有关叙述正确的是( )
A. 配制该溶液的步骤是称量和溶解
B. 配制过程中用到的仪器只有天平、烧杯和玻璃棒
C. 溶解氯化钠固体时,玻璃棒的作用是加快溶解速率
D. 转移溶液时,用蒸馏水洗涤烧杯2~3次,将洗涤液一并倒入试剂瓶
【答案】C
【解析】配制一定溶质质量分数的溶液时,配制步骤分为计算、称量、溶解、装瓶等;配制该溶液的过程中使用的仪器有天平、量筒、烧杯、玻璃棒、胶头滴管、药匙等;溶解氯化钠固体时,玻璃棒的作用是搅拌以加快溶解速率;转移溶液时,不能用蒸馏水洗涤烧杯并将洗涤液一并倒入试剂瓶,这样会使配制的溶液溶质质量分数偏小。故选C。
7.(2019·攀枝花)用K2CO3溶液吸收CO2,得到KHCO3,化学方程式为:K2CO3+CO2+H2O=2KHCO3。向K2CO3溶液中通入CO2,至K2CO3恰好完全反应,得到溶质的质量分数为20%的溶液50克,则原K2CO3溶液中溶质的质量分数为( )
A. 13.8% B. 14.4% C. 15.4% D. 16.8%
【答案】B
【解析】设参加反应的碳酸钾的质量为x,CO2的质量为y
K2CO3+H2O+CO2=2KHCO3
138 44 200
x y 50g×20%
x=6.9g,y=202g
则原碳酸钾溶液的质量为:50.0g-2。2g=47.8g
原碳酸钾溶液中溶质的质量分数为:
故选B.
8.(2019·扬州)配制50g溶质质量分数为15%的氯化钠溶液,不需要用到的仪器是( )
A.集气瓶 B.烧杯 C.玻璃棒 D.量筒
【答案】A
【解析】配置制溶液需要的实验步骤是计算、称量、量取、溶解、装瓶。其中称量需要的仪器是托盘天平,取需要的仪器是量筒和胶头滴管。溶解需要的仪器是烧杯和玻璃棒,不需要用的仪器是集气瓶。故选A。
9.(2019·苏州)实验室配制50g溶质质量分数为15%的氯化钠溶液。下列说法正确的是( )
A.托盘天平未经调零即用来称取氯化钠固体
B.称量时托盘天平指针偏左,移动游码至天平平衡
C.量取水时,用规格为50 mL的量筒
D.把配制好的氯化钠溶液倒入刚用蒸馏水润洗过的试剂瓶中,并贴上标签
【答案】C
【解析】称量固体药品时,托盘天平使用前要先通过调节平衡螺母调节天平平衡;称量时托盘天平指针偏左,应向减少左盘中的药品;经计算所需氯化钠固体质量为50g×15%=7.5g,所需要水质量为50-7.5g=42.5g,所需水的体积为42.5毫升,应用规格为50毫升的量筒;把刚配制好的氯化钠溶液倒入刚用蒸馏水润洗过的试剂瓶中,会使配制的氯化钠溶液的溶质的质量分数偏小。故选C。
10.(2019·自贡)实验室用氯化钠固体配制100g溶质质量分数为8%的氯化钠溶液,下列说法错误的是( )
A.实验的步骤为计算、称量、量取、溶解
B.量取水时,用规格为100mL的量筒
C.若用量筒量取水时俯视凹液面的最低处,则配制溶液的质量分数小于8%
D.溶解过程中玻璃棒搅拌的作用是加快氯化钠的溶解
【答案】C
【解析】用氯化钠固体配制100g溶质质量分数为8%的氯化钠溶液的步骤为:(1)计算溶质的质量、溶剂的质量;(2)用天平称量所需的溶质氯化钠固体;(3)用量筒量取所需的溶剂;(4)溶解配制成溶液,故正确;所需溶质的质量为100g×8%=8g,溶剂水的质量为100g-8g=92g,体积为92mL,选用与体积接近且略大于的量程的量筒来量取溶剂水,因此选用规格为100mL的量筒,故正确;若用量筒量取水时,俯视凹液面的最低处,读数偏小,使量取的溶剂水的体积变少,配制成的溶液的溶质质量分数大于8%,错误;在溶解过程中为加快氯化钠固体的溶解速率需要用玻璃棒搅拌,正确。故选C。
11.(2019·滨州)某同学选用氢氧化钠固体和水配制20g质量分数为10%的氢氧化钠溶液,下列说法错误的是( )
①需称取氢氧化钠固体2.0g ②称量前天平应先检查游码是否归零,并调节平衡 ③ 用托盘天平称量氢氧化钠固体时,为防止污染托盘,先将氢氧化钠放在纸上称量 ④选用250ml的量筒,量取18ml的水 ⑤存放溶液时,为确保数据准确,将试剂瓶用水清洗后,立即倒入所配溶液封存
A. ①④ B. ③④⑤ C.④⑤ D.②③⑤
【答案】B
【解析】溶液的配制步骤有计算、称量、量取、溶解、装瓶.①配制20g10%的氢氧化钠溶液,需称取氢氧化钠固体2g,故正确;②称量前需检查右码是否归零,并调节天平平衡,故正确;③氢氧化钠有很强的腐蚀性、易潮解,放在纸上称量会腐蚀纸,腐蚀天平,易吸水,应放在玻璃器皿里称量,5故错误;④需要量取水18mL,应选择20mL量筒,故错误;⑤存放溶液时,将试剂瓶用蒸馏水清洗后,会使所得溶液溶质质量分数偏小。故选B。
12.(2019·广州)实验室配制饱和澄清石灰水和质量分数为10%的氢氧化钠溶液,并进行有关实验。下表是20℃时部分物质的溶解度数据。
(1)配制溶液。其中配制100g10%氢氧化钠溶液的基本步骤是:称取氢氧化钠固体—量取水—溶解—装瓶贴标签。
①称取氢氧化钠固体的质量_____________g。
②已知水的密度为1g/cm3,用100mL量筒量取所需的水,画出水的液面。
③装瓶后贴标签,在标签上填写:_______________________________。
(2)进行性质探究实验,20℃时,根据数据回答下列问题:
①向饱和澄清石灰水中通入CO2直至过量,先生成CaCO3,再转化为Ca(HCO3)2,可观察到的现象是:____________________________________。
②向10%氢氧化钠溶液中通入CO2直至过量,先生成Na2CO3,再转化为NaHCO3,可观察到
的现象是:_________________________________________________________。
③理论上吸收4.4gCO2,需饱和澄清石灰水的质量至少为___________g,或需10%氢氧化钠溶液的质量至少为__________g。(计算结果精确到个位)
【答案】(1)①10 ②见解析 ③氢氧化钠、10%
(2)①先产生白色浑浊,继续通二氧化碳,溶液又变澄清 ②一段时间后出现白色沉淀 ③4632 80
【解析】(1)①称取氢氧化钠固体的质量为100g×10%=10g;②配制溶液100g,需溶质10g,所以需水的质量为90g,即90mL,水的液面如图
;③溶液试剂标签应有的内容为溶液名称和溶质质量分数,所以标签上填写氢氧化钠、10%;
(2)①由20℃时碳酸钙和碳酸氢钙的溶解度可知,碳酸钙难溶于水,碳酸氢钙溶于水,所以向饱和澄清石灰水中通入CO2直至过量,先生成CaCO3,再转化为Ca(HCO3)2,可观察到的现象是先产生白色浑浊,继续通二氧化碳,溶液又变澄清;②20℃时碳酸钠的溶解度比碳酸氢钠的溶解度大,所以向10%氢氧化钠溶液中通入CO2直至过量,先生成Na2CO3,再转化为NaHCO3,可观察到的现象是一段时间后出现白色沉淀;③设吸收4.4g二氧化碳需氢氧化钙的质量为x,需氢氧化钠的质量为y
44 74
4.4g x
,x=7.4g
44 80
4.4g y
,y=8g,
20℃时,氢氧化钙的溶解度为0.16g,则7.4g氢氧化钙配成该温度下的饱和溶液质量为m,,
m=4632g,含8g氢氧化钠的10%的溶液质量为,。
13.(2019·湘潭)某化学课外兴趣小组欲配制80g质量分数为12%的氢氧化钠溶液来制作“叶脉书签”。
(1)需要氢氧化钠固体的质量为__________g。
(2)称量时,氢氧化钠固体应放在__________(填“滤纸”或“烧杯”)中。
(3)下列说法或操作正确的是__________(填字母序号)。
A.配制该溶液时所需的玻璃仪器中不包括玻璃棒
B.用量程为100mL的量筒量取所需要的水
C.将称量好的固体倒入装有水的量筒中溶解
(4)在量取水的体积时,若采用仰视的方法读数,则所配制的氢氧化钠溶液中溶质的质量分数将__________(填“偏大”或“偏小”)。
(5)某同学用蒸馏水润湿了的pH试纸来测定配制好的溶液的pH值时,他测得的结果会__________(填“偏大”、偏小”或“不变”)。
(6)该兴趣小组的同学提出还可以用配制好的氢氧化钠溶液和稀盐酸进行中和反应实验,具体操作如右图:
在烧杯中加入10mL的氢氧化钠溶液,滴入几滴酚酞溶液,此时溶液呈__________色。接着加入一定量的稀盐酸,用玻璃棒搅拌后发现溶液为无色,此时__________(填“能”或“不能”)得出两者恰好中和的结论。以下操作及实验现象能证明加入的盐酸为过量的是__________(填字母序号)。
A.加入少量铁粉,无明显现象
B.滴加紫色石蕊溶液,搅拌后溶液变蓝
C.加入碳酸钠溶液,产生气泡
【答案】(1)9.6 (2)烧杯 (3)B (4)偏小 (5)偏小 (6)红 不能 C
【解析】(1)溶液质量为80g,溶质的质量分数为12%,则溶质的质量为:80g×12%=9.6g。
(2) 由于氢氧化钠固体具有潮解性和腐蚀性,且易与空气中CO2发生化学反应,所以应将其放在烧杯中进行称量。
(3) 配制溶液的步骤包括称量、溶解、搅拌、装瓶,其中溶解和搅拌均需要用到玻璃棒;由(1)知,配制80g质量分数为12%的氢氧化钠溶液需要水的质量为:80g-9.6g=70.4g,水的密度为1g/cm3,则水的体积为70.4cm3,需要用100ml的量筒量取;量筒不可用于固体的溶解。
(4) 仰视时会造成实际量取水的体积偏大,由于溶质质量分数=,所以会导致溶质质量分数偏小。
(5) 用蒸馏水将pH试纸润湿后再测溶液的pH,相当于把原溶液稀释了,对碱性溶液来说测得的结果偏小。
(6)酚酞溶液遇碱变红,所以在氢氧化钠溶液中加入酚酞溶液会变红色;加入一定量的稀盐酸后发现溶液为无色,此时不能判断盐酸与氢氧化钠溶液恰好完全反应,因为当盐酸过量时,溶液也呈无色。加入少量铁粉,无明显现象,说明溶液中没有剩余的盐酸;紫色石蕊溶液遇酸变红色,遇碱变蓝色,滴加紫色石蕊溶液后溶液变蓝说明溶液呈碱性,盐酸不过量;加入碳酸钠溶液后产生气泡,说明盐酸有剩余,和碳酸钠溶液反应生成了CO2。
相关试卷
这是一份考点 24 溶液的溶质质量分数-三年(2019-2021)中考真题化学分项汇编(全国通用)·,文件包含考点24溶液的溶质质量分数解析版doc、考点24溶液的溶质质量分数学生版doc等2份试卷配套教学资源,其中试卷共126页, 欢迎下载使用。
这是一份考点 26 酸和碱的中和反应、溶液的酸碱度-三年(2019-2021)中考真题化学分项汇编(全国通用)·,文件包含考点26酸和碱的中和反应溶液的酸碱度解析版doc、考点26酸和碱的中和反应溶液的酸碱度学生版doc等2份试卷配套教学资源,其中试卷共144页, 欢迎下载使用。
这是一份考点 18 燃烧与灭火-三年(2019-2021)中考真题化学分项汇编(全国通用)·,文件包含考点18燃烧与灭火解析版doc、考点18燃烧与灭火学生版doc等2份试卷配套教学资源,其中试卷共111页, 欢迎下载使用。

