

初中物理人教版八年级上册第1节 长度和时间的测量课时训练
展开第一章 机械运动
第1节 长度和时间的测量
一、选择题
1.在通常情况下,你的脉搏1 min跳动的次数约为
A.20次 B.40次
C.70次 D.140次
2.PM2.5是指空气中直径很小的颗粒,“2.5”是表示颗粒直径的数值,其直径还不到人的头发丝粗细的二十分之一,下列选项中与PM2.5颗粒物大小相当的是
A.米粒 B.柳絮
C.细菌 D.原子
3.多吃水果有益于人体的健康,下列四种水果成熟后,一般情况下,单个水果体积最接近2 cm3的是
A.木瓜 B.菠萝
C.龙眼 D.椰子
4.下图是利用刻度尺测量长度的实验,所记录测量结果正确的是
A.5.3 cm B.5.25 cm
C.3.25 cm D.3.3 cm
5.某同学利用同一把刻度尺测量一个物体的长度,三次测量的数据分别为2.45 cm、2.46 cm、2.46 cm,则测量结果应记为
A.2.5 cm B.2.457 cm
C.2.45 cm D.2.46 cm
6.小明同学在参加全市体育考试中,由于粗心,自己记录的成绩如下,你认为不可能的是
A.跳绳1分钟60次
B.立定跳远2.4 m
C.1000 m跑的成绩为8 s
D.实心球投掷成绩12 m
7.纳米技术在研究电学材料、光学材料、高密度材料方面有广泛的应用前景,纳米是下列哪种物理量的计算单位
A.长度 B.体积
C.质量 D.时间
8.用刻度尺测量物理课本的长,以下哪个是产生误差的原因
A.观察刻度尺时,视线没有跟刻度尺尺面垂直
B.读数时,最小刻度的下一位数值估计不准确
C.刻度尺没有跟课本的长边平行
D.刻度尺的刻度线没有紧贴课本
9.一最小刻度为毫米的刻度尺,测出一物体的长度为10.45 cm,下列说法正确的是
A.估读值为0.05 cm
B.真实值为10.45 cm
C.可测量的实际值为10.45 cm
D.没有正确的说法
10.某同学用一把刻度均匀的米尺测得一张小桌面的边长为0.500 m,后来把该米尺跟标准米尺校对,发现此米尺的实际长度为1.003 m,则这张小桌面的实际边长约为
A.0.502 m B.0.5015 m
C.0.500 m D.无法判断
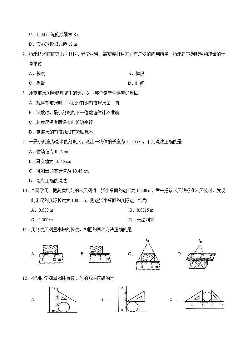
11.用刻度尺测量木块的长度,如图的四种方法正确的是
A. B. C. D.
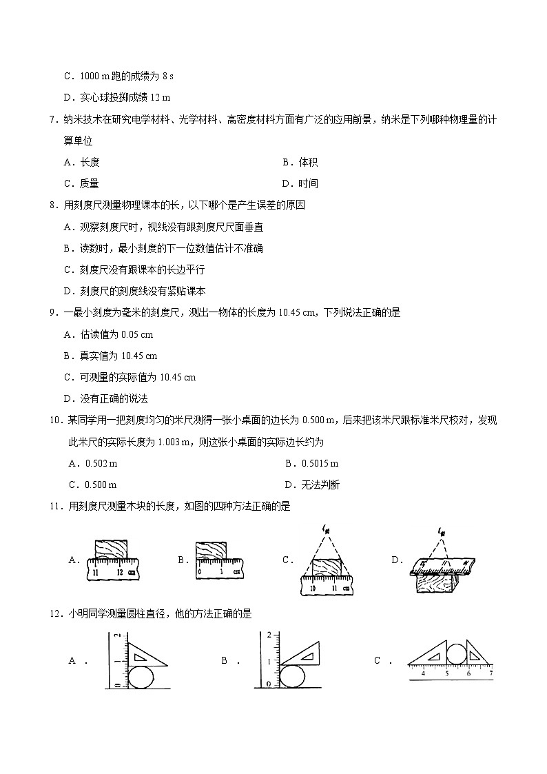
12.小明同学测量圆柱直径,他的方法正确的是
A. B. C. D.
二、填空题
13.如图所示,木块长度的测量值是_________cm,该刻度尺的分度值是_________mm。
14.在测量物体长度的实验中,如图所示,读数正确的是_______(选填“A”或“B”),所测物体的长度为__________cm。
15.教室里一块桌板的真实长度是1.2628 m,某同学用一刻度尺去测此板的长度,测得结果是1.263 m,则该同学的刻度尺的最小分度值是___________。
16.如图所示停表的示数为________min________s。
17.在图中,直尺分度值为________,圆筒的直径d为________cm,停表的读数为_______s。
18.坐在温馨的物理考场,仔细想想:你平时走路的步幅约为5______,上体育课时你跑800 m所需时间约为4________。(均填上合适的物理量单位)
19.某同学在用一把刻度尺测量同一个物体的长度时,四次测量结果分别是:12.31 cm,12.29 cm,13.52 cm,12.30 cm,则这个物体的长度应记作__________cm,这把刻度尺的分度值是__________。
20.小明路过一座大桥时,发现桥面有条宽窄相同的裂缝,他用刻度尺测得裂缝某处宽为7.00 cm,他使用的刻度尺的分度值是________。为得到该裂缝的平均宽度,小明应在裂缝的________(选填“同一”或“不同”)位置多次测量取平均值。
三、实验题
21.(1)如图甲所示,木块的长度是________cm,一次测量可能误差较大,为了减小误差,应当________________________;
(2)为了减少测量误差,某同学采用如图乙所示方法测量硬币的直径,测得硬币的直径D=_____cm。
22.如图所示,用刻度尺测物体的长度,请指出其中的至少两处错误:
(1)__________________________________________;
(2)__________________________________________。
23.有甲、乙、丙、丁、戊五位同学有两位同学测同一支钢笔的长度,测得的结果分别是12.82 cm、12.83 cm、12.8 cm、14.82 cm、12.80 cm。
(1)各个同学测量结果都有一定的差异,是因为测量时存在________,这个是________(填可以或不可以)消除的。
(2)其中测量结果显示明显错误操作的是________同学,这个是________(填可以或不可以)避免的。
(3)若其他四位同学在测量时都没有出现错误,则结果不同的原因是因为刻度尺的________不同。
(4)如果正确测量四位的同学所用刻度尺的分度值都是1 mm,则________同学的测量结果又是错误的,其原因是________________________。
(5)用这把分度值为1 mm的刻度尺,测得钢笔的长度应该是________cm。
初中物理人教版八年级上册第1节 长度和时间的测量同步训练题: 这是一份初中物理人教版八年级上册第1节 长度和时间的测量同步训练题,共26页。
人教版八年级物理上册同步考点专题训练 1.1 长度和时间的测量(原卷版+解析版): 这是一份人教版八年级物理上册同步考点专题训练 1.1 长度和时间的测量(原卷版+解析版),文件包含人教版八年级物理上册同步考点专题训练11长度和时间的测量原卷版docx、人教版八年级物理上册同步考点专题训练11长度和时间的测量解析版docx等2份试卷配套教学资源,其中试卷共32页, 欢迎下载使用。
人教版八年级上册物理第1章期末专题复习:1.1长度和时间的测量: 这是一份人教版八年级上册物理第1章期末专题复习:1.1长度和时间的测量,共3页。试卷主要包含了选择题,填空题,综合题等内容,欢迎下载使用。