2021-2022学年苏科版初二物理下册期末复习《压强与浮力》《固体压强》考点+训练(含答案)
展开
这是一份2021-2022学年苏科版初二物理下册期末复习《压强与浮力》《固体压强》考点+训练(含答案),共15页。试卷主要包含了简单压强的计算的几种形式,对于柱状固体的压强计算,切割问题,固体压强叠放问题,增大减小压强的方法,探究影响压力作用效果的因素,如图所示,均匀长方体甲等内容,欢迎下载使用。
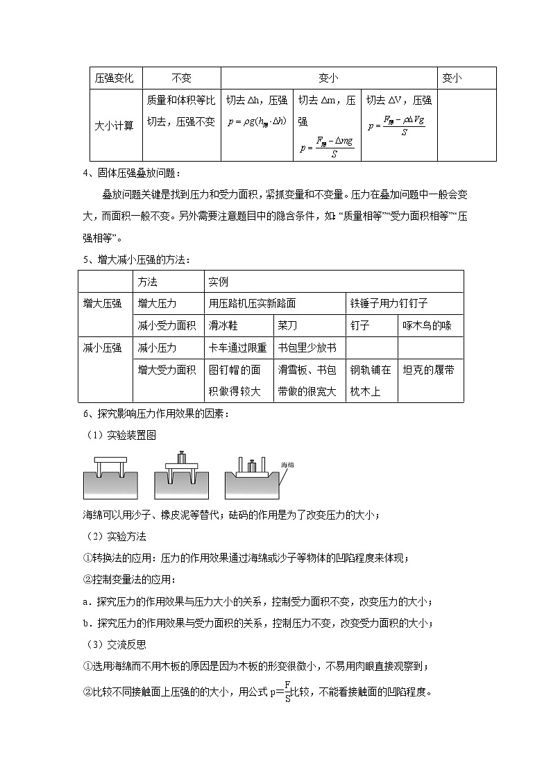
固体压强1、简单压强的计算的几种形式(A的重力GA,B的重力GB,外力F’,A与接触面的面积S,A放在水平面上或被压在竖直面):固体压强的计算注意从两方面入手:(1)找对压力:压力F是指施加在物体上的压力,不能等同于重力,只有当物体自由放置在水平面上时,压力F的大小才等于物体所受的重力,压强的计算压力的求法可以结合上表,对准模型。(2)找对受力面积,受力面积S是指物体间相互接触并相互挤压部分的面积,不一定等于物体的底面积;另外,还要会面积单位换算。1m2=104cm2,1m2=102dm2。2、对于柱状固体的压强计算:柱状固体的是体积V=Sh,所以当柱状固体放在水平面上时,F=G=mg=ρVg=ρShg,对水平面对压强。即柱状固体对水平面的压强可以用p=ρgh计算。3、切割问题(水平面上的自由柱体): 压力变化变小变小变小压强变化不变变小变小大小计算质量和体积等比切去,压强不变切去Δh,压强切去Δm,压强 切去ΔV,压强 4、固体压强叠放问题:叠放问题关键是找到压力和受力面积,紧抓变量和不变量。压力在叠加问题中一般会变大,而面积一般不变。另外需要注意题目中的隐含条件,如:“质量相等”“受力面积相等”“压强相等”。 5、增大减小压强的方法: 方法实例增大压强增大压力用压路机压实新路面铁锤子用力钉钉子减小受力面积滑冰鞋 菜刀钉子啄木鸟的喙减小压强减小压力卡车通过限重书包里少放书 增大受力面积图钉帽的面积做得较大滑雪板、书包带做的很宽大钢轨铺在枕木上坦克的履带6、探究影响压力作用效果的因素:(1)实验装置图海绵可以用沙子、橡皮泥等替代;砝码的作用是为了改变压力的大小;(2)实验方法①转换法的应用:压力的作用效果通过海绵或沙子等物体的凹陷程度来体现;②控制变量法的应用:a.探究压力的作用效果与压力大小的关系,控制受力面积不变,改变压力的大小;b.探究压力的作用效果与受力面积的关系,控制压力不变,改变受力面积的大小;(3)交流反思①选用海绵而不用木板的原因是因为木板的形变很微小,不易用肉眼直接观察到;②比较不同接触面上压强的的大小,用公式p=比较,不能看接触面的凹陷程度。(4)实验结论:当受力面积一定时,压力越大,作用效果越明显;当压力一定时,压力的受力面积越小,作用效果越明显。 一、题型分析选择、填空、实验、计算都有出现,形式灵活多样。侧重计算考查的省份难度稍大,侧重切割与叠放等问题。二、典例精析★考点一:压强的简单计算及增大、减小压强的方法◆典例一:(2019·徐州)一位同学体重为600 N,自然站立在水平地面上,对地面压力为____N,双脚站立时对地面的压强比行走时____;某沼泽地能承受的压强为2×104Pa,这位同学与沼泽地的接触面积至少为____m2,才不会陷入沼泽地。◆典例二:(2019·常州)以下四个增大压强的情境中,所用方法与另三个不同的是( )
A.盲道上有凸起的小圆点
B.菜刀刀刃很锋利
C.压路机的碾子很重
D.注射器的针头很尖★考点二:复杂固体压强的计算◆典例一:(2019·黄石)如图所示,有三个实心圆柱体甲、乙、丙,放在水平地面上,其中甲、乙高度相同,乙、丙的底面积相同,三者对地面的压强相等,下列判断正确的是( )A.ρ甲=ρ乙>ρ丙 B.ρ甲=ρ乙=ρ丙 C.m甲=m乙=m丙 D.m甲>m乙=m丙◆典例二:(2019·重庆A)小杨选择了两个高度分别为10 cm和6 cm,底面积SA:SB= 1:3的实心均匀的圆柱体A、B进行工艺品搭建,A、B置于水平桌面上,如图1所示。他从A的上表面沿水平方向截取高为h的圆柱块,并将截取部分平放在B的中央,则AB对桌面的压强随截取高度h的变化关系如图2所示,求:(1)圆柱体A的密度;(2)从A截取h=6cm的圆柱块平放在B的中央,B对桌面的压强增加量;(3)图2中a的值。1、(2019·河南)少林功夫驰名中外,某武术爱好者用如图所示的姿势练功时,他对水平地面的压力是由于____发生形变而产生的;若他对地面的压强为p,则他其中一只脚对地面的压强为____。2、(2019·北京)如图所示,两手的食指分别用沿水平方向的力顶在削好的铅笔两端,使铅笔保持水平静止.下列说法中正确的是( )A.铅笔对左侧食指的压力较大 B.铅笔对右侧食指的压力较大C.铅笔对右侧食指的压强较大 D.铅笔对两侧食指的压强大小相等4、(2019·绥化)如图所示的四个实例中,属于增大压强的是( ) 5、(2019·枣庄)下列现象,属于减小压强的是( )6、(2019·益阳)家用小轿车每个车轮与地面的接触面积为0.01m2,车重1.2×104N。驾驶员及乘客共重3×103N。在水平地面上小轿车对地面的压强是( )A.3.00×105Pa B.3.75×105Pa C.1.20×106Pa D.1.50×106Pa7、(2019·内江)如图所示,有两组同样的砖,A组一块,B组两块.每块砖平放时的长:宽:高为4:2:1。A组砖对地面的压力和压强分别为FA和pA,B组砖对地面的压力和压强分别为FB和pB,则FA____FB,pA____pB。(填“>”“=”或“<”)A B 8、(2019·聊城)A、B两个实心正方体的质量相等,密度之比ρA∶ρB=8∶1,若按甲、乙两种不同的方式,分别将它们叠放在水平地面上(如图所示),则地面受到的压力之比和压强之比分别是( )A.F甲∶F乙=1∶1,p甲∶p乙=1∶2 B.F甲∶F乙=1∶1,p甲∶p乙=1∶4C.F甲∶F乙=1∶2,p甲∶p乙=2∶1 D.F甲∶F乙=8∶1,p甲∶p乙=1∶89、(2019·上海)如图所示,均匀长方体甲、乙放在水平地面上,甲、乙的底面积分别为S、S′(S>S′),此时它们对地面的压强相等。现将甲、乙顺时针旋转90°后,甲、乙的底面积分别为S′、S,关于此时甲、乙对地面的压强p甲、p乙和对地面的压强变化Δp甲、Δp乙的大小关系,下列判断正确的是( )A.p甲<p乙,Δp甲>Δp乙 B.p甲<p乙,Δp甲<Δp乙C.p甲>p乙,Δp甲>Δp乙 D.p甲>p乙,Δp甲<Δp乙10、(2019·重庆B)如图所示,将圆柱体甲、乙放在水平面上,已知ρ甲 >ρ乙,若沿水平方向切除相同的高度Δh,则下列图像中能正确表示余下部分对地面的压强p′与切去部分高度Δh的关系是( ) A. B. C. D. 11、(2019·南京)2019年我国航天事业取得了世界瞩目又一项成就——“玉兔二号”月球车成功登陆月球背面。图示为科技馆展厅内“玉免二号”月球车的模型,质量为36kg。(1)模型车静止时在水平地面上时,它对地面的压力为多少牛?(g取l0N/kg)(2))若车轮与地面的总接触面积为400cm2,则车时地面的压强为多少帕?12、(2019·衡阳)在探究“压力的作用效果与哪些因素有关”的实验中,小刚利用了两个相同的木块和一块海绵,进行了如图所示的实验。(1)实验中通过观察海绵的凹陷程度来比较压力的作用效果,这种物理学研究方法也运用于以下________(选填“A”“B”或“C”)实验中;A.在用两只完全相同的蜡烛探究平面镜成像的特点B.当电压一定时,探究电流与电阻的关系C.用吸引大头针的多少比较电磁铁磁性的强弱(2)对比甲、乙两图,可以得出:当压力一定时,________越小,压力的作用效果越明显;(3)对比甲、丁两图,小刚认为压力的作用效果与压力大小无关。你认为他的观点________(选填“正确”或“错误”),并说明理由:____________________________________。13、(2018·河北)实心圆柱体甲和长方体乙分别放置在水平地面上,甲的密度为0.6×103 kg/m3,质量为12 kg、底面积为4×10-2 m2,乙的质量为5.4 kg,边长分别为0.1 m、0.2 m、0.3 m。(g取10 N/kg)(1)求乙的密度;(2)求甲直立时对水平地面的压强;(3)若在甲的上方水平截去一段并叠放在乙的正上方后、甲剩余圆柱体对水平地面的压强恰好等于此时乙对水平地面压强的最小值,求甲截去的高度。 二、典例精析★考点一:压强的简单计算及增大、减小压强的方法◆典例一:(2019·徐州)一位同学体重为600 N,自然站立在水平地面上,对地面压力为____N,双脚站立时对地面的压强比行走时____;某沼泽地能承受的压强为2×104Pa,这位同学与沼泽地的接触面积至少为____m2,才不会陷入沼泽地。【答案】600 小 0.03。【解析】(1)因水平面上物体的压力和自身的重力相等,所以,自然站立在水平地面上或行走时的压力:F=G=600N;双脚站立时受力面积为两只脚与地面的接触面积之和,行走时受力面积为一只脚与地面的接触面积,由可知,双脚站立对地面的压强比行走时小;由可得,受力面积即这位同学与沼泽地的接触面积。【考点】固体压强。◆典例二:(2019·常州)以下四个增大压强的情境中,所用方法与另三个不同的是( )
A.盲道上有凸起的小圆点 B.菜刀刀刃很锋利
C.压路机的碾子很重 D.注射器的针头很尖【答案】C。【解析】盲道上有凸起的小圆点、菜刀刀刃很锋利、注射器的针头很尖都是采用减小受力面积增大压强的,而压路机的碾子很重是通过增大压力从而增大压强的,故选C。【考点】固体压强。★考点二:复杂固体压强的计算◆典例一:(2019·黄石)如图所示,有三个实心圆柱体甲、乙、丙,放在水平地面上,其中甲、乙高度相同,乙、丙的底面积相同,三者对地面的压强相等,下列判断正确的是( )A.ρ甲=ρ乙>ρ丙 B.ρ甲=ρ乙=ρ丙 C.m甲=m乙=m丙 D.m甲>m乙=m丙【答案】A。【解析】甲、乙、丙都是实心圆柱体,水平地面的压强可以用公式计算。由题意可知,甲、乙、丙的高度h甲=h乙<h丙,且三者对地面的压强相等,所以三圆柱体的密度关系为ρ甲=ρ乙>ρ丙,A正确,B错误;由图知甲、乙的底面积S甲<S乙,高度h甲=h乙,所以V甲<V乙,又ρ甲=ρ乙,根据m=ρV得,甲、乙圆柱体的质量关系为m甲<m乙;乙、丙的底面积S乙=S丙,对地面的压强相等,由pS=F=G=mg可知,乙丙圆柱体的质量关系为m乙=m丙;三圆柱体的质量关系是m甲<m乙=m丙,C、D错误。故选A。【考点】固体压强。◆典例二:(2019·重庆A)小杨选择了两个高度分别为10 cm和6 cm,底面积SA:SB= 1:3的实心均匀的圆柱体A、B进行工艺品搭建,A、B置于水平桌面上,如图1所示。他从A的上表面沿水平方向截取高为h的圆柱块,并将截取部分平放在B的中央,则AB对桌面的压强随截取高度h的变化关系如图2所示,求:(1)圆柱体A的密度;(2)从A截取h=6cm的圆柱块平放在B的中央,B对桌面的压强增加量;(3)图2中a的值。【答案】(1)2×103kg/m3 (2)400Pa(3)3cm。【解析】(1)从A的上表面沿水平方向截取高为h的圆柱块,并将截取部分平放在B的中央,则A对桌面的压强逐渐减小,B对桌面的压强逐渐增加,可以判断A的最初压强是2000Pa,由于均匀柱体对水平面的压强是p=ρgh,所以,圆柱体A的密度是:;(2)从A截取h=6cm的圆柱块的重力是:△GA =ρA g△hA SA ,由于SA :SB =1:3,所以,将圆柱块平放在B的中央时,B对桌面的压强增加量是:;(3)由图象可知,B的最初压强是1200Pa,所以,由p=ρgh知道圆柱体B的密度是:。由图象知道,截取高度a,剩下部分A和截取后叠加B的压强相等,即pA '=pB ',所以 ,又因为ρA =ρB ,SA :SB =1:3(即SB =3SA ),所以化简代入数据解得:a=0.03m=3cm。【考点】固体压强。 1、(2019·河南)少林功夫驰名中外,某武术爱好者用如图所示的姿势练功时,他对水平地面的压力是由于____发生形变而产生的;若他对地面的压强为p,则他其中一只脚对地面的压强为____。【答案】鞋(脚);p。【解析】他对水平地面的压力,施力物体是脚(鞋),则他对地面的压力是由于脚(鞋)发生形变而产生的;人双脚对地面的压力F=G,受力面积为S,压强;结合图中的姿势可知,一只脚对地面的压力,受力面积,一只脚对地面的压强。【考点】固体压强。2、(2019·北京)如图所示,两手的食指分别用沿水平方向的力顶在削好的铅笔两端,使铅笔保持水平静止.下列说法中正确的是( )A.铅笔对左侧食指的压力较大 B.铅笔对右侧食指的压力较大C.铅笔对右侧食指的压强较大 D.铅笔对两侧食指的压强大小相等【答案】C。【解析】铅笔处于静止状态,受到两手指的压力是一对平衡力,所以两手指对铅笔的压力相等,由于手指对铅笔的压力与铅笔对手的压力一对相互作用力,所以两手指受到的铅笔的压力也相等,A、B错误;由于铅笔的两端的受力相同,右边的受力面积小,由可知右边手指受到的压强较大,故C正确,D错误。故选C。【考点】固体压强。4、(2019·绥化)如图所示的四个实例中,属于增大压强的是( )【答案】D。【解析】滑雪板面积较大,是在压力一定时,通过增大受力面积减小压强的,A错误;骆驼有宽大的脚掌是在压力一定时,通过增大受力面积减小压强的,B错误;铁轨下铺设枕木是是在压力一定时,通过增大受力面积减小压强的,C错误;破窗锤敲击端做成锥状是是在压力一定时,通过减小受力面积来增大压强的,D正确。故选D。【考点】固体压强。5、(2019·枣庄)下列现象,属于减小压强的是( )【答案】D【解析】蚊子的口器很尖,减小了受力面积,增大了压强,A错误;鳄鱼的牙齿很锋利,减小了受力面积,增大了压强,B错误;啄木鸟的尖喙,是通过减小受力面积来增大压强,C错误;宽大的滑雪板,增大了受力面积,减小了压强,D正确。故选D。【考点】固体压强。6、(2019·益阳)家用小轿车每个车轮与地面的接触面积为0.01m2,车重1.2×104N。驾驶员及乘客共重3×103N。在水平地面上小轿车对地面的压强是( )A.3.00×105Pa B.3.75×105Pa C.1.20×106Pa D.1.50×106Pa【答案】B。【解析】汽车、驾驶员及乘客总的重力G=1.2×104N+3×103N=1.5×104N,汽车静止在水平地面上时对地面的压力F=G=1.5×104N,地面的受力面积S=4×0.01m2=0.04m2,汽车对水平地面的压强。故选B。【考点】固体压强。7、(2019·内江)如图所示,有两组同样的砖,A组一块,B组两块.每块砖平放时的长:宽:高为4:2:1。A组砖对地面的压力和压强分别为FA和pA,B组砖对地面的压力和压强分别为FB和pB,则FA____FB,pA____pB。(填“>”“=”或“<”)A B 【答案】< =。【解析】两组砖对地面的压力都等于其重力,即可F=G,A组一块,B组两块,FA=G,FB=2G,故FA<FB;A组砖侧放,则面积为SA=4×1=4,压强;B组砖平放,则面积为SB=4×2=8,压强,所以pA=pB。【考点】固体压强。8、(2019·聊城)A、B两个实心正方体的质量相等,密度之比ρA∶ρB=8∶1,若按甲、乙两种不同的方式,分别将它们叠放在水平地面上(如图所示),则地面受到的压力之比和压强之比分别是( )A.F甲∶F乙=1∶1,p甲∶p乙=1∶2 B.F甲∶F乙=1∶1,p甲∶p乙=1∶4C.F甲∶F乙=1∶2,p甲∶p乙=2∶1 D.F甲∶F乙=8∶1,p甲∶p乙=1∶8【答案】B。【解析】若按甲方式放置,将它们叠放在水平地面上,此时对地面的压力F甲=GA+GB,按乙方式放置,将它们叠放在水平地面上,此时对地面的压力F乙=GA+GB,F甲=F乙,故F甲:F乙=1:1;由于,ρA:ρB=8:1,mA:mB=1:1,则VA:VB=1:8,物体边长之比LA:LB=1:2,面积之比SA:SB=1:4,由于F甲:F乙=1:1,所以地面受到压强之比为。故选B。【考点】固体压强。9、(2019·上海)如图所示,均匀长方体甲、乙放在水平地面上,甲、乙的底面积分别为S、S′(S>S′),此时它们对地面的压强相等。现将甲、乙顺时针旋转90°后,甲、乙的底面积分别为S′、S,关于此时甲、乙对地面的压强p甲、p乙和对地面的压强变化Δp甲、Δp乙的大小关系,下列判断正确的是( )A.p甲<p乙,Δp甲>Δp乙 B.p甲<p乙,Δp甲<Δp乙C.p甲>p乙,Δp甲>Δp乙 D.p甲>p乙,Δp甲<Δp乙【答案】C。【解析】甲、乙的底面积分别为S、S'(S>S'),压强相等,根据 F=pS,可以判断甲对水平地面的压力大于乙对水平地面的压力,所以甲的重力大于乙的重力。甲、乙是长方体,当甲、乙顺时针旋转90°后,甲、乙的底面积分别为S'、S,甲的受力面积减小,甲对水平地面的压力不变,甲对水平地面的压强增大,乙的受力面积增大,乙对水平地面的压力不变,乙对水平地面的压强减小,由于原来甲、乙对水平地面的压强相等,所以旋转后甲对水平地面的压强大于乙对水平地面的压强,即甲>p乙; ,因为面积变化相同,甲对地面的压力大于乙对地面的压力,所以甲对水平地面的压强变化量大于乙对地面的压强变化量即△p甲>△p乙。故选C。【考点】固体压强。10、(2019·重庆B)如图所示,将圆柱体甲、乙放在水平面上,已知ρ甲 >ρ乙,若沿水平方向切除相同的高度Δh,则下列图像中能正确表示余下部分对地面的压强p′与切去部分高度Δh的关系是( ) A. B. C. D. 【答案】D【解析】根据题意及图可知,ρ甲>ρ乙、h甲>h乙,由p=ρgh可知,p甲 >p乙,所以开始时甲图线在乙图线的上面,若沿水平方向切除相同的高度△h,由于ρ甲>ρ乙,所以△p甲>△p乙,即甲的压强减小的快,但由于甲的高度大于乙的高度,所以,甲的压强不可能比乙先变成零,故只有D正确。【考点】固体压强。11、(2019·南京)2019年我国航天事业取得了世界瞩目又一项成就——“玉兔二号”月球车成功登陆月球背面。图示为科技馆展厅内“玉免二号”月球车的模型,质量为36kg。(1)模型车静止时在水平地面上时,它对地面的压力为多少牛?(g取l0N/kg)(2))若车轮与地面的总接触面积为400cm2,则车时地面的压强为多少帕?【答案】(1)360N (2)9×103Pa。【解析】(1)模型车静止时在水平地面上时,模型车对地面的压力等于物体的重力,即F=G=mg=36kg×l0N/kg=360N;(2)S=400cm2=4×l0-2m2,根据压强公式,车时地面的压强。【考点】固体压强。12、(2019·衡阳)在探究“压力的作用效果与哪些因素有关”的实验中,小刚利用了两个相同的木块和一块海绵,进行了如图所示的实验。(1)实验中通过观察海绵的凹陷程度来比较压力的作用效果,这种物理学研究方法也运用于以下________(选填“A”“B”或“C”)实验中;A.在用两只完全相同的蜡烛探究平面镜成像的特点B.当电压一定时,探究电流与电阻的关系C.用吸引大头针的多少比较电磁铁磁性的强弱(2)对比甲、乙两图,可以得出:当压力一定时,________越小,压力的作用效果越明显;(3)对比甲、丁两图,小刚认为压力的作用效果与压力大小无关。你认为他的观点________(选填“正确”或“错误”),并说明理由:____________________________________。【答案】(1)C (2)受力面积 (3)错误 没有控制受力面积一定。【解析】(1)实验中通过观察海绵的凹陷程度来比较压力的作用效果,这种物理学研究方法叫转换法。用两只完全相同的蜡烛探究平面镜成像的特点,采用的是等效替代法;当电压一定时,探究电流与电阻的关系,采用的是控制变量法;电磁铁磁性的强弱不能直接看到,但可以用吸引大头针的多少比较电磁铁磁性的强弱,即采用了转换法;故选C。(2)对比甲、乙两图知道,物体对海绵的压力相同,但接触面不同,所以得出的结论是:当压力一定时,受力面积越小,压力的作用效果越明显;(3)若研究压力的作用效果与压力大小的关系,需要控制受力面积相同,但甲、丁两图中受力面积不同,即没有控制受力面积相同,所以他的观点是错误的。【考点】固体压强。13、(2018·河北)实心圆柱体甲和长方体乙分别放置在水平地面上,甲的密度为0.6×103 kg/m3,质量为12 kg、底面积为4×10-2 m2,乙的质量为5.4 kg,边长分别为0.1 m、0.2 m、0.3 m。(g取10 N/kg)(1)求乙的密度;(2)求甲直立时对水平地面的压强;(3)若在甲的上方水平截去一段并叠放在乙的正上方后、甲剩余圆柱体对水平地面的压强恰好等于此时乙对水平地面压强的最小值,求甲截去的高度。【答案】(1)0.9×103kg/m3 (2)3×103Pa (3)0.21m。【解析】(1)长方体乙的质量m乙=5.4kg,体积V乙=abc=0.1m×0.2m×0.3m=6×10-3m3,乙的密度; (2))甲直立时对水平面的压力F甲=G甲=m甲g=12kg×10N/kg=120N,S甲=4×10-2m2, ; (3)对于圆柱体甲,对水平面的压强,圆柱体甲的高度,当截去的高度h’后,甲对水平面的压强p甲’=ρ甲g(h-h’);截去的部分放在乙的正上方后,要使乙对水平面的压强最小,则乙的受力面积(乙的底面积)应最大,此时乙的受力面积S乙=bc=0.2 m×0.3 m=6×10-2 m2,乙对水平面的压强,由题意可知ρ甲g(h-h’)=,带入数据解得h’=0.21m。【考点】固体压强。
相关试卷
这是一份初中物理苏科版八年级下册第十章 压强和浮力综合与测试课后复习题,共32页。
这是一份物理苏科版第十章 压强和浮力综合与测试课后练习题,共32页。
这是一份2021-2022学年苏科版初二物理下册期末复习《压强与浮力》《四种方法计算浮力》考点+训练(含答案),共16页。试卷主要包含了压力差法,称重法,原理法,平衡法,求解浮力问题的一般步骤等内容,欢迎下载使用。

