


高中物理鲁科版 (2019)选择性必修 第二册第3节 大显身手的传感器巩固练习
展开2021-2022学年鲁科版(2019)选择性必修第二册
5.3大显身手的传感器 课时练(解析版)
1.有这样一只音乐茶杯,茶杯平放桌上时,无声无息,提起茶杯,茶杯边播放悦耳的音乐,边闪烁着五彩的光芒,当用书挡住底部时(不与底部接触),音乐停止,音乐茶杯中所用的元件属于哪类传感器( )
A.超声波传感器 B.温度传感器
C.压力传感器 D.光电传感器
2.图甲虚线框内所示是电子秤测量部分的原理图,压力传感器的电阻R随压力F的变化如图乙所示。开关闭合后,压力传感器两端的电压恒为6.0 V。电流表的量程为0.6 A。电表的内阻、踏板和压杆的质量可以忽略不计。则电子秤( )
A.最大称量值为1500 N B.压力传感器的电阻最小为0
C.空载时,电流表的读数为20mA D.称重为900N时,电阻R为110Ω
3.广州二中高中部有不少电子设备,其中没有应用了电磁感应原理的是( )
A.教职工洗手间的红外感应水龙头 B.图书馆书籍的电子感应标签
C.教工宿舍铁门的电子感应钥匙 D.教工宿舍使用的电磁炉
4.电磁学的成就极大地推动了人类社会的进步。下列说法正确的是( )
A.甲图是某品牌的无线充电手机利用电磁感应方式充电的原理图,无线充电时手机接收线圈部分的工作原理是“电流的磁效应”
B.在乙图中,开关由闭合变为断开,则断开瞬间触头C马上离开触点
C.在丙图中,钳形电流表是利用电磁感应原理制成的,它的优点是不需要切断导线,就可以方便地测出通过导线中交变电流的大小
D.丁是电容式话筒的电路原理图,声波的振动会在电路中产生恒定的电流
5.在制作光控电路实验中,某同学按图所示电路将元件安装完毕后,发现将装置置入黑暗环境中接通电源时,灯泡不发光,原因不可能是( )
A.二极管两极接反 B.R1与RG位置颠倒 C.R1阻值太小 D.灯泡被断路
6.常用的计算机键盘就是一种传感器。如图所示,键盘上每一个键的下面都连一小金属片,与该金属片隔有一定空气间隙的是另一小的固定金属片,这两金属片组成一个小电容器。当键被按下时,此小电容器的电容发生变化,与之相连的电子线路就能够检测出哪个键被按下,从而给出相应的信号。这种计算机键盘使用的是( )
A.温度传感器
B.电容式传感器
C.磁传感器
D.光传感器
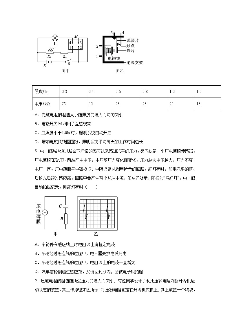
7.为了节能和环保,一些公共场所用光敏电阻来自动控制照明系统的开关,如图甲所示,其中电源电动势,内阻不计,定值电阻,电阻是光敏电阻,阻值大小随光的强弱变化而变化,二者对应关系截图如表所示,物理学中用照度描述光的强弱,光越强,照度越大,是照度的单位。是电磁开关,内部结构如图乙所示,当电磁铁中通过的电流大于时,电磁铁吸合铁片,下列说法正确的是( )
照度/ | 0.2 | 0.4 | 0.6 | 0.8 | 1.0 | 1.2 |
电阻/ | 75 | 40 | 28 | 23 | 20 | 18 |
A.光敏电阻的阻值大小随照度的增大而均匀减小
B.电磁开关利用了互感现象
C.当照度小于时,照明系统自动开启
D.增加电磁铁线圈匝数,照明系统平均每天的工作时间边长
8.电子眼系统通过路面下埋设的感应线来感知汽车的压力。感应线是一个压电薄膜传感器,压电薄膜在受压时两端产生电压,电压随压力变化而变化,压力越大电压越大,压力不变,电压一定。压电薄膜与电容器C、电阻R组成图甲所示的回路。红灯亮时,如果汽车的前、后轮先后经过感应线,回路中会产生两个脉冲电流,如图乙所示,即视为“闯红灯”,电子眼自动拍照记录。则红灯亮时( )
A.车轮停在感应线上时电阻R上有恒定电流
B.车轮经过感应线的过程中,电容器先放电后充电
C.车轮经过感应线的过程中,电阻R上的电流一直增大
D.汽车前轮刚越过感应线,又倒回到线内,会被电子眼拍照
9.压敏电阻的阻值随所受压力的增大而减小,有位同学设计了利用压敏电阻判断升降机运动状态的装置,其工作原理如图所示。将压敏电阻固定在升降机底板上,其上放置一个物块,在升降机运动过程的某一段时间内,发现电流表的示数不变,且I大于升降机静止时电流表的示数I0,在这段时间内( )
A.升降机可能匀速上升
B.升降机一定匀减速上升
C.升降机一定处于失重状态
D.通过压敏电阻的电流一定比电梯静止时大
10.压敏电阻的阻值会随所受压力的增大而减小。一同学利用压敏电阻设计了判断升降机运动状态的装置,如图甲所示,将压敏电阻平放在升降机内,受压面朝上,在上面放一物体m,升降机静止时电流表示数为I0。某过程中电流表的示数如图乙所示,则在此过程( )
A.物体处于超重状态 B.物体处于失重状态
C.升降机一定向上做匀加速运动 D.升降机可能向下做匀减速运动
11.图甲虚线框内所示是电子秤测量部分的原理图,压力传感器的电阻R随压力F的变化如图乙所示。开关闭合后,压力传感器两端的电压恒为6.0 V。电流表的量程为0.6 A。电表的内阻、踏板和压杆的质量可以忽略不计。则电子秤( )
A.最大称量值为1500 N B.压力传感器的电阻最小为0
C.空载时,电流表的读数为20mA D.称重为900N时,电阻R为120Ω
12.判断下列说法的正误。
(1)传感器可以把非电学量转化为电学量。(____)
(2)光敏电阻的阻值随光照的强弱而变化,光照越强电阻越大。(____)
(3)热敏电阻一般用半导体材料制作,导电能力随温度的升高而增强,但灵敏度低。(____)
(4)电阻应变片能够把物体的形变情况转变为电阻的变化。(____)
13.电阻应变效应:_________在外力作用下发生机械形变时,其电阻也随之变化的现象。
14.金属热电阻:金属的电阻率随温度的____而增大,利用这一特性,金属丝可以制作成_____传感器,称为热电阻。
15.热敏电阻:用_____材料制成,氧化锰制成的热敏电阻的阻值随温度的升高而____
16.为了儿童安全,必须检测布绒玩具中是否存在金属断针。通常先将玩具置于强磁场,磁化断针,再用磁报警装置进行检测。磁报警装置中的一部分电路示意图如图所示,其中RB是磁敏传感器,它的电阻随断针的出现而减小;R1、R2是定值电阻;a、b端接报警器。当传感器RB所在处出现断针时,电流表的电流I和a、b两端的电压U将怎样变化?为什么?
17.温度传感器广泛应用于室内空调、电冰箱和微波炉等家电产品中,它是利用热敏电阻的阻值随温度的变化而变化的特性工作的。如图甲中,电源的电动势E=9.0 V,内电阻可忽略不计;G为灵敏电流表,内阻Rg保持不变;R为热敏电阻,其电阻值与温度的变化关系如图乙的Rt图线所示,闭合开关,当R的温度等于120 ℃时,电流表示数I1=3 mA,求:
(1)电流表G的内阻Rg。
(2)当电流表的示数I2=1.8 mA时,热敏电阻R的温度。
18.调查你家里的用电器,填写下列各用电器中可能选用的传感器(用“√”表示选用),说明它们各自的作用。
| 电视 | 冰箱 | 洗衣机 | 热水器 | 微波炉 | 煤气用具 | 空气净化器 |
温度传感器 |
|
|
|
|
|
|
|
光传感器 |
|
|
|
|
|
|
|
压力传感器 |
|
|
|
|
|
|
|
湿度传感器 |
|
|
|
|
|
|
|
气体传感器 |
|
|
|
|
|
|
|
19.某同学在研究性学习活动中自制电子秤,原理示意图如图所示。用理想电压表的示数指示物体的质量,托盘与电阻可忽略的金属弹簧相连,托盘与弹簧的质量均不计,滑动变阻器R的滑动端与弹簧上端连接。当托盘中没有放物体时,滑片恰好指在变阻器的最上端,此时电压表示数为0。设变阻器总电阻为R,总长度为l,电源电动势为E,内阻为r,限流电阻阻值为,弹簧劲度系数为k,不计一切摩擦和其他阻力。试推导出电压表示数U与所称物体质量m的关系式。
20.许多会议室和宾馆房间的天花板上都装有火灾报警器。有一种火灾报警器是利用烟雾对光的散射来工作的。如图所示,带孔的罩子内装有发光二极管LED、光电三极管(也是一种晶体管,有三个电极,当光照强弱变化时,电极间的电阻随之变化)和不透明的挡板。平时,光电三极管接收不到LED发出的光,呈现高电阻状态。烟雾进入罩内后对光有散射作用,使部分光线照射到光电三极管上,其电阻变小,与传感器连接的电路检测出这种变化,就会发出警报。
你能说说类似这种光电式传感器还能在哪些场合应用吗?
参考答案
1.D
【详解】
茶杯平放在桌上时和提起后用书挡住底部(不与底部接触)时都没有光照,说明音乐茶杯中所用的传感器与光照有关,而与压力无关,所以音乐茶杯中所用的元件属于光电传感器,故ABC错误,D正确。
故选D。
2.C
【详解】
A.由图像得到
知 ,当电阻R=0时,压力
但回路中的电阻不可能为零,则压力最大值不可能为1500N,故A错误;
B.压力传感器的电阻为零时,电源短路,则压力传感器的电阻最小不可能为零,故B错误;
C.空载时,F=0,根据图像知此时R=300Ω,由
故C正确;
D.当F=900N,由
可得
R=120Ω
故D错误。
故选C。
3.A
【详解】
A.非触摸式自动水龙头利用的是红外线传感器,故A正确;
BCD.图书馆书籍的电子感应标签,教工宿舍铁门的电子感应钥匙,都是通过电磁感应完成信息传递;电磁炉,是利用涡流现象工作的,应用了电磁感应原理;故BCD错误。
故选A。
4.C
【详解】
A.甲图是某品牌的无线充电手机利用电磁感应方式充电的原理图,无线充电时,发射线圈部分的工作原理是“电流的磁效应”, 无线充电时手机接收线圈部分的工作原理是“电磁感应”所以A错误;
B.在乙图中,开关由闭合变为断开,则断开瞬间触头C不会马上离开触点,因为B线圈中有感应电流产生,则触头慢慢离开触点,所以B错误;
C.在丙图中,钳形电流表是利用电磁感应原理制成的电流互感器,它的优点是不需要切断导线,就可以方便地测出通过导线中交变电流的大小,所以C正确;
D.丁是电容式话筒的电路原理图,声波的振动会在电路中产生周期性变化的电流,所以D错误;
故选C。
5.C
【详解】
A.由题可知若二极管接反,光线暗时,二极管上为负向电压,无法导通,灯泡不亮,选项A可能;
B.若R1与RG位置颠倒,则光线较暗时,Y端为高电平,二极管不导通,灯泡不发光,选项B可能;
C.若R1阻值太小,Y端一直为低电平,灯泡一直发光,选项C不可能;
D.灯泡断路时无法发光,选项D可能。
本题选不可能的,故选C。
6.B
【详解】
当键被按下时,此小电容器的电容发生变化,用力不同,极板间的距离不同,电容变化不同,与之相连的电子线路就能够检测出哪个键被按下,从而给出相应的信号,键盘用的是电容式传感器,所以B正确;ACD错误;
故选B。
7.C
【详解】
A.根据图丙可知,光敏电阻阻值大小随照度的增大而减小,但不是均匀减小,A选项错误;
B.电磁开关中含有电磁铁,利用了电流的磁效应现象,B选项错误;
C.根据题意,当电磁铁不吸合铁片时,照明系统开启,即通过光敏电阻的电流小于等于,结合
得
即当照度小于时,照明系统自动开启,C选项正确;
D.若电磁铁的线圈匝数增加,根据电流磁效应可知,电磁铁中通入小于的电流就能吸合铁片,使照明系统断开,即照度小于时照明系统依然断开,则该照明系统平均每天的工作时间变短,D选项错误;
故选C。
8.D
【详解】
A.汽车停在感应线上时,汽车对压电薄膜的压力不变,电压恒定,电路中没有电流,A错误;
BC.车轮经过感应线时,电容器先充电后放电,电流不会一直增大, BC错误;
D.汽车前轮两次经过感应线,产生两个脉冲电流,所以会被电子眼拍照,D正确。
故选D。
9.C
【详解】
A.在升降机运动过程中发现I大于升降机静止时电流表的示数I0,说明此时压敏电阻的阻值大于升降机静止时的阻值,则压敏电阻所受的压力小于升降机静止时的压力,升降机不可能匀速运动,故A错误;
B.在升降机运动过程中发现电流表不变,说明是匀变速运动,且I大于升降机静止时电流表的示数I0,可知外电压变大,内电压变小,说明总电流变小,所以总电阻变大,压敏电阻的阻值变大。由压敏电阻的阻值随所受压力的增大而减小,则知压力变小,因此加速度方向向下,可能向下匀加速,也可能向上匀减速。故B错误;
C.升降机的加速度向下,一定处于失重状态。故C正确;
D、电路中总电流变小,而通过电流表的电流变大,则R的电流变小,所以通过压敏电阻的电流一定比电梯静止时小,故D错误。
故选C。
10.AD
【详解】
AB.升降机静止时电流表示数为I0,而运动过程中电流表示数为2I0,由欧姆定律分析压敏电阻的阻值变小,说明压敏电阻所受压力增大,大于重力,则物体处于超重状态,故A正确,B错误;
CD.升降机具有向上的加速度,可能向上匀加速运动也可能向下做匀减速运动,故C错误,D正确。
故选AD。
11.CD
【详解】
A.由图像得到
知 ,当电阻
时,压力
但回路中的电阻不可能为零,则压力最大值不可能为1500N,故A错误;
B.压力传感器的电阻为零时,电源短路,则压力传感器的电阻最小不可能为零,故B错误;
C.空载时
根据图像知此时
由
故C正确;
D.当
由
可得
故D正确。
故选CD。
12.正确
错误 错误
正确
【详解】
略
13.金属导体
【详解】
略
14.升高 温度
【详解】
略
15.半导体 减小
【详解】
略
16.电流I增大,a、b两端的U变小,见解析
【详解】
发现断针时,磁敏电阻的阻值减小,则总阻值减小,由闭合电路的欧姆定律可知,电路中总电流增大,内电压增大,故路端电压减小,a、b两端的电压U减小;
因总电流增大,R1两端的电压增大,则并联电路两端的电压减小,故流过R2的电流I减小,根据并联电路的特点,总电流变大,则电流表的电流I增大。
17.(1)1 000 Ω;(2)20 ℃
【详解】
(1)由题图乙知热敏电阻R的温度在120 ℃时,电阻为2 kΩ,闭合电路的电流为I1=3 mA
根据闭合电路欧姆定律得
(2)当电流表的示数I2=1.8 mA时
由题图乙可知当热敏电阻R阻值为4 000 Ω时的温度为20 ℃
18.见解析
【详解】
表中公选择了各用电器中常用的传感器而非全部。电视使用了红外传感器,遥控器发射红外信号,电视传感器感受信号实现对电视的遥控。冰箱、热水器、微波炉、煤气用具都使用了温度传感器,当达到设定温度时启动或停止工作。洗衣机使用了压力传感器实现多段水位控制。煤气用具有的使用气体传感器,当发生煤气泄漏,气体浓度达到设定值时发出警报。空气净化器使用气体传感器,当污染气体达到一定浓度时开启换气系统,它一般还使用了湿度传感器,当湿度不在设定的区间时,可以启动加湿或除湿系统。
19.
【详解】
当托盘中没有放物体时,电压表示数为零,当物体质量为m时,设物体下降x,平衡条件有:
mg=kx
根据欧姆定律得
故电压表读数为
根据电阻定律,有
联立解得
20.见详解
【详解】
(1)工业烟尘浊度监测:烟道里的烟尘浊度是用通过光在烟道里传输过程中的变化大小来检测的,如果烟道浊度增加,光源发出的光被烟尘颗粒的吸收和折射增加,使照射到光电三极管上的光线减少,其电阻变大,与传感器连接的电路检测出这种变化,因而光检测器输出信号的强弱便可反映烟道浊度的变化。
(2)条形码扫描笔:当扫描笔头在条形码上移动时,若遇到黑色线条,发光二极管的光线将被黑线吸收,光电三极管接收不到反射光,呈高阻抗,处于截止状态,当遇到白色间隔时,发光二极管所发出的光线,被反射到光电三极管的基极,光敏三极管产生光电流而导通,整个条形码被扫描过之后,光电三极管将条形码变形一个个电脉冲信号,该信号经放大、整形后便形成脉冲列,再经计算机处理,完成对条形码信息的识别。
(3)工业产品计数器或者银行点钞机:当产品陆续通过光源和光电传感器之间的时候,就会不断的遮挡相应的光源到光电传感器相应的光路,光电三极管的电阻就会发生变化,对于相应的光电脉冲电路就会产生电脉冲信号,当通过的产品遮光一次的时候,光电传感器电路就会生产一个脉冲,以此类推,最后输出脉冲数就是产品数,相应的计数会通过显示电路显示出来。
(4)测量机器转速:在电动机的旋转轴上涂上黑白两种颜色,转动时,反射光与不反射光交替出现,光电传感器相应地间断接收光的反射信号,并输出间断的电信号,再经放大器及整形电路放大整形输出方波信号,最后由电子数字显示器输出电机的转速。
鲁科版 (2019)选择性必修 第二册第1章 安培力与洛伦兹力第2节 洛伦兹力同步练习题: 这是一份鲁科版 (2019)选择性必修 第二册第1章 安培力与洛伦兹力第2节 洛伦兹力同步练习题,共17页。试卷主要包含了2洛伦兹力 课时练等内容,欢迎下载使用。
鲁科版 (2019)选择性必修 第二册第3节 自感现象与涡流同步达标检测题: 这是一份鲁科版 (2019)选择性必修 第二册第3节 自感现象与涡流同步达标检测题,共15页。试卷主要包含了3自感现象与涡流 课时练等内容,欢迎下载使用。
鲁科版 (2019)选择性必修 第二册第3节 大显身手的传感器课时练习: 这是一份鲁科版 (2019)选择性必修 第二册第3节 大显身手的传感器课时练习,共13页。试卷主要包含了3大显身手的传感器 跟踪训练,68V,则等内容,欢迎下载使用。