2022年中考物理第二轮复习专题训练+特殊法测电阻
展开
这是一份2022年中考物理第二轮复习专题训练+特殊法测电阻,共12页。
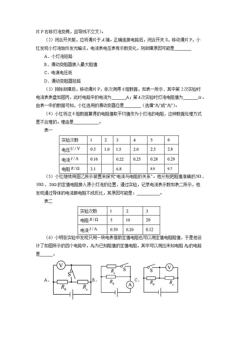
专题训练 特殊法测电阻 1.如图是用“伏安法”测定电阻的实验电路装置图。物理兴趣小组成员小丽和小刚学习了伏安法测电阻后一起测量电阻。(1)实验原理是______;(2)闭合开关前滑动变阻器滑片应移到最______(选填“左”或“右”);(3)闭合开关前发现,电流表指针向左偏转(如图甲所示),原因是______。排除故障后,调节滑动变阻器滑片,当电压表的示数为2.4V时,电流表的示数如图乙所示为______A,则被测电阻的阻值约为______Ω;(4)小丽仅把这一次实验测得的阻值作为最后的结果,你认为合适吗?______,理由是______;(5)同组的小刚用如题图器材测定值电阻的阻值时发现电压表已损坏,但滑动变阻器的最大阻值为R0,在不添加任何器材的情况下,请你根据如图测定未知电阻电路图Rx,写出简要实验步骤。①闭合S,滑片P移到最左端,读出电流表的示数为______;②闭合S,滑片P移到最右端读出电流表的示数为______;③写出电阻Rx的表达式______(用已知量和测量量表示)。2.小红和小明和小丹三名同学分别在做“测量小灯泡和定值电阻的阻值”的实验中,所用器材如下:两节干电池,标有2.5V相同规格的小灯泡。定值电阻若干,两个滑动变阻器R1“10;1A”、R2“20;2A”,开关、导线若干。(1)请你用笔画线代替导线,将图乙中的电路连接完整______(要求:滑动变阻器滑片P右移灯泡变亮,且导线不交叉)。(2)闭合开关前,应将滑片于A端。正确连接电路后,闭合开关S,移动滑片P,小红发现小灯泡始终发光暗淡,电流表电压表有示数变化,则故障原因可能是________A.小灯泡短路B.滑动变阻器接入最大阻值C.电源电压低D.滑动变阻器短路(3)排除故障后,移动滑片P,依次测得6组数据,如表一所示.其中第2次实验时电流表表盘如图丙,此时电路中的电流为_______A;第次实验时灯泡电阻值为_______。由表一中的数据可知,小红选用的滑动变器应是________(选填“R1”或“R2”)。(4)小红将这6组数据算得的电阻值取平均值作为小灯泡的电阻,这种数据处理方式是不合理的。理由是____________。表一实验次数电压电流 电阻 (5)小红继续用图乙所示装置来探究“电流与电阻的关系”。他分别把阻值准确的、、的定值电阻接入原小灯泡的位置,通过实验,记录电流表示数如表二所示,他发现通过导体的电流跟电阻不成反比,其原因可能是:___________。表二实验次数电阻电流(6)小明在实验中发现只用一块电表借助定值电阻也可以测定值电阻阻值,于是他设计了如图所示的四个电路中,R0为已知阻值的定值电阻,其中可以测出未知电阻RX的电路是______。A.B.C.D.(7)小丹在完成上述实验后,看到滑动变阻器的铭牌模糊不清,于是想测量变阻器的最大电阻RX,他找来一个已知阻值为R0的定值电阻替换了灯泡,同时撤去了电流表,并利用余下的器材(电压未知的电源、量程合适的电压表、滑动变阻器、开关各一个,导线若干),在不改动电压表位置及连线的情况下,很快测出了RX的大小。①请你把设计的电路图画在虚线框内______。 ②简述实验过程中要测量的物理量并用相应的字母表示。(a)滑动滑动变阻器_________;(b)滑动滑动变阻器__________;③RX=____________(用已知量和测量量表示)3.小明所在学习小组的同学进行了“测量定值电阻阻值”的实验。(1)该实验的原理是______;(2)如图甲所示,这是小明连接的部分电路,请你用笔画线代替导线,在图中将电路连接完整。要求:当滑动变阻器的滑片向右移动时,电路中的电流变大______;(3)闭合开关前,发现电压表指针指在“0”刻度线左侧,则小明接下来应该进行的操作是______;(4)实验时,闭合开关,当滑片P移动到某一位置时,电压表的示数为2.5V,电流表的示数如图乙所示,为______A,则待测电阻的阻值为Rx=______Ω;(5)实验中电流表突然损坏,同组的小丽同学说去掉电流表,将与电流表相连的两根导线互相连接,不增加其他器材也能测出电阻的阻值(滑动变阻器的最大阻值为R0),请你一起完成以下实验步骤。①闭合开关,将滑动变阻器的滑片移到最右端,读出电压表的示数为U;②______,读出电压表的示数为Ux;③待测定值电阻的阻值为Rx=______。4.如图甲所示为“伏安法”测电阻的电路,实验过程中电源电压保持不变。(1)请用笔画线表示导线,将图甲所示的实物连接成完整电路。要求:滑动变阻器的滑片P向右移动时,电流表示数变小(不要更改原有导线,导线不能交叉)______;(2)连接电路前,开关必须断开,电路接通前,滑动变阻器的滑片应该移至图中______处(选填“A”或“B”);(3)闭合开关后,发现电流表示数为零,但电压表有示数,查明电路中的故障只有一处,是待测电阻Rx______(选填“短路“或“断路”);(4)排除故障后,调节滑动变阻器连入电路中的阻值,记录每次对应的电流值和电压值,其中一次电流表和电压表的指针如图乙所示,请计算出电阻Rx为______Ω;(5)另一小组用相同的器材连接电路并进行实验,并根据所记录的实验数据绘制了如图丙所示的U﹣I图像。根据图像发现实验操作中出现的问题是电压表测量的是______(选填“待测电阻”或“滑动变阻器”)两端电压,根据该图像计算出被测电阻Rx为______;(6)在完成上述实验后,还想测另一未知电阻Rx1的阻值,但是电流表突然坏了,于是设计了如图所示的电路(R0为已知阻值的定值电阻),请把缺少的步骤补全,并写Rx1的表达式。实验步骤:①按照设计的电路图连接电路;②只闭合开关______,记下电压表的示数U0;③再闭合开关______,记下电压表的示数U;④Rx1=______(用已知量和测量量的符号表示)。5.小明用图甲所示的电路测量正常工作电压为2.5 V的小灯泡电阻,图乙是小明未完成连接的实验电路。(1)请你按照电路图,用笔画线代替导线,完成图乙中实验电路的连接;______(2)小明将电路连接正确后,闭合开关,发现小灯泡不亮,电压表无示数,电流表有示数,则原因可能是小灯泡______。纠正错误后,调节变阻器的滑片,使小灯泡刚好正常发光,此时电流表的示数如丙所示,电流表的读数是______A,小灯泡的阻值是______Ω(结果保留一位小数);(3)当电压值改变的时候,小灯泡的阻值会______(填“变化”或“不变”);(4)同学们根据串联电路的电压特点,重新设计了如图丁所示的电路(电源电压未知),利用电压表和定值电阻R0(已知阻值)测量未知定值电阻Rx的阻值,闭合开关S后,接下来的操作是:①闭合开关S1,断开开关S2,测得电压表的示数为U1;②闭合开关S2,断开开关S1(或同时闭合开关S1、S2),测得电压表的示数为U2;③表达式:______。6.如图甲所示是测量定值电阻R阻值的实验电路,器材可以满足实验要求。(1)同学们按照电路图正确连接电路后,闭合开关前滑动变阻器滑片应该移到最______端。闭合开关后,在滑动变阻器滑片的过程中,发现电流表示数始终为零,电压表示数为3V并保持不变。其原因可能是______;(2)故障排除后,闭合开关,移动滑动变阻器滑片,当电压表示数为1.6伏时,电流表实数如图乙,由乙图可知示数为______安,此时Rx的电阻为______欧;(3)改变电阻Rx、两端的电压进行了三次测量,你认为下列实验中多次测量的目的与本实验相同的是______(填序号);A.探究重力大小与质量的关系 B.测量物体的长度 C.研究杠杆的平衡条件(4)同学们又设计了两种测量方案,方案中定值电阻的阻值为R0;①方案一:闭合开关S,如果电压表V1和V2的读数分别为U1和U2,则电阻Rx的阻值表达式为Rx=______;②方案二:电路中Rx≠R0,将开关S接到a,读出电流表的示数I1,在将开关S接到b,读出电流表的示数I2;由I1R0=I2Rx可得,则该结果______(选填“正确”或“不正确”)。理由:______。若将方案二中的R0换成电阻箱,该实验电路______(选填“能”或“不能”)测量Rx的阻值;若将方案二中的变阻器换成电阻箱,电源电压恒定,该实验电路______(选填“能”或“不能”)测量Rx的阻值。7.科技小组用如图1所示电路测量定值电阻的阻值。(1)请用笔画线代替导线,将图中的器材连接成完整电路。要求:( )①滑片P向B端移动时,电流表示数变小;②连线不能交叉;(2)闭合开关后,发现电流表没有示数,电压表有示数,其原因可能是 ___________。A.定值电阻R短路B.定值电阻R开路C.滑动变阻器短路(3)问题解决后,闭合开关,滑片P移动到某一位置时,电压表的示数为2.5V,电流表的示数如图2所示,则R的阻值是 ___________Ω;(4)改变电阻两端电压,多次测量求平均值,分析数据,还可得出:导体电阻一定时,通过导体的电流与导体两端的电压成 ___________比(选填“正”或“反”);(5)另一小组的同学利用已知电阻R0,设计并连接了如图3所示的电路来测量未知定值电阻Rx的阻值。主要步骤如下:①闭合开关S1和S2,电压表的示数为U1;②只断开开关S2,电压表的示数为U2;由此可得Rx=________(用字母U1、U2、R0表示)。8.小华利用如图所示的电路来“测量未知电阻”的阻值。电源电压保持不变,S是单刀双掷开关、R'是电阻箱、RP是滑动变阻器、Rx是待测电阻。(1)在连接电路时,开关应______,闭合开关前,应将滑动变阻器的滑片置于______端(选填“A”或“B”);(2)正确连好电路,将开关S拨到a,移动滑片P到适当位置,电流表的示数为I;(3)再将开关S拨到b,调节______,使电流表的示数仍然为I,读出电阻箱的阻值为R,则待测电阻Rx的值为______;(4)这种测量电阻的方法叫做______法。9.某实验小组利用如图甲所示的电路测量小灯泡正常发光时的电阻。已知小灯泡的额定电压为3.8V,电源电压恒为6V。(1)他们连接的电路有接线错误,请你在错误连线上画“×”并补画出正确的导线;______(2)连好电路后,闭合开关,调节滑动变阻器的滑片P,当电压表的示数为3.8V时,电流表示数如图乙所示,则小灯泡正常发光时的电阻约为______Ω;(3)小灯泡正常发光时,滑动变阻器接入电路的阻值约为______Ω(保留一位小数);【拓展】完成上述实验后,他们又找来了两个开关和一个最大阻值为R的滑动变阻器R1,设计了不用电流表测量这个小灯泡正常发光时电流的电路,如图丙所示,请你将操作步骤补充完整并写出小灯泡正常发光时电阻的表达式;①只闭合S和S1,______,此时小灯泡正常发光;②只闭合S和S2,______;③______,记录电压表的示数U′;④电源电压用U表示,则小灯泡正常发光时的电阻RL=______(用已知量和测量量的符号表示)。10.如图所示,甲是用“伏安法”测量未知电阻Rx的实物电路图。(1)请用笔画线代替导线,将图甲中的实物电路连接完整。( )(2)闭合开关前,应将滑动变阻器的滑片移到阻值最大处;闭合开关,发现电流表几乎无示数,电压表指针明显偏转,则出现的故障可能是 ___________。(3)排除故障后,闭合开关,当滑片移动到某位置时,电压表示数为2.4V,电流表示数如图乙所示,则未知电阻Rx=___________。(4)若实验中电压表损坏,利用其它的原有器材也能测出未知电阻Rx的阻值。实验电路如图丙所示(滑动变阻器最大阻值为R0,电源电压未知且不变),请将下列相关实验步骤补充完整:①闭合开关S,将滑动变阻器的滑片P移到a端,记录电流表示数为I1;②闭合开关S,将滑动变阻器的滑片P移到 ___________端,记录电流表示数I2;③写出待测电阻的表达式,Rx=___________(用已知量和测量量符号表示)。11.图1是小明测量小灯泡电阻的实验电路。(1)图1中有一根导线连接错误,闭合开关时将导致电压表的示数为 _____V、电流表的示数为 _____A。请在这根线上打“×”,并在图中改正;______(2)小明进行了六次实验,记录实验数据并在U-I图象中描点,得到小灯泡两端的电压与电流的关系图象如图2所示。则根据图象可知:①小灯泡的电阻随电压增加而 _____;②实验中所使用的滑动变阻器的规格可能为 _____;A.60Ω 1A B.45Ω 1A C.30Ω 2A D.15Ω 2A(3)为测量该小灯泡两端电压为3V时的电阻,小明设计了图3所示实验电路,所用电源电压恒定,R1、R2均为电阻箱(0~999.9Ω):①实验步骤如下:第1步:仅闭合S1,R2调至9Ω时,电压表的示数为3V;第2步:仅闭合S2,R1、R2分别调至10Ω和5Ω时,电压表的示数为3V;则小灯泡在3V电压下发光时的电阻为 _____Ω;②小明对图3电路及操作进行了下列调整,其中仍能完成测量的有 _____:A.仅将R2换成导线B.仅将R2换成适当规格的滑动变阻器12.用如图甲所示电路可估测灯泡的阻值,实验按下列步骤进行,请将有关步骤填写完整,并回答相关问题。(1)第一步:按电路图正确连接电路;(2)第二步:闭合开关S1和______,适当调节滑动变阻器,观察到电流表示数为0.3A;(3)第三步:闭合开关S1和______,调节______的阻值,使电流表示数为0.3A;(4)某同学在第三步操作中发现:当电阻箱(如图乙)的阻值调为19Ω时,电流表示数略大于0.3A,当电阻箱的阻值调为20Ω时,电流表示数略小于0.3A。在这种情况下,______(应该/不应该)调节滑动变阻器,以使电流表的示数恰好为0.3A。由该同学的实验,可判断所测灯泡的阻值约为______Ω。
参考答案1. 右 电流表没有调零 0.24 10 不合适 没有进行多次测量,实验误差大 I1 I2 2. C 灯泡的电阻受到温度的影响 没有控制电压一定 将滑动变阻器的滑片调到阻值为零处,记下电压表的示数 将滑动变阻器的滑片调到阻值最大处,记下电压表的示数 3. 对电压表进行调零 0.5 5 将滑动变阻器的滑片移到最左端 4. B 断路 10 滑动变阻器 10Ω S1 S2 R05. 短路 0.3 8.3 变化 6. 右 电阻Rx断路 0.5 3.2 B 不正确 开关S由a拨到b时,电阻R0和RX两端的电压不相等 能 能7. B 5 正 8.断开 B 电阻箱R' R 等效替代9. 10 5.8 调节R1的滑片,使电压表的示数为3.8V 保持R1的滑片位置不动,调节R0的滑片,使电压表的示数仍为3.8V 保持R0的滑片位置不动,将R1的滑片调至最右端 10 Rx断路 10Ω b 11.3 0 变大 A 18 B12.S3 S2 电阻箱 不应该 19.5
相关试卷
这是一份中考物理高频重难点考点专题解读与训练专题20电学特殊法测电阻电功率实验含解析,共25页。试卷主要包含了特殊方法测电阻,特殊方法测小灯泡的电功率等内容,欢迎下载使用。
这是一份2022年中考物理总复习专题系列伏安法及特殊方法测电阻(基础部分),共19页。试卷主要包含了实验题等内容,欢迎下载使用。
这是一份2022年中考物理总复习专题系列伏安法及特殊方法测电阻(培优部分),共21页。试卷主要包含了实验题等内容,欢迎下载使用。

