所属成套资源:2022届高考物理学霸向前冲二轮重难点必刷
重难点19变压器及远距离输送电能- 学霸向前冲高考物理二轮重难点必刷练习题
展开
这是一份重难点19变压器及远距离输送电能- 学霸向前冲高考物理二轮重难点必刷练习题,文件包含重难点19变压器及远距离输送电能解析版-学霸向前冲高考物理二轮重难点必刷docx、重难点19变压器及远距离输送电能原卷版-学霸向前冲高考物理二轮重难点必刷docx等2份试卷配套教学资源,其中试卷共28页, 欢迎下载使用。
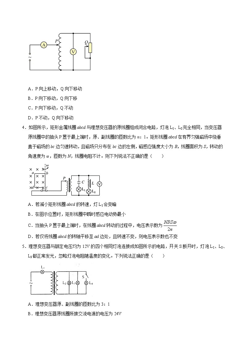
重难点19变压器及远距离输送电能 1.如图甲所示,理想变压器原、副线圈的匝数比为,电阻,各电表均为理想交流电表。原线圈输入电压的变化规律如图乙所示。下列说法正确的是( )A.副线圈输出电压的频率为5HzB.电压表的示数为22VC.电阻R消耗的电功率为22WD.电流表的示数为1A【答案】C【详解】A.由乙图可知原线圈的周期为T=0.02s,原副线圈的频率一样为,所以A错误;B.电压表的示数为有效值,由变压器电压与匝数成正比的规律,可知电压表的示数为所以B错误;C.电阻R消耗的电功率为所以C正确;D.由变压器功率规律有 ,解得所以D错误;故选C。2.某交流发电机能产生正弦式交流电,所连接的电路如图所示,其中有理想变压器和四个相同的定值电阻R1、R2、R3、R4。设理想交流电流表A、理想交流电压表V的读数分别为I、U。若仅将发电机线圈的转速变为原来的,则( )A.电压表V的读数等于B.R1消耗的功率变为原来的C.R4消耗的功率变为原来的9倍D.理想变压器输出的交变电流频率不变【答案】A【详解】ABC.设原副线圈的匝数比为n,副线圈的电压为U,副线圈的总电阻为R,则根据变压器原副线圈匝数比可得原线圈的电压为nU,由电流关系可解得原线圈的电流为则对于原线圈有原线圈电压的最大值Em=NBSω得知,Em与ω成正比,则线圈的转速变为原来的,周期变为原来的3倍,由最大值变为,有效值变为原来的,则副线圈的电压变为原来的,因整个电路的结构没变,因此所有电阻的电压和电流变为原来的 知R1、R4耗的功率为原来的倍;故A正确BC错误;D.变为原来的倍,则原线圈中电流的频率变成原来的,则理想变压器输出的交变电流频率变为原来的,故D错误。故选A。3.如图所示的调压器,滑动触头P和Q均可调节,在输入交变电压U恒定的条件下,电压表、电流表均是理想的,要使电压表示数增大,电流表示数减小,下列做法可以实现的是( )
A.P向上移动,Q向下移动B.P向下移动,Q向下移C.P向下移动,Q不动D.P不动,Q向下移动【答案】B【详解】A.P向上移动,则原线圈匝数增大,由知副线圈电压即电压表示数减小,故A错误;B.P向下移动,原线圈匝数减小,根据可知,输出电压U2增大,由知Q向下移动R增大P才能减小,由输入功率才能减小输入电流才能减小,故B正确;C.P向下移动,Q不动,原线圈匝数减小,输出电压增大,输出功率增大,输入电流增大,故 C错误;D.若P不动,根据变压器的变压规律,可知输出电压不变,故D错误。故选B。4.如图所示,矩形金属线圈abcd与理想变压器的原线圈组成闭合电路,灯泡L1、L2完全相同,当变压器原线圈中的抽头P置于最上端时,原、副线圈的匝数比为n:1。矩形线圈abcd在有界匀强磁场中绕垂直于磁场的bc边匀速转动,且磁场只分布在bc边的左侧,磁感应强度大小为B,线圈面积为S,转动的角速度为ω,匝数为N,线圈电阻不计。则下列说法不正确的是( )A.若减小矩形线圈abcd的转速,灯L1会变暗B.在图示位置时,矩形线圈中瞬时感应电动势最小C.当抽头P置于最上端时,在线圈abcd转动的过程中,电压表示数为D.若仅将线圈abcd的转轴平移至ad边处,且转速不变,则电压表示数也不变【答案】D【详解】A.若减小矩形线圈abcd的转速,电流的频率变小,副线圈输出电压变减小,电容器C的容抗变大,与电容器C串联的灯泡L1变暗,故A正确,故A不符题意;B.图示位置为中性面位置,此时感应电动势为零最小,故B正确,故B项不符题意;C.在线圈abcd转动的过程中,线圈中产生的感应电动势的最大值由得理想变压器原线圈电压的有效值为副线圈电压表示数为故C正确,C项不符题意;D.若仅将线圈abcd的转轴平移至ad边处,且转速不变,变压器原线圈输入电压变大,副线圈输出电压也变大,电压表示数变大,故D错误,D项符合题意。本题选不正确的故选D。5.理想变压器与额定电压均为12V的四个相同灯泡连接成如图所示的电路,开关S断开时,灯泡L1、L2、L3都正常发光,忽略灯泡电阻随温度的变化。下列说法正确的是( )A.理想变压器原、副线圈的匝数比为3:1B.理想变压器原线圈所接交流电源的电压为24VC.闭合开关S,灯泡L1、L2、L3仍能正常发光D.闭合开关S,灯泡L1可能烧毁【答案】D【详解】A.开关S断开时,灯泡L1、L2、L3都正常发光,则原线圈的电流为I,副线圈的电流为2I,由变压器原副线圈电流与匝数成反比,则变压器原副线圈匝数比为2:1,所以A错误;B.变压器的输出电压为U2=12V,由变压器原副线圈电压与匝数成正比,所以变压器的输入电压U1=24V,则理想变压器原线圈所接交流电源的电压为U=U1+U2=36V,所以B错误;D.利用等效法,把副线圈看成一个电阻串联在原线圈中,闭合开关S,等效电阻变小,则原线圈中的电流会变大,所以灯泡L1可能烧毁,则D正确;C.利用等效法,把副线圈看成一个电阻串联在原线圈中,闭合开关S,等效电阻变小,则原线圈中的电流会变大,则灯泡L1分的电压变大,所以原线圈的输入电压U1变小,则副线圈的电压U2也变小,所以灯泡L1、L2、L3不能正常发光,都会变暗的,则C错误;故选D。6.如图所示,一理想变压器原线圈接入一交流电源,副线圈电路中R1、R2、R3和R4均为固定电阻,开关S是闭合的。V1和V2为理想电压表,读数分别为U1和U2;A1、A2和A3为理想电流表,读数分别为I1、I2和I3,现断开S,U1数值不变,下列推断中正确的是( )A.I1变小、I2变小 B.I1变大、I2变大C.U2变小,I3变小 D.U2变大、I3变大【答案】A【详解】由题图可知,电压表V1测量的是原线圈的输入电压,电压表V2测量的是副线圈的输出电压,因为变压器的匝数与U1不变,所以U2不变。当S断开时,副线圈电路的负载电阻增大,故副线圈中的电流I2减小,根据原副线圈电流与匝数成反比,则原线圈电流I1也将减小;因为R1两端的电压减小,故R2、R3两端的电压将增大,I3变大。故选A。7.中央电视台某节目多次报道某些边远落后农村电价过高,农民负担过重,不利于国家扶贫政策的展开,为减少远距离输电的损耗, 某发电站采用高压向外输送电能。若输送的总功率为P0,输电电压为U,输电导线的总电阻为R。则下列说法正确的是( )A.输电线上的电流B.输电线上的电流C.输电线上损失的功率D.输电电压提高一倍,损失的功率也减小为原来的一半【答案】B【详解】AB.根据可得,输电线上的电流为设损失电压为,则输电电流可表示为此式中的不是输电电压U,故A错误,B正确;C.输电线上的损失功率为故C错误;D.根据可知,输电电压U提高一倍,损失的功率也减小为原来的四分之一,故D错误;故选B。8.如图所示是三峡电站向浙江地区送电的简化模型。两变压器均为理想变压器,升压变压器原副线圈匝数比为,降压变压器原副线圈匝数比为,用户端得到的是电压为、功率为P的正弦式交变电流,输电线总电阻为,不考虑其他影响下列说法正确的是( )
A.升压变压器输出端的电压为B.降压变压器的输入端的电压为C.输电线上的电流为D.输电线上损失的功率为【答案】A【详解】A.设降压变压器原副线圈的电压有效值分别为、,则有,,设输电线上分得的电压为△,则△,△联立解得故 A正确;B.由得故B错误;C.输电线上的电流为故C错误;D.输电线上损失的功率为△故D错误。故选A。9.在如图所示电路中,理想变压器原线圈接在交流电源上,调节滑动触头Q可以改变副线圈接入电路的匝数。为定值电阻,灯泡L和滑动变阻器R串联,P为滑动变阻器的滑片,A为交流电流表。开关S闭合,电流表A的示数为I。则( )A.仅将P向下滑动,I增大 B.仅将Q向下滑动,灯泡变亮C.仅将开关S断开,灯泡变亮 D.仅将开关S断开,变压器的输入功率增加【答案】A【详解】A.仅将P向下滑动,次级总电阻减小,次级总电流变大,根据变压器原理可得原线圈的电流变大,故A正确;B.仅将Q向下滑动,副线圈匝数减小,次级输出电压变小,灯泡变暗,故B错误;C.仅将开关S断开,次级电压不变,则灯泡亮度不变,故C错误。D.仅将开关S断开,次级电压不变,次级电阻增加,则次级功率减小,则变压器的输入功率减小,选项D错误。故选A。 10.如图所示电路中,a、b间接有瞬时电压的正弦交流电源,理想变压器原、副线圈的匝数之比n1:n2=3:2,电阻r=10Ω,电阻R=20Ω,电流表和电压表均为理想电表。下列判断正确的是( )A.副线圈两端的电压的有效值为24VB.电流表的示数为0.8AC.电压表的示数为8VD.电阻r消耗的电功率为6.4W【答案】AD【详解】A.原线圈两端的电压的有效值为36V,则副线圈两端的电压的有效值为选项A正确; B.根据变压器两端功率关系可知解得I1=0.53A即电流表的示数为0.53A,选项B错误;C.电压表的示数为选项C错误;D.电阻r两端的电压消耗的电功率为选项D正确。故选AD。11.图甲中的变压器为理想变压器,原线圈的匝数n1与副线圈的匝数n2之比为5:1。变压器的原线圈接如图乙所示的正弦式电流,两个20Ω的定值电阻串联接在副线圈两端。电流表、电压表均为理想电表。则( )
A.电流表示数为0.2AB.电流表示数为5AC.电压表示数为4VD.通过电阻R的交流电的周期为4×10-2s【答案】AD【详解】C.原线圈电压为根据变压器规律可知副线圈电压为因为两电阻阻值相等,所以电压均分,则电压表示数为副线圈电压的一半,即20V,C错误;AB.副线圈电流为则原线圈电流为A正确,B错误;D.电压器不改变交流电周期,所以通过电阻R的交流电的周期为4×10-2s。D正确。故选AD。12.如图甲所示为理想变压器,现将原线圈a接在电压u随时间t按如图乙所示正弦规律变化的交流电源上,将滑动变阻器滑片P置于图中所示位置。电压表V1、V2均为理想交流电表。现将滑动变阻器滑片P向右滑动一小段距离,与移动前比较,下列说法正确的是( )A.电阻R1消耗功率减小B.电压表V1的示数变大C.电压表V2的示数减小D.灯泡L变亮【答案】AB【详解】ABC.当滑片P向右滑动的过程中,导致总电阻变大。若电压不变,由欧姆定律得电流减小,输入功率等于输出功率P=UI,则原线圈电流减小,故R1分压减小,消耗的功率减小;原线圈分的电压就会增大,匝数不变,副线圈电压也会增大,即V1、V2示数变大,AB正确,C错误;D.副线圈的电流减小,故灯泡L变暗,D错误;故选AB。13.如图所示,理想变压器原副线圈的匝数分别为n1、n2,b是原线圈的中心抽头,副线圈两端接有理想交流电压表和电流表、开关S、以及定值电阻、,在原线圈c、d两端加上正弦交变电压。则下列说法正确的是( )A.单刀双掷开关置于a,当闭合开关S时,电流表示数变大,电压表示数变大B.单刀双掷开关置于a,当闭合开关S时,电流表示数变大,电压表示数不变C.保持开关S闭合,当单刀双掷开关由a拨向b时,副线圈电流的频率变小D.保持开关S闭合,当单刀双掷开关由a拨向b时,原线圈的输入功率变大【答案】BD【详解】AB.当单刀双掷开关置于a,闭合开关S,总电阻变小,电压不变,电压表示数不变,则电流表示数变大,故A错误,B正确;C.变压器不改变交流电源的频率,将单刀双掷开关由a拨向b时,其他部分不变,副线圈的频率不变,故C错误;D.当单刀双掷开关由a拨向b时,原线圈的匝数变小,所以副线圈的输出的电压要变大,副线圈的功率变大,则原线圈的输入功率也要变大,故D正确;故选BD。14.图甲是某燃气灶点火装置的原理图。转换器将直流电压转换为图乙所示的正弦交流电压,并加在一理想变压器的原线圈上,变压器原、副线圈的匝数分别为n1、n2,为交流电压表。若工作时变压器副线圈两端电压的最大值达到15000V,在钢针和金属板间引发电火花进而点燃气体,下列说法正确的是( )A.该变压器能将直流电转化为交流电B.该变压器起到放大电流作用C.工作时电压表的示数为VD.变压器原、副线圈的匝数比【答案】CD【详解】AB.该装置中的转换器将直流电转化为交流电,变压器将交流电升高电压,降低电流,选项AB错误;C.交流电压表度数是电压的有效值,电压表示数应为故C正确;
D.根据理想变压器电压比故D正确;故选CD。15.老师给一实验小组提供了一个演示用变压器,要求同学们自选部分器材,在不拆卸的前提下弄清变压器原副线圈的匝数、。同学们进行了如下操作:把原线圈接入一交流电源,副线圈接一灯泡后(如图1所示),分别用交流电压表测量输入电压和灯泡两端的电压测量值分别为、,接着又在铁芯上绕了100匝线圈(如图2所示),线圈两端接电压表,示数为,变压器可以视为理想变压器,则下列说法正确的是( )A.原线圈匝数为B.副线圈匝数为C.当把新绕制的线圈上接上灯泡时,原灯泡两端的电压减小D.当把新绕制的线圈上接上灯泡时,变压器原线圈的电流增大【答案】ABD【详解】AB.根据变压器的原理可知解得AB正确;C.当把新绕制的线圈上接上灯泡时,原灯泡两端的电压不变,C错误;D.当把新绕制的线圈上接上灯泡时,则由则变压器原线圈的电流增大,D正确。故选ABD。16.如图甲所示,理想变压器原、副线圈的匝数比,一个二极管和阻值为的负载电阻串联后接到副线圈的两端。现在a、b两端接入如图乙所示的电压,c、d间接入理想电压表。已知二极管的正向电阻为零,反向电阻为无穷大,则( )A.电压表读数为100 VB.R的功率为500WC.若将二极管短路,电压表示数为200 VD.若将二极管短路,变压器的输入功率为2000 W【答案】AD【详解】A.交流电压表测得的分别为交变电压和交变电流的有效值,根据变压器公式 得到输出电压而输出电压U2不等于c、d端电压,因二极管具有单向导电性,输入电压通过变压器变压后经二极管整流后有效值发生变化,为即电压表读数为100 V,选项A正确;B.R的功率为选项B错误;C.若将二极管短路,电压表示数为选项C错误;D.若将二极管短路,变压器的输出功率则变压器的输入功率为2000 W,选项D正确。故选AD。 17.特高压输电是中国高效远距离输电的一种重要方式,目前,在世界范围内只有我国全面掌握了这项技术并开始了大规模的工程应用。在某段特高压输电网络中,发电机组输出电压为10kV,利用理想升压变压器将电压升至1000kV的特高压后输送,到达用电区后,经过降压处理再输送给工厂或用户。已知输送总功率为400万千瓦,输电线上损耗功率占总功率的4%。求:(1)升压变压器的原、副线圈匝数比;(2)输电线的电阻。【答案】(1);(2)10Ω【详解】(1)由理想变压器变压原理知,升压变压器的原副线圈匝数比(2)输送损耗功率为输送电流为由知输电线的电阻为18.利用太阳能电池这个能量转换器件将太阳能转变为电能的系统又称光伏发电系统。有一台内阻为1Ω的太阳能发电机,供给一个学校照明用电。如图所示,升压变压器匝数比为1:4,降压变压器匝数比为4:1,输电线的总电阻,全校共22个班,每班有“220V40W”灯6盏,若全部电灯正常发光,求:(1)降压变压器的输入电压U3;(2)输电线总电阻R两端的电压;(3)发电机的总功率。
【答案】(1);(2);(3)【详解】(1)降压变压器输出电压为20V,根据解得(2)电灯正常发光时的电流降压变压器负载中的总电流降压变压器输入端电流导线上损失的电压(3)升压变压器输出电压由理想变压器公式解得其输入电流由闭合欧姆定律,有发电机的总功率19.将太阳能直接转换为电能的技术称为光伏发电技术,光伏发电技术的原理是将太阳能直接转换为电能(直流电)后,再利用逆变器转换为交流电供用户使用或并入电网。某部队为解决高山哨所用电问题,在山脚下建立“太阳能板田”,如图1所示,电能输送到哨所原理简图如图2所示,假设太阳能电池板组件,经逆变器后输出的交流电压,输出的电功率,输送线路的总电阻,要求最终输出的电压。求:(1)若线路损耗为5%,升压变压器和降压变压器的匝数比分别为多少;(2)若线路损耗为5%,则送到哨所后最多可供多少盏规格为“20V、100W”的灯泡使用。【答案】(1)1:20;95:22;(2)95【详解】(1)升压变压器初级电流 输电线的功率损失解得I2=10A 则 升压变压器次级电压 降压变压器的初级电压则降压变压器的匝数比(2) 送到哨所后最多可供灯泡的个数20.如图所示,一个匝数N=100的边长为1m的正方形线圈以固定转速50 r/s在匀强磁场中旋转,其产生的交流电通过一匝数比n1∶n2=10∶1的变压器给阻值R=20 Ω的电阻供电,已知交流电压表的示数为20 V,从图示位置开始计时,求(1)磁感应强度的大小;(2)t=0.0025 s时刻穿过线圈平面的磁通量大小。【答案】(1);(2)【详解】(1)原线圈两端的电压为线圈转动的角速度为所以有解得(2)通过线圈的磁通量为
相关试卷
这是一份重难点22波的图像问题- 学霸向前冲高考物理二轮重难点必刷,文件包含重难点22波的图像问题解析版-学霸向前冲高考物理二轮重难点必刷docx、重难点22波的图像问题原卷版-学霸向前冲高考物理二轮重难点必刷docx等2份试卷配套教学资源,其中试卷共28页, 欢迎下载使用。
这是一份重难点23光的折射计算- 学霸向前冲高考物理二轮重难点必刷练习题,文件包含重难点23光的折射计算解析版-学霸向前冲高考物理二轮重难点必刷docx、重难点23光的折射计算原卷版-学霸向前冲高考物理二轮重难点必刷docx等2份试卷配套教学资源,其中试卷共35页, 欢迎下载使用。
这是一份重难点15不做功的力——洛伦兹力- 学霸向前冲高考物理二轮重难点必刷练习题,文件包含重难点15不做功的力洛伦兹力解析版-学霸向前冲高考物理二轮重难点必刷docx、重难点15不做功的力洛伦兹力原卷版-学霸向前冲高考物理二轮重难点必刷docx等2份试卷配套教学资源,其中试卷共31页, 欢迎下载使用。

