高中物理鲁科版 (2019)选择性必修 第一册第2节 科学测量:用双缝干涉测光的波长一课一练
展开
这是一份高中物理鲁科版 (2019)选择性必修 第一册第2节 科学测量:用双缝干涉测光的波长一课一练,共8页。试卷主要包含了选择题,填空题,综合题等内容,欢迎下载使用。
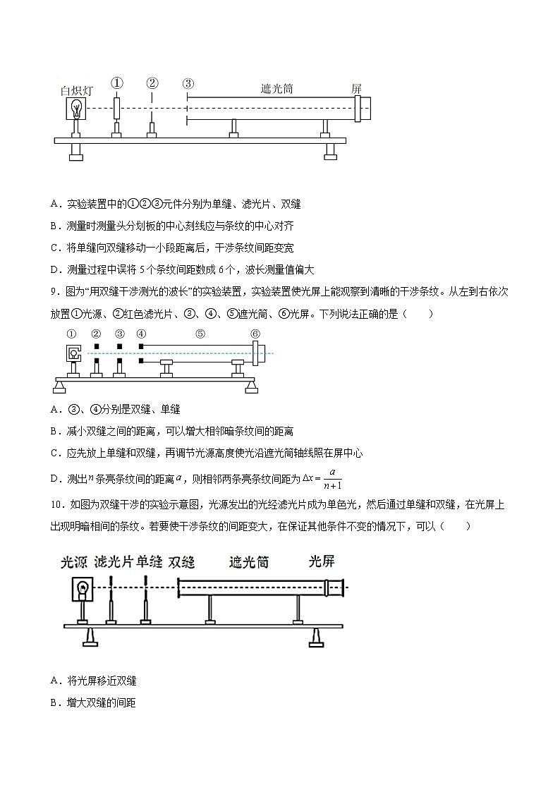
5.2科学测量:用双缝干涉测光的波长同步练习2021—2022学年高中物理鲁科版(2019)选择性必修第一册一、选择题(共15题)1.在“用双缝干涉测量光的波长”实验中,小张同学通过测量头的目镜观察红光的干涉图样时,发现里面的亮条纹与分划板竖线未对齐,如图所示,若要使两者对齐,小张同学应如何调节()A.仅顺时针旋转单缝B.仅顺时针旋转双缝C.仅逆时针旋转测量头D.仅逆时针旋转整个遮光筒2.如图甲所示,是一双缝干涉实验的装置示意图,在空气里完成该实验得到如图乙的实验现象,在不调整实验装置的情况下,仅把该装置放在另一种透明介质里得到不同的现象则( )A.空气中毛玻璃上显示的条纹数目多B.介质中毛玻璃上显示的条纹数目多C.空气和介质中毛玻璃上显示的条纹数目一样多D.条纹数目多少无法确定3.在双缝干涉实验装置中,正确的说法是( ).A.光源必须发出单色光B.光经过单缝成为单色光C.光经过双缝成为两束振动情况完全相同的光D.两束光只在屏上发生干涉4.在利用测量头测量条纹宽度时,应使分划板中心刻线( )A.与亮条纹的边缘对齐 B.与暗条纹的边缘对齐C.与亮条纹的中心位置对齐 D.与暗条纹的中心位置对齐5.用a和b两种单色光依次在同一双缝干涉装置上做实验,在屏上观察到a光的干涉条纹间距较大,则( )A.a光波长较短B.水对a光的折射率较大C.a光在水中的传播速度较大D.a光从水中射向空气时,全反射临界角较小6.某次实验中测得第一级明条纹和第三级明条纹相距,若双缝间距为,双缝到屏的距离为,则光波的波长为( )A. B.C. D.7.如图所示是一双缝干涉实验装置的示意图,其中S为单缝,S1、S2为双缝,P为光屏.实验时用白光从左边照射单缝S,可在光屏P上观察到彩色的干涉条纹.现在S1、S2的左边分别加上红色和蓝色滤光片,则在光屏P上可观察到 ( ) A.红光和蓝光两套干涉条纹B.红、蓝相间的条纹C.两种色光相叠加,但不出现干涉条纹D.屏的上部为红光,下部为蓝光,不发生叠加8.利用图示装置研究双缝干涉现象并测量光的波长。下列说法中正确的是( ) A.实验装置中的①②③元件分别为单缝、滤光片、双缝B.测量时测量头分划板的中心刻线应与条纹的中心对齐C.将单缝向双缝移动一小段距离后,干涉条纹间距变宽D.测量过程中误将5个条纹间距数成6个,波长测量值偏大9.图为“用双缝干涉测光的波长”的实验装置,实验装置使光屏上能观察到清晰的干涉条纹。从左到右依次放置①光源、②红色滤光片、③、④、⑤遮光筒、⑥光屏。下列说法正确的是( )A.③、④分别是双缝、单缝B.减小双缝之间的距离,可以增大相邻暗条纹间的距离C.应先放上单缝和双缝,再调节光源高度使光沿遮光筒轴线照在屏中心D.测出条亮条纹间的距离,则相邻两条亮条纹间距为10.如图为双缝干涉的实验示意图,光源发出的光经滤光片成为单色光,然后通过单缝和双缝,在光屏上出现明暗相间的条纹。若要使干涉条纹的间距变大,在保证其他条件不变的情况下,可以( )A.将光屏移近双缝B.增大双缝的间距C.更换滤光片,改用频率更小的单色光D.将光源向双缝移动一小段距离11.如图甲所示为双缝干涉的实验装置,光源发出的光经滤光片,然后通过单缝和双缝,在光屏上出现明暗相间的条纹如图乙所示,屏上P、P1、P2处依次排列着明条纹,Q1、Q2处出现暗条纹,P到S1、S2的距离相等。若遮光筒内装满水,其它条件不变,则光屏上( )A.不再出现明暗相间的条纹 B.P处可能出现暗条纹C.P1处一定为明条纹 D.明暗相间的条纹间距变小12.用图甲所示装置测量某单色光的波长时,所得图样如图乙所示,调节仪器使分划板的中心刻线对准一条亮条纹A的中心,测量头卡尺的示数为11.4mm,移动手轮使分划板中心刻线对准另一条亮条纹B的中心,测量头卡尺的示数为15.2mm。已知双缝挡板与光屏间距为0.4m,双缝相距0.1mm,则所测单色光的波长为( )A.2.38×10-7m B.2.38×10-9m C.9.5×10-7m D.9.5×10-9m13.在双缝干涉实验中,设单缝宽度为h,双缝距离为d,双缝与屏的距离为l,当采取下列四组数据中的哪一组时,可在光屏上观察到清晰可辨的干涉条纹( ) A.h=1cm,d=0.1mm,l=1mB.h=1mm,d=0.1mm,l=10cmC.h=1mm,d=10cm,l=1mD.h=1mm,d=0.1mm,l=1m14.在“用双缝干涉测光的波长”实验中(实验装置如图):下列说法哪一个是错误的( )(填选项前的字母)A.调节光源高度使光束沿遮光筒轴线照在屏中心时,应放上单缝和双缝B.测量某条干涉亮纹位置时,应使测微目镜分划板中心刻线与该亮纹的中心对齐C.为了减小测量误差,可用测微目镜测出条亮纹中心间的距离,求出相邻两条亮纹间距15.频率不同的两束单色光1和2以相同的入射角从同一点射入一厚玻璃板后,其光路如图所示,下列说法正确的是( )A.在玻璃中单色光1的传播速度大于单色光2的传播速度B.单色光1从玻璃到空气的全反射临界角大于单色光2从玻璃到空气的全反射临界角C.单色光1和单色光2分别用同一装置研究光的干涉,单色光2的干涉条纹间距较大D.单色光1和单色光2分别用同一装置研究光的干涉,单色光1的干涉条纹间距较大二、填空题(共2题)16.(某同学用如图甲所示的装置测量激光的波长。将一束激光照在双缝上,在光屏上观察到如图乙所示平行且等宽的明暗相间的条纹。该同学测得双缝间距为d(每个缝的宽度很窄可忽略),光屏到双缝的距离为L,经测量得出5条亮条纹中心之间的距离为a,图乙中的条纹是因为激光发生了______(填“干涉”、“衍射”)现象而产生的,经计算该激光的波长为______。17.在“用双缝干涉测量光的波长”实验中,回答下列问题。(ⅰ)如图甲所示为实验用到的光具座,在图中标示分别为:①光源;②________;③________;④________;⑤遮光筒;⑥光屏。(ⅱ)将测量头的分划线与某条亮纹中心对齐,将该亮纹定位第一条亮纹,然后同方向转动测量头,使分划线与第四条亮纹中心对齐,此时手轮上的示数如图乙所示,则定位第一条亮纹时手轮上的示数________mm,定位第四条亮纹时手轮上的示数________mm,求出的相邻亮纹的间距为________mm。(保留四位有效数字)(ⅲ)已知单缝与双缝间的距离,双缝与屏的距离,双缝间距,可得该光的波长为________nm(保留三位有效数字)。(ⅳ)如果实验中发现干涉条纹间距较小,应该怎样改进让实验现象更明显?请写出两条方案: ________。三、综合题(共4题)18.如图所示,用激光束照射双缝干涉实验装置,后面屏上出现干涉条纹,其中单缝的作用是产生线光源,单缝、双缝应平行放置。(1)若将单缝绕中心轴旋转(不超过90°),条纹将发生什么变化?(2)若将双缝绕中心轴旋转(不超过90°),条纹将发生什么变化?19.如果在双缝干涉实验的遮光筒内充满某种透明介质(折射率为n),保持入射光源、双缝间距、双缝到屏的距离都不变,则屏上相邻两明(暗)条纹的间距变为原来在空气中测量的多少。20.某同学在“用双缝干涉测激光的波长”实验中;如图甲所示,若将激光束照在双缝上,在光屏上观察到的现象是图乙图样的平行且等宽的明暗相间的条纹,为测量该激光的波长,测得双缝间距为d(每个缝的宽度很窄,宽度可忽略),光屏到双缝距离为L,现使测量头的分划板中心刻线与条纹的中心对齐,经测量得出5条亮条纹之间的距离为a,求该激光的波长。21.在“用双缝干涉实验测量光的波长”实验中,一同学经调节后使单缝与双缝在竖直方向相互平行。若该同学先后分别用间距d1=0.20mm和d2=0.25mm的双缝完成实验,其他条件不变,你认为观察到的单色光的干涉条纹是下面哪些图像?其中对应双缝间距d1的是下面哪个图像?
参考答案:1.C2.B3.C4.C5.C6.B7.C8.B9.B10.C11.D12.C13.D14.A15.C16. 干涉 17. 滤光片 单缝 双缝 2.190 7.870 1.893 676 略18.(1)在双缝干涉实验中,单缝的作用是形成线光源,双缝的作用是形成振动情况相同的相干光源,当单缝旋转时,双缝被照亮的面积减小,双缝虽然仍能形成相干光源,但由于通过双缝的光能量减少,所以屏上仍能产生干涉条纹,但条纹变暗。(2)当双缝旋转时,同样会导致干涉条纹变暗。同时,干涉条纹保持与双缝平行,也随双缝的旋转而旋转。19.20.21.c和d,c
相关试卷
这是一份高中物理鲁科版 (2019)选择性必修 第一册第2节 科学测量:用双缝干涉测光的波长课后测评,共10页。试卷主要包含了选择题,填空题,综合题等内容,欢迎下载使用。
这是一份物理选择性必修 第一册4.4 用双缝干涉仪测量光的波长当堂检测题,共11页。试卷主要包含了选择题,填空题,综合题等内容,欢迎下载使用。
这是一份物理4.4 用双缝干涉仪测量光的波长精练,共8页。试卷主要包含了选择题,填空题,综合题等内容,欢迎下载使用。

