苏教版(2019)高考一轮复习考点规范练28 物质的制备 实验方案的设计与评价
展开考点规范练28 物质的制备 实验方案的设计与评价
非选择题
1.(2021全国甲)胆矾(CuSO4·5H2O)易溶于水,难溶于乙醇。某小组用工业废铜焙烧得到的CuO (杂质为氧化铁及泥沙)为原料与稀硫酸反应制备胆矾,并测定其结晶水的含量。回答下列问题:
(1)制备胆矾时,用到的实验仪器除量筒、酒精灯、玻璃棒、漏斗外,还必须使用的仪器有 (填字母)。
A.烧杯 B.容量瓶
C.蒸发皿 D.移液管
(2)将CuO加入适量的稀硫酸中,加热,其主要反应的化学方程式为 ,与直接用废铜和浓硫酸反应相比,该方法的优点是 。
(3)待CuO完全反应后停止加热,边搅拌边加入适量H2O2,冷却后用NH3·H2O调pH为3.5~4,再煮沸10 min,冷却后过滤。滤液经如下实验操作:加热蒸发、冷却结晶、 、乙醇洗涤、 ,得到胆矾。其中,控制溶液pH为3.5~4的目的是 ,煮沸10 min的作用是 。
(4)结晶水测定:称量干燥坩埚的质量为m1,加入胆矾后总质量为m2,将坩埚加热至胆矾全部变为白色,置于干燥器中冷却至室温后称量,重复上述操作,最终总质量恒定为m3。根据实验数据,胆矾分子中结晶水的个数为 (写表达式)。
(5)下列操作中,会导致结晶水数目测定值偏高的是 (填标号)。
①胆矾未充分干燥
②坩埚未置于干燥器中冷却
③加热时有少量胆矾迸溅出来
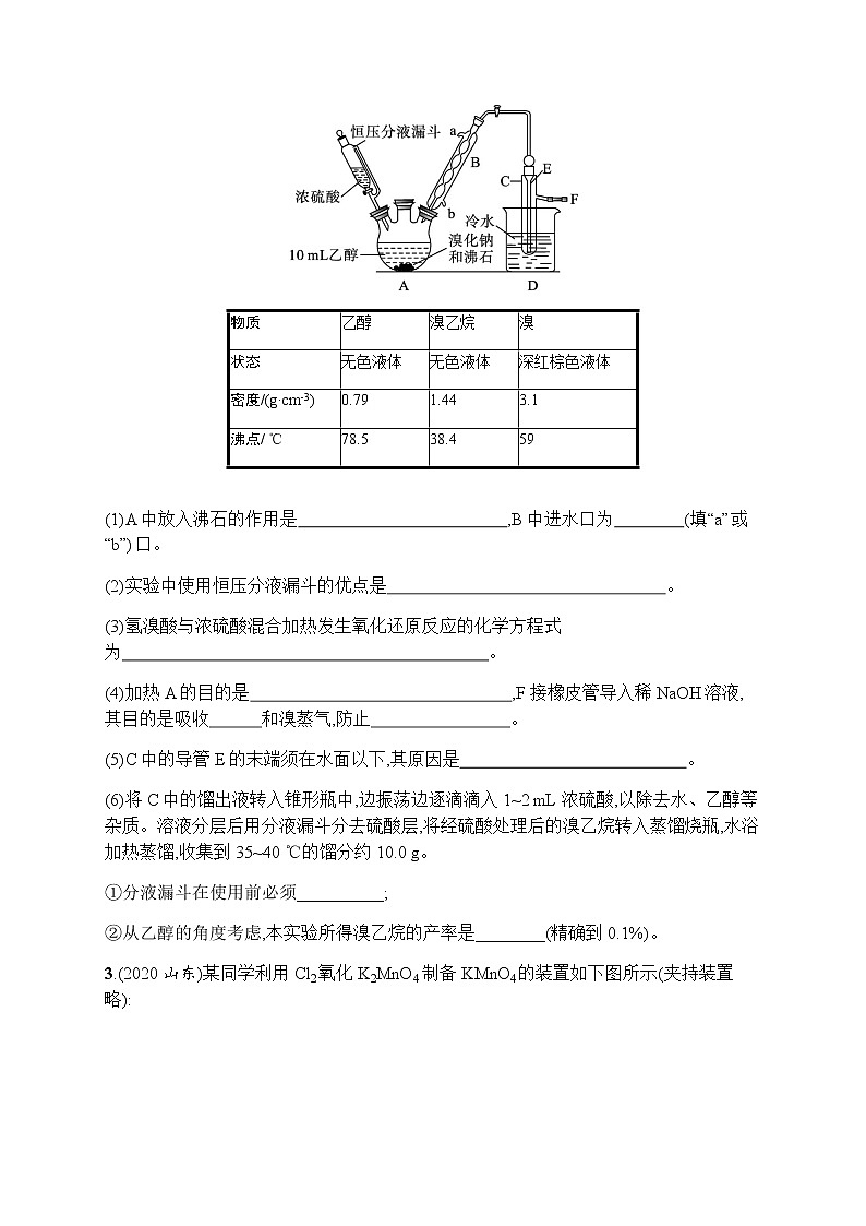
2.实验室用乙醇、浓硫酸与溴化钠反应来制备溴乙烷,其反应原理为H2SO4(浓)+NaBrNaHSO4+HBr↑,CH3CH2OH+HBrCH3CH2Br+H2O。有关数据和实验装置如下所示(反应需要加热,图中省去了加热装置和夹持装置)。
物质 | 乙醇 | 溴乙烷 | 溴 |
状态 | 无色液体 | 无色液体 | 深红棕色液体 |
密度/(g·cm-3) | 0.79 | 1.44 | 3.1 |
沸点/ ℃ | 78.5 | 38.4 | 59 |
(1)A中放入沸石的作用是 ,B中进水口为 (填“a”或“b”)口。
(2)实验中使用恒压分液漏斗的优点是 。
(3)氢溴酸与浓硫酸混合加热发生氧化还原反应的化学方程式为 。
(4)加热A的目的是 ,F接橡皮管导入稀NaOH溶液,其目的是吸收 和溴蒸气,防止 。
(5)C中的导管E的末端须在水面以下,其原因是 。
(6)将C中的馏出液转入锥形瓶中,边振荡边逐滴滴入1~2 mL浓硫酸,以除去水、乙醇等杂质。溶液分层后用分液漏斗分去硫酸层,将经硫酸处理后的溴乙烷转入蒸馏烧瓶,水浴加热蒸馏,收集到35~40 ℃的馏分约10.0 g。
①分液漏斗在使用前必须 ;
②从乙醇的角度考虑,本实验所得溴乙烷的产率是 (精确到0.1%)。
3.(2020山东)某同学利用Cl2氧化K2MnO4制备KMnO4的装置如下图所示(夹持装置略):
已知:锰酸钾(K2MnO4)在浓强碱溶液中可稳定存在,碱性减弱时易发生反应:3Mn+2H2O2Mn+MnO2↓+4OH-。
回答下列问题。
(1)装置A中a的作用是 ;装置C中的试剂为 ;装置A中制备Cl2的化学方程式为 。
(2)上述装置存在一处缺陷,会导致KMnO4产率降低,改进的方法是 。
(3)KMnO4常作氧化还原滴定的氧化剂,滴定时应将KMnO4溶液加入 (填“酸式”或“碱式”)滴定管中;在规格为50.00 mL的滴定管中,若KMnO4溶液起始读数为15.00 mL,此时滴定管中KMnO4溶液的实际体积为 (填字母)。
A.15.00 mL B.35.00 mL
C.大于35.00 mL D.小于15.00 mL
(4)某FeC2O4·2H2O样品中可能含有的杂质为Fe2(C2O4)3、H2C2O4·2H2O,采用KMnO4滴定法测定该样品的组成,实验步骤如下:
Ⅰ.称取m g样品放入锥形瓶中,加入稀硫酸溶解,水浴加热至75 ℃。用c mol·L-1的KMnO4溶液趁热滴定至溶液出现粉红色且30 s内不褪色,消耗KMnO4溶液V1 mL。
Ⅱ.向上述溶液中加入适量还原剂将Fe3+完全还原为Fe2+,加入稀硫酸酸化后,在75 ℃继续用KMnO4溶液滴定至溶液出现粉红色且30 s内不褪色,又消耗KMnO4溶液V2 mL。
样品中所含H2C2O4·2H2O(M=126 g·mol-1)的质量分数表达式为 。
下列关于样品组成分析的说法,正确的是 (填字母)。
A.=3时,样品中一定不含杂质
B.越大,样品中H2C2O4·2H2O含量一定越高
C.若步骤Ⅰ中滴入KMnO4溶液不足,则测得样品中Fe元素含量偏低
D.若所用KMnO4溶液实际浓度偏低,则测得样品中Fe元素含量偏高
4.(2021广西高三月考)碳酸亚铁(FeCO3)是一种重要的工业盐,可用于制备补血剂,也是炼铁所用铁矿的主要成分,其外观为白色固体,难溶于水。某研究小组制备了FeCO3,并对FeCO3的性质和应用进行了探究。
已知:Fe2++6SCN-[Fe(SCN)6]4-(无色)
用如图装置制备FeCO3(夹持装置略):
(1)装置c的名称为 。
(2)打开a中K1、K3,关闭K2,一段时间后,关闭K3,打开K2。在装置 (填装置序号)中制得碳酸亚铁沉淀,该操作过程中产生的气体的作用是 。
(3)用以上方法制得的碳酸亚铁纯度不高,可能含有的主要杂质是 (写化学式)。若用NaHCO3溶液代替Na2CO3溶液制备碳酸亚铁,获得的产品纯度更高,该反应的离子方程式为 。
(4)研究小组为了探究FeCO3的性质,将制得的产品过滤、洗涤、干燥后在空气中煅烧,发现有红棕色固体生成,请写出相应的化学方程式 。
(5)通过以下两个实验进一步探究FeCO3的性质:
实验ⅰ:
实验ⅱ:
对比实验ⅰ和ⅱ,得出的实验结论是 。
考点规范练28 物质的制备 实验方案的设计与评价
1.答案 (1)AC
(2)CuO+H2SO4CuSO4+H2O 不会产生二氧化硫且产生等量胆矾消耗硫酸少(硫酸利用率高)
(3)过滤 干燥 除尽铁,抑制硫酸铜水解 破坏氢氧化铁胶体,易于过滤
(4)
(5)①③
解析 (1)制备胆矾时,根据题干信息可知,需进行溶解、过滤、结晶操作,用到的实验仪器除量筒、酒精灯、玻璃棒、漏斗外,还必须使用的仪器有烧杯和蒸发皿,A、C符合题意;(2)将CuO加入适量的稀硫酸中,加热,其主要反应的化学方程式为CuO+H2SO4CuSO4+H2O;直接用废铜和浓硫酸反应生成硫酸铜与二氧化硫和水,与这种方法相比,将CuO加入适量的稀硫酸中,加热制备胆矾的实验方案具有的优点是:不会产生二氧化硫且产生等量胆矾消耗硫酸少(硫酸利用率高);(3)硫酸铜溶液制硫酸铜晶体,操作步骤有加热蒸发、冷却结晶、过滤、乙醇洗涤、干燥;CuO中含氧化铁杂质,溶于硫酸后会形成铁离子,为使铁元素以氢氧化铁形式沉淀完全,需控制溶液pH为3.5~4,酸性环境同时还可抑制铜离子发生水解;操作过程中可能会生成氢氧化铁胶体,所以煮沸10 min,目的是破坏氢氧化铁胶体,使其沉淀,易于过滤;(4)称量干燥坩埚的质量为m1,加入胆矾后总质量为m2,将坩埚加热至胆矾全部变为白色,置于干燥器中冷却至室温后称量,重复上述操作,最终总质量恒定为m3。则水的质量是m2-m3,所以胆矾(CuSO4·nH2O)中n值的表达式为=n∶1,解得n=;(5)①胆矾未充分干燥,导致所测m2偏大,根据n=可知,最终会导致结晶水数目测定值偏高,符合题意;②坩埚未置于干燥器中冷却,部分白色硫酸铜会与空气中水蒸气结合重新生成胆矾,导致所测m3偏大,根据n=可知,最终会导致结晶水数目测定值偏低,不符合题意;③加热胆矾晶体时有晶体从坩埚中溅出,会使m3数值偏小,根据n=可知,最终会导致结晶水数目测定值偏高,符合题意;故①③符合题意。
2.答案 (1)防止暴沸 b
(2)平衡压强,使浓硫酸顺利滴下
(3)2HBr+H2SO4(浓)SO2↑+Br2+2H2O
(4)增大反应速率,蒸馏出溴乙烷 SO2 污染环境
(5)冷却并减少溴乙烷的挥发
(6)①检漏 ②53.3%
解析 (1)液体加热加入沸石,可以防止液体暴沸,B为球形冷凝管,应采取逆流原理通入冷凝水,进行充分冷凝回流,所以B中进水口为b。
(2)恒压分液漏斗可以使漏斗的上方和下方的压强相等,使浓硫酸能够顺利滴下。
(3)浓硫酸具有强氧化性,氢溴酸与浓硫酸混合加热可生成Br2和SO2,发生氧化还原反应的化学方程式为2HBr+H2SO4(浓)SO2↑+Br2+2H2O。
(4)加热A的目的是增大反应速率,温度高于38.4 ℃时,溴乙烷全部蒸馏挥发出来,实验中产生的二氧化硫、溴化氢、溴等会污染空气,所以可以用稀NaOH溶液吸收,防止污染环境。
(5)导管E的末端须在水面以下,通过冷却得到溴乙烷,减少溴乙烷的挥发。
(6)①分液漏斗在使用前需要检查是否漏水;
②10 mL乙醇的质量为0.79 g·cm-3×10 mL=7.9 g,其物质的量为≈0.172 mol,根据CH3CH2OH+HBrCH3CH2Br+H2O可知,理论上制得溴乙烷的物质的量为0.172 mol,其质量为0.172 mol×109 g·mol-1≈18.75 g,所以溴乙烷的产率为×100%≈53.3%。
3.答案 (1)平衡气压,使浓盐酸顺利滴下 NaOH溶液 Ca(ClO)2+4HClCaCl2+2Cl2↑+2H2O
(2)在装置A、B之间加装盛有饱和食盐水的洗气瓶
(3)酸式 C
(4)×100% BD
解析 本题考查了物质的制备及定量实验设计。
(1)恒压分液漏斗是同学们熟知的仪器,作用是保持恒压。制备Cl2的化学方程式可根据氧化还原反应的原理写出。
(2)已知锰酸钾在浓强碱溶液中可稳定存在,碱性减弱易发生反应。制备Cl2的浓盐酸挥发出的HCl进入B装置使溶液碱性减弱,K2MnO4会发生反应,从而降低KMnO4的产率,因此应在A、B之间添加除去HCl的洗气瓶。
(3)考查常见仪器滴定管的结构及用法,难度较小。KMnO4溶液应放在酸式滴定管中。滴定管下端无刻度,因此KMnO4溶液的体积大于35.00 mL。
(4)设FeC2O4·2H2O的物质的量为x,Fe2(C2O4)3的物质的量为y,H2C2O4·2H2O的物质的量为2 mol,步骤Ⅰ中C2和Fe2+均被氧化,结合得失电子守恒有2KMnO4~5H2C2O4(C2),KMnO4~5Fe2+,所以x+(x+3y+z)=cV1×10-3,步骤Ⅱ中Fe2+被氧化,由KMnO4~5Fe2+可知,(x+2y)=cV2×10-3,联立两个方程解得,z=2.5(cV1-3cV2)×10-3,所以H2C2O4·2H2O的质量分数= ×100%=×100%。关于样品组成分析如下:=3时,H2C2O4·2H2O的质量分数=×100%=0,样品中不含H2C2O4·2H2O,由x+(x+3y+z)=cV1×10-3和(x+2y)=cV2×10-3可知,y≠0,样品中含Fe2(C2O4)3杂质,A项错误。越大,由H2C2O4·2H2O的质量分数表达式可知,其含量一定越大,B项正确。样品中Fe元素的物质的量=(x+2y) mol=cV2×10-3 mol,若步骤Ⅰ中KMnO4溶液不足,则步骤Ⅰ中有一部分Fe2+没有被氧化,不影响V2的大小,则cV2×10-3不变,则对测得样品中Fe元素的含量无影响,C项错误。若KMnO4溶液浓度偏低,则消耗KMnO4溶液的体积V1、V2均偏大,Fe元素的物质的量偏大,则测得样品中Fe元素含量偏高,D项正确。
4.答案 (1)三颈烧瓶
(2)c 排出装置内空气,防止生成的FeCO3被氧化;将b中溶液压入c中
(3)Fe(OH)2 2HC+Fe2+FeCO3↓+CO2↑+H2O
(4)4FeCO3+O22Fe2O3+4CO2
(5)Fe2+与SCN-的络合(或结合)会促进FeCO3固体的溶解(或FeCO3固体在KSCN溶液中的溶解度比在KCl溶液中的大)
解析 该实验主要是利用硫酸亚铁与碳酸钠反应制备碳酸亚铁,打开a中K1、K3,关闭K2,a与b装置反应生成氢气用来排尽装置内的空气,一段时间后,关闭K3,打开K2,硫酸亚铁压入碳酸钠溶液中反应生成碳酸亚铁,之后用Fe2+与SCN-的络合反应验证FeCO3的溶解性。
(1)根据实验装置可知装置c的名称是三颈烧瓶;
(2)打开a中K1、K3,关闭K2,主要是铁屑与稀硫酸反应生成氢气用来排出装置内的空气,防止之后生成的碳酸亚铁被氧化,关闭K3,打开K2,主要将b装置中反应生成的硫酸亚铁压入c装置中生成碳酸亚铁,所以在装置c中制得碳酸亚铁沉淀;
(3)碳酸钠溶液显碱性,溶液中存在氢氧根与二价铁离子反应生成氢氧化亚铁,所以可能含有的主要杂质是Fe(OH)2;碳酸氢钠溶液水解程度较小,溶液中存在的氢氧根较少,获得的产品纯度更高,反应的离子方程式为2HC+Fe2+FeCO3↓+CO2↑+H2O;
(4)根据已知的题干信息,FeCO3过滤、洗涤、干燥后在空气中煅烧,发现有红棕色固体生成,红棕色固体是Fe2O3,化学方程式为4FeCO3+O22Fe2O3+4CO2;
(5)通过对比实验ⅰ和ⅱ,可知Fe2+与SCN-络合生成可溶于水的[Fe(SCN)6]4-,会促进FeCO3固体的溶解,所以得出的实验结论是Fe2+与SCN-的络合(或结合)会促进FeCO3固体的溶解(或FeCO3固体在KSCN溶液中的溶解度比在KCl溶液中的大)。
高考化学二轮复习【讲通练透】 第28讲 物质的制备 实验方案的设计和评价(讲义): 这是一份高考化学二轮复习【讲通练透】 第28讲 物质的制备 实验方案的设计和评价(讲义),文件包含第30讲物质的制备实验方案的设计和评价讲义解析版docx、第30讲物质的制备实验方案的设计和评价讲义原卷版docx等2份试卷配套教学资源,其中试卷共58页, 欢迎下载使用。
高考化学二轮复习【讲通练透】 第28讲 物质的制备 实验方案的设计和评价 (检测): 这是一份高考化学二轮复习【讲通练透】 第28讲 物质的制备 实验方案的设计和评价 (检测),文件包含第30讲物质的制备实验方案的设计和评价检测解析版docx、第30讲物质的制备实验方案的设计和评价检测原卷版docx等2份试卷配套教学资源,其中试卷共29页, 欢迎下载使用。
人教版高考化学一轮复习课时练29物质的制备实验方案的设计与评价含答案: 这是一份人教版高考化学一轮复习课时练29物质的制备实验方案的设计与评价含答案

