所属成套资源:-2022届中考物理实验探究真题精准练
专题05 电压 电阻-2022届中考物理实验探究真题精准练1
展开
这是一份专题05 电压 电阻-2022届中考物理实验探究真题精准练1,文件包含专题05电压电阻解析版docx、专题05电压电阻原卷版docx等2份试卷配套教学资源,其中试卷共90页, 欢迎下载使用。
专题05 电压 电阻
近年中考实验探究真题——专题精准练习50题:
1.(2020·四川绵阳市·中考真题)学校实验室有一根长略大于60cm的均匀电阻丝,小明等同学打算探究这根电阻丝不同长度的电阻与对应长度的关系。已知这根电阻丝总电阻约6Ω。他们设计了如图甲所示电路示意图,电源电压3V,电阻丝拉直固定在木板上的a、b两点,P为鳄鱼夹。
完成实验,回答下列问题:
(1)电流表应选用________(选填序号)。
A.电流表A1(0~60mA)
B.电流表A2(0~0.6A)
C.电流表A3(0~3.0A)
(2)正确连接电路,断开开关,鳄鱼夹P夹接在电阻丝上靠近b端某位置,用刻度尺测鳄鱼夹与a端间电阻丝长度L,闭合开关,读取电流表示数I;断开开关,将鳄鱼夹P向a端移动约10cm,重复前面的操作。6次测得的电阻丝长度L和对应电流表示数I如下表所示。
序号
1
2
3
4
5
6
L/cm
60.0
50.0
40.0
30.0
20.0
10.0
I/A
0.51
0.60
0.73
1.05
1.48
2.95
算出的电阻R/Ω
5.9
?
4.1
2.9
2.0
1.0
(3)计算接入电路电阻丝的电阻R,并填在上表中。请补填根据第2次测量算出的电阻丝电阻R2=__________Ω。
(4)请在图乙的坐标系中,制定纵横坐标的标度,把上表中数据在坐标系中描点,然后画出图像_____。
(5)根据你画出的图像,__________(选填“可以”或“不可以”)得到结论:在误差范围内,电阻丝的电阻与其长度成正比。
【答案】C 5.0 可以
【详解】
(1)[1]实验过程中电压为3V,最大电阻为6Ω则电路中最小电流为
所以应选择电流表A3(0~3.0A)。
(3)[2]第二次试验的电流为0.6A,则其电阻为
(4)[3]令横坐标轴每一小格为2cm,纵坐标轴每一小格为0.2Ω根据表中数据逐个画点,然后将点连线,如下图:
(5)[4]由图乙可看出在误差范围内电阻丝的电阻与其长度的比值为定值,故可得到结论:在误差范围内,电阻丝的电阻与其长度成正比。
2.(2020·江苏淮安市·中考真题)某小组在“设计一个模拟调光灯”的活动中,现提供以下器材:直流电源(电压为4V)、电流表、电压表、小灯泡(2.5V、0.3A)、灯座、开关、导线、多种规格的定值电阻、多种铅笔芯、金属回形针。设计要求:灯泡的亮度能在较大范围内连续调节且不能被烧坏。
(1)金属回形针可在铅笔芯上来回滑动,设计电路时可将铅笔芯与金属回形针的组合视为______;
(2)为了电路安全,需要从下列选项中选取一个合适的定值电阻作为保护电阻(______)
A.5Ω B.15Ω C.25Ω D.50Ω
(3)如图甲所示为设计电路的一部分,请在虚线框内将电路图补充完整(______);
(4)连接好电路,闭合开关,无论怎样移动金属回形针,灯泡亮度的变化都很小,造成该现象的原因:______;
(5)重新调整好电路,闭合开关,移动金属回形针,可实现灯泡的亮度有较大变化。当电压表示数U=2.0V时,电流表的示数I如图乙所示,I=______A.小灯泡消耗的实际功率P=______W。
【答案】滑动变阻器 A 铅笔芯的最大阻值太小 0.26 0.52
【详解】
(1)[1]金属回形针可在铅笔芯上来回滑动,设计电路时可将铅笔芯与金属回形针的组合视为滑动变阻器。
(2)[2]由题知,电源电压为4V,小灯泡的额定电压为2.5V,额定电流为0.3A,
则灯正常工作时,要分去的电压为
由欧姆定律可得,灯之外的电阻为
为了电路安全,需要选取阻值为5Ω的定值电阻作为保护电阻。
故选A。
(3)[3]如图甲所示为设计电路的一部分,将变阻器与定值电阻串联连入电路中,如下图所示:
(4)[4]连接好电路,闭合开关,无论怎样移动金属回形针,灯泡亮度的变化都很小,说明电路中的电流变化很小,则电路的总电阻变化较小,造成该现象的原因:铅笔芯的最大阻值太小。
(5)[5]电流表的示数如图乙所示,电流表的量程为0~0.6A,分度值为0.02A,其示数0.26A。
[6]则小灯泡消耗的实际功率
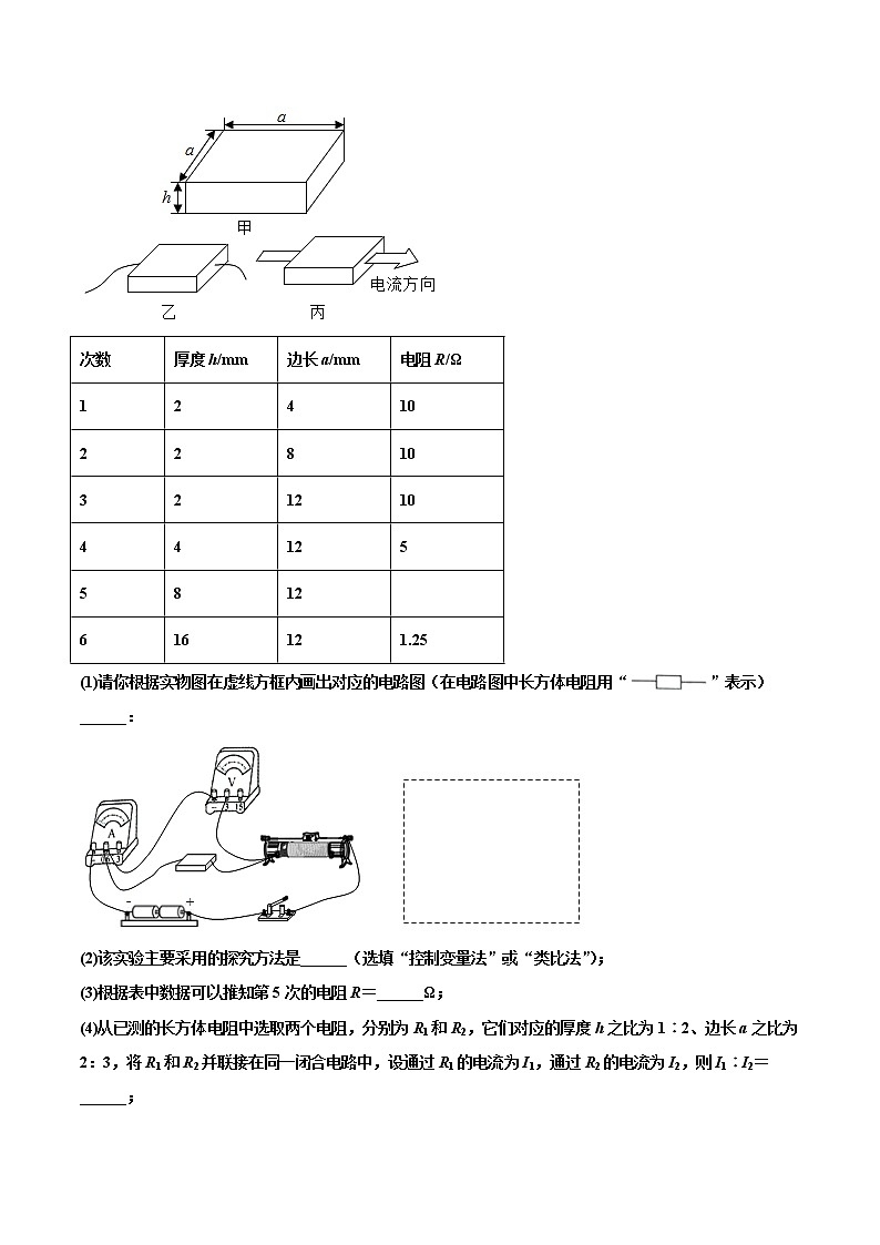
3.(2020·湖南永州市·中考真题)某科技兴趣小组在某次科技活动中看到若干个长方体电阻(包含若干个正方体电阻)。它们的材料相同,上下表面均为正方形,外形都如图甲所示,接入实物电路的连接方式都如图乙所示,有电流通过时都如图丙所示。他们想探究长方体电阻的阻值与厚度及边长的关系,在老师的帮助下,他们测量了部分电阻的厚度h、边长a和电阻R,并记录在表格中(长方体电阻不受温度影响)。
次数
厚度h/mm
边长a/mm
电阻R/Ω
1
2
4
10
2
2
8
10
3
2
12
10
4
4
12
5
5
8
12
6
16
12
1.25
(1)请你根据实物图在虚线方框内画出对应的电路图(在电路图中长方体电阻用“”表示)______:
(2)该实验主要采用的探究方法是______(选填“控制变量法”或“类比法”);
(3)根据表中数据可以推知第5次的电阻R=______Ω;
(4)从已测的长方体电阻中选取两个电阻,分别为R1和R2,它们对应的厚度h之比为1∶2、边长a之比为2:3,将R1和R2并联接在同一闭合电路中,设通过R1的电流为I1,通过R2的电流为I2,则I1∶I2=______;
(5)分析表中数据,科技兴趣小组得到了长方体电阻阻值与其厚度及边长的关系。同时他们也大胆推测,在本次科技活动中所看到的正方体电阻,其阻值与边长的关系是:______。
【答案】 控制变量法 2.5 1∶2 阻值与边长成反比
【详解】
(1)[1]由图可知,该电路为串联电路,电流表测量电路中的电流,电压表测量定值电阻R两端的电压,电路图如图所示:
(2)[2]电阻的大小与材料、长度、横截面积等因素有关,探究电阻与其中一个因素的关系时,采用的是控制变量法。
(3)[3]对比3、4、5的实验数据可知,在边长相同时,厚度越厚,电阻越小,即电阻与厚度成反比;厚度变为原来的2倍,电阻就会变为原来的一半,所以第5次的电阻为2.5Ω。
(4)[4]根据1、2和3中的数据可知,在厚度相同的情况下,边长发生变化时,电阻不变,即电阻与长方体的边长是无关的;从已测的长方体电阻中选取两个电阻,分别为R1和R2,它们对应的厚度h之比为1∶2、边长a之比为2∶3,则其电阻之比为2∶1;将R1和R2并联接在同一闭合电路中,电压相同,根据欧姆定律I=可知,通过的电流之比为I1∶I2=1∶2。
(5)[5]对于正方体来说,当边长变为原来的二倍时,即厚度变为原来的二倍,根据表格中的数据可知,电阻就会变为原来的一半,所以正方体的电阻的阻值与边长成反比。
4.(2020·浙江舟山市·中考真题)在学习了并联电路特点和欧姆定律后,科学兴趣小组为研究并联电路总电阻和各分电阻之间的关系,开展了以下探究。
[实验步骤]
①设计电路,根据电路图连接实物;
②闭合开关,分别读出电压表和电流表的示数并记录;
③计算总电阻并填入表格;
④换用不同规格的电阻重复上述实验。
实验次数
电阻/Ω
电阻/Ω
电压U/V
电流I/A
总电阻R/Ω
1
10
30
3
0.4
7.5
2
30
30
3
0.2
15
3
30
15
3
0.3
10
请你在答题卷中用笔画线代替导线,将实物图连接完整;______
[得出结论]并联电路总电阻小于任何一个分电阻;
[思考讨论]
①请根据影响导体电阻大小的因素解释上述结论;______
②分析表中数据,若增大其中一个分电阻的阻值,则总电阻将______。
【答案】 并联后相当于增大了导体的横截面积,在导体材料、长度、温度不变时,横截面积越大,导体电阻越小 增大
【详解】
[1]根据表中数据可知,电流表量程选择0~0.6A,使电流表串联在干路中,两电阻并联,开关控制整个电路,如下图所示:
[2][3]并联后相当于增大了导体的横截面积,在导体材料、长度、温度不变时,横截面积越大,导体电阻越小;根据表中1、2实验数据可知,当的不变,的阻值增大时,电路的总电阻变大,因此并联电路中,增大其中一个分电阻的阻值,则总电阻会增大。
5.(2020·江苏扬州市·中考真题)在“探究串联电路电压的特点”实验中:
某实验小组分别测量了串联电路两端的总电压和灯泡L1、L2两端的电压、数据如表:
U/V
2.6
1.3
1.3
(1)该小组由此得出串联电路的总电压与各部分电压的关系是__(用题中物理量符号表示)。
(2)实验过程中,若L1灯丝断了,观察到电压表V1示数为__,电压表V2示数为__。
(3)该实验还有待改进,请写出其中一点:__。
【答案】 0 换不同规格的小灯泡再进行多次实验
【详解】
(1)[1]由图表可知,由此得出串联电路的总电压与各部分电压的关系
(2)[2][3]实验过程中,若L1灯丝断了,电压表V1测量电源电压,电压表V1示数为2.6V;由于电路断路,电压表V2测灯L2两端的电压,示数为0V。
(3)[4]为了使实验具有普遍性,电路中换不同规格的小灯泡再进行多次实验。
6.(2020·广东广州市·中考真题)小明设计的电路图如图甲,小灯泡L1、L2的额定电压分别为2.5V、1.5V。
(1)根据电路图,用笔画线表示导线,把图乙中的实物连接起来______;
(2)电路正确连接后,闭合开关,两灯发光,如图丙电压表V1的示数为______,V2的示数为2.8V,L2是否正常发光______?
(3)小明将L1换成额定电压为2.5V的LED,闭合开关后发现LED亮,而L2不亮;
①小明认为此时L2烧断,他判断是否正确?______依据是______;
②小芳认为L2两端电压不够,将图乙中的电池增至三节,闭合开关,两灯不亮,此时V1、V2的示数均为4.4V,这可能是______烧断(选填“LED”“L2”)。
【答案】 1.5 否 不正确 L2烧断的情况下,LED灯也不亮 LED
【详解】
(1)[1]由图甲电路图可知,两个小灯泡是串联的,电压表V1测量L1的电压,电压表V2测量L1和L2的总电压,由因为小灯泡L1、L2的额定电压分别为2.5V、1.5V,所以电压表V1应选择0~3V的量程,电压表V2应选择0~15V的量程,实物连接图如图所示
。
(2)[2]如图丙电压表V1的示数为1.5V。
[3]由串联电路中电压的关系可知,此时L2两端的电压
L2的额定电压为1.5V,此时实际电压小于额定电压,所以L2没有正常发光。
(3)[4][5] 串联电路各用电器不能独立工作,L2烧断的情况下,LED灯也不亮,所以小明的判断是不正确的。
[6]闭合开关,两灯不亮,此时V1、V2的示数均为4.4V,这可能是LED烧断。
7.(2020·湖北襄阳市·中考真题)某物理兴趣小组在“探究导体电阻大小与导体长度的关系”实验中,他们在如图所示电路中的A、B两点间接入待研究的电阻丝,电源电压恒定。忽略电阻丝电阻随温度变化的影响,待用电阻丝的规格如表格所示。
序号
材料
长度
横截面积
1
碳钢合金丝
L
S
2
镍铬合金丝
2L
S
3
镍铬合金丝
L
2S
4
镍铬合金丝
2L
2S
(1)他们应选择序号为______的两根电阻丝来研究;
(2)从表中所给电阻丝的规格看,还可以用这些电阻丝来做另一个探究实验,即探究导体电阻大小与导体______的关系,这次你应该选择序号为______的两根电阻丝来做实验。
【答案】3、4 横截面积 2、4
【详解】
(1)[1]要探究导体电阻大小与导体长度的关系,根据控制变量法的思路,应该选择材料和横截面积都相同的两根电阻丝。从表格中可知,序号3和序号4的材料、横截面积都相同,所以应选择序号3与序号4的两根电阻丝来研究。
(2)[2][3]从表中所给电阻丝的规格看,序号2、3、4的材料都相同,长度和横截面积不完全相同,而序号2和4的材料、长度都相同,只有横截面积不同,故可以用2、4探究电阻与横截面积的关系。
8.(2020·黑龙江绥化市·中考真题)如图甲是小明“探究串联电路的电压规律”的实验电路图。
(1)连接电路时,开关应______。实验时,灯L1和灯L2的规格应______。(填“相同”或“不相同”)
(2)闭合开关后,小明发现两灯都不发光,于是分别把电压表接在图甲中AB两点、BC两点及AC两点,测得数据分别是UAB=3V,UBC=0V,UAC=3V;小明检查发现只有灯L1和灯L2中的一盏出现故障,则故障可能是______。
(3)处理好故障后,小明把电压表接在AB之间重新测量,电压表示数如图乙所示,电压表的分度值是______V;为了使实验结果更准确,接下来小明应该:断开开关______。
(4)正确实验后,小明分析多组数据得出结论______。(请使用文字叙述)
【答案】断开 不相同 L1断路或L1开路或L1接触不良 0.5 电压表改接0~3V量程或电压表改接小量程 见解析
【详解】
(1)[1]为了保护电路,连接电路时,开关应断开。
[2]为了使实验结论具有普遍性,应选用不同规格的灯泡进行实验。
(2)[3]把电压表接在图甲中AB两点,UAB=3V,说明AB两点的外侧是通路,把电压表接在BC两点,UBC=0V,说明BC两点的外侧有断路,把电压表接在AC两点,UAC=3V,说明AC两点的外侧是通路,所以故障可能是L1断路。
(3)[4]电压表示数如图乙所示,电压表的量程是0-15V,电压表的分度值是0.5V。
[5]图乙中电压表的示数是2V,为了使实验结果更准确,需要选择0~3V量程。
(4)[6]由实验数据可知,串联电路中,电源两端电压等于各用电器两端电压之和。
9.(2020·四川凉山彝族自治州·中考真题)如图所示,是探究影响导体电阻大小因素的实验装置图,实验中分别把a、b、c、d四根导线接入电路,其中导线a、b、d长度相同,a、b、c粗细相同,b、d粗细不同。
(1)该实验是通过观察电流表的示数来间接比较导线电阻的大小,这种科学研究问题的方法是_______法;
(2)选用_______两根导线分别接入电路中进行实验,是为了探究电阻大小跟导体的长度有关;
(3)选用a、b两根导线分别接入电路中进行实验,是为了探究电阻大小跟导体的_______有关;
(4)选用_______两根导线分别接入电路中进行实验,是为了探究电阻大小跟导体的横截面积有关。
【答案】转换 b、c 材料 b、d
【详解】
(1)[1]该实验中,通过电流表的示数大小间接得知接入电阻丝的阻值大小,应用了转换法。
(2)[2]由题意可知,导线b、c的粗细、材料均相同、长度不同,故可以探究的电阻大小与长度的关系。
(3)[3]由图可知,导线a、b的粗细、长度均相同、材料不同,因此选用导线a、b分别接入电路中,是为了探究电阻大小跟导体的材料有关。
(4)[4]要探究电阻大小跟导体的横截面积有关,需要控制导体的材料和长度相同,横截面积不同;由图可知,导线b、d的长度、材料均相同、粗细不同,因此选用导线b、d分别接入电路中。
10.(2019·陕西中考真题)物理小组探究导电液体的导电性与接入电路中液体横截面积大小的关系.他们用长方体水槽、浓度一定的食盐水、电源、滑动变阻器、电压表及电流表等器材进行了探究.实验电路连接如图-1所示,将电极M、N分别固定在水槽左右两侧底部的中央.
(1)闭合开关前,为保护电路,应将滑动变阻器的滑片P移到最_____(选填“左”或“右”)端.
(2)实验中,通过调节______来保持电极M、N间的电压恒为3V.控制其他条件不变,通过向水槽中添加食盐水,从而达到改变食盐水的_______的目的,用电流表测出相应的电流值.食盐水导电性的强弱可以由_______来判断.实验数据如下表:
实验序号
横截面积S/cm2
电流I/A
1
50
0.02
2
100
0.04
3
150
0.07
4
200
0.08
5
250
0.11
6
300
0.13
7
350
0.14
8
400
0.14
9
450
0.14
(3)依据表格中的数据在图-2中描点,做出电流I随横截面积S变化的I-S图像.
(______)
(4)分析表格中的数据或图像,可得到初步结论:其他条件不变,横截面积增大时,食盐水的导电性_______.
(5)为验证实验结论是否具有普遍性,应采取的做法是:______.
【答案】右 滑动变阻器的滑片 横截面积 电流表的示数(或电流的大小) 先增大后不变 换不同导电液体,多次实验(或换不同浓度的食盐水,多次实验)
【详解】
第一空.滑片P滑到右端,滑动变阻器接入电路中的阻值最大,能起到保护电路的作用;
第二空.通过调节滑动变阻器滑片改变接入电路的的阻值,从而控制MN两端的电压不变恒为3V;
第三空.添加盐水后,液体的横截面积增大,所以通过向水槽中添加食盐水,从而达到改变食盐水的横截面积的目的;
第四空.食盐水的导电性能可以通过电流表的读数判断,电流大,导电性能强,电流小,导电性能弱,即食盐水导电性的强弱可以由电流表的示数(或电流的大小)来判断;
第五空.根据表格中的数据描点连线,作出电流I随横截面积S变化的I-S图像,如图:
第六空.根据表格中的数据或图像都可以看出,当食盐水的横截面积增大时,电流先增大后不变,所以食盐水横截面积增大时,导电性也是先增大后不变;
第七空.根据一次实验得出结论具有偶然性,为了验证实验结论是否具有普遍性,可以换不同导电液体,进行多次实验,或换不同浓度的食盐水,进行多次实验.
11.(2019·四川内江市·中考真题)某同学为了探究“电阻丝的电阻R与长度l、横截面积S和材料的关系”,进行了如下实验操作:
(1)如图甲所示,是取一段新的电阻丝紧密绕制,用刻度尺测量出它的直径示意图.由此可知,电阻丝的直径为_____mm,从而计算出电阻丝的横截面积S.
(2)在实验中,先保持电阻丝的横截面积S和材料不变,探究电阻丝的电阻R与长度l的关系,这种方法叫做_____法(选填“等效替代”或“控制变量” ).
(3)为了探究电阻丝的电阻R与l的关系,实验室备有以下实验器材:
A.电源E(电压U=1.5V )
B.电流表A1(量程0~100mA )
C.电流表A2( 量程0~0.6A )
D.电阻箱R0(阻值0~999.9Ω)
E.待测电阻丝R(阻值约为10Ω)
F.开关一个,导线若干,则:
(4)为了提高实验的精确程度,在实验中电流表应选的是_____(选填器材前的字母代号).
(5)把电阻丝拉直后,将其两端固定在刻度尺的接线柱a和b上,在电阻丝上夹一个金属夹P,移动金属夹P的位置,就可改变接入电路中金属丝的长度l,把这些实验器材按乙图的电路连接起来.闭合开关S前,电阻箱的阻值应调整到_____Ω.
(6)闭合开关S后,将电阻箱调到适当位置不动,多次改变金属夹P的位置,得到多组I、l的数据.根据实验测量数据在坐标平面内,以电流的倒数1/I为纵坐标、电阻丝的长度l为横坐标,得出图象如图丙所示,根据实验图象说明,横截面积S相同的同种材料的电阻丝,接入长度l越长,电流I越小,电阻R_____.
(7)该电阻丝1cm长度的阻值为_____Ω.
【答案】0.8 控制变量 B 999.9 越大 0.3
【详解】
第一空.根据刻度尺读出电阻丝的长度为:l=1.60cm,
则电阻丝的直径为:d===0.08cm=0.8mm;
第二空.电阻的大小在不考虑温度的前提下,有三个决定因素:材料、长度、横截面积.因此要研究电阻的大小与每一个因素的具体关系时,要用到控制变量法,在实验中,先保持电阻丝的横截面积S和材料不变,探究电阻丝的电阻R与长度l的关系,这种方法叫做控制变量法;
第三空.电路中的最大电流I===0.15A=150mA,所以为了提高实验的精确程度,电流表选最量程为100mA的电流表A1(或序号B);
第四空.闭合开关S前,电阻箱起到保护电路的作用,电阻箱的阻值应调整到阻值最大处,由电阻箱R0(阻值0~999.9Ω)可知,电阻箱的阻值应调整到999.9Ω.
第五空.在图象上可以看到,电阻的长度越长,电流的倒数越大,电流越小,在电压一定时,电阻越大.
第六空.由图乙知,电阻丝和电阻箱是串联的,
由图丙知,
当电阻丝接入0cm,就是电阻丝的电阻为零时,电源电压为1.5V,电流倒数为10A﹣1,所以电流为I'=A=0.1A,则电阻箱的电阻为:R'===15Ω,
当电阻丝接入10cm,就是电阻丝的电阻为R时,电源电压为1.5V,电流倒数为12A﹣1,所以电流为I''=A,则电路总电阻为:R总===18Ω,
所以10cm电阻丝的电阻为:R=R总﹣R'=18Ω﹣15Ω=3Ω,
在横截面积和材料一定时,导体的电阻跟导体的长度成正比,所以1cm的电阻丝电阻为:R1===0.3Ω.
12.(2019·辽宁锦州市·中考真题)小明在研究并联电路电流特点时,按图甲电路图连接好电路,闭合开关S和S1,观察各电流表示数,再闭合开关S2,示数保持不变的电流表是______(电源电压不变),同时小明观察到电流表A的示数如图乙所示,为了使测量更精确,断开开关后,接下来的操作是__________________.
甲 乙
【答案】A1 将电流表A“3”接线柱上的线头改接到“0.6”接线柱上
【详解】
[1]闭合开关S和S1时,A1测的是通过R1电流,A的示数等于A1示数,A2示数为零,闭合开关S2后,A1依旧测的是R1电流,由于R1与R2是并联的,因此R1两端的电压不变,A1示数保持不变,A测的是干路总电流,示数改变,A2测通过R2电流,示数改变;
[2]从图中可以看出电流表的指针偏转角度很小,为了使测量更精确,应该换用小的量程,即0~0.6A的量程.
13.(2019·广西百色市·中考真题)在探究“电阻的大小与哪些因素有关”的实验中,采用如图甲所示的实验装置,a、b、c是镍铬合金制成的三根导线,a、b长度相同但粗细(横截面积)不同,a、c粗细相同而长短不同,导线d由锰铜合金制成,长短、粗细与导线b相同.
(1)实验中电流表的示数越大,对应的导线电阻越_____;
(2)将导线a接在M、N之间,闭合开关,电流表示数如图乙所示,此时电流为_____A;
(3)依次将导线b、c、d替换导线a接入电路,电流表对应的示数如下表所示:
导线代号
a
b
c
d
电流表的示数
﹣
1.3A
2.2A
2.7A
①选导线a、b比较是为了探究导线电阻的大小与_____的关系;探究导线电阻的大小与材料的关系,应选用的两根导线是_____(填写导线代号);
②由此可知:导线电阻的大小与材料有关,用相同材料制成的导线长度越_____,横截面积越_____,电阻越大:
(4)若想进一步用“伏安法”测量导线a的电阻,除了如图甲所示的器材外,至少还需要在此电路接入一个_____表和一个变阻器,连好电路后,经多次测量,绘得导线a的U﹣I图象如图丙所示,则其电阻为_____Ω.
【答案】小 0.2 粗细(或横截面积) b、d 长 小 电压 1.25
【详解】
(1)[1]实验中通过电流表示数大小反映电阻大小,电流表示数越大,说明导线的电阻越小;
(2)[2]图乙中,电流表的量程为0﹣0.6A,分度值为0.02A,示数为0.2A;
(3)①[3]导线a、b的材料、长度都相同但粗细(横截面积)不同,b的横截面积较大,是为了探究导线电阻的大小与横截面积的关系,由表格数据可知通过a的电流小于b的电流,所以可以得出在材料、长度相同时,横截面积越大,电阻越小;
[4]探究导线电阻的大小与材料的关系,需要控制长度、横截面积都相同,改变材料,故导线b、d符合题意;
②[5] [6]由表格数据可得出结论:用相同材料制成的导线长度越长,横截面积越小,电阻越大;
(4)[7]根据R=知要测量导线a的电阻,需要用电流表测量电流,用电压表测量电压,所以缺少电压表;
[8]由图象中的数据可知:当电压为1.25V时,对应的电流为1.0A,则导线a的电阻为:
.
14.(2019·辽宁锦州市·中考真题)在“测量小灯泡的电阻”的实验中,电源电压保持不变,小灯泡的额定电压为2.5V。
(1)图甲是小亮同学连接的实物电路,图中有一处导线连接错误。请在连接错误的导线上画“×”,并用笔画线代替导线在图上画出正确的连线。
(__________________)
(2)闭合开关前,滑动变阻器的滑片调至最大阻值处,是为了_____。
(3)改正电路后,他将测得的数据及计算结果填写在表格中。则小灯泡正常发光时的电阻为_____欧(结果保留一位小数)。
实验次数
1
2
3
4
电压/V
1.0
1.5
2.0
2.5
电流/A
0.20
0.22
0.26
0.30
电阻/Ω
5.0
6.8
7.7
(4)小亮从数据中发现,小灯泡的电阻是变化的,你认为影响小灯泡电阻变化的主要原因是_____。
(5)完成上述实验后,小亮还想测另一小灯泡的额定功率,他设计了如图丙所示的电路图并连接了电路。(已知小灯泡的额定电压为,R1的最大阻值为R0,电源电压保持不变)具体操作如下:
①闭合开关_____,调节R1接入电路的电阻,使电压表的示数为。
②保持R1的滑片位置不变,断开开关_____,再闭合开关_____,调节R2接入电路的电阻,使电压表的示数仍为。
③接着将R1的滑片调至最右端,电压表的示数为U1;再将R1的滑片调至最左端,电压表的示数为U2。
④小灯泡的额定功率=_____(用、R0、U1、U2表示)
【答案】 保护电路 8.3 灯的电阻随温度的变化而变化 S1 S1 S2 ×(U1﹣U2)
【详解】
(1)[1]原电路中,电压表测电源电压是错误的,应测灯的电压,如下所示:
(2)[2]闭合开关前,滑动变阻器的滑片调至最大阻值处,防止电流太大对灯泡造成损害,目的是为了保护电路。
(3)[3]灯在额定电压下正常发光,则小灯泡正常发光时的电阻为:
(4)[4]小亮从数据中发现,小灯泡的电阻是变化的,因为表中的电流随着电压增大而增大,会造成电阻发热,所以影响小灯泡电阻变化的主要原因是灯的电阻随温度的变化而变化;
(5)①[5]由题意可知,闭合开关S1,调节R1的滑片,可使电压表的示数为;
②[6][7]由实验目的可知,此时要保持变阻器R1的滑片位置不动,先断开S1,再闭合S2,移动变阻器R2使电压表不变;
④[8]根据等效替代的方法,此时R2=RL;将R1的滑片P调至最左端,记下电压表的示数为U1;再将R1的滑片P调至最右端,记下电压表的示数为U2;因为R1的滑片P调至最左端,R1连入电路中的电阻为0,电压表的示数为U1即为电源电压;再将R1的滑片P调至最右端,此时两变阻器串联,电压表的示数为U2,即为R2的电压,根据串联电路电压的规律和欧姆定律有:
解得:
小灯泡额定功率的表达式:由上述两个式子得:
15.(2019·黑龙江中考真题)在“探究影响电阻大小的因素”的实验中,某实验小组同学利用如图所示的电路分别对“导体电阻跟它的材料、长度、横截面积有关”的猜想进行实验验证。实验中使用4根电阻丝,其规格、材料如表所示。
编号
材料
长度/m
横截面积/mm2
电流大小/A
A
锰铜合金
0.5
0.8
0.40
B
镍铬合金
0.5
0.8
0.32
C
镍铬合金
0.5
0.4
0.16
D
镍铬合金
1.0
0.4
0.08
(1)实验中通过观察_____来比较电阻的大小,此过程用到的研究方法是_____。
(2)分别将C、D两根合金丝接入电路,可初步探究出的结论是_____。
(3)分别将_____(填编号)两根合金丝接入电路,可初步探究出的结论是:导体的材料、长度相同时,横截面积越小,电阻越大。
【答案】电流表的示数大小 转换法 导体的材料、横截面积相同时,长度越长,电阻越大 B、C
【详解】
第一空.在该实验中,电阻的大小是通过电流的大小来体现的,电流越小说明电阻越大,通过观察电流表示数的大小比较电阻的大小,
第二空.由电流表示数的大小比较电阻的大小的方法是转换法;
第三空.由表中数据可知,将C、D两根合金丝接入电路,C、D合金线的材料、横截面积相同,而长度不同,并且D合金丝的长度大于C的长度,发现接入D合金丝时,电流表的示数比接入C合金丝时更小,说明D合金丝的电阻比C合金丝的电阻大,由此初步得出结论:导体的材料、横截面积相同时,长度越长,电阻越大;
第四空.由表中数据可知,将B、C两根合金丝接入电路,B、C合金线的材料、长度相同,而横截面积不同,并且C合金丝的横截面积小于B的横截面积,发现接入C合金丝时,电流表的示数比接入B合金丝时更小,说明C合金丝的电阻比B合金丝的电阻大,由此初步得出结论:导体的材料、长度相同时,横截面积越小,电阻越大。
16.(2019·北京中考真题)如图所示,电阻箱的示数为____________Ω。
【答案】2035
【详解】
×1000的位置对应的数是2,×100的位置对应的数是0,×10的位置对应的数是3,×1的位置对应的数是5,故是2035Ω.
17.(2019·湖南邵阳市·中考真题)小芳在“探究串联电路电压特点”的实验中,连接好了的实物电路图如图甲所示,请你协助完成:
(1)在方框内画出与图甲对应的电路图,并在电路图中标上L1、L2.
(______)
(2)在某次测量时,电压表的示数如图乙所示,此时灯L1两端的电压为_____V.
(3)闭合开关后,小芳发现L1、L2均不发光,电压表有示数且大小接近3V,则电路中出现的故障可能是L1发生了_____(选填“短路”或“断路”).
(4)排除故障后,小芳在测量了灯L1两端的电压后,断开开关,然后将导线AE的A端松开,接到D接线柱上,测量灯L2两端的电压,这一做法会造成_____.
【答案】 1.9 断路 电压表的正负接线柱接反
【详解】
第一空.分析实物图知道,两盏灯串联,开关控制整个电路,电压表测量灯泡L1两端电压,相应的电路图如下:
第二空.由图甲知道,电源由2节干电池串联组成,所以,电源电压大约是3V,由图乙知道,电压表选用的是小量程,其分度值是0.1V,此时电压表的示数是1.9V;
第三空.闭合开关S后,灯L1、L2均不发光,说明电路中可能有断路故障,而电压表的示数大小接近电源电压3V,说明此时电压表的正负接线柱与电源两极相连,所以,应是灯L1发生断路.
第四空.由图知道,如果将AE导线的A端松开,接到D接线柱上来测量灯L2两端的电压,此时电流是从电压表的“﹣”接线柱流入,从“+”接线柱流出了,即会造成电压表的正负接线柱接反.
18.(2019·湖北黄石市·中考真题)(1)为探究影响电阻大小的因素,甲同学利用同一种台金材料的a、b、c三条电阻丝进行实验,a、b长度相同,b、c粗细相同,如图1所示。连接电路.分别接通a、b、c,电流表的三次示数如图2所示,根据示数可以得出以下结论:
①比较a、b两次电表示数,可以得出电阻大小跟导体________有关。
②比较b、c两次电表示数,可以得出电阻大小跟导体__________有关。
③由实验可以得出:三个电阻丝阻值从大到小关系是____________。
(2)乙同学利用这套实验器材试图对电热与电阻的关系进行探究:
①考虑到没有计时工具,他用小木棍蘸取等量蜡烛油分别粘放在a、b、c电阻丝的中点处,然后使a、b、c电阻丝能同时通电发热。乙同学是想利用______________来反映电阻丝发热量的大小。
②乙同学选择的电路图如图3所示,采取的是三个电阻丝_________(选填“串联”或“并联”)的连接方式,请你将未完成的电路连线补充完整。
(______)
③接通电路,观察到小木棍掉落的先后顺序是______________。
结合实验现象和甲同学实验得到的电阻大小关系,乙同学推测出:通电时间相同的情况下,电阻大的电阻丝产生的电热_________(选填“多”或“少”),发现该结论与已学的焦耳定律不符。请你帮助他进行解释:在相同的通电时间内,当________时,电阻大的电热就多;当___________时,电阻大的电热就少。
【答案】横截面积(或粗细) 长度 Ra>Rb>Rc 小木棍掉落的时间 并联 c、b、a 少 电阻电流相同(串联) 电阻电压相同(并联)
【详解】
(1)①a、b材料相同、长短相同,从图中可以知道,b的横截面积大 ,a、b两次电表示数不同,可以得出电阻大小跟导体横截面积(或粗细)有关。
② b、c材料相同、横截面积相同,从图中可以知道, b长度大, b、c两次电表示数不同,可以得出电阻大小跟导体长度有关。;
③由实验可以得出:三次实验的电流表示数IaIbIc,由欧姆定律可知,三个电阻丝阻值从大到小关系是Ra>Rb>Rc。
(2)①电阻丝上产生的热量越多,蜡烛油熔化得越快,小木棍越早掉下来,乙同学是想利用小木棍掉落的时间来反映电阻丝发热量的大小;
②如图3所示电路,三个电阻丝首首相连,因此是并联,电路如图所示:
③接通电路,据Q=t可知,Ra>Rb>Rc,则相同时间内电阻丝c上产生的热量最多,其次是b,a上产生的热量最少,因此小木棍掉落的先后顺序是c、b、a,结合实验现象和甲同学实验得到的电阻大小关系,乙同学推测出:通电时间相同的情况下,电阻大的电阻丝产生的电热少,而焦耳定律Q=I2Rt中,Q与R成正比,二者似乎矛盾。公式Q=I2Rt应用于串联电路,即电流相同时,电阻大的电热就多;公式Q=t,应用于并联电路,即电压相同时,电阻大的电热就少。
19.(2019·广东深圳市·中考真题)如甲图所示的电路,闭合开关,两灯均不亮。已知电路连接正确,是其中一个小灯泡损坏了。请你在不拆开原电路的基础上,从乙图所示的实验器材中任选一种连入电路,设计检测方法,找出损坏的小灯泡,并完成表格中相关内容。
所选器材
检测电路图
现象与结论
【答案】闭合开关,若电压表有示数,则L1断路;若电压表无示数,则L2断路
闭合开关,若检测灯泡发光,则L1断路;若检测灯泡不发光,则L2断路
【详解】
由图像可知两灯串联,闭合开关,两灯均不亮,且其中一个小灯泡损坏,说明其中一只小灯泡断路,因此可选择电压表与L1并联,闭合开关,若L1断路,则电压表与L2串联,电压表有示数,若L2断路电压表无示数,或选择小灯泡与L1并联,闭合开关,若L1断路,则灯泡与L2串联,灯泡发光,若L2断路灯泡不发光。
20.(2019·黑龙江绥化市·中考真题)在“探究影响电阻大小的因索”的实验中,某实验小组同学利用如图所示的电路分别对“导体电阻跟它的材料、长度、横截面积有关”的猜想进行实验验证.实验中使用4根电阻丝,其规格、材料如下表所示.
(1)实验中通过观察________来比较电阻的大小,此过程用到的研究方法是________.
(2)分别将C、D两根合金丝接入电路,可初步探究出的结论是:________________.
(3)分别将________(填编号)两根合金丝接入电路,可初步探究出的结论是:导体的材料、长度相同时,横截面积越小,电阻越大.
【答案】电流表示数 转换 导体的材料、横截面积相同时,长度越长,电阻越大 B、C
【详解】
(1)在电路中分别接上不同的导体,可通过观察电流表示数来比较导体电阻的大小,这种研究方法是转换法;
(2)分别将C、D两根合金丝接入电路,控制导体材料与横截面积相同而长度不同,可初步探究出的结论是:导体的材料、横截面积相同时,长度越长,电阻越大;
(3)要探究导体的材料、长度相同时,电阻大小与横截面积的关系,应选分别将B、C两根合金丝接入电路.
21.(2018·黑龙江绥化市·中考真题)如图所示,将长度、粗细相同的A、B两根合金丝分别接入电路中,闭合开关,比较电流表的示数,可说明导体电阻的大小与导体的________是否有关.如果只用一根镍铬合金丝,可探究导体电阻的大小与导体的________是否有关.(A、B、C三根合金丝均可拆卸)
【答案】材料 长度(或横截面积)
【详解】
[1]由题和图示可知,A、B两根合金丝的粗细相同,长度相同,材料不同,因此可借助于电流表来探究导体的电阻跟导体的材料的关系.
[2]只用一根镍铬合金丝,实验时,通过改变连入镍铬合金丝长度,此时横截面积和材料不变,可以探究导体电阻与长度的关系;也可以将镍铬合金丝对折起来使用,改变连入电阻丝横截面积,控制长度和材料不变,可以探究导体电阻与横截面积的关系.
22.(2018·四川攀枝花市·中考真题)夏天我们经常使用电风扇,电风扇吹出风的强度与什么因素有关?对此小明提了两个猜想,并利用玩具电风扇来进行探究.
猜想一:电风扇吹出风的强度与距离电风扇的远近有关;
猜想二:电风扇吹出风的强度与扇叶的转速有关;
为证实上述猜思小明同学设计了如图甲所示装置:将纸板B固定在支架上,纸板A与轻杆固定后悬挂在纸板B上的转轴O处,纸板A和轻杆可绕转轴O自由摆动,将电风扇放在左侧正对纸板A.图中s是纸板A自然下垂时(虚线)到电风扇的水平距离,θ是纸板A问右摆动稳定后轻杆与竖直方向的夹角,θ越大,说用电风扇吹出风的强度越强.
(1)探究猜想一:保持电风扇的转速不变,移动电风扇,使s分别等于0.3cm、0.5cm、0.7cm、0.9cm,在纸板B上分别标下纸板A稳定时轻轩的位置a、b、c、d,如图乙所示,可知猜想一是_____(选“正确”或“错误”)的.
(2)探究猜想二:小明同学将一个滑动变阻器与电风扇的电动机_____(选填“串联”或“并联”),在探究过程中,还要保持_____不变.
(3)你认为电风扇吹出风的强度还可能与_____有关.(写出一个合理的答案)
【答案】正确 串联 距离电风扇的远近 风扇扇叶的大小
【详解】
(1)保持电风扇的转速不变,移动电风扇,由右图可知,距离电风扇越近,θ越大,说明电风扇吹出风的强度越强,故结论为:电风扇吹出的风的强度与距离电风扇的远近有关;故猜想一是正确的;(2)探究电风扇吹出的风的强度与扇叶的转速有关时,应使滑动变阻器与电风扇的电动机串联,调节滑动变阻器,改变电路中的电阻,据欧姆定律可知,电路中的电流改变,从而改变扇叶的转速;根据控制变量法可知,在探究过程中,应控制距离电风扇的远近不变;(3)电风扇吹出的风的强度还可能与风扇扇叶的大小有关,也可能与风扇扇叶的形状有关等.
23.(2018·新疆乌鲁木齐市·中考真题)某实验小组的同学用铅笔芯探究导体的电阻与长度的关系,如图所示是该实验的电路图。
(1)闭合开关,向右移动铅笔芯上的滑片P1,电路中的电流_____(选填“变大”“变小、”或“不变”)。
(2)如果滑片P1滑动到铅笔芯最右端时,电压表示数很小,应该将滑动变阻器的滑片P2向_____移动。
(3)移动铅笔芯上面的滑片P1,记录铅笔芯AP1之间的距离和电压表的示数,数据如下:
AP1/mm
0
30.0
60.0
90.0
120.0
150.0
180.0
U/V
0
0.4
0.8
1.2
1.6
2.0
2.4
通过数据反映出的规律和_____可以推出导体的电阻与导体的长度成_____比的结论。若图示位置时电压表示数为0.9V,滑片P2向右移动一段距离,电压表示数变为1.2V,滑片P2再向右移动一段相同的距离,电压表示数为_____V。
【答案】不变 右 欧姆定律 正 1.8
【详解】
(1)由图知,铅笔芯和滑动变阻器串联,电压表测滑片P1左侧部分铅笔芯的电压,因电压表在电路中相当于断路,所以可知整个铅笔芯连入电路,则向右移动滑片P1时,不能改变电路中的电阻,电源电压不变,由欧姆定律可知,电路中的电流不变;
(2)如果滑片P1滑动到铅笔芯最右端时,电压表示数很小,说明滑动变阻器分压太大,应该减小滑动变阻器两端的电压,减小滑动变阻器连入的电阻,即应该将滑动变阻器的滑片P2向右移动;
(3)由表中数据可知,电压表的示数(即铅笔芯AP1段两端的电压)随AP1长度的增大而增大,并且成倍数的增大,所以铅笔芯AP1段两端的电压与AP1的长度成正比;
电路中电流不变,由U=IR可知,铅笔芯AP1段两端的电压与AP1的电阻成正比;
由此可以推出:导体的电阻与导体的长度成正比。
图示位置时电压表示数为0.9V,设电源电压为U、整个铅笔芯的电阻为R0、与电压表并联部分的电阻为R0左、此时滑动变阻器连入电阻为R1,
串联电路的电流处处相等,由欧姆定律可得此时电路中电流:=,﹣﹣﹣﹣﹣﹣﹣①当滑片P2向右移动一段距离,设滑动变阻器连入电阻减小值为△R,电压表示数变为1.2V,
,由欧姆定律可得此时电路中电流:=,﹣﹣﹣﹣﹣﹣﹣﹣﹣②;
得:==1﹣,化简可得:R0+R1=4△R,
代入①得:=,﹣﹣﹣﹣﹣﹣﹣③,
当滑片P2再向右移动一段相同的距离,滑动变阻器连入电阻减小值为2△R,
设此时铅笔芯两端电压为U3,
由欧姆定律可得此时电路中电流:==,﹣﹣﹣﹣﹣﹣﹣﹣④,
得:==,
解得:U3=1.8V。
24.(2018·山东青岛市·中考真题)探究影响电阻大小的因素:有a、b、c、d四根不同的电阻丝,b、c、d跟a相比,分别只有一个因素不同:b与a长度不同;c与a横截而积不同;d与a材料不同.实验方案有如下两种
方案
甲
乙
电路
原理
①将电阻丝a、b、c、d分别接在M、N之间,测出电路中的电流.电流表的示数越大,表示接入的电阻丝阻值越_____.
②将电阻丝a、b、c、d串联在电路中,用电压表分别测出它们两端的电压.电压表的示数越大,表示被测的电阻丝阻值越_____.
(2)增加一把刻度尺,探究电阻大小与长度是否成正比.请选择上述方案中的填_____(“甲”或“乙”),具体做法:_____.
【答案】小 大 甲 选用ab两电阻丝,分别接入电路中,在电压一定时,分别测量出通过两电阻丝的电流,用刻度尺测量出两电阻丝的长度,分析出电阻与长度的关系
【详解】
(1)①将电阻丝a、b、c、d分别接在M、N之间,根据I=知,电压一定,电流表的示数越大,表示接入的电阻丝阻值越小.
②将电阻丝a、b、c、d串联在电路中,电流相等,根据U=IR知电压表的示数越大,表示接入的电阻丝阻值越大.
(2)探究电阻大小与长度是否成正比,需要控制导体的材料相同、横截面积相同,故选用ab两电阻丝分别接入电路中,在电压一定时,分别测量出通过两电阻丝的电流,故选用甲图,用刻度尺测量出两电阻丝的长度,分析电阻与长度的关系,
25.(2018·贵州六盘水市·中考真题)李瑞同学在参加宜宾市物理实验技能大赛时,对串联电路电压规律进行了探究.
(猜想与假设)串联电路总电压等于各用电器两端电压之和.
(设计与进行实验)
(1)设计好电路图(如上图),并按照电路图连接电路;
(2)闭合开关,用电压表测出L1两端的电压;
(3)在测L2两端的电压时,李瑞同学为了节省时间,采用以下方法:电压表所接的B点不动,只断开A点,并改接到C点上,测出BC间的电压(即L2电压);
(4)测出AC间的电压.
(交流与评估)
(1)在拆接电路时,开关必须________;
(2)李瑞同学用上面的方法能否测出L2两端的电压?_______,为什么?_____________;
(3)方法改进后,实验数据记录如下表,李瑞同学分析后得出结论:串联电路总电压不等于各用电器两端的电压之和;他的结论与猜想是否相符_____;这个实验在设计方案上还存在的不足之处是____(写出一条).
【答案】断开 不能 因为这样电压表的正负接线柱会接反 不相符 没有换其它两个规格不同的小灯泡多次实验
【详解】
(1)为了保护电路,在拆接电路时,开关必须断开;(2)当电压表所接的B点不动,只断开A点,并改接到C点上时,虽然此时电压表与L2并联,但电压表的正负接线柱却是反的,闭合开关后,指针会反向偏转,所以不能测出L2两端的电压;
(3)结论与猜想不符,由表格数据可知,该方案的不足之处是:他只做了一次实验,换其它两个规格不同的小灯泡多次实验,只凭一组实验数据得出结论带有偶然性,不能得出普遍规律.
26.(2018·广西梧州市·中考真题)小明和小华同学在“探究串联电路电压的规律”实验中,都设计了如图甲所示的电路.
连接电路前,小明发现电压表指针如图乙所示,接下来他要对电压表进行的操作是______.
小明根据图甲连接好电路,闭合开关后,发现电压表示数为零,若只有或中的一处发生故障,则故障可能是______写出一种即可.
排除故障后,小明完成了实验,并把数据记录在下表中.
分析实验数据得出两个实验结论:
串联电路两端的电压______各部分电路两端电压之和:
串联电路中,各部分电路两端电压相等.
实验结束后小明和小华互相交流,小华指出结论是错误的,造成结论错误的原因是______,另外,小明的实验在设计方案上还存在另一个不足之处是______.
小明和小华还进行了深入交流,为了节省时间,利用原来的电路图,在测两端的电压时,电压表所接的B接点不动,只断开A接点,并把接线改接到C接点上,这个方法______选填“能”或“不能”测出两端的电压,理由是______.
【答案】对电压表进行调零 断路或短路 等于 选用相同规格的灯泡做实验 只测出了一组实验数据,实验次数太少,得出的实验结论具有偶然性和片面性 不能 电压表的正负接线柱接反了
【详解】
(1)[1]连接电路前,小明发现电压表指针如图乙所示,指针没有指零刻度,应对电压表进行调零;
(2)[2]由电路图可知,两灯泡串联,电压表测灯泡两端的电压.闭合开关后,发现电压表示数为零,且只有或中的一处发生故障;若灯、均不亮,说明电路发生断路,而电压表没有示数,说明电压表的两端不能与电源连通,则是断路;若亮、不亮,而电压表没有示数,则可能是灯短路;
(3)[3]由表中实验数据可知,UAC=UAB+UBC,即串联电路的总电压等于各部分电路电压之和.
(4)[4][5]由实验数据可知,各部分电路两端电压相等,该结论是错误的,造成结论错误的原因是选用了规格相同的灯泡做实验;
由实验数据可知,只测出了一组实验数据,实验次数太少,得出的实验结论具有偶然性和片面性,为得出普遍结论,应改变灯泡的规格进行多次实验或改变电源电压进行多次实验;
(5) [6][7]为了节省时间,利用原来的电路图,在测两端的电压时,电压表所接的B接点不动,只断开A接点,并把接线改接到C接点上,这样做不能测出两端的电压,因为根据电路图分析可以看出,直接改接一端连线,会造成电压表的正负接线柱接反了;
27.(2018·湖南益阳市·中考真题)用甲图测小灯泡电阻.灯泡正常发光的电压为2.5V.
(1)当小灯泡正常发光时,电流表的示数如图乙所示,此时电流表的示数为_______A,小灯泡的电阻为_______Ω;
(2)若闭合开关,电流表和电压表的指针都发生偏转,而小灯泡不亮.其可能原因是_______(说出一种即可);
(3)若一个电表发生故障,但有已知的定值电阻R0可提供的情况下,下列电路中不能测出小灯泡电阻的是_______.
【答案】0.2 12.5 滑动变阻器接入电路的阻值太大或电源电压太低 D
【详解】
(1)当小灯泡正常发光时,电流表的示数如图乙所示,电流表选用0~0.6A量程,分度值为0.02A,此时电流表的示数为0.2A,由欧姆定律,小灯泡的电阻为:
;
(2)若闭合开关,电流表和电压表的指针都发生偏转,说明电路是连通的,小灯泡不亮,可能原因是滑动变阻器接入电路的阻值太大或电源电压太低,灯泡实际功率太小所致;
(3)A.由电路图可知,S断开时,两电阻串联,电压表测待测电阻的电压Ux;S闭合时,R0短路,电压表测电源电压U,根据串联电路电压的规律,可得出S断开时定值电阻的电压U0=U–Ux,由欧姆定律可求电路中的电流,从而得出待测电阻的大小
,
故A不符合题意.
B.S断开时,电流表测通过定值电阻的电流I0,由欧姆定律可求出电源电压U=I0R0;
S闭合时,电流表测并联电路干路的电流I,根据并联电路各支路互不影响,两电阻并联时,通过定值电阻的电流大小不变,故根据并联电路电流的规律可知,通过待则电阻的电流Ix=I-I0,由欧姆定律可求待测电阻大小
,
故B不符合题意.
C.S断开时,两电阻串联,电流表测电路中的电流I,根据电阻的串联和欧姆定律可得电源电压的表达式U=(Rx+R0)I;S闭合时,为R0的简单电路,电流表测通过R0的电流I0,由欧姆定律可得电源电压的表达式U=I0R0,根据电源电压不变,则
(Rx+R0)I=I0R0,
可求待测电阻大小为
,
故C不符合题意.
D.无论开关断开与闭合,电压表都测电源电压,故不能测量待测电阻的大小.故答案为D.
28.(2018·贵州贵阳市·中考真题)实验小组完成了“探究串联电路电压规律”的实验后,得到“电源两端电压总大于各用电器两端电压之和”的结论,这与之前“电源两端电压等于各用电器两端电压之和”的猜想不符.老师引导同学们用如图甲所示的电路继续进行了深入探究:
(1)测量电源及灯泡两端电压.电压表接在两点,是为了测量灯泡________的电压,闭合开关,电压表的示数(如图乙所示)是________.
(2)测量电路中导线的电压.测出导线间的电压大约为,由此得知导线分压可能是造成结论与猜想不符的原因.为了能更明显地观察到导线分压的现象,应选择较________(选填:“粗”或“细”)的导线,原因是________.
(3)完成以上步骤后,他们准备测量开关两端的电压,你认为这一步骤是否有必要,理由是________.
【答案】L1 1.7 细 在长度和材料相同时,横截面积越小电阻越大,分压大,更容易观察到实验现象 有必要,开关容易接触不良,造成电阻变大,分压增多
【详解】
(1)测量电源及灯泡两端电压.电压表接在CD两点时与L1并联所以是为了测量灯泡L1的电压,由图知电压表选择的是小量程,分度值是0.1V,所以示数是电压表的示数(如图乙所示)是1.7V.
(2)为了能更明显地观察到导线分压的现象,应选择较细的导线,原因是在长度和材料相同时,横截面积越小电阻越大,分压大,更容易观察到实验现象.
(3)完成以上步骤后,量开关两端的电压有必要,因为开关容易接触不良,造成电阻变大,分压增多.
29.(2018·全国湖州市·中考真题)某科学兴趣小组在探究影响导体电阻大小及灯泡亮暗的因素时.做了如甲图所示的实验:将鳄鱼夹从较长的镍铬合金丝的A端逐渐滑向B端时,发现电流表示数逐渐增大,同灯泡逐渐变亮.
(1)通过实验可得出结论:导体的电阻大小与_____有关;灯泡的亮暗与通过灯泡的电流大小有关.
(2)小明认为决定灯泡亮暗的因素只是电流大小,请你设计一个实验来否定小明的观点(只需在相应的方框内画出电路图).___________
实验材料:两个不同规格的灯泡L1和L2,电泡组、开关S及导线若干.
(3)接下来,小明又做了如下实验:将整条镍合金丝AB接入电路,闭合开关,然后用大功率吹风机先对镍铬合金丝吹一段时间热风,再改用冷风档对镍铬合金吹冷风.在整个过程中观察电流表示数的变化情况,小明所做的这一实验基于的假设是_____.
【答案】导体长度 导体的电阻与温度有关
【详解】
(1)鳄鱼夹从较长的镍铬合金丝的A端逐渐滑向B端即改变了导体的长度,所以可得出结论:导体的电阻大小与导体的长度有关.
(2)设计的电路图如下:
(3) 用大功率吹风机先对镍铬合金丝吹一段时间热风,再改用冷风档对镍铬合金吹冷风.两种情况是在改变导体的温度,所以实验是在研究导体的电阻与温度的有关.
30.(2018·湖北黄冈市·中考真题)在探究并联电路电流规律的实验中
(1)为了防止损坏电流表,在不能事先估计电流大小的情况下,应先进行________,以正确选择电流表或电流表的量程.
(2)小方连接的部分电路如图所示,请你将电路连接完整_____________.
(3)小方将以上电路连接完后,闭合开关,调节滑动变阻器,发现灯泡L1和L2发光、电流表A1和A2有示数、电流表A示数为零.则电路故障可能________
(4)排除故障,进行实验,小方记录了如下数据.
分析以上实验数据,小方发现通过两条支路的电流总是相等.为了探究这个发现是否具有普遍性,可以_________________,再进行实验.
【答案】试触 电流表A被短路 将L1(L2)换成另一个规格不同的灯泡
【解析】
(1)不能估测被测电流情况下,可先用大量程进行试触,然后正确选择电流表或电流表的量程;
(2)由图知道,为了连接并联电路,电流需要从电流表A1的正接线柱流入,从负接线柱流出即可,电路如图:
(3)根据题意知道,闭合开关,调节滑动变阻器,发现灯泡L1 和L2 发光、电流表A1 和A2有示数,电流表A示数为零,说明并联支路部分没有故障,所以故障应是电流表A短路;
(4)因为通过两条支路的电流总是相等,说明使用的是规格相同的灯泡,为了使实验结论更具科学性,普遍性,可以更换不同规格的灯泡重新进行实验.
点睛:本题考查的探究并联电路电流特点的实验,考查了电流表的量程的选择和正负接线柱的接法,需要注意为了使实验结论更具科学性,普遍性,就要用不同的规格的电灯,多做几次实验.
31.(2018·天津中考真题)在“探究影响导体电阻大小的因素”时,某实验小组想利用图所示的电路分别对导体电阻跟它的长度、橫截面积、材料有关的猜想进行实验验证:
(1)为验证“导体电阻跟长度有关”,下表中可选用的三种导体是_____(填导体代号);
(2)若实验中将电路中的电流表更换为小灯泡,通过观察_____也可以判断导体电阻大小,但不足之处是_____.
【答案】B、D、E 灯泡的亮度 当电路中电阻变化不大时,只凭灯泡的亮暗不易区分
【解析】
解:
(1)为了研究导体电阻与导体长度的关系,则需使导体的材料和横截面积相同,长度不同,应选用的三种导体是B、D、E;
(2)实验中将电路中的电流表更换为小灯泡,可通过观察灯泡亮度来判断电阻的大小,但是当电路中电阻变化不大时,只凭灯泡的亮暗不易区分,所以不科学.
32.(2018·山东泰安市·中考真题)某物理兴趣小组利用图甲所示实验电路图同时测量电源电压U0的大小和电阻Rx的阻值,电源电压U0约为2V~3V,Rx的阻值约为6Ω~7Ω.实验室提供如下器材:导线若干、开关、电流表(量程0~0.6A,0~3A)、电压表(量程0~3V,0~15V)、滑动变阻器R(最大阻值为30Ω).请你思考完成下列问题:
(1)按照图甲用笔画线代替导线,连接好图乙中的实物图_________.
(2)用物理量U0、Rx、电流表的示数I写出表示电压表示数U大小的关系式:U=_____.
(3)①正确连接电路后,闭合开关前应使滑动变阻器连入电路的阻值为_____(选填“最大”或“零”);
②移动滑动变阻器的滑片,读出4组电流表和电压表示数,分别以电流表的示数I和电压表的示数U为横坐标和纵坐标,在坐标纸上描点,把这4个点连接起来大致为一条直线(并虚线延长到纵轴),如图丙所示.从图丙中信息可求得:电源电压U0=_____V,电阻Rx=_____Ω.
【答案】 U0﹣IRx 最大 3 6
【解析】
(1)根据题中条件知,电压表和电流表都使用小量程,如电路图所示,除了电压表,其余元件全部串联起来,最后将电压表并联在滑动变阻器与电流表两端,两表连接时注意电流方向,如图:
(2)用物理量U0、Rx、电流表的示数I写出表示电压表示数U大小的关系式:
根据得,Rx两端的电压为:,根据串联电路总电压等于各部分电压之和得电压表的示数为:;
(3)①正确连接电路后,根据保护电路的原则,闭合开关前应使滑动变阻器连入电路的阻值为最大,则闭合开关后,电流最小,对电路起到保护作用.
②根据,将坐标中任意两组数据代入式子可得:
;
;
联合两式解得:,.
33.(2018·广州市·广东实验中学中考真题)小芳想了解当滑动变阻器与电阻并联时,调节滑片,电阻两端的电压及电路中的电流怎样改变.
(1)实验电路图如图所示,请在图中连接对应的实物图.
(2)改变滑动变阻器接入电路的阻值,记录数据如下表.根据表中数据在图的坐标系中画出电阻R的U-I图线.
(3)某次实验电压表和电流表A1的示数如图所示,U=_____________V,I1=__________A,I2=0.90A,此时通过滑动变阻器的电流为_____________A.
(4)此电路不允许滑动变阻器接入电路的阻值为零,原因是_____________________.
【答案】 1.50 0.10 0.80 滑动变阻器接入电路的阻值为零时,定值电阻R被短路,此时电流直接从电源正极流向负极,发生电源短路
【解析】
有电路图可以看出R与滑动变阻器并联电压表测R两端的电压,电流表A1测R所在支路的电流,A2测干路上的总电流,所以连接实物图如下:
(2)将表格中U和I2的对应点分别找出,然后连接即可作图如下:
(3)由右图可知,电压表、电流表它们所使用的都是小量程,分度值分别是0.1V和0.02A,所以读数分别为U=1.50V和I1=0.10A,根据并联电路的电流特点可以计算通过滑动变阻器的电流I滑=I2-I1=0.9A-0.10A=0.8A(4)滑动变阻器接入电路的阻值为零时,定值电阻R被短路,此时电流直接从电源正极流向负极,发生电源短路所以此电路不允许滑动变阻器接入电路的阻值为零.
34.(2018·山东临沂市·中考真题)在“探究电流与电压的关系”实验中:
(1)请用笔画线代替导线,将甲图中电路连接完整,要求滑片P向B端滑动时,滑动变阻器接入电路的电阻变大___________(连线时导线不允许交叉);
(2)正确连接好电路后,闭合开关发现电压表示数为2.8V,电流表无示数,滑动滑片P两表示数均无变化,则故障原因是_____;
(3)小明排除故障后,移动滑片P到某一位置时电流表示数如乙图所示,此时通过电阻的电流为_____A.若要增大电阻两端的电压,应将滑片P向_____(选填“A”或“B”)端移动;
(4)实验中测得多组数据,绘制出电阻R的I﹣U图象如图丙所示:由图象可得电流与电压的关系是_____;本实验所用电阻的阻值为_____Ω.
【答案】 电阻断路 0.12 B 电阻一定时,导体中的电流与其两端的电压成正比 5
【解析】
(1)滑片P向B端滑动时,滑动变阻器接入电路的电阻变大即远离下接线柱,故接左下接线柱,如下图所示:
(2)闭合开关后,发现电流表无示数,说明电路可能断路;电压表示数为2.8V,说明电压表与电源连通,则与电压表并联的支路以外的电路是完好的,则与电压表并联的电阻断路了,此时电压表串联在电路中测电源电压;
(3)图中电流表的量程为0-0.6A,分度值为0.02A,示数为0.12A;根据串联电路的分压作用,若要增大电阻两端的电压,应将最大滑动变阻器的电阻,滑片P向B端移动;
(4)据图像可得出“电流与电压关系”的结论是:电阻一定时,导体中的电流与其两端的电压成正比.由图像知,当电压为0.5V是电流为0.1A,则定值电阻的阻值为:
故答案为 (1). (2). 电阻断路 (3). 0.12 (4). B (5). 电阻一定时,导体中的电流与其两端的电压成正比 (6). 5
35.(2018·湖南娄底市·中考真题)某学习小组在探讨影响导体电阻大小的因素时,阅读资料发现在导体材料和粗细相同时,其电阻大小与长度成正比,即可以用下述表达式表示:R=kx,其中k为比例常数,x为导体的长度.于是他们用下面的器材:电压恒定的电源、开关、粗细均匀的镍铬合金丝、电压表等及图甲电路来探究此问题,图中AB为镍铬合金丝,P为滑动片,图乙为实物连线图.
(1)他们的实验方法是控制_________不变.
(2)调节镍铬合金丝上的滑动片,电压表的示数_______(填“能”或“不能”)反映镍铬合金丝AP间电阻的变化,理由是____________________________.
(3)要完成此实验,除了记录电压表示数外,还需要的测量器材是_____________________.
【答案】电流的大小 能 导体电阻的大小等于导体两端的电压与通过导体的电流的比,即R=,电流不变时,电压的变化反映电阻的变化 电流表
【解析】
(1)实验的原理:R=如图电路,当电流一定时, 电压表示数越大,说明AP间电阻越大.他们的实验方法是控制了电流的大小不变.(2)电压表与RAP并联,测RAP两段的电压,根据欧姆定律的变形公式R可知,调节镍铬合金丝上的滑动片,电压表的示数能反映导体AP间电阻的变化,理由是:导体的电阻的大小等于导体两端的电压与通过导体的电流的比,即R .(3)要探究R=kx,除了记录电压表示数外,还需要的测量器材是电流表测出电路中的电流的具体值.
36.(2018·湖南邵阳市·中考真题)有一实验小组用伏安法测量小灯泡的电阻,电源电压为3V,待测小灯泡的额定电压
为2.5V.
(1)请用笔画线代替导线,完成如图甲实物电路的连接________.(要求:连线不要有交叉)
(2)检查电路连接无误后,闭合开关,灯泡不亮,电压表有示数,电流表示数为零.导致这一现象的原因可能是______.(选填序号)
A.电压表断路 B.小灯泡断路 C.滑动变阻器断路 D.电压表短路
(3)故障排除后,闭合开关,当滑动变阻器滑片P移到某一位置时,电压表示数如图乙所示,要测量小灯泡正常发光时的电阻,应将滑动变阻器的滑片向_____移.(选填“左”或“右”)
(4)通过移动滑动变阻器滑片P记录了多组数据,并作出了如图丙所示的I﹣U图象.由图可知小灯泡正常发光时的电阻为______Ω.
【答案】 B 右 12.5
【解析】
(1)滑动变阻器的接法为“一上一下”,电路图如图所示:
(2)灯泡不亮,可能是灯泡断路或短路或灯泡之外的电路断路;电流表无示数可能是电路断路;电压表示数接近电源电压,说明电压表与电源两端相连,电压表并联电路之外,不存在断路;故选D;
(3)电压表使用0~3V量程,分度值为0.1V,电压为2.2V;要使灯泡正常工作,灯泡两端电压从2.2V增大到2.5V,电路电流要增大,总电阻要减小,滑动变阻器的电阻要减小,滑片向右端移动,使电压表的示数为2.5V为止;
(4)由图像知,当灯的电压是2.5V时,对应的电流值为0.2A,小灯泡正常发光时的电阻为.
故答案为(1). (2). B (3). 右 (4). 12.5
37.(2018·四川自贡市·中考真题)在“探究串联电路电压的特点”活动中.
(1)如图所示,连接电路时,至少需要______根导线;实验中应选择规格________(填“相同”或“不同”)的小灯泡.
(2)在测L1两端电压时,闭合开关S,发现电压表示数为零,原因可能是__________(填出一种即可).
(3)小芳保持电压表的B连接点不动,只断开A连接点,并改接到C连接点上,测量L2两端电压.她能否测出L2两端电压?_________,理由是____________________________.
(4)小明分别测出AB、BC、AC间的电压并记录在如下表格中,分析实验数据得出结论:串联电路总电压等于各部分电路两端电压之和.请对小明的做法进行评价:____________,改进方法是____________.
【答案】6 不同 L1被短路(或L2断路) 不能 电压表正、负接线柱接反 实验次数太少,结论不具有普遍性 换用不同规格的小灯泡多次重复实验
【解析】
(1)由电路图可知,至少需要6根导线;为了避免实验的偶然性,使探究得出的结论具有普遍意义,实验中应选择规格不同的小灯泡;(2)在测L1两端电压时,闭合开关,发现电压表示数为零,原因可能是:电压表断路或短路;(3)测L1两端的电压时,A与电压表的正接线柱相连.小芳将与A点相连的导线改接到C点,则会造成电流从电压表的负接线柱流入了,即电压表的正负接线柱接反了,故她不能测出L2两端电压;(4)本实验只做了一次实验,而没有进行多次测量,只凭一组实验数据得出结论带有偶然性,不能得出普遍规律,故应更换规格不同的灯泡进行多次实验.
点睛:(1)根据电路图判定导线的条数;为了使探究得出的结论具有普遍意义,应该选取不同的小灯泡进行实验;(2)电压表断路或电压表短路电压表都没有示数;(3)电压表连接时电流从正接线柱流入;(4)只进行了一次实验就得出结论,不具有普遍性;为了使实验结论具有普遍性,应进行多次测量.
38.(2017·内蒙古呼和浩特市·中考真题)导体电阻的大小与哪些因素有关呢?对于这个问题,小明想起课堂上老师把电压比作水压,把电流比作水流,于是他想:电阻也可以比作是水管对水流的阻力.他还想到水管内部粗糙程度、有无杂物和它的长短粗细都可能导致水管对水流的阻力不同,因此经过分析,他提出了以下几种猜想:
猜想1:导体的电阻可能跟导体的材料有关;
猜想2:导体的电阻可能跟导体的长度有关;
猜想3:导体的电阻可能跟导体的横截面积有关:
为了验证自己的猜想,实验室有如下表格中的7种电阻丝,则:
导线代号
A
B
C
D
E
F
G
长度(m)
1.0
0.5
1.5
1.0
1.2
1.5
0.5
横截面积(mm2)
3.2
0.8
1.2
0.8
1.2
1.2
1.2
材料
锰铜
钨
镍铬
锰铜
钨
锰铜
镍铬
(1)若要探究电阻跟横截面积的关系,可依次把如图中M、N跟电阻丝_____、_____(选填导线代号)的两端连接,闭合开关记下电流表示数,分析比较这两个金属丝电阻大小.
(2)若依次把M、N跟电阻丝C、F的两端连接;闭合开关记下电流表示数,分析比较这两个金属丝的电阻大小,这时探究的是电阻跟导体的_____的关系.
(3)在上面的实验中,电阻的大小并不能直接观察,而是通过电流表的示数反映出来的,电流表的示数越大,说明电阻丝的电阻越_____.
【答案】A D 材料 小
【详解】
(1)探究电阻与横截面积的关系时,要选取的电阻丝必须长度相同、材料也相同,横截面积不同,由表格数据可知,应选A、D两电阻丝;
(2)C、F两电阻丝的长度、横截面积相同,材料不同,分析比较C、F两根金属丝的电阻大小,可探究电阻跟导体的材料的关系;
(3)实验中通过电流表示数大小反映电阻大小,电流表示数越大,说明电阻丝的电阻越小.
39.(2017·辽宁鞍山市·中考真题)如图所示,将长短和粗细相同、材料不同的金属丝分别接入电路,当把镍铬合金丝接入电路后,闭合开关,小灯泡发光较暗,这说明_____的电阻较小。生活中,若想制作电阻加热元件应选择_____这种材料。
【答案】 铜丝 镍铬合金丝
【解析】 (1)根据生活经验可知,长短、粗细都相同的铜丝和镍铬合金丝,铜丝的电阻小,所以把铜丝接入电路中灯泡更亮一些,说明镍铬合金丝的电阻更大;(2)根据Q=I2Rt可知,在同样电流和相同的通电时间情况下,镍铬合金丝产生的热量多,故镍铬合金丝更适合制作电阻加热元件。
点睛:(1)电阻是导体对电流的一种阻碍作用,所以在其它条件相同的情况下,导体的电阻越大,通过的电流就越小,灯泡越暗;(2)利用焦耳定律结合控制变量法分析解答哪个更适合制作加热元件。
40.(2017·广西桂林市·中考真题)小禹在复习“探究导体的电阻与哪些因素有关”的实验时,产生了一些疑惑;实验中为什么选择不常见的镍铬合金作为研究的导体,而不选用常见的铜丝?难道选用钢丝会不利于探究?带着这些思考,小禹决定进行实验验证;
(1)为了能够更好地反映出电阻的变化,小禹可以在如图所示的电路中接入___,且与研究导体___联.
(2)连接电路时,开关必须处于_____状态.
(3)实验中,选择一根带鳄鱼夹的导线,主要是为了方便改变____________.
(4)分别用铜丝、镍铬合金丝进行实验,记录实验结果于下表,对比实验记录,发现用_____作为研究导体,实验现象不明显.不明显之处是:_______________________.
(5)通过实验,小禹解开了心中的疑惑,并进一步理解了滑动变阻器的原理及其在电学实验中的作用,如在如图所示的“探究电流与电阻的关系”实验中,将电阻R由5Ω换成10Ω后,滑动变阻器的滑片应该向___(选填“上”或“下”)端移动,以起到使电阻R两端电压_______的作用.
【答案】电流表 串 断开 接入导体的长度 铜丝电阻小 电流变化小 上 保持不变
【解析】
(1)电阻的大小是不便于直接观察的,所以我们将电阻的大小转化为电流表的示数来观察,即在电压一定时,电流越大,表明电阻越小,即通过观察电流表的示数来比较导体电阻的大小;电流表应与研究导体串联;(2)为保护电路,连接电路时,开关必须处于断开状态;(3)实验中,选择带鳄鱼夹的导线,主要是为了方便改变接入导体的长度;(4)由表格数据可知,长度变化时,发现通过铜丝的电流变化不明显,原因是铜导线的电阻小,在电压一定时,通过铜丝的电流变化很小;(5)在“探究电流与电阻的关系”实验中,应控制电阻R两端电压不变;把5Ω的电阻换成10Ω的电阻,电阻的阻值变大,由分压原理可知,电阻分压变大,为保持电阻两端电压不变,应减小电阻两端电压,增大滑动变阻器两端的电压,应增大变阻器接入电路的阻值,故将滑片向上移动.
41.(2017·云南中考真题)如图所示,电流表的示数为 A
【答案】0.34
【解析】
由图可知,电流表使用的量程为0~0.6A,每一个大格代表0.2A,每一个小格代表0.02A,电流表的示数为0.34A.
42.(2017·云南昆明市·中考真题)在研究导体电阻与哪些因素有关的实验中,小明采用了图中所示的电路.闭合开关,夹子P向左滑动时,电阻丝连入电路的长度变长,观察到电流表示数变小,灯的亮度变暗.小明在得出导体电阻与长度关系的同时,还得出”灯泡的亮度由电流大小决定“的结论.
(1)你认为小明关于灯泡的亮度由电流大小决定的结论是_______的.
(2)小丽用L1“6V 3W“和L2”6V 2W“的两个小灯泡及6V的电源等器材,设计如下实验来验证小明的结论是否正确,请你帮她将实验步骤填写完整:
①将两个小灯泡串联,接到6V的电路中,则通过两灯的电流_________;灯_____两端的电压较大;可观察到灯_______较亮;
②将两个小灯泡并联,接到6V的电路中,则两灯两端的电压____;通过灯__的电流较大,可观察到灯____较亮.
(3)由以上实验可以得出灯泡的亮度由______决定.
【答案】错误 相同 L2 L2 相同 L1 L1 实际功率
【详解】
(1)夹子P向左滑动时,电阻丝连入电路的长度变长,观察到电流表示数变小,则灯泡两端的电压也发生了变化,故小明的结论是错误的;
(2)由公式P=可知,额定电压相同,额定功率越大,则灯泡的电阻越小,故L1的电阻要小于L2的电阻;①将两个小灯泡串联,接到6V的电路中,电路中的电流是相同的,根据U=IR可知,灯L2两端的电压较大;可观察到灯L2较亮;②将两个小灯泡并联,接到6V的电路中,各支路两端的电压相等,根据I=可知,通过灯L1的电流较大,可观察到灯L1较亮;
(3)由以上实验可知,灯泡两端的电压越大,电流越大,其实际功率越大,则灯泡越亮.
43.(2016·河南中考真题)小海和小梅一起做“探究并联电路中电流的规律”实验.
(1)如图甲是他们设计的电路图,图乙是他们测量电流时连接的实验电路,此时电流表测量的是__________(选填“A”“B”或“C”)处的电流.
(2)请在图乙中移动一根导线,测量另外一处的电流.在移动的导线上画“×”,并用笔画线代替导线连接正确的电路_____________ .移动后电流表测量的是_____(选填“A”“B”或“C”)处的电流.
(3)测出A、B、C三处的电流如表所示,由此得出初步结论:_______(只写表达式).小梅指出:为了得出更普遍的规律,应当进行多次实验.操作方法是:_________.
(4)小海利用原有的实验器材,添加一个开关,又设计了一个电路.利用这个电路,不用更换电流表的位置,就可直接测出A、B、C三处的电流,同样可得出三处电流的关系.请在图丙中的虚线框中画出电路图__________________________.
【答案】C A或B IC=IA+IB 换上规格不同的灯泡多次实验
【详解】
(1)[1]电流表在干路上测量干路的电流,即C点的电流;
(2)[2][3]让电流表测量另一处的电流,也就是测量支路的电流,如图所示:测量的是B点的电流;
(3)[4][5]并联电路中,干路电流等于各支路电流的和,即IC=IA+IB,为得出普遍结论,实验时应采用不同规格的灯泡进行多次实验.
(4)[6]在不换电流表位置的情况下,在支路上各连接一个开关即可完成实验要求,电路如图所示:
44.(2015·山东日照市·中考真题)在探究影响导体电阻大小的因素时,小明间学做出了如下猜想:导体电阻的大小可能与导体的长度、横截面积、材料有关.为了验证猜想是否正确.他准备了不同的导体,规格、材料如表:
编号
材料
长度/m
横截面积/mm2
A
镍铬合金
0.5
0.5
B
镍铬合金
1.0
0.5
C
镍铬合金
0.5
1.0
D
锰铜合金
0.5
0.5
(1)他对一导体的长度重新进行了精确测量,如图甲所示,导体另一端正好对准零刻度线,则该导体的长度为_____m
(____)为了验证上述猜想,他设计了如图乙所示的实验电路图.在连接电路时发现,还缺少一个必要的元件,这个元件是_____
(3)本实验是通过_____来比较a、b两点间导体电阻的大小.
(4)要想探究电阻大小与横截面积的关系,应将编号为C与编号为__的导体分别接入到a、b之间.
(5)将(2)问中所缺的元件接上后,小明发现当接入a、b之间的导体阻值差别较小时,实验现象不是很明显,请你对电路的改进再提出一条建议:_____
(6)为了能准确的测量导体的阻值大小,他又设计了如图丙所示的电路图.连好电路图,闭合开关后发现无论如何移动滑动变阻器的滑片,电流表的示数始终为零,电压表有示数且始终不变.经检查,是由于一根导线连接错误.请你在图丁中连接错误的导线上打“×”并补画出正确的连线.
【答案】0.5200 开关 比较灯泡的亮度 A 在电路中串联一只电流表 如下图所示
【解析】
试题分析:(1)由图示可知:刻度尺上1cm之间有10个小格,所以一个小格代表的长度是0.1cm=1mm,即此刻度尺的分度值为1mm;导体的长度为L=52.00cm=0.5200m;(2)电路的组成包括:电源、开关、用电器和导线;由图可知,缺少电路的基本组成元件:开关;(3)因为通过灯泡的电流越大,灯泡越亮,因此a、b间的电阻越大,电路中的电流越小,灯泡越暗;反之,灯泡越亮;故根据灯泡的亮度反映a、b间电阻的大小;(4)为了探究电阻大小与横截面积的关系,应控制导体材料与长度相同而横截面积不同,由表中数据可知,应选编号为A、C的两根电阻丝进行实验;(5)导体阻值差别较小时,灯泡的亮度变化不明显,可以在电路中测量一只电流表,通过电流表示数的变化,来比较电阻的大小;(6)由原实物图知,电压表与灯泡串联在电路中,由于电压表阻值太大,所以通过灯泡电流非常小,因此灯泡不亮;测量灯泡电阻的电路图如下图,从电源正极出发依次串联开关、电流表、滑动变阻器、灯泡回到电源负极,电压表并联在灯泡两端,所以灯泡和电流表之间导线连接错误,如上图所示.
45.(2015·江苏无锡市·中考真题)某物理兴趣小组想利用如图所示的装置比较铝和某种合金材料的导电性能。
(1)他们应该选用_____和长度都相同的铝丝和合金丝。
(2)在两个相同烧瓶中分别装入等质量的煤油,接通电路后,他们发现甲烧瓶中煤油的温度比乙烧瓶中煤油的温度升高得慢,这说明_____丝的导电性能较强。
【答案】横截面积 铝
【详解】
(1)[1]探究导电性能好坏,只要使导体的长度和横截面积相同,故选用长度和横截面积相同的铝丝和锰铜丝;
(2)[2]串联电路处处电流相等,而甲烧瓶中铝丝的温度升高的慢,由Q=I2Rt可得,铝丝的电阻小,所以铝丝的导电性能好。
46.(2015·黑龙江绥化市·中考真题)某实验小组利用如图所示的电路探究“影响导体电阻大小的因素”的实验,将a、b、c、d四段导体分别接入电路,经过测量,得到下表所示数据。
导体代号
长度/m
横截面积/mm2
材料
电流大小/A
a
0.5
0.4
锰铜合金
0.20
b
0.5
0.4
镍铬合金
0.16
c
0.5
0.2
镍铬合金
0.08
d
1.0
0.2
镍铬合金
0.04
(1)实验中,通过比较电路中______的大小,判断导体电阻的大小;
(2)为探究导体电阻与导体材料的关系,应控制____和_____相同,材料不同的导体进行实验;
(3)选取导体________(填导体代号)对比可知:导体电阻大小与导体横截面积有关。
【答案】电流 长度 横截面积 b、c
【详解】
(1)[1]电阻是导体本身的属性,电压相同时,通过导体的电流越小,导体的电阻越大,因此实验中,通过比较电路中电流的大小,判断导体电阻的大小,这种方法叫转换法。
(2)[2][3]影响导体电阻大小的因素有多个,为探究导体电阻与导体材料的关系,应运用控制变量法,控制长度和横截面积相同,用材料不同的导体进行实验。
(3)[4]研究导体电阻大小与导体横截面积的关系,应控制导体的长度、材料相同,选取横截面积不同的导体进行实验,因此选取导体b、c对比实验。
47.(2014·山东日照市·中考真题)李小芳同学在物理实验室对串联电路电压规律进行实验探究时,利用现有的器材按如下步骤进行了操作:
(1)按图所示的电路图连接电路;
(2)闭合开关S,用电压表测出L1两端的电压;
(3)在测L2两端的电压时,李小芳同学为了节省试验时间,采用以下方法:电压表所接的B接点不动,只断开A接点,并改接到C接点上;
(4)测出AC间的电压.对小芳同学以上实验操作评价是:
①拆接电路时,开关应该 __________;
②小芳同学用上面的方法能否测出L2两端的电压?为什么?._______________________ .
(5)方法改进后,测出AB、BC、AC间的电压记录在如表中,小芳同学依据本次实验数据可以得出的结论是:串联电路总电_______(填“等于”或“不等于”)压各用电器两端的电压之和.这个实验在设计方案上存在的不足之处是__________________.
UAB/V
UBC/V
UAC/V
3.1
1.4
4.45
【答案】断开 不能,电压表正负接线柱接反了 不等于 他只做了一次实验,而没有进行多次测量,只凭一组实验数据得出结论带有偶然性,不能得出正确规律.
【详解】
①在拆接电路时,开关必须断开;②当电压表B点不动,只断开A点,并改接到C点上时,虽然电压表此时与L2并联,但电压表的正负接线柱却是反的,闭合开关后,指针会反向偏转,所以不能测出L2两端的电压;
由表中数据可知:
UAB+UBC=3.1V+1.4V=4.5V,
这与UAC间电压不相等,所以他的结论与猜想不相符,是由实验误差造成的;不足之处是:他只做了一次实验,而没有进行多次测量,只凭一组实验数据得出结论带有偶然性,不能得出正确规律.
48.(2016·甘肃天水市·中考真题)某实验小组在探究“金属丝电阻大小与长度的关系”实验中,取一段粗细均匀的金属丝拉直连接在A、B接线柱上,在金属丝上安装一个可滑动的金属夹P.实验室还提供了下列器材:电压表、电流表、电池组(电压3V)、滑动变阻器(20Ω 2A)、刻度尺、开关和导线若干.
(1)为了测量AP段的电阻R,他们连接了如图甲所示的电路.连接电路时,闭合开关前,应将滑动变阻器的滑片移至 端(填“左”或“右”).
(2)该实验小组闭合开关后,小天同学观察发现电压表的读数为3V,电流表的指针几乎没有发生偏转,则电路可能出现的故障是电阻丝AP部分发生 .
(3)某次实验中测得电压表的读数为2.1V,电流表指针偏转如图乙所示,则此时金属丝的电阻R= Ω.
(4)实验中移动金属夹P,分别测出AP段的长度l和对应的电压、电流值,并计算出对应的电阻值R,其中l和R的数据如下表:
l/cm
30
40
50
60
70
80
R/Ω
2.1
2.8
3.5
4.2
4.9
5.6
分析表中数据,可知 .
【答案】(1)右;(2)断路;(3)5;(4)当导体材料,横截面积一定时,导体的电阻跟其长度成正比
【解析】
试题分析:(1)为了用电安全,闭全开关前,变阻器滑片应处于最大值状态,所以滑片应处于最右端;(2)出现电压表示数等于电源电压,电流表示数为零的故障,只能是与电压表并联的部分出现了断路,由图示可知,与电压表并联的部分只有电阻丝AP,所以应是电阻丝AP部分发生了断路;(3)由图示可知,电流表所用量程为0-0.6A,其示数为0.42A,可求出此时的电阻为R=U/I=2.1V/0.42A=5Ω;(4)由表中数据可知,电阻丝越长,电阻越大,进一步分析计算可得出:当导体材料,横截面积一定时,导体的电阻跟其长度成正比.
49.(2016·浙江金华市·中考真题)拓展性学习小组的同学合作进行探究“串联电路的电压特点”,设计了图(1)电路,并连接了图(2)电路.
(1)图(2)的实验电路连接中有一处错误,无法完成实验,连接错误的导线是________(选填“a”“b”或“c”).
(2)正确连接后,继续实验,根据测得的实验数据,绘制了如图(3)所示的曲线图.
①图(3)中甲、乙两条曲线是根据图(1)电路测得的实验数据所绘制的曲线,其中与图(1)电路中电压表对应的曲线是________(填“甲”或“乙”).
②已知电源电压恒为6 V,根据探究目的分析图(3)中的曲线,得出的实验结论是________________________.
(3)拓展探究:同学们根据串联电路的电压特点,重新设计如图(4)电路(电源电压未知),利用电压表和定值电阻R0(已知阻值)测量未知定值电阻Rx的阻值,闭合开关S后,接下来的操作是__________________(只需写出操作过程和测量的科学量,不需写出表达式).
【答案】b 甲 串联电路中总电压等于各分电压之和 闭合开关S、S1,断开S2时,测得电压表的示数U1;闭合开关S2、断开开关S1(或同时闭合S1、S2)时,测得电压表的示数U2
【详解】
(1)[1]由图(1)可知,R1与R2串联,电压表V1测R1两端的电压,电压表V2测R2两端的电压,由图(2)可知,电压表V2被短路,连接错误的导线是b,b导线应与滑动变阻器的左下方接线柱相连;
(2)①[2]当滑动变阻器接入电路中的电阻为零时,电路中的电流最大,电压表V2的示数最小,据此可知乙是V2对应的图线,则甲是V1对应的图线;
[3]②由图象可知,两电压表的示数之和均为6V即电源的电压,故可得结论:串联电路中总电压等于各分电压之和;
(3)[4]根据欧姆定律可知,要测未知电阻的阻值,就是设法测出电阻两端的电压和通过的电流;由(4)电路图可知,闭合开关S后,再闭合开关S1,断开S2时,Rx和R0串联,电压表测Rx两端的电压,电压表示数为U1;闭合开关S2、断开开关S1时,Rx和R0串联,电压表测电源的电压,电压表示数为U2(或同时闭合S1、S2,电路为Rx的简单电路,电压表也测电源的电压U2),因串联电路中总电压等于各分电压之和,所以,R0两端的电压
U0U2U1
因串联电路中各处的电流相等,所以,电路中的电流
I
即
解得
Rx
50.(2016·四川成都市·中考真题)在探究并联电路中总电流与各支路电流的关系时,一班各组同学从甲、乙、丙、丁四种规格的灯泡中,选取两个并联起来接在相同电源上,组成如图a所示的电路,然后把一个电流表分别接入电路中A、B、C处测量电流,并记录数据。
(1)小李将电流表接在A处,闭合开关,电流表示数如图b所示,为了测量结果准确,她应该断开开关,__________________,重新进行实验。
(2)小张同学测量时,闭合开关,发现指针向“0”刻度的左侧偏转,电流表连接存在的错误是__________。
(3)老师收集到几个组的数据如下表:
对于测量数据的相关分析,以下说法正确的两个是_______。
A.第1组数据没有测量误差
B.分析多组数据是为了减小误差
C.选用不同规格的灯泡进行实验,可使结论更具普遍性
D.第4组数据的偏差可能是电流表未调零引起的
【答案】换电流表的小量程电流表“+”“-”接线柱接反了C、D
【解析】
试题分析:(1)在测量电流时,出现图示指针偏转角度太小的问题,是因为选用的电流表量程太大了,为了测量结果准确,她应该断开开关,换电流表的小量程,重新进行试验;(2)在测量电流时,出现图示指针反向偏转的问题,是因为电流从“﹣”接线柱流入了,电流表连接存在的错误是“+”、“﹣”接线柱接反了;(3)A、误差只能减小,不能避免,错误;B、分析多组数据,是为了避免实验的偶然性,得出具有普遍性的结论,错误;C、选用不同规格的灯进行实验,是为了得出具有普遍性的结论,正确;D、第4组数据都比对应的3组大,可能因为测量时电流表指针没有调零所致,正确.故选CD.
相关试卷
这是一份专题01 电流、电压和电阻的关系-2022届中考物理实验探究真题精准练,文件包含专题01电流电压和电阻的关系解析版docx、专题01电流电压和电阻的关系原卷版docx等2份试卷配套教学资源,其中试卷共119页, 欢迎下载使用。
这是一份专题02 电阻的测量-2022届中考物理实验探究真题精准练1,文件包含专题02电阻的测量解析版docx、专题02电阻的测量原卷版docx等2份试卷配套教学资源,其中试卷共109页, 欢迎下载使用。
这是一份专题16 浮力-2022届中考物理实验探究真题精准练1,文件包含专题16浮力解析版docx、专题16浮力原卷版docx等2份试卷配套教学资源,其中试卷共97页, 欢迎下载使用。

