所属成套资源:2022年物理中考一轮复习考点透析(人教版)
- 考点16电压及串、并联电路电压规律(解析版)练习题学案 学案 14 次下载
- 考点17电阻和变阻器(解析版)练习题学案 学案 14 次下载
- 考点18欧姆定律及其应用(解析版)练习题学案 学案 13 次下载
- 考点20电能,电功,电功率(解析版)练习题学案 学案 12 次下载
- 考点21生活用电(解析版)练习题学案 学案 11 次下载
考点19探究电流与电压、电阻的关系以及测量电阻实验(解析版)学案
展开
这是一份考点19探究电流与电压、电阻的关系以及测量电阻实验(解析版)学案,共13页。学案主要包含了伏安法测量小灯泡的电阻,伏安法测电阻,实验电路连接的常见错误,实验过程中常见故障及分析,其他方法测电阻等内容,欢迎下载使用。
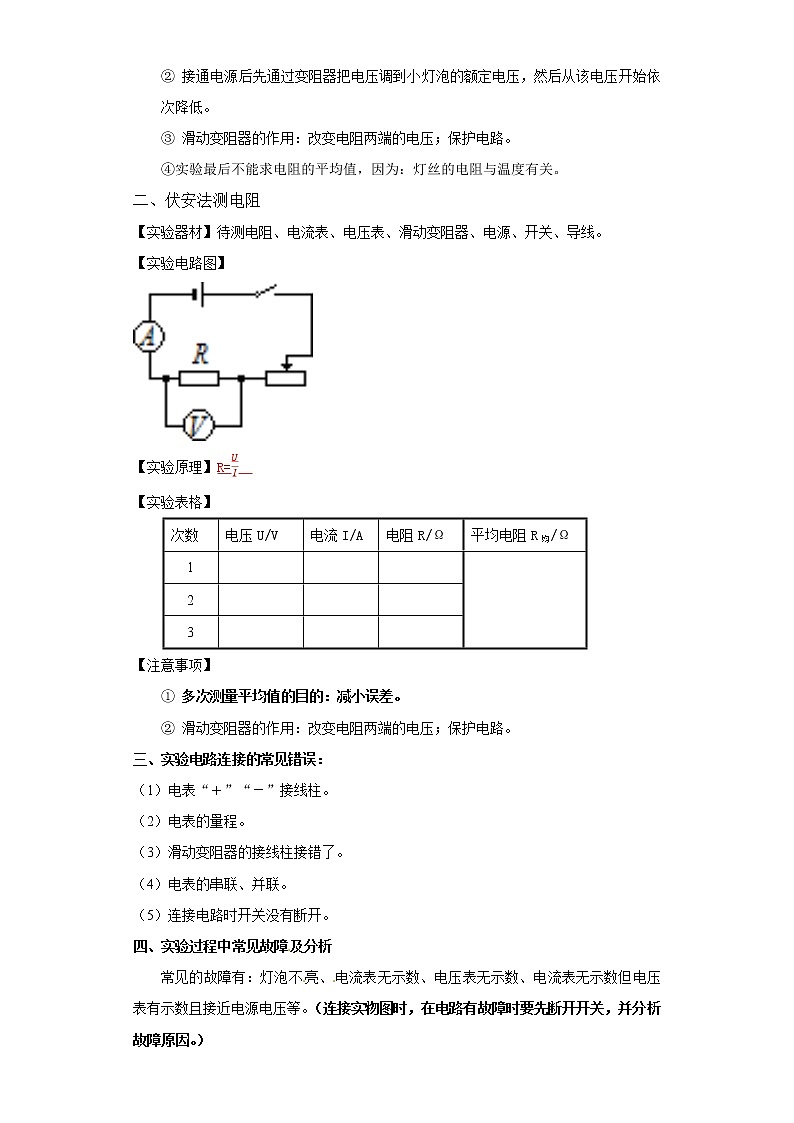
考点19探究电流与电压、电阻的关系以及测量电阻实验考点总结 1、 熟悉控制变量法的实验过程2、学习探究电流和电压、电阻的关系3、学会使用电压表和电流表测量电阻的方法。4、通过对实验数据的分析,加深对电阻概念的正确理解。5、会用特殊法测量电阻。知识梳理探究电流与电压和电阻的关系1、实验方法: 控制变量法2、探究电流与电压和电阻的关系实验目的探究电流与电压的关系探究电流与电阻的关系控制变量控制 电阻 不变,利用滑动变阻器来改变电阻两端的电压和通过导体的电流控制 电压 不变,换 不同阻值的定值电阻 ,利用滑动变阻器调节使不同电阻两端的电压相同电路图(原理)实验图像结论电阻不变时,电流与电压成正比电压不变时,电流与电阻成反比3、注意事项:(1)在连接实物图时,开关应 断开 ,滑动变阻器的滑片要移到 阻值最大处。(2)电流表和电压表要选择合适的量程(试触法)。在不超过量程的情况下,要尽可能选用小量程,以减小实验的误差。(3)一定要让电流从电流表和电压表的 正接线柱 进,从 负接线柱 出,否则指针会向 左偏转 。(4)读数时,视线要与刻度盘上的刻度线垂直,若指针不指在整刻度线,要适当估读。(5)控制变量:实验过程和实验结论都要注意。(6)电表量程的选择①根据题中已给的数据来选择 ②根据试题当中所画出的表头来选择 ③根据试题当中所给出的表格数据来选择 ④根据试题当中所给出的电源电压来选择 ⑤若不能确定电表量程大小的情况时,各表都要选择最大量程4、利用数学函数图像分析电流与电阻和电压的关系看清楚横轴和纵轴表示的内容,然后再看变化趋势。如图所示,横轴表示电流,纵轴表示电阻,从图像中可以看出,电流随电阻的增大而减小。隐含条件: 电阻两端的电压不变 电阻的测量一、伏安法测量小灯泡的电阻【实验器材】小灯泡、电流表、电压表、滑动变阻器、电源、开关、导线。【实验电路图】【实验原理】 R= 【实验表格】次数电压/V电流/A电阻/Ω1 2 3 【实验结论】灯丝的电阻与温度有关。温度越高,灯丝电阻 越大 。【注意事项】
① 连接实物图时,开关S应 断开 ,滑动变阻器滑片P 移到阻值最大处 。
② 接通电源后先通过变阻器把电压调到小灯泡的额定电压,然后从该电压开始依次降低。
③ 滑动变阻器的作用:改变电阻两端的电压;保护电路。 ④实验最后不能求电阻的平均值,因为:灯丝的电阻与温度有关。二、伏安法测电阻
【实验器材】待测电阻、电流表、电压表、滑动变阻器、电源、开关、导线。【实验电路图】【实验原理】R=
【实验表格】次数电压U/V电流I/A电阻R/Ω平均电阻R均/Ω1 2 3 【注意事项】
① 多次测量平均值的目的:减小误差。
② 滑动变阻器的作用:改变电阻两端的电压;保护电路。三、实验电路连接的常见错误:(1)电表“+”“-”接线柱。(2)电表的量程。(3)滑动变阻器的接线柱接错了。(4)电表的串联、并联。(5)连接电路时开关没有断开。四、实验过程中常见故障及分析常见的故障有:灯泡不亮、电流表无示数、电压表无示数、电流表无示数但电压表有示数且接近电源电压等。(连接实物图时,在电路有故障时要先断开开关,并分析故障原因。)具体分析如下:(1)灯泡不亮,可能是灯泡被短路,灯泡断路(接触不良、灯丝烧断、连接灯泡导线断开)(2)电流表无示数,可能是电流表短路,或从电流表两接线柱到电源两极间的电路中某处断路。(3)电压表无示数,可能是电压表被短路,或从电压表两接线柱到电源两极间的电路中某处断路。(4)电流表无示数但电压表有示数且接近电源电压,故障为所测灯泡断路。五、其他方法测电阻 电路图直接测得的物理量计算电阻的表达式方法1待测电阻Rx两端的电压U1已知电阻R两端的电压U2方法2通过待测电阻Rx的电流I1通过已知电阻R的电流I2方法3S接a时电路中电流I1,S接b时过已知电阻R的电流I2方法4S接a时的电压表示数U1S接b时电阻R两端的电压U2 真题演练 一、单选题1.(2021·山东淄博·中考真题)长短、粗细均相同的保险丝和铜丝,分别接到线路板上A、B间和C、D间,如图所示。移动滑动变阻器的滑片,发现保险丝熔断而铜丝完好。下列说法错误的是 ( )A.保险丝的电阻比铜丝的大B.通过保险丝的电流比铜丝的大C.电流通过保险丝产生的热量比铜丝的多D.为了用电安全,禁止用铜丝代替保险丝【答案】B【详解】A.由于保险丝的电阻率大、熔点低,而铜丝的电阻率小、熔点高,所以比较长短、粗细均相同的保险丝和铜丝,保险丝的电阻比铜丝的大,故A正确,不符合题意;B.由图知道,保险丝和铜丝串联,由于串联电路电流处处相等,故B错误,符合题意;C.由Q=I2Rt知道,电流相同、通电时间相同,电阻大的产生的热量多,所以,电流通过保险丝产生的热量比铜丝的多,故C正确,不符合题意;D.若换用铜线作保险丝,由于铜丝的熔点高,当电路中电流过大时不会熔断,无法保护电路,所以,为了用电安全,禁止用铜丝代替保险丝,故D正确,不符合题意。故选B。2.(2021·湖南益阳·中考真题)关于图所示的实物电路,在S1、S2都闭合后,下列说法正确的是( )A.通过L1与L2的电流一定相等B.通过L1与L2的电流一定不相等C.L1与L2两端的电压一定相等D.L1与L2两端的电压之和等于电源电压【答案】C【详解】AB.如图可知,在S1、S2都闭合后,两灯泡并联,故有U=U1=U2各支路电流,因为电阻R1、R2未知,所以I1、I2的关系也不能确定,故AB错误;CD.因为在S1、S2都闭合后,两灯泡并联,所以有U=U1=U2故C正确,D错误。故选C。3.(2021·广西贺州·中考真题)以下描述与实际不符的是( )A.15℃时声音在空气中的传播速度是340m/sB.人的正常体温是38.5℃C.初中物理课本宽度约为18cmD.一节干电池的电压大约是1.5V【答案】B【详解】A.声音的传播速度与温度有关,15℃时声音在空气中的传播速度是340m/s ,符合实际,故A不符合题意;B.人的正常体温是37℃左右,变化幅度很小,38.5℃不符合实际,故B符合题意;C.伸开手掌,大拇指指尖到中指指尖的距离大约20cm,初中物理课本宽度略小于一些,约为18cm ,符合实际,故C不符合题意;D.一节新干电池两极间的电压是1.5V,符合实际,故D不符合题意。故选B。4.(2021·黑龙江黑龙江·中考真题)下列电路中电压表测量R2两端电压,且电路连接正确是( )A. B.C. D.【答案】D【详解】A.如图:电流表并联在电路中,把R2、电压表短路,故A错误;B.如图:电压表串联在电路中,电流表并联在了电路中,故B错误;C.如图:R1、R2两电阻串联,电压表测R1两端的电压,故C错误;D.如图:R1、R2两电阻串联,电压表测R2两端的电压,故D正确。故选D。5.(2021·黑龙江绥化·中考真题)日常生活中处处有物理,下列说法中正确的是( )A.一节新干电池的电压为2VB.影子的形成不是光沿直线传播现象C.家用空调的电功率约为1000WD.霜的形成是凝固现象【答案】C【详解】A.一节新干电池的电压为1.5V,故A错误;B.影子是物体挡住光线后在光线不能到达的位置形成的暗影区,是光沿直线传播现象,故B错误;C.家用空调的电功率较大,约为1000W,故C正确;D.霜是空气中的水蒸气遇冷凝华形成的小冰晶,是凝华现象,故D错误。故选C。6.(2021·福建·中考真题)图是红外线测温仪原理示意图,R是热敏电阻,其阻值随温度的升高而减小,定值电阻R0为保护电阻。下列分析正确的是( )A.显示仪是由电流表改装成的B.测较高温度时,R0两端的电压较大C.增大R0的阻值,可增大测温仪的最大测量值D.增大电源电压,可增大测温仪的最大测量值【答案】B【详解】A.电流表与用电器串联,电压表与用电器并联,图中显示仪与用电器并联,显示仪是由电压表改装成的,故A错误;B.热敏电阻R与定值电阻R0串联,串联电路中电阻越大,分到的电压越多。热敏电阻R的阻值随温度的升高而减小,测较高温度时,热敏电阻R分到的电压变小,根据串联电路电压规律:各用电器两端电压之和等于总电压。因此,R0两端的电压较大,故B正确;CD.测温仪的最大测量值由它的量程决定,故CD错误。故选B。7.(2021·江苏泰州·中考真题)如图所示电路,电源电压保持不变,开关S闭合后,在滑动变阻器滑片P向右移动过程中,下列说法正确的是( )A.电压表V的示数变大 B.电压表V的示数变小C.电压表V与电流表A1的示数之比不变 D.电压表V与电流表A的示数之比变小【答案】C【详解】从图中可以看出,滑动变阻器R1与定值电阻R2并联,电压表V测量电源电压,电流表A1测量定值电阻R2的电流,电流表A测量干路电流。AB.开关S闭合后,在滑动变阻器滑片P向右移动过程中,电压表V的示数始终等于电源电压,因此电压表V一定不变。故AB错误;C.电压表V与电流表A1的示数之比等于定值电阻R2的阻值。故C正确;D.电压表V与电流表A的示数之比等于电路的总电阻。开关S闭合后,在滑动变阻器滑片P向右移动过程中,电路总电阻变大,因此电压表V与电流表A的示数之比变大。故D错误。故选C。8.(2021·湖南怀化·中考真题)如图所示的电路中,电阻阻值。开关S闭合后,电阻、两端的电压分别为、。通过、的电流分别为、,下列判断正确的是( )A. B. C. D.【答案】B【详解】A B.并联电路,各支路的电压等于电源电压,故A错误,B正确;C D.根据可知,电阻大的电流小,,故,故CD错误。故选B。9.(2021·广西钦州·中考真题)如图所示,在探究串联电路特点的实验中,两盏小灯泡规格不同,当开关闭合后,下列说法正确的是( )A.、两端电压相等B.、的亮度一定相同C.、、三处的电流一样大D.若灯丝烧断了,仍能发光【答案】C【详解】A.两盏小灯泡规格不同,即电阻不同,根据串联分压,电阻不同,则两灯泡的电压不同,故A错误;B.、的亮度与实际电功率有关,电阻不同,故实际电功率不同,故B错误;C.由于串联,电路的各个地方电流相等,故C正确;D.若灯丝烧断了,则电路断路,没有电流经过灯泡L1,故两灯都不亮,故D错误。故选C。10.(2021·湖北武汉·中考真题)利用如图所示的电路探究影响导体电阻大小的因素,演示板上固定有a、b、c、d四根合金丝,长度关系为La=Lb==,横截面积关系为Sa=Sb=Sc=,其中a、c、d均为镍铬合金丝,b为锰铜合金丝。将导线P、Q分别接在同一根合金丝两端的接线柱上,下列说法正确的是( )A.选用a和b进行实验,可以探究导体电阻跟导体材料的关系B.选用c和d进行实验,可以探究导体电阻跟导体长度的关系C.选用a和c进行实验,可以探究导体电阻跟横截面积的关系D.选用b和d进行实验,可以探究导体电阻跟导体材料的关系【答案】A【详解】a、b、c、d四根合金丝,a、c、d均为镍铬合金丝,b为锰铜合金丝,长度关系为 横截面积关系为 A.选用a和b进行实验,a和b长度相同,横截面相同,材料不同,因此根据控制变量法,可以探究导体电阻跟导体材料的关系,故A正确;B.选用c和d进行实验,c和d长度相同,横截面不相同,材料相同,因此根据控制变量法,可以探究导体电阻跟导体横截面的关系,故B错误;C.选用a和c进行实验,a和c长度不相同,横截面相同,材料不同,因此根据控制变量法,可以探究导体电阻跟长度的关系,故C错误;D.选用b和d进行实验,b和d长度不相同,横截面不相同,材料不同,有多个变量,无法得出结果,故D错误。故选A。11.(2021·湖南衡阳·中考真题)关于家庭电路及安全用电,下列说法正确的是( )A.我国家庭电路的电压是B.用电器起火,可以迅速用水将火扑灭C.为了防止触电,必须把用电器的开关接在火线上D.家庭电路中,同时工作的用电器越多,总电阻越大【答案】C【详解】A.我国家庭电路的电压是220V,故A错误;B.用电器起火,要先断开电源,再想法灭火,如果直接用水灭火,由于水的是导体,有可能引起触电事故,故B错误;C.开关必须接在用电器与火线之间,这样在断开用电器时,才能断开火线与用电器的连接,避免触电,故C正确;D.家庭电路中的各用电器是并联连接,所以电路中用电器越多,总电阻越小,故D错误。故选C。12.(2021·山东潍坊·中考真题)如图所示电路中,开关S断开时,电压表,电流表均无示数;S闭合时,电流表有示数,电压表无示数,电路中仅有一处故障,下列判断正确的是( )A.电阻断路 B.电阳断路 C.电阻短路 D.电阻断路【答案】D【详解】BC.开关S断开时,三电阻串联,电流表和电压表均无示数,说明断路,而电压表没有示数,说明R1或者R3断路,故BC错误;AD.由于电路中仅有一处故障,S闭合时,只有R1接入电路,电流表有示数,说明电阻R1正常,电压表没有接入电路,故没有示数,故电阻R1正常,电阻R3断路,故A错误,D正确。故选D。13.(2021·湖南邵阳·中考真题)如图所示的电路中,已知定值电阻,, 当开关接到位置1闭合时,电压表的示数为1.0V;当开关接到位置2闭合时,则电压表的示数可能为( )A.1.2V B.2.1V C.0.9V D.1.1V【答案】C【详解】已知定值电阻,当开关接到位置1闭合时,R1与R串联,电压表的测量电阻R1,电压表的示数为1.0V; 当开关接到位置2闭合时,R2与R串联,电压表的测量电阻R2,根据串联分压,电阻变小,电压表的示数变小,故电压表的示数小于1V,故C选项正确。故选C。14.(2021·四川成都·中考真题)普通笔记本电脑的电池电压最接近( )A.220V B.110V C.20V D.380V【答案】C【详解】笔记本电脑电池基本都采用4个锂电池串联起来的,所以普通笔记本电脑的电池按照型号不同,电压一般为14~22V。故选C。15.(2021·江苏·中考真题)如图,闭合开关,灯泡不亮,在闭合开关且不拆开导线的情况下,将M接电源“+”极,N依次试触E、F、G接线柱,发现电压表示数前两次为零,第三次接近3V,若故障只有一个,则可能是( )A.电源没电 B.开关断路C.灯泡断路 D.灯泡短路【答案】B【详解】将M接电源“+”极,N接E,无示数,说明可能存在断路,且断路不在变阻器,N接F,无示数,说明断路灯泡也没断路,N接G,有示数,说明断路可能在开关,且电源有电,故ACD不符合题意,B符合题意。故选B。
相关学案
这是一份鲁教版 (五四制)九年级上册第十三章 欧姆定律第一节 探究电流与电压、电阻的关系学案及答案,共4页。
这是一份初中物理教科版九年级上册2 测量电阻导学案,共8页。
这是一份初中人教版第1节 电流与电压和电阻的关系学案,共5页。学案主要包含了学习目标,学习重点,学习过程等内容,欢迎下载使用。

