苏教版 (2019)必修 第一册第一单元 元素周期律和元素周期表导学案
展开2.学会从不同角度分析元素性质的周期性变化。
3.学会元素周期律的实际应用。
图说考点
学业基础——自学·思记·尝试
[新知预习]
一、原子结构的变化规律
1.原子序数
(1)概念:按1________由小到大的顺序给元素编号。
(2)数量关系:原子序数=2_________________=3_________________=4_________________。
2.元素原子最外层电子数的变化规律
结论:随着原子序数的递增,元素原子最外层电子数呈7_________变化。
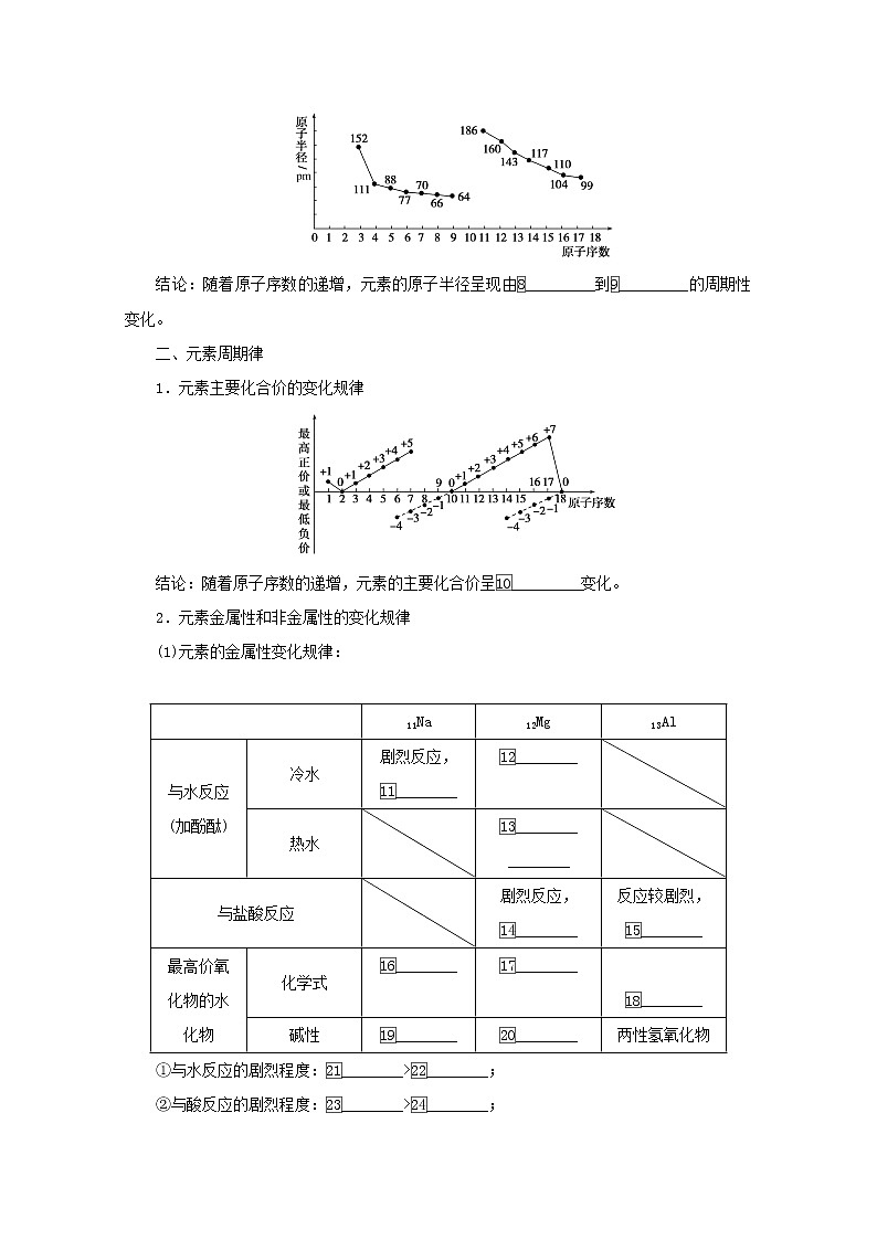
3.原子半径的变化规律
结论:随着原子序数的递增,元素的原子半径呈现由8_________到9_________的周期性变化。
二、元素周期律
1.元素主要化合价的变化规律
结论:随着原子序数的递增,元素的主要化合价呈10_________变化。
2.元素金属性和非金属性的变化规律
(1)元素的金属性变化规律:
①与水反应的剧烈程度:21________>22________;
②与酸反应的剧烈程度:23________>24________;
③最高价氧化物的水化物的碱性:25________>26________>27________;
结论:元素的金属性:28____________>29____________>30____________。
(2)元素的非金属性变化规律:
①单质与H2化合的难易程度(由难到易):43________;
②气态氢化物的稳定性(由弱到强):44________;
③最高价氧化物的水化物酸性:45________;
结论:元素的非金属性:46________<47________<48________<49________。
(3)元素金属性和非金属性变化规律:
3.元素周期律
(1)概念:元素的性质随原子序数的递增呈52 变化的规律。
(2)实质:元素周期律是元素53 呈周期性变化的必然结果。
[即时自测]
1.判断正误,正确的打“√”,错误的打“×”
(1)电子层数相同时,随着核电荷数的增大,最外层电子数逐渐增多。( )
(2)最外层电子数越多,原子半径越小。( )
(3)从11~17号元素原子的半径,逐渐减小。( )
(4)核电荷数越大,原子半径越小。( )
(5)酸性:H2SO3
2.元素性质呈周期性变化的原因是( )
A.相对原子质量逐渐增大
B.核电荷数逐渐增大
C.核外电子排布呈周期性变化
D.元素的化合价呈周期性变化
3.下列各组物质及粒子性质变化不正确的是( )
A.氧化性:F2>Cl2
B.碱性:Mg(OH)2>Al(OH)3
C.金属单质置换出氢的能力:K>Na
D.酸性:H2SO4>HClO4
4.下列各选项中物质性质的递变规律是逐渐增强的是 ,逐渐减弱的是 。
A.Na、Mg、Al的金属性
B.HF、HCl、H2S的稳定性
C.H2CO3、HNO3、HClO4的酸性
D.F、O、S的非金属性
E.KOH,NaOH,Al(OH)3的碱性
5.在第三周期元素中,除稀有气体元素外:
(1)原子半径最小的元素是 (填元素符号)。
(2)金属性最强的元素是 (填元素符号)。
(3)最高价氧化物对应水化物酸性最强的是 (用化学式回答,下同)。
(4)最不稳定的气态氢化物是 。
(5)最高价氧化物对应水化物碱性最强的是 。
(6)氧化物中具有两性的是
________________________________________________________________________。
核心素养——合作·探究·分享
提升点1 微粒半径大小比较
[例1] 下列微粒半径大小比较正确的是( )
A.Na+
根据以上数据,P原子的半径可能是( )
A.1.10×10-10 m B.0.80×10-10 m
×10-10 m D.0.70×10-10 m
关键能力
微粒半径大小的比较方法
(1)同种元素的微粒半径比较
核外电子数较多,微粒半径越大:
①阳离子半径小于相应原子半径;如r(Na+)
③不同价态的离子,价态越高,离子半径越小;如r(Fe2+)>r(Fe3+)。
(2)不同元素微粒半径的比较
①具有相同电子层数而原子序数不同的原子,原子序数越大,半径越小(稀有气体除外)。
如r(Na)>r(Mg)>r(Al)>r(S)>r(Cl)。
②最外层电子数相同而电子层数不同的原子,电子层数越多,原子半径越大;其同价态的离子半径也是如此。
S如r(F)
如r(S2- )>r(Cl-)>r(K+)>r(Ca2+)。
提升点2 元素金属性、非金属性强弱的判断
[例2] 下列不能说明氯元素的非金属性比硫元素强的是( )
①HCl比H2S稳定 ②HClO氧化性比H2SO4强 ③HClO4酸性比H2SO4强
④Cl2能与H2S反应生成S ⑤Cl原子最外层有7个电子,S原子最外层有6个电子
⑥Cl2与Fe反应生成FeCl3,S与Fe反应生成FeS
A.②⑤ B.①②⑥
C.①②④ D.①③⑤
eq \a\vs4\al(状元随笔) 金属性、非金属性强弱的根本依据
①内容:元素金属性、非金属性强弱取决于元素原子失、得电子的难易程度。
②规律:越易失电子,金属性越强;越易得电子,非金属性越强。
③误区:失、得电子的数目越多,金属性、非金属性越强。
[提升2] 下列叙述中,金属a的活泼性肯定比金属b的活泼性强的是( )
A.a原子的最外层电子数比b原子的最外层电子数少
B.常温时,a能从水中置换出氢,而b不能
C.1 ml a从酸中置换H+生成的H2比1 ml b从酸中置换H+生成的H2多
D.a原子电子层数比b原子的电子层数多
关键能力
金属性、非金属性强弱的常用判断依据
(1)据原子结构判断:
(2)据单质及其化合物的性质判断:
学考评价——夯实·测控·演练
1.(双选)下列关于元素周期律的叙述正确的是( )
A.随着元素原子序数的递增,原子最外层电子数不一定是从1递增到8重复出现
B.随着元素原子序数的递增,元素最高正化合价从+1到+7、最低负化合价从-7到-1重复出现
C.随着元素原子序数的递增,原子半径(稀有气体元素除外)从小到大发生周期性变化
D.元素性质周期性变化的主要原因是元素的核外电子排布发生周期性变化
2.下列事实不能用元素周期律解释的是( )
A.Mg、Al与同浓度盐酸反应,Mg更剧烈
B.向Na2SO3溶液中加盐酸,有气泡产生
C.0.1 ml·L-1溶液的碱性:NaOH>LiOH
D.气态氢化物的稳定性:HBr>HI
3.(双选)已知33As、35Br位于同一周期。下列关系正确的是( )
A.原子半径:As>Cl>P
B.热稳定性:HCl>HBr>AsH3
C.还原性:As3->S2->Cl-
D.酸性:H3AsO4>H2SO4>H3PO4
4.下列各组粒子,按半径由大到小顺序排列正确的是( )
A.Mg、Ca、K、Na B.S2-、Cl-、K+、Na+
C.Br-、Br、Cl、S D.Na+、Al3+、Cl-、F-
5.下列排列顺序正确的是( )
①热稳定性:H2O>HF>H2S
②原子半径:Na>Mg>O
③酸性:H3PO4>H2SO4>HClO4
④碱性:NaOH>Mg(OH)2>Al(OH)3
A.①③ B.②④
C.①④ D.②③
6.某研究性学习小组设计了一组实验来探究元素周期性。甲同学根据元素非金属性与对应最高价含氧酸之间的关系,设计了如图装置来一次性完成N、C、Si的非金属性强弱比较的实验研究;乙同学根据置换反应的规律,利用下图装置完成了Cl元素的非金属性比S强的实验研究。
回答下列问题:
(1)图中D装置名称是 。
(2)N、C、Si的非金属性由强到弱的顺序是
________________________________________________________________________。
从以下所给物质中选出甲同学设计的实验所用到的物质:试剂A为 ;试剂C为 (填序号)。
①稀HNO3溶液 ②稀盐酸 ③碳酸钙 ④Na2SiO3溶液 ⑤SiO2
写出试管中反应的离子方程式为
________________________________________________________________________
________________________________________________________________________。
(3)乙同学设计的实验所用到的试剂A为 ;试剂B为 ;试剂C为 。写出试管中反应的离子方程式为 。
练后感悟
微粒大小比较“三看”
在现阶段对稀有气体元素以外的原子或离子的半径比较方法可总结为“三看”:
(1)首先看层(即电子层数),层少半径小[少数除外,如r(Li)>r(P)];
(2)层同看核(即核电荷数),核大半径小;
(3)核同看价(即化合价),价高半径小。
专题5 微观结构与物质的多样性
第一单元 元素周期律和元素周期表
第1课时 元素周期律
学业基础
新知预习
核电荷数 核电荷数 质子数 核外电子数 8 8
周期性 大 小 eq \(□,\s\up1(10)) 周期性 eq \(□,\s\up1(11)) 溶液变红 eq \(□,\s\up1(12)) 无明显现象
eq \(□,\s\up1(13)) 有气泡,溶液微红 eq \(□,\s\up1(14)) 放出大量气泡 eq \(□,\s\up1(15)) 有气泡 eq \(□,\s\up1(16)) NaOH eq \(□,\s\up1(17)) Mg(OH)2 eq \(□,\s\up1(18)) Al(OH)3 eq \(□,\s\up1(19)) 强碱 eq \(□,\s\up1(20)) 中强碱 eq \(□,\s\up1(21)) Na eq \(□,\s\up1(22)) Mg eq \(□,\s\up1(23)) Mg eq \(□,\s\up1(24)) Al eq \(□,\s\up1(25)) NaOH eq \(□,\s\up1(26)) Mg(OH)2 eq \(□,\s\up1(27)) Al(OH)3 eq \(□,\s\up1(28)) Na eq \(□,\s\up1(29)) Mg eq \(□,\s\up1(30)) Al eq \(□,\s\up1(31)) 光照或点燃 eq \(□,\s\up1(32)) SiH4 eq \(□,\s\up1(33)) PH3 eq \(□,\s\up1(34)) H2S eq \(□,\s\up1(35)) HCl eq \(□,\s\up1(36)) H2SiO3 eq \(□,\s\up1(37)) H3PO4 eq \(□,\s\up1(38)) H2SO4 eq \(□,\s\up1(39)) HClO4 eq \(□,\s\up1(40)) 弱酸 eq \(□,\s\up1(41)) 中强酸 eq \(□,\s\up1(42)) 强酸 eq \(□,\s\up1(43)) Si、P、S、Cl eq \(□,\s\up1(44)) SiH4
1.答案:(1)√ (2)× (3)√ (4)× (5)× (6)×
2.答案:C
3.答案:D
4.答案:C ABDE
5.解析:(1)第三周期元素从左到右原子半径逐渐减小,原子半径最小的是Cl。
(2)金属性最强的元素在最左边,应为Na。
(3)非金属性最强的元素,其最高价氧化物对应水化物的酸性最强,氯的非金属性最强,其对应的酸是HClO4。
(4)非金属性最弱的元素Si的气态氢化物最不稳定。
(5)金属性最强的Na对应的NaOH的碱性最强。
(6)铝的氧化物Al2O3具有两性。
答案:(1)Cl (2)Na (3)HClO4 (4)SiH4 (5)NaOH (6)Al2O3
核心素养
例1 【解析】 具有相同电子层结构的微粒,原子序数越大,离子半径越小,则有Al3+
提升1 答案:A
例2 【解析】 气态氢化物越稳定或最高价氧化物的水化物的酸性越强,元素的非金属性越强,①、③能说明;不能根据含氧酸的氧化性判断元素的非金属性,②符合题意;Cl2与H2S发生置换反应:Cl2+H2S===S↓+2HCl,氧化性:Cl2>S,非金属性:Cl>S,④能说明;不能根据最外层电子数多少判断元素非金属性,⑤符合题意;与同一变价金属反应时,金属被氧化的程度越大,则非金属单质的氧化性越强,其非金属性越强,⑥能说明。
【答案】 A
提升2 解析:最外层电子数少的金属的金属性不一定比最外层电子数多的金属性强,如锂比钙弱,选项A不符合题意;金属的活泼性越强,越易与水反应,常温时,a能从水中置换出氢,而b不能,说明金属的活泼性a比b活泼,选项B符合题意;产生氢气的多少取决于金属失去电子数的多少,金属的活泼性与得失电子难易有关,与得失电子的多少无关,选项C不符合题意;金属不位于同一主族,则不能仅根据电子层数的多少来判断金属的活泼性强弱,选项D不符合题意。答案选B。
答案:B
学考评价
1.解析:随着元素原子序数的递增,1~2号元素的原子最外层电子数从1增加到2,A项正确;随着元素原子序数的递增,元素的最低负化合价呈现-4到-1的周期性变化,B项错误;随着元素原子序数的递增,原子半径(稀有气体元素除外)从大到小发生周期性变化,C项错误。
答案:AD
2.解析:金属性Mg>Al,Mg与酸反应剧烈,能用元素周期律解释;向Na2SO3溶液中加盐酸,发生强酸制取弱酸的反应,不能用元素周期律解释,故B符合题意;金属性Na>Li,0.1 ml·L-1溶液的碱性:NaOH>LiOH,能用元素周期律解释;非金属性Br>I,氢化物稳定性:HBr>HI,能用元素周期律解释。
答案:B
3.解析:As与P同主族,P与Cl同周期,原子半径As>P>Cl,A项错;Cl与Br同主族,As与Br同周期,热稳定性,HCl>HBr>AsH3,B项正确;元素非金属性越强,其阴离子的还原性越弱,即离子的还原性:As3->S2->Cl-,C项正确;非金属性越强,最高价氧化物对应水化物的酸性越强,所以酸性强弱为:H2SO4>H3PO4>H3AsO4,D项错误。
答案:BC
4.解析:K、Ca比Na、Mg多1个电子层,故有:r(K)>r(Ca)>r(Na)>r(Mg),A错。S2-、Cl-、K+三离子核外电子排布相同,核电荷数越小,离子半径越大,又因K+比Na+多1个电子层,故有r(S2-)>r(Cl-)>r(K+)>r(Na+),B正确。Br-比Br多1个电子,半径大,Br比Cl多1个电子层,故:r(Br-)>r(Br)>r(Cl),但r(Cl)
答案:B
5.答案:B
6.解析:(1)由装置图可知,E为分液漏斗,D为长颈漏斗,故答案为长颈漏斗。(2)同周期从左到右非金属性增强,则C
答案:(1)长颈漏斗 (2)N、C、Si ① ④ CO2+SiO32-+H2O===CO32-+H2SiO3↓ (3)浓盐酸 高锰酸钾固体 氢硫酸或硫化钠溶液 Cl2+H2S===S↓+2H++2Cl-或Cl2+S2-===S↓+2Cl-11Na
12Mg
13Al
与水反应
(加酚酞)
冷水
剧烈反应,
11________
12________
热水
13________
________
与盐酸反应
剧烈反应,
14________
反应较剧烈,
15________
最高价氧
化物的水
化物
化学式
16________
17________
18________
碱性
19________
20________
两性氢氧化物
14Si
15P
16S
17Cl
单质与H2
反应
高温下
反应
磷蒸气
能反应
加热时
反应
31____
气态氢
化物
化学式
32______
33______
34______
35______
热稳
定性
不稳定
不稳定
受热
分解
稳定
最高价氧
化物的水
化物
化学式
36______
37______
38______
39______
酸性
40______
41______
42______
酸性
更强
原子
N
S
O
Si
半径r/10-10 m
0.75
1.02
0.74
1.17
金属性的比较
①在金属活动性顺序表中位置越靠前,金属性越强
②单质与水或非氧化性酸反应越剧烈,金属性越强
③单质还原性越强或阳离子氧化性越弱,金属性越强
④最高价氧化物的水化物的碱性越强,金属性越强
⑤若Xn++Y―→X+Ym+,则Y的金属性比X的金属性强
非金属性的比较
①与H2越易化合或气态氢化物越稳定,非金属性越强
②单质氧化性越强或阴离子还原性越弱,非金属性越强
③最高价氧化物的水化物的酸性越强,非金属性越强
④若An-+B―→Bm-+A,则B的非金属性比A的非金属性强
2020-2021学年第一单元 元素周期律和元素周期表第1课时学案: 这是一份2020-2021学年第一单元 元素周期律和元素周期表第1课时学案,共10页。学案主要包含了探究第三周期元素性质的递变规律,元素周期律等内容,欢迎下载使用。
苏教版 (2019)必修 第一册第一单元 元素周期律和元素周期表第1课时导学案: 这是一份苏教版 (2019)必修 第一册第一单元 元素周期律和元素周期表第1课时导学案,共11页。学案主要包含了元素的性质变化规律等内容,欢迎下载使用。
高中化学苏教版 (2019)必修 第一册第二单元 微粒之间的相互作用导学案: 这是一份高中化学苏教版 (2019)必修 第一册第二单元 微粒之间的相互作用导学案,共10页。

