所属成套资源:2022届高三化学一轮复习实验专题强基练含解析
2022届高三化学一轮复习实验专题强基练2物质的性质实验提高题含解析
展开
这是一份2022届高三化学一轮复习实验专题强基练2物质的性质实验提高题含解析,共29页。试卷主要包含了亚硝酸钠是一种常见的食品添加剂等内容,欢迎下载使用。
物质的性质实验(提高题)
填空题(共15题)
1.草酸铵[]为无色柱状晶体,不稳定,受热易分解,是一种有机合成中间体,可用于测定、的含量。
Ⅰ.某同学利用如图所示实验装置检验草酸铵的分解产物。
(1)反应开始前通入氮气的目的是___________。
(2)装置C的作用是___________。
(3)实验过程中,观察到浸有酚酞溶液的滤纸变红,装置B中澄清石灰水变浑浊,说明分解产物中含有___________(填化学式);若观察到___________,说明分解产物中含有CO。
(4)除CO外,还有一种分解产物在一定条件下也能还原CuO,并生成一种无污染的气体,该反应的化学方程式为___________。
Ⅱ.该同学利用草酸铵测定血液中钙元素的含量。
(5)取20.00mL血液样品,定容至100mL,分别取三份体积均为25.00mL稀释后的血液样品,加入草酸铵,生成草酸钙沉淀,过滤,将该沉淀溶于过量稀硫酸中,然后用0.010 溶液进行滴定。滴定至终点时的实验现象为___________。三次滴定实验消耗溶液的体积分别为0.43mL,0.41mL,0.52mL,则该血液样品中含钙元素的量为___________。
2.为探究Ag+与Fe3+氧化性的相关问题,某小组同学进行如下实验:
已知:相关物质的溶解度(20℃)AgCl:1.5×10-4 g Ag2SO4:0.796 g
(1)甲同学的实验如下:
序号
操作
现象
实验Ⅰ
将2 mL 1 mol/L AgNO3溶液加入到1 mL 1 mol/L FeSO4溶液中
产生白色沉淀,随后有黑色固体产生
取上层清液,滴加KSCN溶液
溶液变红
注:经检验黑色固体为Ag
①白色沉淀的化学式是___________。
②甲同学得出Ag+氧化了Fe2+的依据是___________。
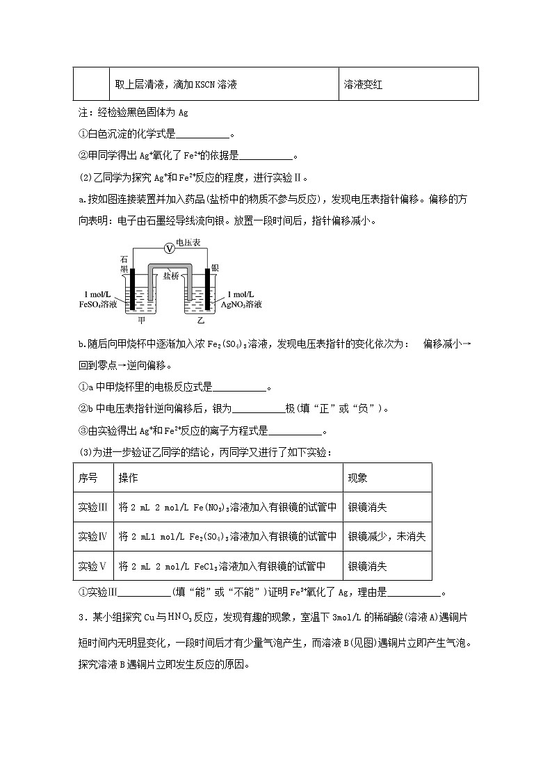
(2)乙同学为探究Ag+和Fe2+反应的程度,进行实验Ⅱ。
a.按如图连接装置并加入药品(盐桥中的物质不参与反应),发现电压表指针偏移。偏移的方向表明:电子由石墨经导线流向银。放置一段时间后,指针偏移减小。
b.随后向甲烧杯中逐渐加入浓Fe2(SO4)3溶液,发现电压表指针的变化依次为: 偏移减小→回到零点→逆向偏移。
①a中甲烧杯里的电极反应式是___________。
②b中电压表指针逆向偏移后,银为___________极(填“正”或“负”)。
③由实验得出Ag+和Fe2+反应的离子方程式是___________。
(3)为进一步验证乙同学的结论,丙同学又进行了如下实验:
序号
操作
现象
实验Ⅲ
将2 mL 2 mol/L Fe(NO3)3溶液加入有银镜的试管中
银镜消失
实验Ⅳ
将2 mL1 mol/L Fe2(SO4)3溶液加入有银镜的试管中
银镜减少,未消失
实验Ⅴ
将2 mL 2 mol/L FeCl3溶液加入有银镜的试管中
银镜消失
①实验Ⅲ___________(填“能”或“不能”)证明Fe3+氧化了Ag,理由是___________。
3.某小组探究Cu与反应,发现有趣的现象,室温下3mol/L的稀硝酸(溶液A)遇铜片短时间内无明显变化,一段时间后才有少量气泡产生,而溶液B(见图)遇铜片立即产生气泡。
探究溶液B遇铜片立即发生反应的原因。
①假设1:___________对该反应有催化作用。
实验验证:将溶液A中加入少量硝酸铜,溶液呈浅蓝色,放入铜片,没有明显变化。
结论:假设1不成立。
②假设2:对该反应有催化作用。
方案Ⅰ 向盛有铜片的溶液A中通入少量,铜片表面立即产生气泡,反应持续进行。有同学认为应补充对比实验:向盛有铜片的溶液A中加入几滴5mol/L的硝酸,没有明显变化。补充该实验的目的是___________。
方案Ⅱ 向溶液B中通入氮气数分钟得溶液C.相同条件下,铜片与A、B、C三份溶液的反应速率:B>C>A,该实验能够证明假设2成立的理由是___________。
③查阅资料:溶于水可以生成和___________。
向盛有铜片的溶液A中加入___________,铜片上立即产生气泡,证明对该反应也有催化作用。
结论:和均对Cu与的反应有催化作用。
④Cu与稀反应中,参与的可能催化过程如下:将ⅱ补充完整。
i.
ⅱ.___________
ⅲii.
4.甲烷在加热条件下可还原氧化铜,某化学小组利用如图装置探究其反应产物。
查阅资料:①CO能与银氨溶液反应:
②Cu2O为红色,能发生反应:
(1)仪器a的名称是___________,装置A中反应的化学方程式为___________。
(2)按气流方向各装置从左到右的连接顺序为A→F→D→___________→___________→___________→G(填字母编号)。___________
(3)已知气体产物中含有CO,则装置C中可观察到的现象是___________;装置F的作用为___________。
(4)当反应结束后,装置D处试管中固体全部变为红色。
①设计简单实验证明红色固体中含有:___________。
②若红色固体为单质,且产物中含碳氧化物的物质的量之比为,则D处发生的反应化学方程式是___________。
5.某化学兴趣小组对硫酸亚铁的性质进行探究并做如下实验,将称量好的硫酸亚铁洛解于一定浓度的稀硫酸中配制成的溶液:
实验序号
操作及现象
ⅰ
取上述溶液于试管中,逐滴加入少量溶液,产生大量黑色沉淀
ⅱ
取上述溶液于试管中,加入2滴溶液无现象,通入一段时间,溶液变为浅红色
ⅲ
重复实验ⅱ,向浅红色溶液中加入5%溶液至过量,产生无色气体(经检验为),溶液变为深红色中,且红色很快褪去
回答下列问题:
(1)进一步研究证实,黑色沉淀的主要成分是。溶液呈碱性,溶液与其反应不生成而生成的可能原因是_______。
(2用离子方程式表示步骤ⅱ中溶液变红的原因:_______、_______。
(3)甲同学探究步骤ⅲ中溶液褪色的原因,提出如下假设:
a.被还原 b.被氧化 c.被氧化
乙同学根据上述实验认为假设b不成立,他依据的现象是_____。
(4)甲同学利用上述部分试剂,通过以下实验验证了(3)中假设c成立。请将以下实验操作及现象补充完整。
步骤
试剂及操作
现象
1
取实验ⅲ中褪色后溶液少量于试管,滴加溶液
①____
2
②_______
溶液变为红色
6.以Fe2O3/CeO2作催化剂,可用乙烯脱除烟气中SO2并回收单质硫。某兴趣小组同学设计实验验证该反应并检验产物中的CO2,实验装置(夹持装置已略)如图所示:
已知:反应原理为:CH2=CH2+3SO23S+2CO2+2H2O。装置Ⅰ生成的S、CO2、H2O均为气体。
(1)装置中玻璃纤维的作用是___。
(2)为检验CO2,则装置Ⅱ、Ⅲ、Ⅳ中盛放的试剂依次是___(填序号)。
①酸性KMnO4溶液②澄清石灰水③Br2的CCl4溶液
(3)为制作反应的催化剂,实验小组制备了一定质量的Fe2O3(含FeO杂质)样品,为测定其中Fe2O3的质量分数,现进行如下实验:
步骤1:称取0.20g样品,向样品中加入足量的盐酸使其完全溶解。
步骤2:向溶液中加入足量的KI溶液,充分反应。
步骤3:向溶液中加入0.10mol·L-1Na2S2O3溶液,恰好完全反应时消耗Na2S2O3溶液体积为20.00mL生成Na2S4O6。
计算样品中所含Fe2O3的质量分数___。(写出计算过程)
7.亚硫酸钠(Na2SO3)是一种重要的化工产品,常用作防腐剂、漂白剂、脱氯剂等。为探究 Na2SO3的性质,进行了如下实验。
(性质预测)
(1)Na2SO3中硫元素的化合价是_______,属于S元素的中间价态,既具有氧化性,又具有还原性。
(实验验证)
实验序号
实验试剂X
实验现象
ⅰ
KMnO4溶液、稀硫酸
紫色褪去,变为无色
ⅱ
Na2S 溶液、稀硫酸
加入Na2S溶液,无明显现象;再加入稀硫酸,产生淡黄色浑浊。
资料:酸性条件下,KMnO4 被还原为无色的 Mn2+。
(分析解释)
(2)实验ⅰ中,反应的离子方程式是_______。
(3)实验ⅱ中,能说明 Na2S 在酸性条件下被氧化的实验现象是_______。
(继续探究)
(4)甲同学认为实验ⅱ的现象不能直接得出“Na2SO3 具有氧化性”。
①对淡黄色浑浊产生的原因作出如下假设:
假设 a:酸性溶液中的 SO具有氧化性,可产生 S;
假设 b:空气中存在 O2,在酸性条件下,由于_______ (用离子方程式表示),可产生 S;
假设 c:酸性溶液中的 SO具有氧化性,可产生 S。
②设计实验 iii 证实了假设 a和b不是产生 S 的主要原因。
实验 iii:向 Na2S溶液中加入_______(填试剂名称),产生有臭鸡蛋气味的气体,离子方程式为_______,溶液未变浑浊。
(5)结合实验 ii 和 iii,用离子方程式解释实验ⅱ中产生淡黄色浑浊的原因:_______。
8.亚硝酸钠(NaNO2)是一种常见的食品添加剂。某实验小组制备NaNO2并对其性质进行探究。
资料:Ag+与NO反应,可生成AgNO2白色沉淀或无色配离子。
Ⅰ.NaNO2的制取(夹持装置略)
实验i
向装置A中通入一段时间N2,再通入NO和NO2混合气体,待Na2CO3反应完全后,将所得溶液经系列操作,得到NaNO2白色固体。
(1)制取NaNO2的离子方程式是___。
(2)小组成员推测HNO2是弱酸。为证实推测,向NaNO2溶液中加入试剂X,“实验现象”证实该推测合理,加入的试剂及现象是__,___。
Ⅱ.NaNO2性质探究
将实验i制取的NaNO2固体配制成约0.1mol/LNaNO2溶液,进行实验ⅱ和ⅲ。
实验ⅱ
(3)由实验ii的现象得出结论:白色沉淀的生成与___有关。
(4)仅用实验ii的试剂,设计不同实验方案进一步证实了上述结论,实验操作及现象是___。
实验iii
(5)酸性条件下,NO氧化I-的离子方程式是___。
(6)甲同学认为,依据实验ⅲ的现象可以得出结论:该条件下,NO能氧化I-。乙同学则认为A装置中制取的NaNO2含有副产物,仅凭实验ⅲ不能得出上述结论,还需要补充实验ⅳ进行验证,乙同学设计实验ⅳ证明了实验ⅲ条件下氧化I-的只有NO2,实验ⅳ的实验方案是___。
9.实验室可用如图装置(略去部分夹持仪器)制取SO2并验证其性质。
(1)盛装70% H2SO4溶液的仪器名称为_______。仪器组装完成后,关闭两端活塞,向装置B的长颈漏斗内注入液体至形成段液柱,若_______则整个装置气密性良好。
(2)装置B的作用之一是通过观察产生气泡的多少判断SO2生成的快慢,其中的液体最好选择_______ (填代号)。
a.蒸馏水 b.饱和NaHCO3溶液 c.饱和NaHSO3溶液 d.饱和NaOH溶液
(3)C试管中的试剂可以验证二氧化硫的氧化性,现象为_______。
(4)为验证二氧化硫的还原性,充分反应后,取试管D中的溶液分成三份,分别进行如下实验:
方案I:向第一份溶液中加入AgNO3溶液,有白色沉淀生成;
方案II:向第二份溶液中加入品红溶液,红色褪去;
方案III:向第三份溶液中加入BaCl2溶液,产生白色沉淀。
上述方案合理的是方案_______(填“I”“II”或“III");试管D中发生反应的离子方程式为_______。
(5)装置E的作用是_______,装置F中为_______溶液。
10.Na2O2具有强氧化性,H2具有还原性,某同学根据氧化还原反应的知识推测Na2O2与H2能发生反应。为了验证此推测结果,该同学设计并进行了如图所示实验。
Ⅰ.实验探究
(1)图A是制取氢气的装置,从下图中所给仪器中选择一部分组装成一套能随开随停的发生装置,选择的仪器是_______(填编号)。
(2)装置A中用粗锌和稀盐酸制取氢气,B装置的名称是______;里面所盛放的试剂是______,其作用是_____。
(3)下面是实验过程中的重要操作,正确的顺序是______(填序号)。
A.加热至Na2O2逐渐熔化,反应一段时间
B.用小试管收集气体并检验其纯度
C.打开K1、K2,通入氢气
D.停止加热,充分冷却,关闭K1、K2
(4)实验过程中观察到淡黄色粉末慢慢变成白色固体,无水硫酸铜未变蓝色。由此可推出Na2O2与H2反应的化学方程式为________。
Ⅱ.数据处理。实验结束后,该同学欲测定C装置硬质玻璃管内白色固体中未反应完的Na2O2含量。其操作流程如图:
①测定过程中需要的仪器除固定、夹持仪器外,还有电子天平、烧杯、酒精灯、蒸发皿和________,操作2的名称是________。
②在转移溶液时,若溶液转移不完全,则测得的Na2O2质量分数________(填“偏大”“偏小”或“不变”)。
11.钴的某些化合物与铁的化合物性质相似,某研究性学习小组为探究钴的化合物的性质,进行了以下实验:
Ⅰ.探究草酸钴的热分解产物
(1)为探究草酸钴的热分解产物,按气体流动方向,各装置的连接顺序为:A→E→________________。
(2)能证明分解产物中有CO的实验现象是_____________________________________________________。
(3)取5.49gCoC2O4·2H2O于硬质玻璃管中加热至恒重,冷却、称量,剩余固体的质量为2.25g,球形干燥管增重1.32g。则球形干燥管吸收的气体的结构式为:__________________;A中发生反应的化学方程式为:_____________________________________________________。
Ⅱ.探究Co(OH)2的还原性及Co(OH)3的氧化性
取A装置所得固体溶解于稀H2SO4中得到粉红色溶液,备用。
已知试剂颜色:CoSO4溶液(粉红色),Co(OH)2(粉红色),Co(OH)3(棕褐色)。
实验记录如表:
实验操作及现象
实验分析
实验1
取少许粉红色溶液于试管中,滴加0.1mol·L-1NaOH溶液,生成粉红色沉淀,并将该沉淀分成两份
实验2
取一份实验1中所得的粉红色沉淀,加入3%的H2O2溶液,粉红色沉淀立即变为棕褐色
反应的化学方程式为___________________________
实验3
向实验2得到的棕褐色沉淀中滴加浓盐酸,固体逐渐溶解,并有黄绿色气体产生
反应的离子方程式为____________________________
实验4
取另一份实验1中所得的粉红色沉淀,滴加浓盐酸,粉红色沉淀溶解,未见气体生成
酸性条件下,Cl2、Co(OH)2、Co(OH)3的氧化能力由大到小的顺序是______________________________
12.Ⅰ:某学习小组为了探究硝酸铁的热稳定性,设计如下实验:
利用如图所示装置进行实验。加热A中Fe(NO3)3固体,装置B中均能看到红棕色气体,装置A中试管内剩余红棕色粉末状固体。
(1)装置B的作用是______;
(2)甲同学认为装置A中试管内剩余的红棕色粉末固体为Fe2O3。乙同学为了验证甲的观点,设计了下列实验
①取该固体少量于洁净试管内加入盐酸,固体溶解成棕黄色溶液,该反应的离子方程式为:______。
②向该棕黄色溶液中滴入__________(填化学式)溶液,溶液变为血红色。
(3)经过检验发现C装置中生成了NaNO3和NaNO2。请写出生成这两种盐的化学反应方程式______,最后用排水法收集到少量无色气体,关于该无色气体,下列说法正确的是_______(选填编号)
A.该气体是NO B.主要是O2,还有少量N2 C.NO和O2
(4)通过以上实验,写出Fe(NO3)3受热分解的化学反应方程式____________________。
Ⅱ:CH4燃料电池是目前开发最成功的燃料电池之一,这种燃料电池由CH4、空气(氧气)、KOH(电解质溶液)构成。其中负极的电极方程式为:______。则电池放电时通入空气的电极为______(填“正极”或“负极”);电解质溶液的pH______(填“变大”或“变小”);每转移0.8mol电子消耗______gCH4。
13.某研究性学习小组学生根据氧化还原反应规律,探究NO2、NO与Na2O2反应的情况,提出假设并进行相关实验。
Ⅰ.从理论上分析Na2O2和NO2都既有氧化性又有还原性,于是提出如下假设:
假设1:Na2O2氧化NO2;
假设2:NO2氧化Na2O2。
(1)甲同学设计如图1装置进行实验:
①试管A中反应的离子方程式是_________________________________________。
②待试管B中充满红棕色气体,关闭旋塞a和b;取下试管B;向其中加入适量Na2O2粉末,塞上塞子,轻轻振荡试管内粉末,观察到红棕色气体迅速消失;再将带火星的木条迅速伸进试管内,木条复燃。
③仪器C兼有防倒吸的作用,仪器C的名称为___________________。
结论:甲同学认为假设2正确。
(2)乙同学认为甲同学设计的实验存在缺陷,为达到实验目的,在A、B之间应增加一个装置,该装置的作用是________________________。乙同学用改进后的装置,重复了甲同学的实验操作,观察到红棕色气体迅速消失;带火星的木条未复燃,得出结论:假设1正确,则NO2和Na2O2反应的化学方程式是_______________________。
Ⅱ.该研究性学习小组同学还认为NO易与O2发生反应,应该更易被Na2O2氧化。查阅资料:2NO+Na2O2=2NaNO2;2NaNO2+2HCl=2NaCl+NO2↑+NO↑+H2O;酸性条件下,NO能与反应生成和Mn2+。
(3)丙同学用图2所示装置(部分夹持装置略)探究NO与Na2O2的反应。
①在反应前,打开弹簧夹,通入一段时间N2,目的是_________________。
②B中不能观察到的现象是____________(填字母编号)。
a.铜片逐渐溶解,溶液变为蓝色b.有红棕色气泡产生c.有无色气泡产生
③C、E中所盛装的试剂不能是________(填字母编号)。
a.无水硫酸铜 b.无水氯化钙 c.碱石灰 d.生石灰
④F中发生反应的氧化剂与还原剂的物质的量之比为_____________。
⑤充分反应后,检验D装置中产物的方法是:______________,则产物是NaNO2。
14.某无色溶液中可能含有H+、OH-、Na+、K+、NO,加入铝粉后,只产生H2,为探究该溶液中存在的离子,某学习小组进行了如下实验。
(1)甲同学分析“若H+大量存在,则NO就不能大量存在”,设计实验证实如下:
装置
现象
Ⅰ.实验初始,未见明显现象
Ⅱ.过一会儿,出现气泡,液面上方出现浅棕色气体
Ⅲ.试管变热,溶液沸腾
①现象Ⅲ产生的原因___。
②根据现象Ⅱ,推测溶液中产生了NO,为进一步确认,进行如下实验:
实验
内容
现象
实验1
将湿润KI—淀粉试纸置于空气中
试纸未变蓝
实验2
用湿润KI—淀粉试纸检验浅棕色气体
试纸变蓝
实验1、2说明反应生成了NO。
请用化学方程式解释气体变为浅棕色的原因___。
(2)乙同学分析“若OH-大量存在,NO也可能不大量存在”,重新设计实验证实如下:
装置
现象
Ⅰ.实验初始,未见明显现象
Ⅱ.过一会儿,出现气泡,有刺激性气味
为确认:"刺激性气味”气体,进行如下实验:用湿润KI—淀粉试纸检验,未变蓝;用湿润红色石蕊试纸检验,试纸变蓝。
产生该刺激性气味气体的离子方程式是___。
(3)甲、乙两位同学设计的实验初始时均未见明显现象的原因是___。
(4)根据以上实验分析,该溶液中一定大量存在的离子是___。
15.已知:乙二酸(HOOC—COOH,可简写为H2C2O4),俗称草酸,157℃时开始分解。
(1)探究草酸的酸性
25℃ H2C2O4 K1=5.4×10-2,K2=5.4×10-5;H2CO3 K1=4.5×10-7,K2=4.7×10-11
下列化学方程式可能正确的是___。
A.H2C2O4+=+ B.+=+
C.2+CO2+H2O=2+ D.H2C2O4+=+H2O+CO2↑
(2)探究草酸分解产物
实验中观察到 B 中 CuSO4 粉末变蓝,C 中澄清石灰水变浑浊,D 的作用是 ___, 证明有 CO 气体生成的现象是______。
(3)探究催化剂对化学反应速率的影响
在甲、乙两支试管中各加入 4 mL 0.01 mol·L-1 酸性 KMnO4 溶液和 2 mL 0.1 mol·L-1H2C2O4 溶液,再向乙试管中加入一粒黄豆大的 MnSO4 固体,摇匀。填写表格:
反应现象
①_______
实验结论
②______
试管中发生反应的离子方程式
③______
(4)用酸性 KMnO4 溶液滴定 Na2C2O4,求算 Na2C2O4 的纯度。
实验步骤:准确称取 2.0 g Na2C2O4 固体,配成 100 mL 溶液;取出 20.00 mL 于锥形瓶 中,再向瓶中加入足量稀 H2SO4;用 0.016 0 mol·L-1 酸性 KMnO4 溶液滴定,滴定至终点时消耗KMnO4溶液25.00 mL。
①KMnO4 溶液应装在_________ 滴定管中。(填“酸式”或“碱式”)
②Na2C2O4 的纯度是_________。
参考答案
1.排尽装置内的空气,避免CO与空气混合加热发生爆炸,并防止空气中的CO2干扰实验 吸收CO2,避免对CO的检验产生干扰 NH3、CO2 装置E中氧化铜由黑色变为红色,装置F中澄清石灰水变浑浊 当滴入最后一滴溶液时,溶液由无色变为浅红色,且半分钟内不褪色 2.10×10-3
【分析】
由实验装置图可知,反应开始前通入氮气排尽装置内的空气,加热硬质玻璃管A,草酸铵受热分解,浸有酚酞溶液的滤纸变红说明反应时有氨气生成,澄清石灰水变浑浊说明有有二氧化碳生成,用氢氧化钠溶液除去二氧化碳、浓硫酸除去水蒸气后,装置E中氧化铜由黑色变为红色,装置F中澄清石灰水变浑浊说明有一氧化碳生成,则草酸铵受热分解生成氨气、二氧化碳、一氧化碳和水。
【详解】
(1)反应开始前,应通入氮气排尽装置内的空气,防止反应生成的一氧化碳与空气混合加热发生爆炸,同时防止空气中的二氧化碳干扰反应生成的的检验,故答案为:排尽装置内的空气,避免CO与空气混合加热发生爆炸,并防止空气中的CO2干扰实验;
(2)装置C中盛有的氢氧化钠溶液用于吸收反应生成的二氧化碳,防止二氧化碳干扰一氧化碳的检验,故答案为:吸收CO2,避免对CO的检验产生干扰;
(3)实验过程中,若观察到浸有酚酞溶液的滤纸变红,装置B中澄清石灰水变浑浊,说明草酸铵受热分解的产物中含有氨气和二氧化碳,若装置E中氧化铜由黑色变为红色,装置F中澄清石灰水变浑浊说明分解的产物中含有一氧化碳,故答案为:NH3、CO2;装置E中氧化铜由黑色变为红色,装置F中澄清石灰水变浑浊;
(4)除一氧化碳外,反应生成的氨气也能还原氧化铜,发生的反应为氨气和氧化铜共热反应生成铜、氮气和水,反应的化学方程式为,故答案为:;
(5)由题意可知,用酸性高锰酸钾溶液滴定溶液中草酸时,发生的反应为草酸与酸性高锰酸钾溶液反应生成硫酸钾、硫酸锰、二氧化碳和水,当草酸完全反应时,再滴入酸性高锰酸钾溶液会,溶液会变为浅红色,则滴定至终点时的实验现象为当滴入最后一滴酸性高锰酸钾溶液时,溶液由无色变为浅红色,且半分钟内不褪色;由原子个数守恒和得失电子数目守恒可得如下关系:5Ca2+—5CaC2O4—5H2C2O4—2KMnO4,由题给数据可知,第三次消耗酸性高锰酸钾溶液的与一、二次体积差别太大,需舍弃,则两次的平均体积为=0.42mL,血液样品中含钙元素的量为=2.10×10-3mol/L,故答案为:当滴入最后一滴溶液时,溶液由无色变为浅红色,且半分钟内不褪色;2.10×10-3。
2.Ag2SO4 有黑色固体(Ag)生成,加入KSCN溶液后变红 Fe2+-e-=Fe3+ 负 Fe2++Ag+Fe3++Ag 不能 因为Fe(NO3)3溶液呈酸性,酸性条件下NO也可能氧化Ag
【详解】
(1)将2mL 1mol/L AgNO3溶液加入到1mL 1mol/L FeSO4溶液中发生复分解反应会生成硫酸银白色沉淀,银离子具有强氧化性会氧化Fe2+为Fe3+,银离子被还原为黑色固体金属单质银;取上层清液,滴加KSCN溶液溶液变红说明有铁离子生成;
①上述分析可知白色沉淀为硫酸银,它的化学式是Ag2SO4,故答案为:Ag2SO4;
②甲同学得出Ag+氧化了Fe2+的依据是实验现象中,银离子被还原为黑色固体金属单质银,取上层清液,滴加KSCN溶液溶液变红说明有铁离子生成,故答案为:有黑色固体(Ag)生成,加入KSCN溶液后变红;
(2)在Fe2+与Ag+反应构成的原电池中,银发生还原反应作正极,则石墨作负极,当指针归零后,逆向偏移,Fe3+和Ag反应生成银离子和亚铁离子,银单质被氧化,银作负极;
①根据上面的分析可知,K闭合时,电子由石墨经导线流向银,石墨作负极,亚铁离子失去电子,发生氧化反应,方程式为Fe2+-e-=Fe3+;故答案为:Fe2+-e-=Fe3+;
②电子由石墨经导线流向银,石墨作负极,银电极为正极,当指针归零后,指针逆向偏转,石墨作正极,银电极为负极;故答案为:负;
③由实验得出Ag+和Fe2+反应的离子方程式为Fe2++Ag+Fe3++Ag,故答案为:Fe2++Ag+Fe3++Ag;
(3)①将2mL 2mol/L Fe(NO3)3溶液加入有银镜的试管中,说明银溶解完全,由于酸性条件下硝酸根也有强的氧化性,银溶解完全,不能证明是三价铁氧化了银单质;故答案为:不能;硝因为Fe(NO3)3溶液呈酸性,酸性条件下NO也可能氧化Ag。
3. 排除通入与水反应引起硝酸浓度增大的影响 通入可以带走溶液中的,因此三份溶液中的浓度:B>C>A,反应速率随浓度降低而减慢,说明对该反应有催化作用 固体(等)
【详解】
①实验来验证假设,向溶液A中加入少量硝酸铜,故假设应为Cu2+的催化作用,故答案为:Cu2+;
②Ⅰ.实验验证NO2对该反应有催化作用,要保证唯一变量,NO2与水反应会产生硝酸,加入硝酸,排除是硝酸浓度的变化对实验的影响,故答案为:排除通入与水反应引起硝酸浓度增大的影响;
Ⅱ.向溶液B中通入氮气数分钟得溶液C,相同条件下,铜片与A、B、C三份溶液的反应速率:B>C>A,假设2成立,NO2对该反应有催化作用,这三支试管的反应速率不同,可能因为NO2的浓度不同,考虑到通入的氮气带走了部分的NO2,故答案为:通入的氮气可以带走溶液中的NO2,因此三份溶液中的NO2的浓度:B>C>A,反应速率随NO2浓度降低而减慢,说明NO2对该反应有催化作用;
③NO2溶于水可以生成HNO2时化合价降低,那么另一种物质N的化合价必然要升高,即生成HNO3,要证明HNO2对该反应也有催化作用,那么就要向溶液中加入亚硝酸根离子,可以加入NaNO2,故答案为:HNO3;NaNO2;
④HNO2作催化剂,那么i步消耗,在ⅱ步应该要生成,铜和稀硝酸生成NO,所以NO2也为中间产物,结合i、ⅲ,第ⅱ步发生的反应为:。
4.圆底烧瓶 Al4C3+12HCl=3CH4↑+4AlCl3 B、E、C 试管内有黑色固体生成 除去CH4中的HCl气体和水蒸气 取少量红色固体,加入适量稀硫酸,若溶液变为蓝色,则证明红色固体中含有Cu2O 2CH4+7CuO7Cu+CO+CO2+4H2O
【分析】
由实验装置图可知,装置A中Al4C3固体与稀盐酸反应制备甲烷,装置F中盛有的碱石灰用于吸收甲烷气体中混有的氯化氢和水蒸气,装置D中氧化铜与甲烷共热反应,反应的生成物中含有碳的氧化物和水蒸气,为防止检验二氧化碳和一氧化碳的试剂会带出水蒸气干扰反应生成水蒸气的检验,应先用装置B中盛有的五水硫酸铜检验反应生成的水蒸气,一氧化碳和二氧化碳都能与银氨溶液反应,检验反应生成的二氧化碳和一氧化碳时,应先用盛有澄清石灰水的装置E检验二氧化碳,再用盛有银氨溶液的装置C检验一氧化碳,最后用装置G收集未反应的甲烷和一氧化碳,防止污染环境,则装置的连接顺序为A→F→D→B→E→C→G。
【详解】
(1)由图可知,仪器a为圆底烧瓶;装置A中发生的反应为三碳化四铝固体与稀盐酸反应生成甲烷和氯化铝,反应的化学方程式为Al4C3+12HCl=3CH4↑+4AlCl3,故答案为:圆底烧瓶;Al4C3+12HCl=3CH4↑+4AlCl3;
(2)由分析可知,实验时,按气流方向各装置从左到右的连接顺序为A→F→D→B→E→C→G,故答案为:B、E、C;
(3)由题给方程式可知,一氧化碳与银氨溶液反应有单质银生成,则气体产物中含CO时装置C中可观察到的现象是试管内有黑色固体生成;由分析可知,装置F中盛有的碱石灰用于吸收甲烷气体中混有的氯化氢和水蒸气,防止氯化氢和水蒸气干扰实验,故答案为:试管内有黑色固体生成;除去CH4中的HCl气体和水蒸气;
(4) ①反应生成的红色固体可能是铜或氧化亚铜或两者的混合物,铜与稀硫酸不能反应,由题给资料可知,氧化亚铜能与稀硫酸反应生成硫酸铜、铜和水,则证明红色固体中含有氧化亚铜的实验操作为取少量红色固体,加入适量稀硫酸,若溶液变为蓝色,则证明红色固体中含有氧化亚铜,故答案为:取少量红色固体,加入适量稀硫酸,若溶液变为蓝色,则证明红色固体中含有Cu2O;
②由红色固体为单质,且产物中含碳氧化物的物质的量之比为1:1可知,甲烷和氧化铜共热反应生成铜、一氧化碳、二氧化碳和水,反应的化学方程式为2CH4+7CuO7Cu+CO+CO2+4H2O,故答案为:2CH4+7CuO7Cu+CO+CO2+4H2O。
5.FeS溶解度更小 4Fe2++O2+4H+=4Fe3++2H2O Fe3++3SCN—=Fe(SCN)3 实验ii中加入少量KSCN溶液无现象,通人一-段时间O2,溶液变为浅红色 无明显现象 取褪色后的溶液滴加KSCN溶液
【详解】
(1)离子反应向着离子浓度更小的方向进行,由黑色沉淀的主要成分是硫化亚铁可知,硫化亚铁的溶解度小于氢氧化亚铁,生成硫化亚铁的反应更容易发生,故答案为:FeS溶解度更小;
(2步骤ⅱ中发生的反应为酸性条件下,通入的氧气与溶液中的亚铁离子反应生成铁离子和水,反应生成的铁离子与溶液中硫氰酸根离子反应生成硫氰化铁,使溶液变为浅红色,反应的离子方程式为4Fe2++O2+4H+=4Fe3++2H2O、Fe3++3SCN—=Fe(SCN)3,故答案为:4Fe2++O2+4H+=4Fe3++2H2O;Fe3++3SCN—=Fe(SCN)3;
(3)由实验ii中加入少量KSCN溶液无现象,通人一-段时间O2,溶液变为浅红色可知,氧气与溶液中亚铁离子反应,与硫氰酸根离子不反应,则步骤ⅲ中溶液褪色一定不是硫氰酸根离子被氧气氧化的原因造成的,故答案为:实验ii中加入少量KSCN溶液无现象,通人一-段时间O2,溶液变为浅红色;
(4)若假设c成立,实验ⅲ中褪色后溶液中一定存在铁离子,不存在硫氰酸根离子,向褪色后溶液中滴加氯化铁溶液,不可能生成硫氰化铁,溶液不可能变为浅红色;向褪色后溶液中滴加滴加KSCN溶液,会有硫氰化铁生成,溶液会变为红色,故答案为:无明显现象;取褪色后的溶液滴加KSCN溶液。
6.防止冷却后的S的固体进入导管,将导管堵塞 ③①② 80%
【详解】
(1)由题干信息可知,反应中生成了易升华的硫单质,故装置中玻璃纤维的作用是防止冷却后的S的固体进入导管,将导管堵塞,故答案为:防止冷却后的S的固体进入导管,将导管堵塞;
(2)乙烯脱除烟气中SO2反应中含有CO2气体,还可能含有乙烯或SO2,SO2也能使澄清石灰水变浑浊、造成干扰,乙烯或SO2均能与Br2、酸性KMnO4溶液反应而除去,但酸性KMnO4可将CH2=CH2氧化为CO2,所以CH2=CH2不能用酸性KMnO4溶液除去、而只能用Br2除去,故为检验CO2,则装置Ⅱ、Ⅲ、Ⅳ中盛放的试剂依次是Br2的CCl4溶液、酸性KMnO4溶液、澄清石灰水,故答案为:③①②;
(3)已知过程中发生的反应方程式分别有:Fe2O3+6HCl=2FeCl3+3H2O,2FeCl3+2KI=2KCl+I2+2FeCl2,I2+2Na2S2O3=Na2S4O6+2NaI,故有:Fe2O3~2FeCl3~ I2~2Na2S2O3,故n(Fe2O3)=n(Na2S2O3)=×0.10mol·L-1×20.00×10-3L=10-3mol,故Fe2O3%==80%,故答案为:80%。
7.+4 加入Na2S溶液,无明显现象;再加入稀硫酸,产生淡黄色浑浊 稀硫酸 2H++S2-=H2S↑
【详解】
(1)Na2SO3中Na是+1价,O是-2价,根据化合价代数和为0可知硫元素的化合价是+4价,属于S元素的中间价态,既具有氧化性,又具有还原性。
(2)实验ⅰ中紫色褪去,变为无色,说明高锰酸钾被还原,反应的离子方程式是。
(3)-2价硫元素易被氧化为单质硫,则实验ⅱ中,能说明Na2S在酸性条件下被氧化的实验现象是加入Na2S溶液,无明显现象;再加入稀硫酸,产生淡黄色浑浊。
(4)①假设b:空气中存在O2,在酸性条件下氧气能把硫化钠氧化为单质硫,反应的离子方程式为;
②若证明硫酸根离子能否氧化硫化钠,只需要向硫化钠溶液中加入稀硫酸即可,实验方案是向Na2S溶液中加入稀硫酸,产生有臭鸡蛋气味的气体,溶液未变浑浊,说明酸性溶液中硫酸根离子不能氧化硫离子,生成的气体是硫化氢,则离子方程式为2H++S2-=H2S↑。
(5)根据以上分析可知酸性溶液中亚硫酸根离子能氧化硫离子,反应的离子方程式为。
8.NO+NO2+CO=2NO+CO2 无色酚酞试液 溶液变成浅红色 AgNO3溶液和NaNO2溶液的相对用量 向AgNO3溶液中逐滴滴加NaNO2溶液,先有白色沉淀生成,后沉淀逐渐溶解 2NO+2I-+4H+=2NO↑+I2+2H2O 取2mL0.1mol/LNaNO3溶液于试管中,加2mL0.1mol/L KI溶液(含淀粉),再滴加三滴1mol/L硫酸溶液,溶液没有变蓝
【分析】
由实验装置图可知,制备亚硝酸钠时,先向盛有碳酸钠溶液的三颈烧瓶中通入一段时间氮气,排尽装置中的空气后,再通入一氧化氮和二氧化氮混合气体,一氧化氮和二氧化氮在碳酸钠溶液中反应生成亚硝酸钠和二氧化碳,盛有酸性高锰酸钾溶液的洗气瓶用于吸收一氧化氮,防止污染空气。
【详解】
(1)由分析可知,一氧化氮和二氧化氮在碳酸钠溶液中反应生成亚硝酸钠和二氧化碳,反应的离子方程式为NO+NO2+CO=2NO+CO2。
(2)若亚硝酸为弱酸,亚硝酸钠会在溶液中水解使溶液呈碱性,则向亚硝酸钠溶液中滴加酚酞试液,若溶液会变成浅红色,说明亚硝酸为弱酸;
(3)由实验现象可知,向NaNO2溶液中滴加AgNO3溶液时,先没有白色沉淀生成,后有白色沉淀生成,说明白色沉淀的生成与AgNO3溶液和NaNO2溶液的相对用量;
(4)由实验现象可知,向NaNO2溶液中滴加AgNO3溶液时,先没有白色沉淀生成,后有白色沉淀生成,则向AgNO3溶液中滴加NaNO2溶液时,先有白色沉淀生成,后沉淀逐渐溶解说明白色沉淀的生成与AgNO3溶液和NaNO2溶液的相对用量有关;
(5)由实验现象可知,向亚硝酸钠溶液中滴加淀粉碘化钾溶液无明显现象,滴加稀硫酸后,溶液变蓝色,有无色气体生成,说明酸性条件下,亚硝酸钠溶液与碘化钾溶液发生氧化还原反应生成硫酸钠、硫酸钾、碘、一氧化氮和水,反应的离子方程式为2NO+2I-+4H+=2NO↑+I2+2H2O;
(6)由题意可知,一氧化氮和二氧化氮在碳酸钠溶液中反应生成亚硝酸钠和二氧化碳时,可能生成硝酸钠,则设计酸性条件下,硝酸钠溶液与碘化钾溶液没有碘生成的实验,可以说明酸性条件下,只有亚硝酸钠溶液与碘化钾溶液发生氧化还原反应,故可以进行以下操作:取2mL 0.1mol/L NaNO3溶液于试管中,加2mL 0.1mol/L KI溶液(含淀粉),再滴加三滴1mol/L硫酸溶液,溶液没有变蓝。
9.分液漏斗 液柱高度保持不变 c 有浅黄色沉淀生成 Ⅲ SO2+Cl2+2H2O=4H++2Cl-+SO 防止倒吸 NaOH
【分析】
装置A制备二氧化硫,装置B通过观察产生气泡的多少判断SO2生成的快慢,装置C和D检验二氧化硫的性质,装置E起安全瓶作用,装置F尾气处理,据此解答。
【详解】
(1)盛装70% H2SO4溶液的仪器名称为分液漏斗;仪器组装完成后,关闭两端活塞,向装置B的长颈漏斗内注入液体至形成段液柱,如果长颈漏斗中液柱高度保持不变,则证明该装置气密性良好;
(2)SO2和水反应生成亚硫酸,为防止SO2溶解,应该选取饱和NaHSO3溶液,NaOH溶液、饱和NaHCO3溶液都可以吸收二氧化硫,所以不能选取abd,故答案为:c;
(3)C试管中的试剂可以验证SO2的氧化性,则Na2S作还原剂,被SO2氧化生成难溶性的S单质,所以看到的现象是有浅黄色沉淀生成;
(4)D中SO2和Cl2在水溶液中发生氧化还原反应生成HCl、H2SO4,离子方程式为:SO2+Cl2+2H2O=4H++2Cl-+SO;为验证二氧化硫的还原性,充分反应后,SO2被氧化生成SO,只要证明溶液中含有SO即可。
方案I:向第一份溶液中加入AgNO3溶液,溶液中含有Cl-,因此一定有白色沉淀生成;
方案Ⅱ:向第二份溶液中加入品红溶液,红色褪去,说明溶液中含有HClO或SO2;
方案Ⅲ:向第三份溶液中加入BaCl2溶液,产生白色沉淀,说明溶液中含有SO,
故选Ⅲ;
(5)缓冲装置能防止倒吸,E装置有缓冲作用而能防止倒吸;SO2有毒且为酸性氧化物,所以不能直接排空,要用碱性溶液吸收,常用NaOH溶液吸收二氧化硫。
10.a c d e 干燥管 碱石灰 吸收氢气中的水和HCl气体 CBAD Na2O2 + H22NaOH 玻璃棒 蒸发结晶 偏小
【分析】
Ⅰ.为推测Na2O2与H2能反应,首选要制得氢气,A为氢气的制备装置,实验室用锌与稀盐酸反应制氢气,制得的氢气中含氯化氢气体、水蒸气,用B碱石灰吸收,C是Na2O2与H2的反应装置,D检验其产物是否有水生成。
Ⅱ.样品加入盐酸,充分反应后加水溶解,将溶液转移到蒸发皿中进行蒸发操作,根据氯化钠的质量确定含量。
【详解】
Ⅰ. (1)能随开随停的装置符合启普发生器装置的原理,利用干燥管仪器结构特征,关闭导气管上的活塞,生成的气体可以把干燥管内溶液压入烧杯,据此选择仪器为:a c d e,故答案为:a c d e;
(2) B装置的名称是干燥管,里面所盛放的试剂是碱石灰,可起到吸收氢气中的水和氯化氢的作用,故答案为:干燥管;碱石灰;吸收氢气中的水和HCl气体;
(3)步骤中的必要操作为打开K1、K2,然后检查氢气的纯度,加热至Na2O2逐渐熔化,反应一段时间,停止加热,充分冷却,最后关闭K1、K2,正确的顺序是:CBAD,故答案为:CBAD;
(4)由上述实验可推出Na2O2与H2反应的化学方程式为Na2O2 + H22NaOH,故答案为:Na2O2 + H22NaOH;
Ⅱ.样品加入盐酸,充分反应后加水溶解,将溶液转移到蒸发皿中进行蒸发操作,根据氯化钠的质量确定含量,
①操作1是溶解搅拌,需用玻璃棒,操作2为蒸发结晶,即转移到蒸发皿中加热蒸发结晶得到氯化钠固体,
故答案为:玻璃棒;蒸发结晶;
②涉及反应为NaOH + HCl = NaCl + H2O,可知40 g NaOH可生成58.5 g NaCl,2Na2O2 + 4HCl = 4NaCl + 2H2O + O2,可知78 g Na2O2可生成117 g NaCl,则含有Na2O2越多,得到NaCl质量越大,而在转移溶液时,若溶液转移不完全,将导致NaCl质量偏小,则测得的Na2O2质量分数偏小。
故答案为:偏小。
【点睛】
本题考查物质的含量测定,为高考常见题型和高频考点,考查学生的实验设计能力,题目难度中等,做题时注意把握实验基本操作知识。
11.C→D→B D装置中CuO由黑色变成红色 O=C=O CoC2O4·2H2OCoO+CO↑+CO2↑+2H2O 2Co(OH)2+H2O2===2Co(OH)3 2Co(OH)3+6H++2Cl-===Cl2↑+2Co2++6H2O Co(OH)3、Cl2、Co(OH)2或Co(OH)3>Cl2>Co(OH)2
【分析】
Ⅰ. (1)装置A中草酸钴受热分解,生成的气体通过装置E中浓硫酸吸收水蒸气,通过装置C中碱石灰吸收生成的二氧化碳,通过装置D验证生成的一氧化碳,一氧化碳和氧化铜反应生成红色铜,剩余CO用装置B吸收;
(3)根据原子守恒进行计算;
Ⅱ. 根据已知信息和现象确定反应物、生成物,根据得失电子守恒、电荷守恒、元素守恒配平方程式,根据氧化性强弱规律分析。
【详解】
Ⅰ.(1)装置A中草酸钴受热分解,生成的气体通过装置E中浓硫酸吸收水蒸气,通过装置C中碱石灰吸收生成的二氧化碳,通过装置D验证生成的一氧化碳,一氧化碳和氧化铜反应生成红色铜,剩余CO用装置B吸收,则为探究草酸钴的热分解产物,按气体流动方向,各装置的连接顺序为:A→E→C→D→B;
(2)一氧化碳具有还原性,能还原氧化铜生成红色铜,根据实验装置和过程分析可知,能验证分解产物中有CO的实验现象是:装置D中氧化铜由黑色变成红色;
(3)5.49g CoC2O4•2H2O物质的量=,等到硬质玻璃管中加热至恒重,冷却、称量,剩余固体的质量为2.25g,球形干燥管增重1.32g为吸收的二氧化碳,物质的量,其结构式为O=C=O,由碳元素守恒得到生成CO物质的量0.03mol;生成钴的氧化物中钴元素物质的量0.03mol,质量是0.03mol×59g/mol=1.77g,则氧元素的质量是2.25g-1.77g=0.48g,物质的量是0.03mol,所以氧化物为CoO,生成水物质的量0.04mol,结合原子守恒配平书写化学方程式:CoC2O4•2H2OCoO+CO2↑+CO↑+2H2O;
Ⅱ.实验2. CoSO4溶液(粉红色),滴加0.1mol·L-1NaOH溶液,生成粉红色沉淀为Co(OH)2(粉红色),将该沉淀分成两份,一份中加入3%的H2O2溶液,粉红色沉淀立即变为棕褐色,说明Co(OH)2被氧化为Co(OH)3(棕褐色),反应的化学方程式为:2Co(OH)2+H2O2===2Co(OH)3;
实验3. 向实验2得到的棕褐色沉淀中滴加浓盐酸,固体逐渐溶解,并有黄绿色气体产生,说明生成了氯气,发生了氧化还原反应,Co(OH)3氧化氯离子生成氯气,反应的化学方程式:2Co(OH)3+6H++2Cl-===Cl2↑+2Co2++6H2O;
实验4. 取另一份实验1中所得的粉红色沉淀,滴加浓盐酸,粉红色沉淀溶解,未见气体生成,说明Co(OH)2不具有氧化性,不能氧化氯离子生成氯气,氧化还原反应中,氧化剂的氧化性大于氧化产物的氧化性,则酸性条件下,Cl2、Co(OH)2、Co(OH)3的氧化能力由大到小的顺序是:Co(OH)3>Cl2>Co(OH)2。
【点睛】
本题的难点是第(3)问的计算,利用质量守恒和原子之间的定量比进行计算,确定钴的氧化物的化学式。
12.防止倒吸(或安全瓶的作用) Fe2O3+6H+=2Fe3++3H2O KSCN 2NaOH+2NO2=NaNO3+NaNO2+H2O B 4Fe(NO3)3 2Fe2O3+12NO2↑+3O2↑ CH4-8e-+10OH-=+7H2O 正极 变小 1.6g
【详解】
(1)由实验装置图中装置B中两导管均未插入集气瓶底部,且A中有加热装置,故其的作用是防止倒吸(或安全瓶的作用),故答案为:防止倒吸(或安全瓶的作用);
(2)①取该固体少量于洁净试管内加入盐酸,固体溶解成棕黄色溶液,即Fe2O3与盐酸的反应,故该反应的离子方程式为:Fe2O3+6H+=2Fe3++3H2O,故答案为:Fe2O3+6H+=2Fe3++3H2O;
②由①可知棕黄色溶液含有Fe3+,故滴入KSCN(填化学式)溶液,溶液变为血红色,故答案为:KSCN;
(3)由装置B中红棕色气体为NO2,又知C装置中生成了NaNO3和NaNO2,故该反应的化学反应方程式为:2NaOH+2NO2=NaNO3+NaNO2+H2O,从实验中已知反应生成了Fe2O3和NO2,再根据氧化还原反应中有化合价的降低必然有化合价的升高,故产物还有O2,而NO2已经被NaOH溶液完全吸收,最后用排水法收集到少量无色气体主要为O2,还有少量装置中原有的N2,故B符合题意;故答案为:2NaOH+2NO2=NaNO3+NaNO2+H2O;B;
(4)通过以上实验,反应生成了Fe2O3和NO2,再根据氧化还原反应中有化合价的降低必然有化合价的升高,故产物还有O2,故写出Fe(NO3)3受热分解的化学反应方程式:4Fe(NO3)32Fe2O3+12NO2↑+3O2↑,故答案为:4Fe(NO3)32Fe2O3+12NO2↑+3O2↑;
Ⅱ:要写出负极的电极方程式可以先写出总反应式为:CH4+2O2+2OH-=+3H2O,和正极反应式:2O2+8e-+4H2O=8OH-,用总反应式减去正极反应式就是负极的电极方程式,故为:CH4-8e-+10OH-=+7H2O;燃料电池中通燃料的一极为负极,通氧气等氧化剂的一极是正极,故电池放电时通入空气的电极为正极;根据原电池总反应式可知,反应消耗OH-,故电解质溶液的pH变小;由负极反应式可知,每消耗1molCH4需转移8mole-,故每转移0.8mol电子消耗0.1mol×16g/mol=1.6gCH4,故答案为:CH4-8e-+10OH-=+7H2O;正极,变小,1.6。
13.Cu+4H++2=Cu2++2NO2↑+2H2O 球形干燥管 除去生成NO2气体中混有的水蒸气 Na2O2+2NO2=2NaNO3 将装置中的空气排出 b a 3:5 取D装置中产物少许,加入稀盐酸,产生红棕色气体
【分析】
装置A中是铜与浓硝酸发生氧化还原反应生成硝酸铜、二氧化氮、水,B装置中收集二氧化氮,C装置防止倒吸;将B中的气体加入过氧化钠,由于二氧化氮气体中混有水蒸气,过氧化钠与水反应也能释放出氧气,使带火星的木条复燃,故乙同学改进装置,在A、B之间应增加一个干燥装置,得出结论1正确;验证NO易与O2发生反应,应该更易被Na2O2氧化的实验,先通入氮气排尽装置中的氧气,A中的铜与浓硝酸反应生成二氧化氮,进入B装置中,B装置中产生出大量一氧化氮气体,经过C装置的干燥,进入D装置与过氧化钠反应,E中加入干燥剂防止空气中的气体进入,用酸性高锰酸溶液吸收多余的一氧化氮,由此分析。
【详解】
(1)①试管A中铜和浓硝酸反应,其离子方程式是Cu+4H++2NO3-=Cu2++2NO2↑+2H2O;
②待试管B中充满红棕色气体,关闭旋塞a和b;取下试管B;向其中加入适量Na2O2粉末,塞上塞子,轻轻振荡试管内粉末,观察到红棕色气体迅速消失;再将带火星的木条迅速伸进试管内,木条复燃;
③仪器C兼有防倒吸的作用,仪器C为球形干燥管;
(2)乙同学认为甲同学设计的实验存在缺陷,为达到实验目的,在A、B之间应增加一个装置,该装置的作用是除去NO2气体中混有的水蒸气,防止其干扰实验。乙同学用改进后的装置,重复了甲同学的实验操作,观察到红棕色气体迅速消失;带火星的木条未复燃。使带火星的本条复燃的氧气是水蒸气与过氧化钠反应得到,由此得出结论:假设1正确,NO2和Na2O2反应的化学方程式是Na2O2+2NO2=2NaNO3;
Ⅱ.该研究性学习小组同学还认为NO 易与O2发生反应,应该更易被Na2O2氧化。查阅资料:2NO+Na2O2=2NaNO2;2NaNO2+2HCl=2NaCl+NO2↑+NO↑+H2O;酸性条件下,NO 能与MnO4-反应生成NO3-和Mn2+;
(3)①在反应前,打开弹簧夹,通入一段时间N2,目的是将装置中的空气排出,防止氧气干扰实验;
②B中观察到的主要现象是铜片逐渐溶解,溶液变为蓝色,有无色气泡产生,不能观察到的现象选b;
③无水硫酸铜通常用于检验水,不用于吸收水,所以C、E 中所盛装的试剂不能是a;
④F中发生的是一氧化氮与酸性高锰酸钾溶液的反应,其中的氧化剂高锰酸根被还原生成+2价锰离子,锰元素的化合价降低了5价,还原剂NO被氧化成硝酸根,氮元素的化合价升高了3价,根据得失电子守恒可知,氧化剂与还原剂的物质的量之比为3:5;
⑤由题中信息可知,2NaNO2+2HCl=2NaCl+NO2↑+NO↑+H2O。因此,检验D装置中产物的方法是:取D装置中产物少许,加入稀盐酸,产生红棕色气体,则产物是NaNO2。
【点睛】
根据得失电子守恒可知,氧化剂与还原剂的物质的量之比为3:5是难点。
14.该反应是放热反应 2NO+O2=2NO2 8Al+3NO+5OH-+2H2O=3NH3↑+8AlO 铝表面有一层氧化铝薄膜,氧化铝既能和强酸反应又能和强碱反应 OH-
【分析】
硝酸具有强氧化性,与铝反应不能生成氢气,向题给无色溶液中加入铝粉后,只产生H2,说明溶液中一定不含有氢离子,一定含有氢氧根,含有钠离子和钾离子中的一种或两种,可能含有硝酸根。
【详解】
(1)向铝粉中加入盐酸和硝酸钠溶液,实验初始,未见明显现象说明铝粉表面的氧化铝先与盐酸反应,由过一会儿,出现气泡,液面上方出现浅棕色气体说明铝粉与硝酸反应生成氮的氧化物,由试管变热,溶液沸腾可知,铝与硝酸的反应为放热反应;
①由试管变热,溶液沸腾可知,铝与硝酸的反应为放热反应,故答案为:该反应是放热反应;
②实验1将湿润KI-淀粉试纸置于空气中未变蓝,说明KI在空气中不能被氧化,实验2用湿润KI-淀粉试纸检验浅棕色气体试纸变蓝,说明KI被氧化生成碘单质,浅棕色气体中一定含有二氧化氮,二氧化氮与水反应生成硝酸,硝酸将碘离子氧化生成单质碘,则浅棕色气体为一氧化氮和二氧化氮的混合气体,气体变为浅棕色的原因是一氧化氮被空气中的氧气氧化生成二氧化氮,反应的化学方程式为2NO+O2=2NO2,故答案为:2NO+O2=2NO2;
(2)向铝粉中加入氢氧化钠溶液,实验初始,未见明显现象说明铝粉表面的氧化铝先与氢氧化钠溶液反应,过一会儿,出现气泡,有刺激性气味,由用湿润KI—淀粉试纸检验,未变蓝可知刺激性气味气体不是氮的氧化物,由用湿润红色石蕊试纸检验,试纸变蓝可知刺激性气味气体为氨气,由上述分析可知,碱性条件下Al与NO3—发生氧化还原反应生成氨气,反应的离子方程式为8Al+3NO3—+5OH-+2H2O=3NH3↑+8AlO2—,故答案为:8Al+3NO3—+5OH-+2H2O=3NH3↑+8AlO2—;
(3)由以上分析可知甲、乙两位同学设计的实验初始时均未见明显现象的原因是铝表面有一层氧化铝薄膜,氧化铝是两性氧化物,既能和强酸反应又能和强碱反应,先与盐酸和氢氧化钠溶液反应,故答案为:铝表面有一层氧化铝薄膜,氧化铝既能和强酸反应又能和强碱反应;
(4)根据以上实验分析,如果溶液中有H+,OH-和NO3-均不能大量存在,溶液中没有阴离子,是不符合客观规律的;若溶液中存在大量的OH-,根据分析,NO3-不能大量存在,则该溶液中一定大量存在的离子是OH-,钠离子和钾离子中的一种或两种,可能含有硝酸根,故答案为:OH-。
【点睛】
实验2用湿润KI-淀粉试纸检验浅棕色气体试纸变蓝,说明KI被氧化生成碘单质,浅棕色气体中一定含有二氧化氮,二氧化氮与水反应生成硝酸,硝酸将碘离子氧化生成单质碘,则浅棕色气体为一氧化氮和二氧化氮的混合气体为分析解答关键,也是易错点。
15.BD 吸收CO2气体 F中黑色CuO变成光亮的红色,G中澄清石灰水变浑浊 两支试管中紫色KMnO4溶液均褪色,乙试管中溶液褪色较快 MnSO4(Mn2+)是此反应的催化剂,加入催化剂可以使化学反应速率加快 2+5H2C2O4+6H+=10CO2↑+2Mn2++8H2O 酸式 33.5%
【分析】
(1)电离常数越大其酸性越强,根据强酸制取弱酸判断;
(2)氢氧化钠是碱能吸收酸性氧化物;一氧化碳具有还原性,二氧化碳能使澄清石灰水变浑浊;
(3)高锰酸钾具有氧化性,能氧化还原性物质,硫酸锰具有催化作用,加快反应速率;
(4)①酸式滴定管能量取酸性溶液;
②根据高锰酸钾计算草酸钠的纯度。H2C2O4+=+
【详解】
(1)根据电离常数知酸性强弱顺序是:H2C2O4>>H2CO3>,根据强酸制取弱酸知草酸和碳酸根离子反应生成草酸根离子和二氧化碳,草酸氢根离子和碳酸根离子反应生成碳酸氢根离子和草酸根离子,故选BD;
(2)氢氧化钠是强碱能吸收酸性氧化物二氧化碳,一氧化碳具有还原性,能还原黑色的氧化铜生成红色的铜,同时自身被氧化生成二氧化碳,二氧化碳使澄清的石灰水变浑浊,所以看到的现象是:F中黑色CuO变成光亮的红色,G中澄清石灰水变浑浊,
故答案为:吸收CO2气体;F中黑色CuO变成光亮的红色,G中澄清石灰水变浑浊;
(3)看到的现象是两支试管中紫色KMnO4溶液均褪色,乙试管中溶液褪色较快;通过对比实验知,硫酸锰是该反应的催化剂,加入催化剂能加快反应速率;该反应中高锰酸根离子被还原生成锰离子,草酸被氧化生成二氧化碳,离子反应方程式为:2+5H2C2O4+6H+=10CO2↑+2Mn2++8H2O;
故答案为:两支试管中紫色KMnO4溶液均褪色,乙试管中溶液褪色较快;MnSO4(Mn2+)是此反应的催化剂,加入催化剂可以使化学反应速率加快;2+5H2C2O4+6H+=10CO2↑+2Mn2++8H2O;
(4)①高锰酸钾溶液呈酸性且具有强氧化性,易腐蚀橡胶,应该用酸式滴定管量取,故答案为:酸式;
②设草酸钠的质量分数为x,
x=×100%=33.5%,
答:草酸钠的质量分数为33.5%。
故答案为:33.5%;
【点睛】
本题考查弱电解质的电离、探究物质的组成及含量的测定等知识点,计算量较大,会根据实验现象确定物质的组成,难度中等。
相关试卷
这是一份2022届高三化学一轮复习实验专题强基练18定量型综合实验探究评价提高题含解析,共33页。
这是一份2022届高三化学一轮复习实验专题强基练3物质的性质实验探究新题快练含解析,共35页。试卷主要包含了亚硝酸钠是一种常见的食品添加剂等内容,欢迎下载使用。
这是一份2022届高三化学一轮复习实验专题强基练2物质的性质实验提高题含解析,共29页。试卷主要包含了亚硝酸钠是一种常见的食品添加剂等内容,欢迎下载使用。

