北京专版中考化学基础复习专项突破四科学探究之二氧化碳制取和性质探究练习
展开专项突破(四) 科学探究之二氧化碳制取和性质探究
1.[2017·房山二模] 同学们利用如下装置制备二氧化碳,同时在探究二氧化碳与水是否发生反应时, 出现意想不到的现象。请你一起参与研究。
实验内容 | 实验操作 | 实验现象 | ||
实验一 | 制备二氧化碳 |
| ||
实验二 | 用实验一制得的气体探究二氧化碳与水是否发生反应 | ① | 纸花变为 红色 | |
② | 纸花不 变红 | |||
③ | 纸花变为 红色 | |||
(提示:实验中三朵纸花均为用紫色石蕊溶液染成紫色的干燥纸花)
[提出问题] ①③中纸花为什么都变红?
[猜想假设]
Ⅰ.收集的二氧化碳中含有挥发出的氯化氢;
Ⅱ.收集的二氧化碳中含有水。
[进行实验] 同学们经过认真讨论,重新设计了制备二氧化碳的装置,如图Z4-1所示。
图Z4-1
[解释与结论]
(1)实验室制二氧化碳的化学方程式为_____________________________________。
(2)二氧化碳与水发生反应的化学方程式为______________________。
(3)B中盛有饱和碳酸氢钠溶液,其目的是________________。
(4)C中药品是________。
[反思与评价]
(5)为检验产生气体为二氧化碳,可将导气管伸入盛有____________的烧杯中。
(6)另取一朵纸花放入实验三制得的二氧化碳中,若观察到________________,证明气体中的干扰物质已排除。
2.[2016·房山一模]
图Z4-2
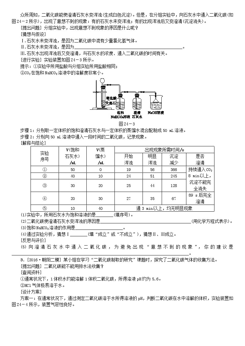
众所周知,二氧化碳能使澄清石灰水变浑浊(生成白色沉淀)。但是,在分组实验中,向石灰水中通入二氧化碳(如图Z4-2所示),出现了意想不到的现象:有的石灰水未变浑浊;有的出现浑浊后又变澄清(沉淀消失)。
[提出问题] 分组实验中,出现意想不到现象的原因是什么呢?
[猜想与假设]
Ⅰ.石灰水未变浑浊,是因为二氧化碳中混有少量氯化氢气体。
Ⅱ.石灰水未变浑浊,是因为__________________________________________________。
Ⅲ.石灰水出现浑浊后又变澄清,与石灰水的浓度、通入二氧化碳的时间有关。
[进行实验] 实验装置如图Z4-3所示。
提示:①实验中所用盐酸与分组实验所用盐酸相同;
②CO2在饱和NaHCO3溶液中的溶解度非常小。
图Z4-3
步骤1:分别取一定体积的饱和澄清石灰水与一定体积的蒸馏水混合配制成50 mL溶液。
步骤2:分别向50 mL溶液中通入一段时间的二氧化碳,记录现象。
[解释与结论]
实验 序号 | V(饱和 石灰水) /mL | V(蒸 馏水) /mL | 出现现象所需时间/s | |||
开始 浑浊 | 明显 浑浊 | 沉淀 减少 | 是否 澄清 | |||
① | 50 | 0 | 19 | 56 | 366 | 持续通入CO2 8 min以上,沉淀不能完全消失 |
② | 40 | 10 | 24 | 51 | 245 | |
③ | 30 | 20 | 25 | 44 | 128 | |
④ | 20 | 30 | 27 | 35 | 67 | 89 s后完全 澄清 |
⑤ | 10 | 40 | 通3 min以上,均无明显现象 | |||
(1)实验中,所用石灰水为饱和溶液的是________(填序号)。
(2)二氧化碳使澄清石灰水变浑浊的原因是__________________________________________(用化学方程式表示)。
(3)饱和NaHCO3溶液的作用是______________________。
(4)通过实验分析,猜想Ⅰ________(填“成立”或“不成立”),猜想Ⅱ、Ⅲ成立。
[反思与评价]
(5)向澄清石灰水中通入二氧化碳,为避免出现“意想不到的现象”,你的建议是__________________________________________________________________________________。
3.[2016·朝阳二模] 某小组在学习“二氧化碳制取的研究”课题时,探究了二氧化碳气体的收集方法。
[提出问题] 二氧化碳能不能用排水法收集?
[查阅资料]
①通常状况下,1体积水约能溶解1体积二氧化碳,所得溶液pH约为5.6。
②HCl气体极易溶于水。
[设计方案]
方案一:在通常状况下,通过测定二氧化碳溶于水所得溶液的pH,判断二氧化碳在水中溶解的体积,实验装置如图Z4-4所示,装置气密性良好。
图Z4-4
(1)实验前,K1、K2、K3均关闭。实验时,需先将甲装置中的空气排尽,其操作是________________,打开活塞,滴加足量稀盐酸,关闭活塞。检验空气已排尽的方法是____________________________________________________。
(2)关闭K1,打开K2、K3。待丙装置中收集半瓶气体时,关闭K2和K3,充分振荡丙装置,然后用pH计测得如下数据:
物质 | 丙装置中溶液 | 丁装置中溶液 |
pH | 5.60 | 6.50 |
分析可知,丙装置所溶解二氧化碳的体积________(填“大于”“小于”或“等于”)丁装置溶解二氧化碳的体积。
(3)实验中,若没有乙装置,则测出的溶液pH会________(填“偏大”或“偏小”)。
方案二:在通常状况下,用氧气测量仪分别测定排空气法和排水法收集的二氧化碳气体中氧气的体积分数,测得的数据如图Z4-5所示。
图Z4-5
(4)两种方法收集的气体中二氧化碳体积分数较大的是________(填“排空气”或“排水”)法。
[反思评价]
(5)方案二中两种方法收集的二氧化碳气体中的氧气来自于________,两种方法收集的气体中二氧化碳体积分数的差值是________。
4.[2016·东城二模] 某化学兴趣小组同学探究环境温度对过氧化钠(Na2O2)与二氧化碳反应的影响。
[猜想与假设]
1.过氧化钠与二氧化碳在湿度较小的条件下不反应,只在湿度较大的条件下反应。
2.过氧化钠与二氧化碳在湿度较小和湿度较大的条件下均能反应。
[查阅资料]
1.常温下,过氧化钠是淡黄色粉末。过氧化钠能与盐酸反应。
2.二氧化碳不溶于饱和碳酸氢钠溶液。
3.ppm是含量的一种表示方法。
[实验探究]
(一)实验一的步骤如下:
(1)用图Z4-6所示装置制取并收集较潮湿的二氧化碳气体。锥形瓶中反应的化学方程式为__________________________。其中饱和碳酸氢钠溶液的作用是________,此作用用化学方程式表示为______________________________________。
图Z4-6
图Z4-7
(2)如图Z4-7所示,在三口瓶瓶口分别插入湿度传感器、二氧化碳传感器、带铁丝的胶塞。
(3)待二氧化碳传感器显示二氧化碳读数稳定后,用铁丝戳破装有过氧化钠的塑料袋,使过氧化钠粉末与潮湿的二氧化碳充分接触,打开数据采集器,得到图Z4-8、图Z4-9所示图像。
图Z4-8
图Z4-9
该实验可得出的结论是________________________________________________________________________
________________________________________________________________________________________________________________________________________________。
(二)实验二的步骤如下:
(1)用图Z4-10装置制取并收集较干燥的二氧化碳气体。其中固体干燥剂的作用是________________________________________________________________________________________________________________________________________________。
图Z4-10
图Z4-11
(2)如图Z4-11所示,在三口瓶瓶口分别插入湿度传感器、二氧化碳传感器、带铁丝的胶塞。
(3)待二氧化碳传感器显示二氧化碳读数稳定后,用铁丝戳破装有过氧化钠的塑料袋,使过氧化钠粉末与较干燥的二氧化碳充分接触,打开数据采集器,得到图Z4-12、图Z4-13所示图像。
图Z4-12
图Z4-13
[结论与反思] (1)小组同学通过上述实验得出猜想________(填“1”或“2”)是正确的。
(2)分析图Z4-8中相对湿度变化的原因是________________________。
参考答案
1.(1)CaCO3+2HCl===CaCl2+CO2↑+H2O
(2)CO2+H2O===H2CO3
(3)除去氯化氢气体 (4)浓硫酸
(5)澄清石灰水
(6)纸花不变色
[解析] (3)制取二氧化碳使用了浓盐酸,浓盐酸具有挥发性,能挥发出氯化氢气体,B中盛有饱和碳酸氢钠溶液,其目的是除去浓盐酸挥发出来的氯化氢气体。(4)盐酸中含有水,因此用盐酸和石灰石制取的二氧化碳中也含有水,会影响实验,因此必须除去二氧化碳中的水,此处选择浓硫酸来除去二氧化碳中的水蒸气。(5)二氧化碳的检验是使用澄清石灰水。(6)有水和二氧化碳的情况下,小花会变红,因此如果排除了水的干扰,小花就不会变红。
2.Ⅱ.石灰水的浓度过小(或通入二氧化碳的时间过短)
(1)①
(2)Ca(OH)2+CO2===CaCO3↓+H2O
(3)除去氯化氢气体 (4)不成立
(5)所用石灰水的浓度不能太小(或用饱和的石灰水),通入二氧化碳的时间不能过短也不能过长
[解析] [猜想与假设] 石灰水的浓度过小(或通入二氧化碳的时间过短),也可以造成石灰水未变浑浊。[解释与结论] (1)根据表中数据可知,实验中,所用石灰水为饱和溶液的是①。(2)二氧化碳使澄清石灰水变浑浊的原因是Ca(OH)2+CO2===CaCO3↓+H2O。(3)饱和NaHCO3溶液的作用是除去氯化氢气体。(4)通过实验分析,猜想Ⅰ不成立。(5)向澄清石灰水中通入二氧化碳,为避免出现“意想不到的现象”,建议是所用石灰水的浓度不能太小(或用饱和的石灰水),通入二氧化碳的时间不能过短也不能过长。
3.(1)打开K1 将燃着的木条放在a口处,若木条熄灭,则空气已经排尽
(2)大于 (3)偏小 (4)排水 (5)空气 15.7%
4.[实验探究] (一)(1)CaCO3+2HCl===CaCl2+CO2↑+H2O 吸收氯化氢
HCl+NaHCO3===NaCl+CO2↑+H2O
(3)过氧化钠在湿度较大的条件下与二氧化碳能反应
(二)(1)防止空气中的水蒸气进入三口瓶
[结论与反思] (1)2 (2)过氧化钠与水能反应
中考化学二轮复习专项突破04《科学探究之二氧化碳制取和性质探究》练习题(含答案): 这是一份中考化学二轮复习专项突破04《科学探究之二氧化碳制取和性质探究》练习题(含答案),共6页。试卷主要包含了[房山一模]等内容,欢迎下载使用。
北京专版中考化学基础复习专项突破六科学探究之金属的性质练习: 这是一份北京专版中考化学基础复习专项突破六科学探究之金属的性质练习,共6页。
北京专版中考化学基础复习专项突破十一燃烧条件的探究练习: 这是一份北京专版中考化学基础复习专项突破十一燃烧条件的探究练习,共3页。

