2021年福建龙海市浮宫中学八年级上期末物理试卷
展开
这是一份2021年福建龙海市浮宫中学八年级上期末物理试卷,共15页。试卷主要包含了单项选择题,填空题,实验题,作图题,简答题,计算题等内容,欢迎下载使用。
一、单项选择题(共20小题;共80分)
1. 关于生活中的一些常识,下列数据符合事实的是
A. 家用空调的电功率约为 100 kWB. 一个苹果所受重力约为 1.2 N
C. 物理课本中一张纸的厚度约为 1 mD. 人正常步行的速度为 1.1 km/h
2. 下列光现象与其成因对应正确的是
A. 海市蜃楼——光的色散B. 雨后彩虹——光的反射
C. 水中倒影——光的折射D. 形影不离——光的直线传播
3. 声音在均匀空气里传播过程中
A. 声速逐渐减小B. 频率逐渐减小
C. 振幅逐渐减小D. 声速、频率、振幅都不变
4. 关于声现象,下列说法中正确的是
A. 超声波可以在真空中传播
B. 只要物体振动就能听到声音
C. 敲鼓时用力越大,所发声音的音调越高
D. 超声波清洗机利用超声波传递的能量来清洗物品
5. 噪声是严重影响我们生活的污染之一。下列措施中属于在产生环节控制噪声的是
A. 在学校周围植树B. 学校附近禁止汽车鸣笛
C. 教室安装隔音玻璃D. 在靠近学校的道路旁安装隔声板
6. 过春节时贴年画是我国的传统习俗。在竖直墙壁上贴长方形年画时,可利用重垂线来检查年画是否贴正。如图所示年画的长边与重垂线不平行,为了把年画贴正,则下列操作方法中正确的是
A. 换用质量更大的重锤
B. 上下移动年画的位置
C. 调整年画,使年画的长边与重垂线平行
D. 调整重垂线,使重垂线与年画的长边平行
7. 关于镜面反射和漫反射,下面说法中不正确的是
A. 无论镜面反射还是漫反射,对应一条入射光线,只有一条反射光线
B. 镜面反射的每一条光线都遵循光的反射规律
C. 漫反射中有些光线不遵循光的反射规律
D. 入射光线彼此平行时,漫反射后的反射光线彼此不平行
8. 关于力和运动,下列说法正确的是
A. 参加三级跳远比赛时,快速助跑是为了增大惯性
B. 用力推桌子,桌子静止不动,因推力等于摩擦力,这两个力是一对相互作用力
C. 在操场跑步,匀速跑过弯道时人受到非平衡力
D. 踢球时,只要脚对球施加的力大小相同,其作用效果一定相同
9. 下列关于质量的说法中正确的是
A. 水结成冰后质量变大了
B. 物理书在北京和上海的质量是一样的
C. 1 kg 的棉花比 1 kg 的铁块质量小
D. 将铁块压成铁饼,质量减小了
10. 松开手后一只苹果正在下落,这个过程中每隔相等时间曝光一次所拍摄的照片(即频闪照片)如图所示。从图中可以判断苹果
A. 速度不变B. 减速直线运动C. 匀速直线运动D. 加速直线运动
11. 把一副眼镜放在太阳光下,在地面上看到如图所示的情形,关于该眼镜镜片的类型和可以矫正的视力缺陷,下列说法正确的是
A. 凹透镜,可以矫正远视眼B. 凹透镜,可以矫正近视眼
C. 凸透镜,可以矫正远视眼D. 凸透镜,可以矫正近视眼
12. 不同物体吸收太阳辐射能力不同,小明认为它可能与物体的颜色有关,于是,他将几个完全相同的物体涂上不同颜色放在太阳底下,测出相同时间内物体升高的温度。就“他将几个完全相同的物体涂上不同颜色放在太阳底下,测出相同时间内物体升高的温度。”这一环节而言,属于科学探究中的
A. 提出问题B. 猜想假设C. 进行实验D. 分析论证
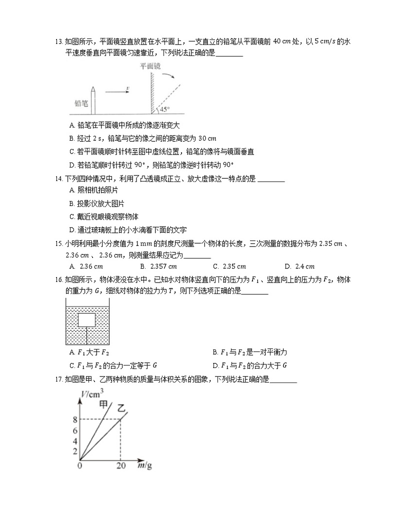
13. 如图所示,平面镜竖直放置在水平面上,一支直立的铅笔从平面镜前 40 cm 处,以 5 cm/s 的水平速度垂直向平面镜匀速靠近,下列说法正确的是
A. 铅笔在平面镜中所成的像逐渐变大
B. 经过 2 s,铅笔与它的像之间的距离变为 30 cm
C. 若平面镜顺时针转至图中虚线位置,铅笔的像将与镜面垂直
D. 若铅笔顺时针转过 90∘,则铅笔的像逆时针转动 90∘
14. 下列四种情况中,利用了凸透镜成正立、放大虚像这一特点的是
A. 照相机拍照片
B. 投影仪放大图片
C. 戴近视眼镜观察物体
D. 通过玻璃板上的小水滴看下面的文字
15. 小明利用最小分度值为 1 mm 的刻度尺测量一个物体的长度,三次测量的数据分布为 2.35 cm 、 2.36 cm 、 2.36 cm,则测量结果应记为
A. 2.36 cm B. 2.357 cm C. 2.35 cm D. 2.4 cm
16. 如图所示,物体浸没在水中。已知水对物体竖直向下的压力为 F1 、竖直向上的压力为 F2,物体的重力为 G,细线对物体的拉力为 T,则下列选项正确的是
A. F1 大于 F2B. F1 与 F2 是一对平衡力
C. F1 与 F2 的合力一定等于 GD. F1 与 F2 的合力大于 G
17. 如图是甲、乙两种物质的质量与体积关系的图象,下列说法正确的是
A. 甲物质的密度为 2.5 g/cm3
B. 甲物质的密度比乙物质的密度小
C. 甲物质的密度随着质量的增大而增大
D. 相同体积的甲乙两种物质,甲的质量比乙大
18. 观察下图中的烟和小旗,关于甲乙两车相对于房子的运动情况,下列说法中正确的是
A. 甲、乙两车一定向左运动B. 甲车可能静止,乙车一定向左运动
C. 甲车可能运动,乙车一定向右运动D. 甲、乙两车一定向右运动
19. 一木块放在水平桌面上,当用 F1=10 N 的力水平向右推木块,但未推动,此时木块受到摩擦力是 f1;当再施加 F2=2 N 的力水平向左一起推木块,如图所示,此时木块处于静止状态,则木块受到摩擦力为 f2;当只撤去力 F1,则木块在水平方向受到的合力为 F;当木块只受水平向左的推力且大小为 15 N 时,木块沿水平方向做匀速直线运动,此时木块受到摩擦力为 f3。则下列说法正确的是
A. f1>10 N 水平向左B. f2=8 N 水平向右
C. F=6 N 水平向左D. f3=15 N 水平向右
20. 如图所示,用水平力 F 拉着木块 A 在水平木板上作直线运动,运动中,木块 A 受到的滑动摩擦力是 f,则木块 A 在水平方向受到的合力是
A. F B. f C. F+f D. F−f
二、填空题(共7小题;共28分)
21. 物理学中用 来反映物体运动的快慢,用 来描述物体振动的快慢。
22. 如图所示的弹簧测力计的示数是 N。
23. 一切发声体都在 ,声音靠 传播, 不能传声。
24. 当我们看到太阳刚从地平线上升起时,太阳的实际位置处于地平线的 (选填“上方”或“下方”),产生这种现象的原因是由于地面上方的空气分布不均匀,发生了 现象。
25. 把一块均匀的木块分成大小两块,大块的体积是小块体积的 2 倍。二者的质量之比为 ,密度之比为 。
26. 图中,读数时视线正确的是 (填“A”或“B”),物体的长度为 cm。
27. 如图所示,某“小车闯关游戏”的笔直通道上每隔 9 m 设有一个关卡,各关卡同步放行和关闭,放行和关闭的时间分别为 5 s 和 2 s,出发点到终点之间共有 9 个关卡,关卡刚放行时,一辆小车立即从出发点以 2 m/s 的速度匀速前进,则小车经过 s 到达关卡 1,到达终点前总共被关卡挡了 次。
三、实验题(共4小题;共58分)
28. 小明用如图甲、乙、丙的步骤探究摩擦力的大小与哪些因素有关。
(1)实验中,他应将弹簧测力计沿 方向拉动木块,使木块做 运动,并记下弹簧测力计的示数。
(2)比较步骤 可得:当接触面粗糙程度相同时,压力越大,摩擦力越大。
(3)比较步骤甲与丙可得: 。
(4)小明在实验中还发现:在木块还没有被拉动的情况下,弹簧测力计仍然有示数,且示数逐渐增大,直到拉动木块为止。该现象表明:物体在静止时也可能受到 力的作用,且该力的大小与 力的大小有关
(5)上学路上,小明看见一辆汽车陷进了泥坑里,司机将一些稻草塞进后轮底下,汽车很快就爬上来了,这是利用 的方法增大摩擦力。
29. 如图所示是某同学探究牛顿第一定律的实验方案,试根据探究方案回答下列问题:
(1)实验时,都是让小车从同一高度滑下,是为了使小车在水平面上开始运动时,具有相同的 ;
(2)小车在水平轨道上滑行时,受到的力一共有 个
(3)小车在玻璃表面上滑行的距离最远,此时受到的摩擦力 ;(填“最大”或“最小”)
(4)从这个实验得出的结论:当小车不受力的作用时,将
30. 小鹭用天平和量筒测量一小块大理石密度的实验。
(1)测量前将天平放在水平工作台面上,把游码置于标尺的零刻线处,调节天平的 ,使天平横梁水平平衡。
(2)实验过程:
①用调好的天平测大理石的质量,天平平衡时右盘中所加砝码和游码位置如图甲所示,则此大理石的质量是 g。
②在量筒内装有一定量的水,该大理石放入前、后的情况如图乙所示,大理石的体积是 cm3,此大理石的密度是 g/cm3。
(3)大理石放在水中时会吸水(体积基本不变),由此判断,用此测量方法测得的密度值与它的真实值相比 (选填“偏大”、“偏小”或“一样大”)。
(4)为了减小吸水对大理石测量密度的影响,可以先测出总体积,然后 ,可得大理石的体积。
31. 在利用光具座进行凸透镜成像的实验探究中:
(1)如图甲,此凸透镜的焦距为 cm,将蜡烛、凸透镜、光屏依次放在光具座上,点燃蜡烛后,如果像在光屏上方,光屏和蜡烛不动,则需将凸透镜向 (上/下)移动,可使像移到光屏中心.
(2)调整后,把烛焰放在距凸透镜 16 cm 处时(如图乙),在凸透镜另一侧前后移动光屏,会在光屏上得到一个 、 (放大/等大/缩小)的实像; (照相机/投影仪)就是利用这一成像规律工作的.
(3)如果将蜡烛在乙图上远离透镜,仍要在光屏上得到清晰的像,光屏应向 (靠近/远离)透镜的方向移动,在此过程中烛焰像的大小变化情况是 (变大/变小),若凸透镜被手指遮住一小部分,则像形状 (不变/改变),像的亮度将 (改变/不变).
(4)小明拿来一只眼镜放在蜡烛和凸透镜之间,且较靠近凸透镜.结果光屏上原来清晰的像变模糊了,他只将光屏向远离凸透镜的方向移动适当距离时,又在光屏上观察到蜡烛清晰的像.由此可见,这只眼镜是 (凸/凹)透镜,戴这种眼镜的人的眼睛缺陷是 (近视/远视).
(5)下列四个选项中,能正确表示近视眼成像和矫正情况的是
A.乙 甲 B.丙 甲 C.乙 丁 D.丙 丁
四、作图题(共2小题;共26分)
32. 如图所示,OOʹ 为凸透镜的主光轴,Sʹ 为点光源 S 经凸透镜所成的像,SA 为光源 S 发出的一条光线。请在图中适当的位置画出凸透镜,并完成光线 SA 通过凸透镜的光路图。
33. 请回答下列问题。
(1)如图甲所示,是手拉小球做圆周运动的示意图,请在图中画出重为 4 N 的小球所受重力的示意图。
(2)如图乙所示,将木块放在压缩了的弹簧旁,释放弹簧,木块沿水平地面向右运动,离开弹簧后,木块运动一段距离后停下来,画出木块离开弹簧后向右运动过程中的受力示意图。
五、简答题(共1小题;共13分)
34. 比较小汽车和大卡车的轮子,发现大卡车的轮子多且宽,原因是什么?小汽车(如图所示)在高速行驶时,为什么对地面的压力小于车的重力?
六、计算题(共3小题;共39分)
35. 港珠澳大桥是一座连接香港、珠海和澳门的桥隧工程,全长 55 km。其中主桥长 29.5 km,香港口岸至珠澳口岸 41.6 km。桥面为双向六车道高速公路,全程小轿车限速 100 km/h。求:
(1)一辆小轿车走完港珠澳大桥全长,至少需要多长时问?
(2)若某小轿车从香港口岸到珠澳口岸的时间是 30 min,请通过计算说明是否超速。
36. 质量为 10 kg 的物体在水平向右拉力的作用下,做匀速直线运动,已知受到的摩擦力是车重的 0.2 倍。求:
(1)物体的重力;
(2)拉力的大小;
(3)若拉力方向不变,大小为 21 N,物体在水平方向上所受合力大小及方向。
37. 一块石碑的体积为 20 m3,为了计算它的质量,测得这块石碑岩石样品的质量为 120 g,用量筒装入 100 mL 的水,然后将这块样品浸没在水中,此时水面升高到 150 mL。(g=10 N/kg)
(1)这块石碑岩石样品的密度。
(2)这块石碑的质量。
(3)这块石碑受到的重力。
答案
第一部分
1. B
【解析】A. 家用空调的工作电流约是 5 A,其功率约是
P=UI=220 V×5 A=1100 W=1.1 kW;
家用空调的电功率约是 1.1 kW,A项不合题意;
B. 一个苹果的质量大约是 120 g=0.12 kg,受到的重力约是
G=mg=0.12 kg×10 N/kg=1.2 N;
一个苹果所受重力约是 1.2 N,选项B符合题意;
C. 人的头发直径约是 75 μm,物理课本中一张纸的厚度和它差不多,约是 100 μm=0.1 mm,C项不合题意;
D. 人正常步行的速度约是
1.1 m/s=1.1×3.6 km/h=3.96 km/h;
人正常步行的速度约是 3.96 km/h,D项不合题意。
2. D
【解析】海市蜃楼、雨后彩虹是由光的折射形成的,水中倒影是由光的反射形成的,形影不离中影子的形成是由于光的直线传播,故正确选项为 D。
3. C
【解析】声音在同种介质中的传播速度不变;故A错误;
声音在传播的过程中,音调不变,故频率也不变;故B错误;
响度与振幅和距离有关;距离越远,响度越小;故声音在空气中传播过程中,响度变小,振幅也变小;故C正确;
声音在传播的过程中,速度不变,音调不变,频率也就不变;响度变小,振幅也就变小;故D错误;
4. D
【解析】声音的传播需要介质,超声波也是声波,不能在真空中传播,故A错误;
人耳能听到的声音的频率范围是20~20000Hz,这个范围之外的声音人耳听不到;在这个范围内,物体振动发出声音后经过介质传播到耳朵里才能听到声音,故B错误;
敲鼓时用力越大,所发声音的响度大,故C错误;
超声波清洗机利用超声波传递的能量来清洗物品,故D正确。
5. B
6. C
7. C
【解析】光反射规律是:在反射现象中,反射光线、入射光线和法线都在同一平面内,反射光线、入射光线分居法线两侧,反射角等于入射角,且光路是可逆的,故无论镜面反射还是漫反射,每一条光线都遵循光的反射规律,并且对应一条入射光线,只有一条反射光线,因为漫反射射出的光线会向四面八方反射,会使平行光线不平行了,故选C。
8. C
9. B
【解析】水结成冰后,状态发生变化,质量不变,故A错误;
物理课本在北京和上海只是位置不同,质量不变,故B正确;
1 kg 的棉花和 1 kg 的铁块的质量相等,故C错误;
把铁块压成铁饼,形状发生变化,质量不变,故D错误。
10. D
【解析】由频闪照片可以看出,苹果在相同时间内通过的路程越来越大,根据 v=st 可知,苹果的速度越来越大,所以它做的是加速直线运动。
故ABC错误,D正确。
11. C
【解析】由图可见,阳光通过眼镜形成的光斑中间较亮,对光线起会聚作用,因此是凸透镜。
远视眼所成的像在视网膜的后方,为了使像正好呈在视网膜上,应使光线提前会聚,使所成的像相对于晶状体前移,所以应配戴会聚透镜即凸透镜。故ABD错误、C正确。
12. C
【解析】对于不同物体吸收太阳辐射能力的影响因素,小明将几个完全相同的物体涂上不同颜色放在太阳底下,测出相同时间内物体升高的温度,属于进行实验收集数据环节。
13. D
【解析】由平面镜成像的特点可知铅笔与平面镜的距离改变,铅笔在镜中的像的大小不变,故A选项错误。因像距与物距是相等的,当铅笔以 5 cm/s 的水平速度垂直向平面镜靠近时,2 s 内铅笔通过的距离 s=vt=5 cm/s×2 s=10 cm,2 s 后物距为 40 cm−10 cm=30 cm,像距也为 30 cm,2 s 后铅笔与它的像相距 30 cm+30 cm=60 cm,故B选项错误。铅笔与平面镜的夹角为 45∘,根据平面镜成像的特点,此时平面镜将铅笔与它的像的夹角平分,所以铅笔与它在平面镜中的像互相垂直,铅笔的像与镜面不垂直,故C选项错误。像与物关于镜面对称,所以左右相反,铅笔顺时针转 90 度,它的像就逆时针转 90 度。
14. D
15. A
【解析】物体的长度为 L=L1+L2+L33=2.35 cm+2.36 cm+2.36 cm3≈2.36 cm。
16. D
【解析】物体在细线的拉力下,静止浸没在水中,物体处于平衡状态,对物体进行受力分析,如图所示。
F2=F1+T+G,故 F2>F1;F1 与 F2 的合力大于 G,故D正确,A、B、C错误。
17. B
18. B
【解析】由图可知,烟囱的烟向左飘,说明风是向左吹的;
图中甲车的旗向左飘,则甲车的运动状态有三种可能:①向右运动,②静止,③向左运动,但车的速度小于风的速度;
因为乙车的旗向右飘,所以乙车只能向左运动,且车的速度要大于风的速度。
综上所述,只有B的说法是正确的。
19. D
20. D
【解析】木块 A 向右运动,木块 A 受到的滑动摩擦力水平向左,所以合力大小为 F合=F−f。
第二部分
21. 速度;频率
【解析】[ 1 ]物理学中用速度来反映物体运动的快慢。
[ 2 ]物理学中用每秒中振动的次数叫频率,用频率来描述物体振动快慢的。
22. 1
【解析】由图知:弹簧秤的分度值为 0.2 N,指针正好指在 1 N 的刻度上,因此弹簧测力计的示数为 1 N。
23. 振动;介质;真空
24. 下方;折射
25. 2:1;1:1
26. B;2.41
27. 4.5;3
【解析】[ 1 ]小车立即从出发点以 2 m/s 的速度匀速前进,则小车到达关卡 1 所用的时间
t=sv=9 m2 m/s=4.5 s;
[ 2 ]关卡分别在 5 s∼7 s 、 12∼14 s 、 19∼21 s 、 26∼28 s 关闭,小车到达第一个关卡的时间为 4.5 s,所以不会被阻挡,到达第二个关卡的时间是 9 s,所以不会被阻挡,到达第三个关卡的时间是 13.5 s,所以会被阻挡;每次阻挡都相当于重跑,所以在关卡 6 和关卡 9 也会被阻挡;所以到达终点前总共被关卡挡了 3 次。
第三部分
28. (1) 水平;匀速直线
【解析】只有沿水平方向拉着物体做匀速直线运动,物体在水平方向上受到平衡力的作用,根据二力平衡的原理,测力计示数大小才等于摩擦力的大小。
(2) 甲、乙
【解析】研究滑动摩擦力大小与压力的关系时,要控制接触面粗糙程度相同,只改变压力大小,故比较步骤甲乙可得:当接触面粗糙程度相同时,压力越大,摩擦力越大。
(3) 当压力相同时,接触面越粗糙,摩擦力越大
【解析】比较步骤甲与丙知,压力大小相同,丙中接触面更粗糙,测力计示数更大,即摩擦力更大,即当压力相同时,接触面越粗糙,摩擦力越大。
(4) 摩擦力;拉
【解析】在木块还没有被拉动的情况下,木块受到平衡力的作用,摩擦力与拉力大小相等,该现象表明:物体在静止时也可能受到摩擦力的作用,且该力的大小与拉力的大小有关。
(5) 增大接触面粗糙程度
【解析】明看见一辆汽车陷进了泥坑里,司机将一些稻草塞进后轮底下,增大了接触面的粗糙程度,增大了摩擦力,故汽车很快就爬上来了。
29. (1) 速度
【解析】该实验要比较的是小车在阻力不同的路面上滑行的距离,这样就要求我们控制变量:初速度,而从同一高度滑下,可以保证每次到达水平面的速度相同
(2) 3
【解析】对小车进行受力分析时,可以根据小车分别在水平和竖直方向上的受力情况进行分析;小车在竖直方向上受到重力和水平面对它的支持力,因为小车在水平方向上是靠惯性滑行,所以在水平方向上只有摩擦力.所以小车受到三个力作用
(3) 最小
【解析】小车在水平面上由于受到阻力作用会停下来,毛巾最粗糙,对小车的阻力最大,滑行距离最近;玻璃最光滑,阻力最小,滑行距离最远;这说明,在初速度相同的情况下,接触面越光滑,小车受到的阻力越小,受到减小越慢,小车滑行距离越远
(4) 做匀速直线运动
【解析】由三个水平面上距离的不同我们可以通过合理推理得到,如果物体不受阻力,小车速度将不再发生改变,它将作匀速直线运动
30. (1) 平衡螺母
【解析】使用天平时,先把天平放在水平工作台面上,把游码置于标尺左端的零刻度线处,调节天平的平衡螺母,使天平横梁水平平衡。
(2) ① 43.2;② 15;2.88
【解析】①由图甲知,标尺的分度值为 0.2 g,大理石的质量:m=20 g+20 g+3.2 g=43.2 g;
②由图乙知,水的体积为 30 ml,水和大理石的总体积为 45 ml,
则大理石的体积:V=45 ml−30 ml=15 ml=15 cm3;
大理石的密度:ρ=mV=43.2 g15 cm3=2.88 g/cm3。
(3) 偏大
【解析】大理石放在水中时会吸水,这样会使测得的大理石和水的总体积 V2 减小,而大理石的体积 V=V2−V1,所以会使得所测大理石的体积偏小,由 ρ=mV 可知,测量大理石的密度偏大。
(4) 将大理石用细线拉出,测量量筒中剩余水的体积
【解析】先测出大理石和水的总体积(这样大理石已经吸水),然后将大理石用细线拉出,测量量筒中剩余水的体积,用总体积减去剩余水的体积可得大理石的体积。
31. (1) 11.0;下
【解析】由图知,焦距 f=41.0 cm−30 cm=11.0 cm;
(2) 倒立;放大;投影仪
【解析】把烛焰放在距凸透镜 16 cm 处时,即 2f>u>f 时,由凸透镜成像规律可知,成倒立放大的实像,幻灯机或投影仪就是利用此原理制成的;
(3) 靠近;变小;不变;变暗
【解析】如果将蜡烛在乙图上远离透镜,仍要在光屏上得到清晰的像,物距增大,像距减小,光屏应向靠近透镜的方向移动,在此过程中烛焰像的大小变化情况是变大.若凸透镜被挡一半,则像形状不变,只是像的亮度会变暗一些;
(4) 凹;近视
【解析】只将光屏向远离凸透镜的方向移动适当距离时,又在光屏上观察到蜡烛清晰的像,说明物距不变,像距增大了,也就是眼镜对光线有发散作用,因此这只眼镜是凹透镜;戴这种眼镜人的眼睛的缺陷是近视;
(5) B
【解析】近视眼是远处物体的像不能呈现在视网膜上,而是呈现在视网膜的前方,因此需佩戴凹透镜才能看清远处的物体,B符合题意。
第四部分
32. 如图所示:
【解析】过凸透镜光心的光线传播方向不变,所以连接 SSʹ,交凸透镜的主光轴于一点(该点为光心),过交点垂直主光轴画出凸透镜;入射光线 SA 交凸透镜于点 A,连接 ASʹ 并用箭头标出光的传播方向,即为入射光线 SA 的折射光线。
33. (1)
(2)
第五部分
34. (1)大卡车的轮胎多且宽大能够增大与公路的接触面积,在载重比较重对地面压力比较大时减小对地面的压强,保护路面。
(2)小汽车对地面的压力小于汽车重力的原因:小汽车外型是流线型,类似于飞机机翼,当汽车高速行驶时,相同时间内,空气经过上方的路程比下方路程长,流速大,压强小,汽车在压强差下产生向上的升力,汽车对路面的压力减小,小于汽车的重力
第六部分
35. (1) 0.55 h
【解析】已知港珠澳大桥全长 55 km,设计速度 100 km/h,
由 v=st 可得,轿车按照设计的速度通过港珠澳大桥需要的时间:t=sv=55 km100 km/h=0.55 h。
(2) 轿车通过香港口岸到珠澳口岸的速度:vʹ=sʹtʹ=41.6 km30×160 h=83.2 km/h
相关试卷
这是一份2023-2024学年福建省龙海市第二中学物理九年级第一学期期末质量检测模拟试题含答案,共9页。试卷主要包含了答题时请按要求用笔等内容,欢迎下载使用。
这是一份2023-2024学年福建省漳州市龙海市第二中学九上物理期末复习检测模拟试题含答案,共13页。试卷主要包含了考生必须保证答题卡的整洁,关于热现象,下列说法正确的是等内容,欢迎下载使用。
这是一份福建省漳州市龙海市2020-2021学年八年级下学期期中物理试题,共22页。试卷主要包含了选择题,填空题,简答题,实验探究题,计算题等内容,欢迎下载使用。

