所属成套资源:新教材高考生物一轮复习单元学案专题
新教材高考生物一轮复习第四单元细胞的生命历程2减数分裂和受精作用学案必修1
展开
这是一份新教材高考生物一轮复习第四单元细胞的生命历程2减数分裂和受精作用学案必修1,共28页。
减数分裂和受精作用
考点一 配子的形成过程及受精作用
任务驱动 探究突破
任务1 比较精子和卵细胞形成过程的差异
比较
精子形成过程
卵细胞形成过程
场所
精巢
卵巢
细胞质分裂方式
均等分裂
________
是否变形
______
不变形
结果
一个精原细胞
↓
个精子
一个卵原细胞
↓
个卵细胞、____个极体
任务2 完善减数分裂各时期的相关数目变化
(1)数量变化(体细胞染色体数为2n,DNA数目为2c):
分裂时期
染色体数
目变化
DNA数
目变化
染色单
体数目
变化
同源染
色体对
数变化
分裂间期
2n
______
______
______
减数第
一次分裂
前Ⅰ
2n
______
______
______
中Ⅰ
2n
4c
4n
n
后Ⅰ
2n
4c
4n
n
末Ⅰ
______
______
______
______
减数第
二次分裂
前Ⅱ
______
______
______
______
中Ⅱ
______
______
______
______
后Ⅱ
2n
2c
0
0
末Ⅱ
2n→n
2c→c
0
0
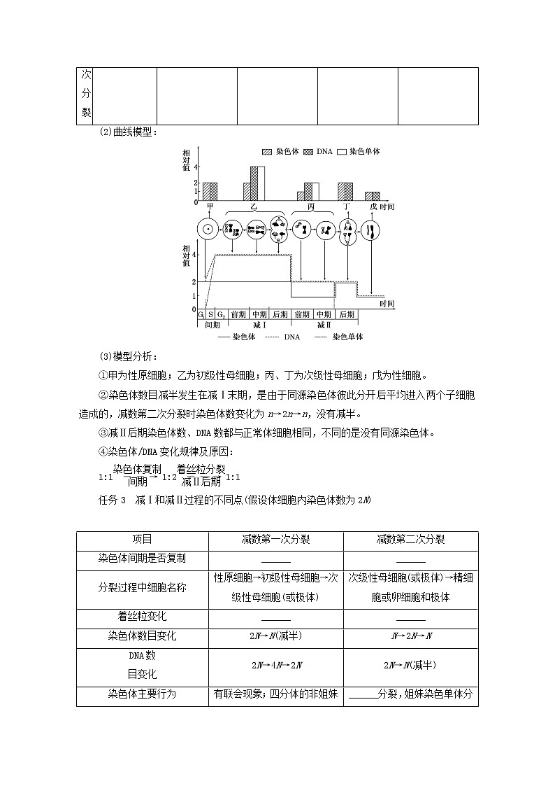
(2)曲线模型:
(3)模型分析:
①甲为性原细胞;乙为初级性母细胞;丙、丁为次级性母细胞;戊为性细胞。
②染色体数目减半发生在减Ⅰ末期,是由于同源染色体彼此分开后平均进入两个子细胞造成的,减数第二次分裂时染色体数变化为n→2n→n,没有减半。
③减Ⅱ后期染色体数、DNA数都与正常体细胞相同,不同的是没有同源染色体。
④染色体/DNA变化规律及原因:
1:11:21:1
任务3 减Ⅰ和减Ⅱ过程的不同点(假设体细胞内染色体数为2N)
项目
减数第一次分裂
减数第二次分裂
染色体间期是否复制
______
______
分裂过程中细胞名称
性原细胞→初级性母细胞→次级性母细胞(或极体)
次级性母细胞(或极体)→精细胞或卵细胞和极体
着丝粒变化
______
______
染色体数目变化
2N→N(减半)
N→2N→N
DNA数
目变化
2N→4N→2N
2N→N(减半)
染色体主要行为
有联会现象;四分体的非姐妹染色单体交叉互换;同源染色体分离,非同源染色体自由组合
______分裂,姐妹染色单体分开变成子染色体
染色单体
无(0)→有(4N)
→有(2N)
有(2N)→无(0)
同源染色体
______
______
任务4 减数分裂产生配子的种类
分析正常情况下产生配子种类时应特别注意是“一个个体”还是“一个性原细胞”。
(1)若是一个个体,则可产生______种配子,n代表同源染色体的对数或等位基因的对数。
(2)若是一个性原细胞,则一个卵原细胞仅产生______个卵细胞,而一个精原细胞可产生______个(2种)精细胞。例如YyRr基因型的个体产生配子情况如下:
项目
可能产生配子的种类
实际能产生配子的种类
一个精原细胞
4种
2种(YR、yr或Yr、yR)
一个雄性个体
4种
4种(YR、yr、Yr、yR)
一个卵原细胞
4种
1种(YR或yr或Yr或yR)
一个雌性个体
4种
4种(YR、yr、Yr、yR)
考向分类 对点落实
减数分裂过程中染色体、染色单体和DNA的规律性变化
1.高考重组,判断正误。
(1)同一个体中细胞有丝分裂和减数第一次分裂前期染色体数目相同,染色体行为和DNA分子数目不同。[全国卷Ⅰ,T2A]( )
(2)染色体数为2n=24的性原细胞进行减数分裂,中期Ⅱ染色体数和染色体DNA分子数分别为12和24。[浙江卷,T3C]( )
(3)减数第一次分裂前期,细胞的染色体数是体细胞的2倍。[江苏卷,T8B]( )
(4)观察2n=6的某生物减数第二次分裂后期细胞,可见移向每一极的染色体有4条,其合理解释是减数第一次分裂中有一对染色体没有相互分离。[江苏卷,T8A]( )
(5)雄蛙的一个体细胞经有丝分裂产生的两个子细胞(C1、C2),一个初级精母细胞经减数第一次分裂形成两个次级精母细胞(S1、S2);其细胞核中DNA数目C1与C2相同,S1与S2不同,贮存的遗传信息C1与C2不相同,S1与S2相同。( )
(6)果蝇的精细胞中一定存在Y染色体。( )
2.
[2021·陕西西安高三检测卷]右图是二倍体生物体内某细胞图,关于此图的描述,不正确的是( )
A.此图可表示次级卵母细胞,没有同源染色体
B.在此细胞形成过程中曾出现过2个四分体
C.该细胞中有4条染色单体
D.该生物体细胞中染色体数最多为4个
3.[2021·天津市南开区高三模拟]下图表示细胞分裂和受精作用过程中DNA含量和染色体数目的变化,据图分析正确的是( )
A.CD段和GH段,细胞内均可发生基因重组
B.GH段和OP段,细胞中含有的染色体数相等
C.同源染色体的分离和联会分别发生在JK段和LM段
D.MN段中会发生核DNA含量的加倍
4.(多选)下图为某动物(体细胞染色体为2N)细胞分裂过程中不同时期每个细胞DNA、染色体和染色单体的数量关系图。下列有关说法正确的是( )
A.乙→丙和戊→丁所发生的主要变化均为着丝粒分裂
B.基因重组发生在戊时期,基因突变发生在丙→戊过程中
C.丙可以代表体细胞,甲只能代表精子或卵细胞
D.处于丁和戊时期的细胞一定存在同源染色体
减数分裂图像判别及精、卵形成过程的比较
5.[经典高考]如图为某生物一个细胞的分裂图像,着丝点均在染色体端部,图中1、2、3、4各表示一条染色体。下列表述正确的是( )
A.图中细胞处于减数第二次分裂前期
B.图中细胞的染色体数是体细胞的2倍
C.染色体1与2在后续的分裂过程中会相互分离
D.染色体1与3必定会出现在同一子细胞中
[师说技巧]
精子和卵细胞分裂图像的辨析及判断方法
(1)图像
(2)判断方法:
—
6.(多选)下图是某二倍体动物的几个细胞分裂示意图,据图所作的判断正确的是( )
A.甲、乙、丙三个细胞中都含有同源染色体
B.乙细胞中含有4个染色体组
C.丙细胞是次级精母细胞或极体,正常情况下其分裂产生的子细胞基因型相同
D.以上各细胞可能取自同一器官,在发生时间上存在乙→甲→丙的顺序
减数分裂过程产生配子的种类
7.[2021·非凡吉创高三调研]一个基因型是AaBb的精原细胞产生了四个精细胞,其基因与染色体的位置关系如图。导致该结果的原因可能是( )
①基因突变 ②同源染色体姐妹染色单体交叉互换 ③同源染色体非姐妹染色单体交叉互换 ④染色体变异
⑤非同源染色体的自由组合
A.①②⑤ B.③⑤
C.①②④⑤ D.①③⑤
8.[经典模拟]下图1是某生物的一个初级精母细胞,图2是该生物的五个精细胞。根据图中的染色体类型和数目,判断最可能来自同一个次级精母细胞的是( )
A.①② B.②④
C.③⑤ D.①④
归纳提升
根据染色体组成判断配子来源的方法
对减数分裂和受精作用的意义考查
9.(多选)下列有关动物细胞减数分裂和受精作用的叙述,正确的是( )
A.在减数分裂过程中,细胞分裂两次,染色体也复制两次
B.在减数第一次分裂过程中,有同源染色体的配对联会、同源染色体分离等行为
C.在减数分裂过程中,着丝粒分裂发生在减数第二次分裂
D.受精卵中的染色体一半来自父方,一半来自母方,但细胞质基因主要来自母方
考点二 有丝分裂与减数分裂的比较
任务驱动 探究突破
任务1 细胞有丝分裂与减数分裂过程的比较
比较项目
减数分裂
有丝分裂
发生部位
______、______(精巢)
各组织器官
分裂次数
连续分裂两次
一次
染色体复制
次数和时期
1次;减数第一次
分裂前的间期
1次;间期
子细胞染色
体数目变化
减半,发生在减数
第____次分裂完成时
不变
子细胞类型
生殖细胞、______
______细胞
联会、四分体
出现
不出现
非姐妹染色
单体交叉互换
______
______
同源染色体分离
有;发生在减数第
一次分裂______期
______
着丝粒分裂
在减数第二次
分裂______期
后期
子细胞间的遗
传物质的组成
不一定相同
一般相同
任务2 有丝分裂与减数分裂主要时期细胞图像比较(二倍体生物)
有丝分裂
减数第一次分裂
减数第二次分裂
前
期
①与②的主要区别在于同源染色体的行为特点不同;①与③、②与③的主要区别在于有无________
中
期
①与②的主要区别在于同源染色体的行为特点不同;①与③、②与③的主要区别在于有无________
后
期
①与②比较:①中________分离,②中________分离;①与③比较:①中______同源染色体,③中______同源染色体;②与①、③比较:②中______染色单体,①③中______染色单体
任务3 减数分裂和有丝分裂过程中的染色体与核DNA数量变化
(1)模型
(2)判断
任务4 每条染色体中DNA含量的变化
根据上面的曲线填写下表
A→B
B→C
C→D
D→E
减数分裂
对应时期
________
减数第一次分裂全过程和减数第二次分裂的前期、中期
减数第二次分裂的后期
________
有丝分裂
对应时期
______
________
______
______
考向分类 对点落实
细胞分裂过程中相关数目及行为变化规律的比较
1.[全国卷Ⅰ]关于同一个体中细胞有丝分裂和减数第一次分裂的叙述,正确的是( )
A.两者前期染色体数目相同,染色体行为和DNA分子数目不同
B.两者中期染色体数目不同,染色体行为和DNA分子数目相同
C.两者后期染色体数目和染色体行为不同,DNA分子数目相同
D.两者末期染色体数目和染色体行为相同,DNA分子数目不同
2.[海南卷,22]在某植物根尖每个处于有丝分裂后期的细胞中都有40条染色体。下表中,能正确表示该植物减数第二次分裂中期和后期每个细胞中染色体数目和染色单体数目的是( )
减数第二次分裂中期
减数第二次分裂后期
染色体/条
染色单体/条
染色体/条
染色单体/条
甲
10
20
20
10
乙
10
20
20
0
丙
20
40
20
10
丁
20
40
40
0
A.甲 B.乙
C.丙 D.丁
3.[天津卷,4]玉米花药培养的单倍体幼苗,经秋水仙素处理后形成二倍体植株。下图是该过程中某时段细胞核DNA含量变化示意图。下列叙述,错误的是( )
A.A~B过程中细胞不会发生基因重组
B.C~D过程中细胞内发生了染色体数加倍
C.E点后细胞内各染色体组的基因组成相同
D.F~G过程中同源染色体分离,染色体数减半
4.[2020·福建宁德期中]下列物质变化示意图中,既能发生在有丝分裂过程中,又能发生在减数分裂过程中的是( )
A.① B.①②
C.①②③ D.①②③④
归纳提升
细胞分裂柱形图的分析
(1)分析此类问题的根据是有丝分裂和减数分裂中染色体、DNA和染色单体的数目变化规律。
(2)根据染色体数目判断细胞分裂方式
①染色体数目可达到4N⇒有丝分裂。
②染色体数目最大值为2N⇒减数分裂。
细胞分裂图像的比较
5.[经典模拟]下图为某哺乳体内的一组细胞分裂示意图,据图分析正确的是( )
A.图②产生的子细胞一定为精细胞
B.图中属于体细胞有丝分裂过程的有①③⑤
C.图示5个细胞均具有同源染色体
D.该动物的体内细胞中染色体组数最多为2组
6.[2021·中央民族大学附属中学高三月考]如图为显微镜下二倍体百合(2n=24)减数分裂不同时期的图像,基因重组可发生在( )
A.①② B.①④
C.②③ D.②④
结合放射性同位素追踪法,考查染色体和DNA变化规律
7.[改编题]用32P标记玉米体细胞所有染色体上DNA分子的两条链,再将这些细胞转入不含32P的培养基中进行组织培养。这些细胞在第一次细胞分裂的前、中、后期,一个细胞中被32P标记的染色体条数和染色体上被32P标记的DNA分子数分别是( )
方法技巧
DNA在细胞分裂过程中的去向分析
如果用3H标记细胞中的DNA分子,然后将细胞放在正常环境中培养,让其进行减数分裂,结果染色体中的DNA标记情况如下图所示:
减数分裂过程中细胞虽然连续分裂2次,但DNA只复制1次。
如果用3H标记细胞中的DNA分子,然后将细胞放在正常环境中培养,连续进行2次有丝分裂,与减数分裂过程不同,因为有丝分裂是复制1次分裂1次,因此这里实际上包含了2次复制。
8.(多选)将一个原始生殖细胞(DNA被15N标记)置于含14N的培养基中培养,得到4个子细胞。下列叙述正确的是( )
A.促使核仁解体的酶在细胞分裂前期活性较高
B.该细胞培养期间完成了两次有丝分裂或一次减数分裂
C.4个子细胞中含15N染色体的比例一定是100%
D.该细胞培养期间发生的变异可能为生物进化提供原材料
考点三 减数分裂与遗传变异的联系
任务驱动 探究突破
任务1 减数分裂与遗传、变异的关系
(1)减数分裂与遗传规律的关系
减数第一次分裂后期:同源染色体的分离是________定律的细胞学基础;非同源染色体的自由组合是基因________定律的细胞学基础。
(2)减数分裂与生物变异的关系
①在减数第一次分裂前的________期,各种原因(物理、化学等因素)会使DNA复制过程出现差错,导致DNA分子中发生碱基对的替换、增添或缺失,产生________,这是生物变异的根本来源。
②在减数第一次分裂的________时期,同源染色体上的等位基因随着非姐妹染色单体的交叉互换而发生互换,导致________。
③减数第一次分裂后期,同源染色体分离,非同源染色体自由组合,其上的非等位基因也随之自由组合,导致________。
④在减数分裂过程中,由于诸多原因也会出现________变异、________变异的配子,通过配子将这些变异传递给下一代,如人类性染色体异常病中出现的XXY型、XXX型、XYY型等,原因可能是减数第一次分裂异常,也可能是减数第二次分裂异常;可能是形成精子时异常,也可能是形成卵细胞时异常。
任务2 细胞分裂异常产生的子细胞分析
(1)有丝分裂异常
(2)减Ⅰ分裂同源染色体未分离
(3)减Ⅱ分裂姐妹染色单体未分开
考向分类 对点落实
细胞分裂与可遗传变异关系的考查
1.[2021·衡水中学高三第一次联合考试]下面的图甲和图乙分别表示某高等动物的卵原细胞和由其形成的卵细胞中的3号染色体,A/a和B/b表示位于3号染色体上的两对等位基因。下列叙述正确的是( )
A.图乙的产生是由于图甲在减数分裂过程中发生了染色体结构变异
B.与图乙细胞同时形成的三个极体的基因型分别为aB、Ab和Ab
C.产生图乙的次级卵母细胞中含有等位基因,但不存在同源染色体
D.图甲中3号染色体上等位基因的分离发生在减数第一次分裂后期
2.[经典高考]下列现象中,与减数分裂同源染色体联会行为均有关的是( )
①人类的47,XYY综合征个体的形成 ②线粒体DNA突变会导致在培养大菌落酵母菌时出现少数小菌落 ③三倍体西瓜植株的高度不育 ④一对等位基因杂合子的自交后代出现31的性状分离比 ⑤卵裂时个别细胞染色体异常分离,可形成人类的21三体综合征个体
A.①② B.①⑤ C.③④ D.④⑤
3.[天津卷]低温诱导可使二倍体草鱼卵原细胞在减数第一次分裂时不形成纺锤体,从而产生染色体数目加倍的卵细胞,此卵细胞与精子结合发育成三倍体草鱼胚胎。上述过程中产生下列四种细胞,下图所示四种细胞的染色体行为(以二倍体草鱼体细胞含两对同源染色体为例)其中可出现的是( )
减数分裂过程中染色体数目异常的配子分析
4.(多选)下列现象可能由细胞分裂各时期变化导致的,其对应关系正确的是( )
选项
现象
减数分裂
A
XYY综合征个体的形成
减数第二次分裂中期
B
三倍体西瓜植株的高度不育
减数第一次分裂前期
C
杂合子(Aa)的自交后代出现的性状分离
减数第一次分裂后期
D
低温使根尖细胞染色体加倍
有丝分裂前期
5.[经典模拟]性染色体为XY(①)和YY(②)的精子产生的原因分别是( )
A.①减数第一次分裂同源染色体不分离,②减数第一次分裂同源染色体不分离
B.①减数第二次分裂姐妹染色单体不分离,②减数第二次分裂姐妹染色单体不分离
C.①减数第一次分裂同源染色体不分离,②减数第二次分裂姐妹染色单体不分离
D.①减数第二次分裂姐妹染色单体不分离,②减数第一次分裂同源染色体不分离
6.(多选)基因型为AaXBY的小鼠仅因为减数分裂过程中染色体未正常分离,而产生一个不含性染色体的AA型配子。等位基因A、a位于2号染色体。下列关于染色体未分离时期的分析,正确的是( )
A.2号染色体一定在减数第二次分裂时未分离
B.2号染色体可能在减数第一次分裂时未分离
C.性染色体可能在减数第二次分裂时未分离
D.性染色体一定在减数第一次分裂时未分离
细胞分裂与DNA复制的关系分析
7.[经典模拟]小鼠的睾丸中一个精原细胞在含3H标记的胸腺嘧啶脱氧核苷酸培养基中完成一个细胞周期,然后在不含放射性标记的培养基中继续完成减数分裂过程,其染色体的放射性标记分布情况是( )
A.初级精母细胞中每条染色体的两条单体都被标记
B.次级精母细胞中每条染色体都被标记
C.只有半数精细胞中有被标记的染色体
D.产生的四个精细胞中的全部染色体,被标记数与未被标记数相等
8.若用32P标记人的“类胚胎干细胞”的DNA分子双链,再将这些细胞转入不含32P的培养液中培养,在第二次细胞分裂的中期、后期,一个细胞中的染色体总条数和被32P标记的染色体条数分别是( )
A.中期是46和46、后期是92和46
B.中期是46和46、后期是92和92
C.中期是46和23、后期是92和23
D.中期是46和23、后期是46和23
高考必考教材实验(八)——观察细胞减数分裂
任务驱动 探究突破
任务1 实验分析
(1)实验原理
蝗虫的________细胞进行减数分裂可形成精细胞,再形成精子。此过程要经过两次连续的细胞分裂。在此过程中,细胞中的染色体________都在不断地发生变化,因而可据此识别减数分裂的各个时期。
(2)实验流程
①装片制作(同有丝分裂装片制作过程)
解离→______→______→______。
②显微观察
任务2 研析深化教材,析因推理归纳,提升学科素养
科学思维
(1)在实验材料的选取中宜选用雄性个体生殖器官的原因分析
①雄性个体产生精子数量____雌性个体产生卵细胞数量。
②在动物卵巢内的减数分裂没有进行彻底,排卵时排出的仅仅是__________(大部分动物),只有和精子相遇后,在精子的刺激下,才继续完成减Ⅱ分裂。
(2)精巢内精原细胞存在的细胞分裂方式
精巢内精原细胞既进行有丝分裂,又进行________,因此可以观察到染色体数为N、2N、4N等不同的细胞分裂图像。
考向分类 对点落实
实验原理、操作、实验结果的观察考查
1.(多选)为了观察减数分裂各时期特点,实验材料选择恰当的是( )
A.蚕豆的雄蕊 B.桃花的雌蕊
C.蝗虫的精巢 D.小鼠的卵巢
2.(多选)用某动物精巢为材料制作切片进行观察并绘制示意图如下。下列分析错误的是( )
A.甲细胞可称为次级精母细胞
B.乙细胞处于减数第一次分裂后期
C.丙细胞含有同源染色体,细胞处于有丝分裂后期
D.丁细胞中染色体的互换区段同一位点上的基因一定相同
3.[安徽卷]某种植物细胞减数分裂过程中几个特定时期的显微照片如下。下列叙述正确的是( )
A.图甲中,细胞的同源染色体之间发生了基因重组
B.图乙中,移向细胞两极的染色体组成相同
C.图丙中,染色体的复制正在进行,着丝点尚未分裂
D.图丁中,细胞的同源染色体分离,染色体数目减半
教材实验的迁移应用
4.[经典高考改编]人类遗传病发病率逐年增高,相关遗传学研究备受关注。根据以下信息回答问题:
小鼠是常被用于研究人类遗传病的模式动物。请填充观察小鼠细胞减数分裂的实验步骤:
供选材料及试剂:小鼠的肾脏、睾丸、肝脏,苏丹Ⅲ染液、醋酸洋红染液、健那绿染液,解离固定液。
(1)取材:用________作实验材料。
(2)制片:①取少量组织低渗处理后,放在________中,一定时间后轻轻漂洗。
②将漂洗后的组织放在载玻片上,滴加适量________________________________________________________________________
________________。
③一定时间后加盖玻片,________________________________________________________________________。
(3)观察:用显微镜观察时,发现几种不同特征的分裂中期细胞。若它们正常分裂,产生的子细胞是________________________________________________________________________
________________________________________________________________________。
[技法提炼]
1.实验成功的关键——正确选用实验材料
如上题中的实验目的是“观察小鼠细胞减数分裂”,这就要求我们把解题的目标对准能进行减数分裂的细胞,在提供的“实验材料”中应选取小鼠的“睾丸”。
2.明确装片制作环节,把握减数分裂各时期特点
(1)临时装片制作应特别注意的几个关键环节
①为了更加清晰地观察染色体形态,在解离前,一般要对动物组织进行低渗处理,其目的是凭借渗透作用使细胞膨胀,染色体铺展,同时可使粘附于染色体的核仁物质散开,以便能在一个平面上观察所有染色体形态。
②低渗处理后再进行解离固定,将细胞杀死并去除细胞之间的粘连物,使细胞彼此分开,经压片,细胞会彼此分散开,解离后进行漂洗,去除解离液对染色效果的影响,染色体容易被醋酸洋红(染)液或甲紫溶液染色,染色完成后进行制片并压片。
(2)确定中期细胞的类型:睾丸内初级精母细胞进行减数分裂产生精子,精原细胞进行有丝分裂增加精原细胞数目。因此处于细胞分裂中期的细胞应该包括:减数第一次分裂中期、减数第二次分裂中期、有丝分裂中期,产生的子细胞分别是次级精母细胞、精细胞、精原细胞。
实验的综合考查
5.[经典模拟]下图中编号①~⑤的图像是显微镜下拍到的二倍体百合(2n=24)的减数分裂不同时期的图像。请回答问题:
(1)将捣碎的花药置于载玻片上,滴加____________染色1~2 min,制成临时装片。在光学显微镜下可通过观察细胞中____________的形态、位置和数目的变化来判断该细胞所处的分裂时期。
(2)据图分析,图②中细胞的特点是同源染色体________,非同源染色体________。图③中细胞的特点是同源染色体________,并且________________________间可发生交叉互换。请将上述观察到的细胞图像按减数分裂的时序进行排序:①→__________________。
(3)图②中的细胞有________个染色体组,图⑤的每个细胞中含姐妹染色单体________条。
[网络建构提升]
,[长句应答必备]
1.减数第一次分裂过程中,同源染色体的分离,导致染色体数目减半。
2.减数第二次分裂与有丝分裂相似,不同的是减数第二次分裂中不存在同源染色体。
3.精子形成过程中,细胞质都是均等分裂的;卵细胞形成过程中,初级(次级)卵母细胞的细胞质不均等分裂,极体的细胞质均等分裂。
4.减数第一次分裂过程中染色体的主要行为有:同源染色体联会形成四分体,同源染色体分离,非同源染色体自由组合。
5.减数第二次分裂过程中染色体的主要行为有:着丝粒分裂,染色体数目暂时加倍。
6.受精卵核内的遗传物质一半来自父方,一半来自母方,其细胞质中的遗传物质几乎全部来自卵细胞。
[示例]
1.减数分裂中染色体数目减半的时期和原因是________________________________________________________________________
________________________________________________________________________。
2.减数分裂中染色单体消失的时期和原因是________________________________________________________________________
________________________________________________________________________。
3.交叉互换发生的时期和部位是________________________________________________________________________
________________________________________________________________________。
[等级选考研考向]
1.[2019·江苏卷,11]下图为初级精母细胞减数分裂时的一对同源染色体示意图,图中1~8表示基因。不考虑突变的情况下,下列叙述正确的是( )
A.1与2、3、4互为等位基因,与6、7、8互为非等位基因
B.同一个体的精原细胞有丝分裂前期也应含有基因1~8
C.1与3都在减数第一次分裂分离,1与2都在减数第二次分裂分离
D.1分别与6、7、8组合都能形成重组型的配子
2.[2017·海南卷,21]若要表示某动物细胞(2n)减数第一次分裂结束时形成的细胞,下列示意图中正确的是( )
[国考真题研规律]
1.[2018·全国卷Ⅲ,4]关于某二倍体哺乳动物细胞有丝分裂和减数分裂的叙述,错误的是( )
A.有丝分裂后期与减数第二次分裂后期都发生染色单体分离
B.有丝分裂中期和减数第一次分裂中期都发生同源染色体联会
C.一次有丝分裂与一次减数分裂过程中染色体的复制次数相同
D.有丝分裂中期和减数第二次分裂中期染色体都排列在赤道板上
2.[2019·全国卷Ⅱ,30节选]环境中的内分泌干扰物是与某种性激素分子结构类似的物质,对小鼠的内分泌功能会产生不良影响。回答下列问题。
(2)与初级精母细胞相比,精细胞的染色体数目减半,原因是在减数分裂过程中________________________________________________________________________。
3.[2017·全国卷Ⅱ,1]已知某种细胞有4条染色体,且两对等位基因分别位于两对同源染色体上。某同学用示意图表示这种细胞在正常减数分裂过程中可能产生的细胞。其中表示错误的是( )
A
B
C
D
温馨提示:请完成课后定时检测案13、
课后定时检测案14
课堂互动探究案2
高效课堂 师生互动提考能
考点一
【任务驱动 探究突破】
任务1 不均等分裂 变形 4 1 3
任务2 (1)2c→4c 0→4n n 4c 4n n 2n→n 4c→2c 4n→2n n→0 n 2c 2n 0 n 2c 2n 0
任务3 复制 不复制 不分裂 分裂 着丝粒 有(N对) 无
任务4 (1)2n (2)1 4
【考向分类 对点落实】
1.(1)× (2)√ (3)× (4)√ (5)× (6)×
2.解析:图中细胞含有两条染色体,且含有姐妹染色单体,染色体的形态大小不同,为非同源染色体,所以该细胞处于减数第二次分裂,可以表示次级精母细胞、次级卵母细胞或第一极体,A正确;该细胞减数第一次分裂过程中出现过四分体,B正确;该细胞中有2条染色体,4条染色单体,C正确;该细胞的体细胞含有4条染色体,在其进行有丝分裂的后期染色体数最多为8条,D错误。
答案:D
3.解析:CD段处于有丝分裂,不能发生基因重组;GH段处于减数第一次分裂,细胞内可发生基因重组,A错误;图中GH表示减数第一次分裂过程,染色体数目与体细胞相同,而OP段表示有丝分裂后期,染色体数目是体细胞的两倍,B错误;同源染色体的分离和联会都发生在GH段,即减数第一次分裂后期和前期,C错误;MN段包括有丝分裂的间期、前期和中期,在间期有DNA的复制,所以会发生核DNA含量的加倍,D正确。
答案:D
4.解析:分析图形可知,乙可以表示减数第二次分裂前、中期,丙表示减数第二次分裂后期或有丝分裂形成的子细胞(或复制前的体细胞),丁表示有丝分裂后期,戊表示减数第一次分裂前、中、后期或有丝分裂前、中期。有丝分裂后期和减数第二次分裂后期的典型特点是着丝粒的分裂,A正确;丙到戊过程中DNA加倍,为DNA复制过程,可能发生基因突变,B正确;图中甲表示动物细胞减数分裂结束后形成的子细胞,可能是精子、卵细胞或第二极体,C错误;动物细胞有丝分裂和减数第一次分裂前、中、后期都存在同源染色体,D正确。
答案:ABD
5.解析:从图示可以看出,该细胞中正在发生同源染色体的联会,因此该细胞处于减数第一次分裂前期;图中细胞的染色体数目与正常体细胞染色体数目相同;染色体1和2是同源染色体,在减数第一次分裂后期会发生同源染色体的分离;同源染色体分离的同时,非同源染色体的自由组合是随机的,因此染色体1与3可能会出现在同一子细胞中,也可能出现在不同的子细胞中。
答案:C
6.解析:甲、乙细胞中都含有同源染色体,丙细胞中不含有同源染色体,A错误;乙细胞中着丝粒分裂,染色体数目加倍,所以含有4个染色体组,B正确;由于甲为初级精母细胞,丙细胞只能是次级精母细胞,不可能为极体,正常情况下其分裂产生的子细胞基因型相同,C错误;在动物精巢中,细胞既可以进行减数分裂产生配子,又可以进行有丝分裂增加原始精原细胞的数量,所以以上各细胞可能取自同一器官,在发生时间上存在乙→甲→丙的顺序,D正确。
答案:BD
7.解析:一个基因型是AaBb的精原细胞经减数分裂会产生四个精细胞,正常情况下产生两种精细胞,基因型为AB、ab(或Ab、aB),但结果产生了四种精细胞,可能的原因是:精原细胞在减数第一次分裂前的间期发生了基因突变,或在MⅠ前期同源染色体的非姐妹染色单体发生了交叉互换,到了MⅠ后期,同源染色体彼此分离,非同源染色体自由组合,最终产生了四种精细胞,因此①③⑤正确。
答案:D
8.解析:减数第一次分裂时,因为同源染色体的分离,非同源染色体的自由组合,所以一个初级精母细胞能产生2种基因型不同的次级精母细胞;减数第二次分裂类似于有丝分裂,因此每个次级精母细胞产生2个基因型相同的精细胞。所以,图中最可能来自同一个次级精母细胞的是②④。
答案:B
9.解析:减数分裂是进行有性生殖的生物,在产生成熟生殖细胞过程中进行的染色体数目减半的细胞分裂方式。在减数分裂过程中,染色体只复制一次,细胞分裂两次,减数分裂的结果是成熟生殖细胞的染色体数目比原始生殖细胞减少一半;在减数分裂过程中,染色体数目减半发生在减数第一次分裂,而着丝粒分裂发生在减数笫二次分裂后期;精细胞经变形形成几乎不含细胞质的精子,故细胞质基因几乎全部来自卵细胞,细胞质遗传的特点之一是表现为母系遗传。
答案:BCD
考点二
【任务驱动 探究突破】
任务1 卵巢 睾丸 一 极体 体 有 无 后 无 后
任务2 同源染色体 同源染色体 姐妹染色单体 同源染色体 有 无 有 无
任务3 (2)DNA 减数 有丝 染色体 减数 有丝
任务4 减数第一次分裂前的间期 减数第二次分裂的末期 间期 前期和中期 后期 末期
【考向分类 对点落实】
1.解析:同一个体有丝分裂前期和减数第一次分裂前期染色体都经过了间期的复制,一个着丝点上均含两个染色单体,但染色单体并未分离,因此染色体数目相同、DNA分子数目相同,但染色体行为并不相同,因为减数第一次分裂前期有联会现象,而有丝分裂前期无此现象,A错误;对于中期,二者染色体数目相同、DNA数目相同,而染色体行为并不相同,因为减数第一次分裂中期是各对同源染色体排列在赤道板两侧,而有丝分裂中期则是染色体的着丝点排列在赤道上,B错误;对于后期,有丝分裂着丝点分裂、染色体数目加倍,而减数第一次分裂后期染色体数目不变,因此二者染色体数目不同、DNA数目相同,减数第一次分裂后期同源染色体分开,而有丝分裂不存在同源染色体的分离,因此二者后期染色体行为不同,C正确;对于末期,有丝分裂形成的子细胞染色体数目、DNA数目不变,而减数第一次分裂形成的子细胞染色体数目减半,D错误。
答案:C
2.解析:在有丝分裂后期由于着丝点分裂,染色单体分开成为子染色体,使染色体数目加倍,因而该生物体的体细胞染色体数为20条。减数第一次分裂结束,染色体数目减半,在减数第二次分裂后期之前,染色单体不分开,这时染色体数为10条,染色单体数为20条;减数第二次分裂后期,染色单体分开成为子染色体,染色体数为20条,无染色单体。
答案:B
3.解析:基因重组和同源染色体分离都发生在减Ⅰ过程中,玉米花药培养的单倍体幼苗,经秋水仙素处理后形成二倍体植株的过程中,不发生减数分裂,A正确,D错误;由题中信息可知,秋水仙素处理在C~D过程之前,秋水仙素能抑制纺锤体的形成,导致C~D过程中细胞内染色体数目加倍,即由10条变为20条,B正确;E点后细胞内染色体组都来源于花药中的一个染色体组的复制,各染色体组的基因组成相同,C正确。
答案:D
4.解析:每条染色单体只能含一条DNA,④图错误。
答案:C
5.解析:根据图④同源染色体分离,细胞质均等分裂,说明该生物为雄性,所以图②产生的子细胞一定为精细胞,A正确;图中属于体细胞有丝分裂这一过程的有③⑤,①四分体只出现在减数分裂过程中,B错误;图示细胞中含有同源染色体的有①③④⑤,②中没有同源染色体,C错误;该生物正常的未分裂的体细胞中均含有2个染色体组,若进行有丝分裂,在其后期有4个染色体组,D错误。
答案:A
6.解析:基因重组有两种类型,一是自由组合型:减数第一次分裂后期(①),随着非同源染色体自由组合,非同源染色体上的非等位基因也自由组合;另一种是交叉互换型:减数第一次分裂前期(②),基因随着同源染色体的非等位基因的交叉互换而发生重组。
答案:A
7.解析:根据DNA半保留复制的特点判断,用32P标记玉米体细胞所有染色体上DNA分子的两条链,再放在不含32P的培养基中进行组织培养,则第一次有丝分裂前期、中期、后期DNA数目加倍,且每个DNA分子一条链含32P,一条链不含32P,故有丝分裂前、中、后期含32P的DNA数目相等,有丝分裂后期染色体数目加倍,故后期含32P的染色体是前期、中期的2倍。
答案:A
8.解析:核仁解体发生在细胞分裂的前期,因此促使核仁解体的酶在细胞分裂前期活性较高,A正确;原始的生殖细胞既可进行有丝分裂,也可进行减数分裂,若进行有丝分裂,一个细胞得到4个子细胞,是通过两次有丝分裂完成的,若进行减数分裂,一个原始的生殖细胞通过一次减数分裂得到4个子细胞,B正确;若进行减数分裂,则4个细胞中含15N染色体的比例一定是100%,若进行的是有丝分裂,则含15N染色体的比例不一定是100%,C错误;该细胞培养期间发生的变异可能是基因突变、基因重组或染色体变异,可遗传的变异是生物进化的原材料,D正确。
答案:ABD
考点三
【任务驱动 探究突破】
任务1 (1)基因分离 自由组合 (2)间 基因突变 四分体 基因重组 基因重组 染色体结构 染色体数目
【考向分类 对点落实】
1.解析:图乙的产生是由于图甲在减数分裂过程中发生了交叉互换,A错误;与图乙细胞同时形成的三个极体的基因型分别为ab、AB和Ab,B错误;由于发生了交叉互换,产生图乙次级卵母细胞中含有等位基因,但不存在同源染色体,C正确;图甲中3号染色体上等位基因的分离,Aa分离发生在减数第一次分裂后期,Bb分离发生在减数第一次分裂后期和减数第二次分裂后期,D错误。
答案:C
2.解析:③三倍体西瓜植株的高度不育是因为奇数的同源染色体减数分裂联会时出现紊乱,不能形成正常配子而造成高度不育;④中出现3:1的性状分离比的实质是位于同源染色体上的等位基因在减数分裂过程中伴随同源染色体联会、分离造成的;①为染色体个别数目变异造成的人类遗传病,与减数第二次分裂异常有关;②是细胞质基因突变的结果;⑤为卵裂时染色体变异造成,卵裂过程中只能进行有丝分裂,有丝分裂无联会现象。
答案:C
3.解析:根据题中信息可知低温可使二倍体草鱼的卵原细胞在减数第一次分裂时不形成纺锤体,即减数第一次分裂无法正常进行,同源染色体不能分离,仍存在于同一个细胞中,A错误;当细胞继续分裂时,减数第二次分裂的后期,所有染色体的着丝点分裂,并在纺锤丝的牵引下移向细胞两极,并且细胞质不均等分裂,B正确;通过该过程形成的卵细胞中应该含有2对同源染色体,C错误;根据题干信息,该三倍体的草鱼应含有三个染色体组,6条染色体,而D图中含有两个染色体组,6条染色体,D错误。
答案:B
4.解析:XYY综合征是由于精子形成过程中,减数第二次分裂后期着丝粒分裂后,两条Y染色体进入同一细胞中去,A错误;三倍体西瓜植株的高度不育是由于减数第一次分裂前期同源染色体联会紊乱造成的,B正确;杂合子(Aa)的自交后代出现的性状分离,是由于减数第一次分裂后期同源染色体分开,导致等位基因的分离引起的,C正确;在有丝分裂前期低温抑制了纺锤体的形成,使根尖细胞染色体数目加倍,D正确。
答案:BCD
5.解析:正常情况下,若只考虑性染色体,精子有X和Y两种类型,是由性染色体为XY的精原细胞经减数分裂产生的。X和Y染色体是一对特殊的同源染色体,若减数第一次分裂后期这一对同源染色体不分离,则产生性染色体为XY的精子;若分离则产生性染色体为X和Y的两个次级精母细胞,二者分别进行减数第二次分裂,产生两个性染色体为X和两个性染色体为Y的精子。产生性染色体为YY的精子是由于在减数第二次分裂后期,Y染色体上的两条姐妹染色单体没有分离而进入同一个子细胞。
答案:C
6.解析:AA型配子中没有a基因,说明减数第一次分裂时A与a已经分开,一定是由于减数第二次分裂时2号染色体未分离,A正确,B错误;AA型配子中不含性染色体,有两种可能:一是在减数第一次分裂时性染色体未分离,由产生的不含性染色体的次级性母细胞分裂而成;二是减数第二次分裂时性染色体未分离,产生不含性染色体的性细胞,故C正确,D错误。
答案:AC
7.解析:一个精原细胞在含3H标记的胸腺嘧啶脱氧核苷酸培养基中完成一个细胞周期后,每条染色体的DNA分子有一条链被标记,然后在不含放射性标记的培养基中继续完成减数分裂过程,初级精母细胞中每条染色体只有一条染色单体被标记,着丝粒分裂后的次级精母细胞有一半的染色体被标记。由于减数第二次分裂后期染色体的随机结合,含有被标记染色体的精细胞的比例不能确定。整体来看,产生的四个精细胞中的全部染色体,被标记数与未被标记数相等。
答案:D
8.解析:有丝分裂中期、后期染色体条数的分析:“类胚胎干细胞”来自人体,人体的一个正常细胞中含有46条染色体,有丝分裂中期染色体数目与体细胞相同(46),后期染色体数目加倍(92),故无论经过几次分裂,在有丝分裂中期染色体数目都是46,后期染色体条数都是92。有丝分裂中期、后期被32P标记的染色体条数的分析:以1个DNA分子为例,双链被32P标记,转入不含32P的培养液中培养,由于DNA具有半保留复制的特点,第一次有丝分裂完成时,每个DNA分子中都有1条链被32P标记;第二次有丝分裂完成时,只有1/2的DNA分子被32P标记。有丝分裂中期时,染色单体没有分开,而这2条没有分开的染色单体中,1条被32P标记,导致整条染色体也被32P标记。
答案:A
高考必考教材实验(八)
【任务驱动 探究突破】
任务1 (1)精母 形态、位置和数目
(2)①漂洗 染色 制片 ②初级精母 次级精母 中期 后期 中期 后期 观察结果
任务2
科学思维
(1)多于 次级卵母细胞 (2)减数分裂
【考向分类 对点落实】
1.解析:要想观察减数分裂的全过程,必须要求观察材料能够连续地完成减数分裂的过程且进行减数分裂的细胞数量多。蚕豆的雄蕊和蝗虫的精巢中的细胞能够完整地进行减数分裂且数量多;而桃花的雌蕊中和动物的卵巢中进行减数分裂的细胞数量很少,并且减数分裂过程不完整,不易观察到。
答案:AC
2.解析:甲细胞中有同源染色体,且分布于赤道板两侧,处于减数第一次分裂中期,应该为初级精母细胞,A错误;乙细胞中染色单体分离,没有同源染色体,处于减数第二次分裂后期,B错误;丙细胞中两极都有同源染色体,处于有丝分裂后期,C正确;丁细胞中染色体的互换区段中,同一位点上的基因不一定相同,D错误。
答案:ABD
3.解析:由图可知,甲表示减Ⅰ前期,乙表示减Ⅰ后期,丙表示减Ⅰ末期,丁表示减Ⅱ后期。甲中同源染色体的非姐妹染色单体交叉互换可导致基因重组,A正确;乙中同源染色体分离的同时,非同源染色体发生自由组合,移向两极的染色体组成不同,B错误;染色体的复制发生在减Ⅰ前的间期和有丝分裂间期,C错误;同源染色体的分离发生在减Ⅰ后期,不能发生在丁中,D错误。
答案:A
4.解析:(1)观察减数分裂应选取生殖器官,本题应选取(小鼠)睾丸。(2)制片过程为“解离—漂洗—染色—制片”。(3)精原细胞通过有丝分裂实现自我增殖,通过减数分裂形成成熟生殖细胞,故中期细胞可能是有丝分裂中期、减Ⅰ中期、减Ⅱ中期。
答案:(1)(小鼠)睾丸
(2)①解离固定液 ②醋酸洋红染液 ③压片(只要有压片的操作均可)
(3)次级精母细胞、精细胞、精原细胞
5.解析:(1)在观察细胞分裂过程中,需要加入碱性染料(如甲紫溶液或醋酸洋红溶液)将染色体染色,通过观察染色体的形态、位置和数目的变化确定细胞所处的时期。(2)图②细胞所处的时期为减数第一次分裂后期,此时期的特点是同源染色体分离,非同源染色体自由组合;图③细胞所处的时期为减数第一次分裂前期,此时期的特点是同源染色体联会形成四分体,此外同源染色体中的非姐妹染色单体之间常常发生交叉互换;根据染色体的形态、位置和数目的变化可知,图中分裂图的先后顺序为①→③→②→⑤→④。(3)根据题干可知,百合属于二倍体生物,故图②的细胞中含有2个染色体组,图⑤细胞处于减数第二次分裂后期,此时期的特点是着丝粒分裂,细胞中无染色单体。
答案:(1)碱性染料(或甲紫溶液或醋酸洋红溶液) 染色体
(2)分离 自由组合 联会(或“两两配对”) 同源染色体的非姐妹染色单体 ③→②→⑤→④ (3)2 0
课堂总结 网络聚焦大概念
网络建构提升
①初级精母细胞 ②减数第一次分裂 ③次级精母细胞 ④精细胞 ⑤初级卵母细胞 ⑥次级卵母细胞 ⑦减数第二次分裂 ⑧卵细胞 ⑨受精卵 ⑩有丝分裂
示例
1.减数第一次分裂末期、同源染色体分离 2.减Ⅱ后期、着丝粒分裂 3.减Ⅰ前期、同源染色体的非姐妹染色单体之间
历届真题 分类集训培素养
等级选考研考向
1.解析:等位基因是指位于同源染色体的相同位置上,控制相对性状的基因。1与2、3与4均是位于同一条染色体的姐妹染色单体上的基因,不考虑突变,则1与2是相同基因,3与4也是相同基因,1与3、4以及2与3、4为一对同源染色体相同位置上的基因,可能为等位基因,也可能为相同基因,而1与6、7、8位于一对同源染色体的不同位置上,互为非等位基因,A错误;同一个体的精原细胞有丝分裂前期,染色体已复制,所以含有基因1~8,B正确;1与3是位于同源染色体上的基因,减数第一次分裂后期随同源染色体的分开而分离,1与2是位于同一条染色体的姐妹染色单体上的基因,在减数第二次分裂后期随着丝点分裂而分离,但如果减数第一次分裂前期发生了交叉互换,导致2与3互换位置,则1与3的分离还将发生在减数第二次分裂后期,1与2的分离也会发生在减数第一次分裂后期,C错误;由图可知,5与6位于一条染色体的姐妹染色单体的相同位置,为相同基因,而1与5位于同一条染色单体上,则1与6组合不会形成重组型配子,D错误。
答案:B
2.解析:减数分裂第一次分裂结束形成的细胞无同源染色体,每条染色体含2条姐妹染色单体,D正确。
答案:D
国考真题研规律
1.解析:有丝分裂后期与减数第二次分裂后期都发生着丝点分裂,姐妹染色单体分离,移向两极,A正确;有丝分裂不发生同源染色体联会,减数第一次分裂前期发生同源染色体联会,B错误;有丝分裂与减数分裂染色体都只复制一次,C正确;有丝分裂和减数第二次分裂的染色体行为类似,前期散乱分布,中期染色体排列在赤道板上,后期姐妹染色单体分离,D正确,所以选B。
答案:B
2.解析:(2)产生精细胞的减数分裂过程中,染色体复制一次,而细胞连续分裂两次,导致产生的精细胞中染色体数目较初级精母细胞减半。
答案:染色体复制一次,而细胞连续分裂两次
3.解析:减数分裂过程中等位基因随着同源染色体分离而分离,非同源染色体上的非等位基因随着非同源染色体的自由组合而自由组合。等位基因一般指位于一对同源染色体的相同位置上控制着相对性状的一对基因,由图可知等位基因G、g和H、h分别位于两对同源染色体上。两个细胞大小相等,每条染色体上有两条染色单体,两条染色单体上有由DNA复制而来的两个相同的基因,为减数第二次分裂前期的两个次级精母细胞,A正确;两个细胞大小相等,为减数第二次分裂前期的两个次级精母细胞,与A项细胞不同的原因是非同源染色体上的非等位基因的自由组合的方式不同,产生了基因组成为ggHH、GGhh的两个次级精母细胞,B正确;4个细胞大小相同,为4个精细胞,两两相同,C正确;虽然4个大小相同的精细胞也是两两相同,但是每个精细胞中不能出现同源染色体、等位基因,D错误。
答案:D
相关学案
这是一份备考2024届高考生物一轮复习讲义第四章细胞的生命历程课时2减数分裂和受精作用考点1减数分裂和受精作用,共10页。
这是一份新教材高考生物一轮复习第四单元细胞的生命历程3细胞的分化衰老和死亡学案必修1,共13页。
这是一份新教材高考生物一轮复习第四单元细胞的生命历程1细胞周期和细胞的有丝分裂学案必修1,共26页。

