人教版 (新课标)选修310 实验:测定电池的电动势和内阻同步训练题
展开
这是一份人教版 (新课标)选修310 实验:测定电池的电动势和内阻同步训练题,共4页。试卷主要包含了69 Ω 小,,A2为理想电流表等内容,欢迎下载使用。
1.(2010·广东理综)某同学利用电压表和电阻箱测定干电池的电动势和内阻,使用的器材还包括定值电阻(R0=5 Ω)一个,开关两个,导线若干,实验原理图如图(a).
(1) 在图(b)的实物图中,已正确连接了部分电路,请完成余下电路的连接.
(2)请完成下列主要实验步骤:
A.检查并调节电压表指针指零;调节电阻箱,示数如图(c)所示,读得电阻值是 ;
B.将开关S1闭合,开关S2断开,电压表的示数是1.49 V;
C.将开关S2 ,电压表的示数是1.16 V;断开开关S1.
(3)使用测得的数据,计算出干电池的内阻是 (计算结果保留两位有效数字).
(4)由于所用电压表不是理想电压表,所以测得的电动势比实际值偏 (填“大”或“小”).
【解析】(1)见答案
(2) 由题图(c)读得电阻箱阻值为R=20 Ω;将S1闭合S2断开,电压表示数为电源电动势E=1.49V.将S2再闭合,电压表示数为R两端电压.将电压表视为理想电表,则干路电流I=UV/R=1.1620 A=0.058 A.
(3)因为I=E/(R0+R+r),所以r=E/I-R0-R=(1.49/0.058-5-20)Ω=0.69 Ω.
(4) 若考虑电压表的内阻,则S1闭合S2断开时,电压表示数为该表两端电压,小于电源电动势.
【答案】(1)如图所示 (2)A.20 Ω C.闭合 (3)0.69 Ω (4)小
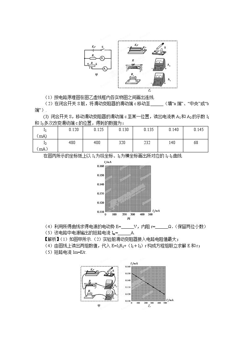
2.(2009·海南高考)图甲是利用两个电流表A1和A2测量干电池电动势E和内阻r的电路原理图.图中S为开关,R为滑动变阻器,固定电阻R1和A1内阻之和为10 000 Ω(比r和滑动变阻器的总电阻都大得多),A2为理想电流表.
(1)按电路原理图在图乙虚线框内各实物图之间画出连线.
(2)在闭合开关S前,将滑动变阻器的滑动端c移动至 (填“a端”、“中央”或“b端”).
(3) 闭合开关S,移动滑动变阻器的滑动端c至某一位置,读出电流表A1和A2的示数I1和I2.多次改变滑动端c的位置,得到的数据为:
在图丙所示的坐标纸上以I1为纵坐标、I2为横坐标画出所对应的I1-I2曲线.
(4)利用所得曲线求得电源的电动势E= V,内阻r= Ω.(保留两位小数)
(5)该电路中电源输出的短路电流Im= A.
【解析】(1)如图甲所示.(2)实验前滑动变阻器接入电路电阻值最大;
(4)由图线上读出两组数值,代入E=I1R1+(I1+I2)r构成方程组联立求解E和r;
(5)短路电流Im=E/r.
【答案】(1)连线如图甲所示(2)b端
(3)如图乙所示
(4)1.49(1.48~1.50) 0.60(0.55~0.65)
(5)2.4(2.3~2.7)
3.(2009·安徽理综)用如图所示电路,测定一节干电池的电动势和内阻.电池的内阻较小,为了防止在调节滑动变阻器时造成短路,电路中用一个定值电阻R0起保护作用.除电池、开关和导线外,可供使用的实验器材还有:
(a)电流表(量程0.6 A、3 A);
(b)电压表(量程3 V、15 V);
(c)定值电阻(阻值1 Ω、额定功率5 W);
(d)定值电阻(阻值10 Ω、额定功率10 W);
(e)滑动变阻器(阻值范围0~10 Ω、额定电流2 A);
(f)滑动变阻器(阻值范围0~100 Ω、额定电流1 A).
那么:
(1)要正确完成实验,电压表的量程应选择________V,电流表的量程应选择________A;R0应选择________Ω的定值电阻,R应选择阻值范围是________Ω的滑动变阻器.
(2)引起该实验系统误差的主要原因是________________________________________________________________________.
【解析】 本题主要考查的知识点是测电源的电动势和内电阻,意在考查考生对电学实验器材的选择能力和误差分析能力.
【答案】 (1)3 0.6 1 0~10 (2)电压表的分流
I1(mA)
0.120
0.125
0.130
0.135
0.140
0.145
I2(mA)
480
400
320
232
140
68
相关试卷
这是一份物理选修34 实验:用双缝干涉测量光的波长同步训练题,共2页。
这是一份人教版 (新课标)选修32 电动势练习,共4页。试卷主要包含了,A2为理想电流表等内容,欢迎下载使用。
这是一份高中物理人教版 (新课标)选修32 电动势习题,共3页。试卷主要包含了69 Ω 小,,A2为理想电流表等内容,欢迎下载使用。

