- 专项9.《简单机械、功和机械效率》练习题 试卷 2 次下载
- 专项10.《热和能》练习题 试卷 1 次下载
- 专项12.《欧姆定律》练习题 试卷 2 次下载
- 专项13.《电功和电功率》练习题 试卷 1 次下载
- 专项14.《家庭电路和安全用电》练习题 试卷 0 次下载
专项11.《电流和电路、电压和电阻》练习题
展开2020全国物理中考题分类汇编——《电流和电路、电压和电阻》
1.(2020上海)在原子中,带负电的粒子是( )
A. 中子 B. 电子 C. 质子 D. 核子
2.(2020青海)甲、乙、丙三个轻质泡沫小球用绝缘细线悬挂在天花板上,它们之间相互作用时的场景如图所示,已知丙球与用毛皮摩擦过的橡胶棒所带的电荷相同,下列判断正确的是( )
A. 甲、乙两球均带正电 B. 甲、乙两球均带负电
C. 甲球带正电,乙球一定带负电 D. 甲球带负电,乙球可能不带电
3.(2020四川自贡)用毛皮摩擦过的橡胶棒去靠近甲和乙两个轻小物体,结果与甲互相排斥、跟乙相吸引。于是可以判定( )
A. 甲带正电,乙带负电 B. 甲带负电,乙带正电
C. 甲带负电,乙不带电或带正电 D. 甲带正电,乙不带电或带负电
4.(2020四川自贡)以下几组材料中,都是绝缘体的是( )
A. 玻璃、大地、塑料 B. 橡胶、玻璃、塑料
C. 人体、空气、石墨 D. 食盐水溶液、金属、水
5.(2020青海)通常情况下,下列物体中属于绝缘体的是( )
A. 铅笔芯 B. 盐水 C. 铜丝 D. 橡胶
6.(2020吉林长春)下列材料常温下属于导体的是( )
A. 陶瓷 B. 橡胶 C. 玻璃 D. 铁
7.(2020陕西)半导体的导电性能介于导体和绝缘体之间,有些半导体材料的导电性能受温度、光照、压力等影响而显著变化。下列不能用半导体材料制作的是( )
A. 热敏电阻 B. 光敏电阻 C. 压敏电阻 D. 高压输电线
8.(2020四川成都)年仅24岁的成都青年曹原,解决了困扰世界物理学家多年的难题,取得了在石墨烯超导领域中的重大突破。超导材料不能用来制作( )
A. 电热丝 B. 电磁铁 C. 电动机线圈 D. 输电导线
9.(2020湖南长沙)干燥的天气里,用塑料梳子头,头发会随着子飘起来,而且会变得蓬松,下列说法正确的是( )
A. 塑料是导体
B. 梳子梳头后,梳子带电而头发不带电
C. 梳子与头发摩擦的过程中创造了电荷
D. 梳头发变得蓬松是因为带上同种电荷而互相排斥
10.(2020广州市)如图所示,轻质棒M放在绝缘支架上,与毛皮摩擦后带上负电的绝缘棒L靠近M的A端时,A端被L吸引,则( )
A. M一定带负电 B. M一定带正电
C. 摩擦时,L失去电子 D. 摩擦时,L得到电子
11.(2020江苏南京)关于粒子和宇宙,下列说法正确的是( )
A. 电子的发现,说明原子是可分的
B. 同种电荷相互吸引,异种电荷相互排斥
C. 地球绕太阳运动,说明太阳是宇宙的中心
D. 质子、原子、电子是按照尺度由大到小的顺序排列的
12.(2020内蒙古呼和浩特)科学方法在物理问题的研究中,起到了重要的作用。比如,两个定值电阻,一个5Ω,一个10Ω,粗细均匀。以下描述正确的是( )
A. 如果这两个电阻的材料相同,则5Ω的长度一定大于10Ω的长度
B. 如果这两个电阻的材料不同,则5Ω的长度一定小于10Ω的长度
C. 如果这两个电阻的材料、横截面积相同,则5Ω的长度一定小于10Ω的长度
D. 如果这两个电阻的材料、长度相同,则5Ω的横截面积一定小于10Ω的横截面积
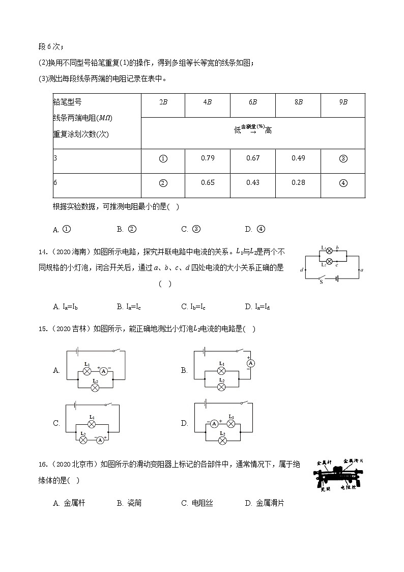
13.(2020广州市)小明测量不同型号铅笔在纸上涂划所得线条的电阻,实验步骤如下:
(1)用铅笔在纸上画出两段长为15cm的线条,在其中一段线条上重复涂划3次,另一段6次;
(2)换用不同型号铅笔重复(1)的操作,得到多组等长等宽的线条如图;
(3)测出每段线条两端的电阻记录在表中。
铅笔型号
线条两端电阻(MΩ)
重复涂划次数(次)
2B
4B
6B
8B
9B
低→含碳量(%)高
3
①
0.79
0.67
0.49
③
6
②
0.65
0.43
0.28
④
根据实验数据,可推测电阻最小的是( )
A. ① B. ② C. ③ D. ④
14.(2020海南)如图所示电路,探究并联电路中电流的关系。L1与L2是两个不同规格的小灯泡,闭合开关后,通过a、b、c、d四处电流的大小关系正确的是( )
A. Ia=Ib B. Ia=Ic C. Ib=Ic D. Ia=Id
15.(2020吉林)如图所示,能正确地测出小灯泡L2电流的电路是( )
A. B.
C. D.
16.(2020北京市)如图所示的滑动变阻器上标记的各部件中,通常情况下,属于绝缘体的是( )
A. 金属杆 B. 瓷筒 C. 电阻丝 D. 金属滑片
17.(2020四川自贡)如图是实验室伏安法测电阻的电路图,其中a、b电表应分别为( )
A. a为电流表,b为电流表 B. a为电压表,b为电压表
C. a为电流表,b为电压表 D. a为电压表,b为电流表
18.(2020四川成都)工作和生活中,手机已成为人们常用的工具。华为智能手机的电池电压最接近( )
A. 4V B. 110V C. 220V D. 380V
19.(2020天津)图所示是一个简化了的玩具警车电路图。若只让电动机M工作,应( )
A.只闭合S1 B.只闭合S2 C.S1、S2都闭合 D.S1、S2都断开
20.(2020青海)如图所示,是探究串联电路中小灯泡两端的电压与电源两端电压关系的电路图。已知电源电压为4.5V,L1,L2为两个不同规格的小灯泡,当闭合开关S后两灯都不亮。用电压表进行测量时,测得AB两点之间的电压为零,BC两点之间的电压为4.5V则下列判断中正确的是( )
A. 灯泡L1的灯丝断了 B. 开关接触不良
C. 灯泡L2的灯丝断了 D. 灯泡L2被短路
21.(2020山东青岛)(多选)“用电流表测量小灯泡的电流”的部分电路如图所示。下列说法正确的是( )
A. 用导线连接c、e,电流表只能测量通过灯泡L1的电流
B. 用导线连接d、e,电流表只能测量通过灯泡L2的电流
C. 用两根导线分别连接a、d和c、e,电流表只能测量通过灯泡L1的电流
D. 用两根导线分别连接b、d和c、e,电流表只能测量通过灯泡L2的电流
22.(2020青海)如图所示,电源电压保持不变,关于电路的工作情况,下列说法中正确的是( )
A. 同时闭合两个开关,通过两只灯泡的电流一定相同
B. 若电压表和电流表的位置对调,闭合S1、S2后,则两表都被烧坏
C. 若先闭合S1,再闭合S2,电压表示数不变,电流表的示数变大
D. 若灯L1被短路,闭合S1、S2后,灯L1不亮,灯L2亮电流表损坏
23.(2020福建省)下列材料中,通常情况下属于导体的是( )
A. 塑料 B. 玻璃 C. 橡胶 D. 钢铁
24.(2020湖南长沙)如图所示的钨丝是将一个白炽灯去除玻璃罩制成的,闭合开关S,小灯泡L发光,钨丝不发光,向钨线吹气时,小灯泡L变亮,用酒精灯给钨丝加热,小灯泡L逐渐变暗直至熄灭,由实验可知( )
A. 钨丝的电阻随温度升高而减小
B. 向钨丝吹气时,钨丝电阻变小
C. 给钨丝加热时,电路中的电流变大
D. 小灯泡L发光而钨丝不发光是因为通过钨丝的电流小于小灯泡L的电流
25.(2020浙江宁波)某熨烫机电路主要由发热体、熔丝、控制开关盒等组成,其连接如图所示,其中控制开关盒内有开关、指示灯和分压保护电阻等元件。当该熨烫机接入家庭电路后,闭合开关,指示灯发光,发热体工作。现由于某种原因熔丝熔断,发热体不工作,但指示灯仍发光。下列控制开关盒内元件的连接方式符合要求的是( )
A. . B. .
C. . D.
26.(2020重庆B卷)某种电子测温枪靠近被测者额头,闭合测温开关S1,只有热敏电阻R工作。测温枪的显示屏显示被测者温度;在环境光线较暗看不清示数时,再闭合开关S2,显示屏补光灯泡L发光;在测温开关S1断开时闭合开关S2,灯泡L不发光。关于热敏电阻R与补光灯泡L在电路中的连接方式,图中的电路符合要求的是( )
A. B.
C. D.
27.(2020重庆A卷)刚搬新家的小超对家里卫生间的电路进行探究,发现照明灯和换气扇既能同时使用,又能独立使用,图中最符合此卫生间电路特点的是( )
A. B.
C. D.
28.(2020湖南长沙)小英回家时发现有两个开关可以控制小区的门,闭合任何一个开关,电动机都会工作,把门打开,下列电路图符合上述要求的是( )
A. B. C. D.
29.(2020福建省)需要制作一个具有如下功能的选答器:单选题有两个可供选择的答案,与两个答案对应的红绿灯分别由S1,S2两个开关控制,选择哪个答案就闭合对应的开关,使相应的灯发光。下列设计简图符合上述要求的是( )
A. B.
C. D.
30.(2020广西贵港)家庭厨房安装的抽油烟机里有照明灯和换气扇。它们既能单独工作,又能同时工作,如图所示电路中,符合上述要求的是( )
A. B. C. D.
31.(2020江苏苏州)有一款“空调扇”既能送常温风,又能送凉风。小明了解到其内部有两个电动机,其中电动机M1,驱动扇叶送风,M2驱动机内水循环使所送的风成为“凉风”,此款风扇不会只有水循环而不送风。小明设计的电路图,符合要求的是( )
A. B.
C. D.
32.(2020贵州毕节)汽车安全带未系提示器是由压力传感器和开关设计而成。当乘客坐上去,满足设置的压力条件时,座椅下的开关S1闭合,若未系安全带(安全带控制开关S2断开)则语音提示:“请系好安全带”,系上安全带后,安全带控制开关S2闭合,语音提示器不工作。下图中R是限流电阻,能够满足要求的是( )
A. B.
C. D.
33.(2020黑龙江省齐齐哈尔)在干燥的天气里,用塑料梳子梳头发时,头发会随梳子飘起来,这是因为梳子和头发摩擦时,分别带上______电荷,互相______。
34.(2020辽宁沈阳)将与毛衣摩擦过的气球靠近头发,会看到如图所示的令人惊奇的现象。这是由于气球摩擦后______,会______不带电的头发。
35.(2020上海)在图所示的电路中,电源电压保持不变,闭合开关S,发现只有一个电流表的指针发生偏转,已知电阻R1、滑动变阻器R2中仅有一个出现了故障。
①电路中的故障可能是______
②在原故障电路中,向右移动变阻器R2的滑片P,观察到一个电流表的示数先不变,后发生了改变。请判断:______(选填“能”或“不能”)进一步确定故障所在,并说明理由______
36.(2020上海)小林同学在学习了电阻知识后,刚好看到“中国天才少年曹原用实验揭开超导的奥秘,破解了困扰物理学界百年的世界难题!”的报道,于是他上网查阅相关资料,知道了“超导体”是指在某一温度下电阻为零的导体,某些导体有电阻,通电时会发热;而超导体的电阻为零,通电时不会发热。
为了研究某些导体的电阻大小与温度的关系,用如图所示的灯泡中的灯丝(钨丝)进行实验,记录的实验数据如下表所示。
实验序号
物理量
1
2
3
4
5
6
7
电阻R(Ω)
35.6
31.5
26.3
23.2
15.1
9.5
3.8
实测灯丝温度t(℃)
1985.7
1698.8
1200.7
900.8
400.5
205.8
12.5
①分析上表中的实验数据,可初步归纳得出的结论是:______。
②根据表中数据可进一步提出的猜测(推理):当某些导体的温度降到一定温度时,某些导体的电阻可能接近______欧。
③这种导体的研究及推广应用的意义是______。
37.(2020云南)科技改变生活,大多数科技产品需要有半导体芯片的支持才能发展,目前领先全球的是5nm工艺芯片技术,5nm=______m.利用半导体材料可以制作发光二极管,简称LED电流由正极经过LED流向负极时,LED发光;反之,电流不能从负极流向正极,LED不发光,这说明发光二极管具有______导电性。
38.(2020海南)风能是______(选填“可再生”或“不可再生”)能源;硅是常用的______(选填“导体”、“半导体”或“绝缘体”)材料。
39.(2020河南)用毛皮摩擦过的橡胶棒由于得到电子而带______电。用这个橡胶棒接触验电器的金属球,如图所示,验电器的两金属箱片由于带同种电荷互相______而张开。
40.(2020陕西)一节干电池的电压是______V;家庭电路中电冰箱、电视机、电灯等用电器的连接方式是______联。
41.(2020广西南宁)如图所示,ab为一根铅笔芯,闭合开关后,小灯泡发光,说明铅笔芯是____(选填“导体”或“绝缘体”)。将夹子在铅笔芯上向左移动时,观察到小灯泡变____(选填“亮”或“暗”),请根据实验现象,提出一个可探究的科学问题:____
42.(2020甘肃省金昌市)如图所示,小朋友出现了“怒发冲冠”的情景。产生这种现象的原因是小朋友从滑梯滑下时发生了______现象,使头发带上了______(选填“同种”或“异种”)电荷互相排斥而张开。
43.(2020北京市)如图所示,手持用丝绸摩擦过的玻璃棒,靠近吊起的用毛皮摩擦过的橡胶棒的一端,发现橡胶棒的这端被吸引过来,这是由于______。
44.(2020广西贵港)如图所示,用A、B两个金属夹子将一根铅笔芯接入电路中,当B夹子左右移动时,小灯泡的亮度会发生变化。导致铅笔芯接入电路的电阻发生变化的主要因素是______;若将A、B两个金属夹子间的铅笔芯换成塑料吸管,小灯泡______(选填“会”或“不会”)发光。
45.(2020黑龙江省齐齐哈尔)在家庭用电的调查活动中,小明听妈妈说“使用20W的白炽灯比使用60W的白炽灯省电”。小明经过研究发现,这种说法是指它们正常工作相同的时间,使用额定功率为20W的白炽灯比使用额定功率为60W的白炽灯消耗的电能______(选填“少”或“多”)。小明关闭电灯后,发现家中电冰箱仍在工作,说明电冰箱和电灯是______(选填“串联”或“并联”)的。
46.(2020吉林)电冰箱内冷冻室的压缩机(电动机)和冷藏室的照明灯是串联的还是并联的?并说出判断的理由。
47.(2020广东省)如图所示,图甲中电压表的分度值为______V,读数为______V;若使用前出现如图乙所示的情况,则原因是______。
48.(2020上海)在图所示的电路中,有两根导线尚未连接,请用笔画线代替导线补上。要求:
①闭合电键S后,向左移动滑动变阻器的滑片P,小灯变暗;
②电压表测量滑动变阻器两端的电压。
49.(2020甘肃省天水市)请根据如图所示的实物图,画出对应的电路图。
50.(2020甘肃省金昌市)处处留心皆学问,请用物理知识解释下面生活中的现象:
(1)油罐车后轮有四个轮胎,比起两个轮胎减小了对路面的破坏,其原因是?
(2)运输时,看到在油罐车的尾部总有一根铁链在地上拖着走,这根铁链起什么作用?
51.(2020广州市)小明设计的电胳图如图1,小灯泡L1、L2的额定电压分别为2.5V、1.5V。
(1)根据电路图,用笔画线表示导线,把图2中的实物连接起来。
(2)电路正确连接后,闭合开关,两灯发光,如图3电压表V1的示数为______,V2的示数为2.8V,L2是否正常发光?______。
(3)小明将L1换成额定电压为2.5V的LED,闭合开关后发现LED亮,而L2不亮。
①小明认为此时L2烧断,他判断是否正确?
______,依据是______。
②小芳认为L2两端电压不够,将图2中的电池增至三节。闭合开关,两灯不亮,此时V1、V2的示数均为4.4V,这可能是______烧断(选填“LED”“L2”)。
52.(2020四川成都)在“连接并联电路”的实验中,小红同学用两个不同的小灯泡组成了如图所示的电路。
(1)连接电路时,开关S应该处于______状态。
(2)她将所有开关闭合,发现S1支路的灯不亮,S2支路的灯发光。于是她断开所有开关,交换两灯位置后,再闭合所有开关,发现仍然是S1支路的灯不亮,S2支路的灯发光。故障的原因可能是______。
A.某个灯泡的灯丝断路
B.干路上某根导线断路
C.S1支路某根导线断路
D.S2支路某根导线断路
(3)她排除故障后,继续进行实验。为了探究开关S1的作用,在观察灯泡发光情况时,她应该______。
A.同时观察两个支路上的灯泡
B.只观察S1所在支路上的灯泡
C.只观察S2所在支路上的灯泡
参考答案
1.【答案】B
【解析】解:原子中质子带正电、中子不带电、电子带负电.
故选B.
原子由原子核和核外带负电的电子组成.
本题考查了原子的结构及粒子的带电情况,很简单.
2.【答案】D
【解析】
【分析】
该题考查带电物体之间的相互作用,要注意,一个带电的物体吸引另一个物体时,要注意带电体具有能吸引轻小物体的特点。
毛皮摩擦过的橡胶棒带负电,由同种电荷相互排斥,判断出甲的电性,然后结合电荷之间相互作用的特点进一步判断。
【解答】
已知丙球与用毛皮摩擦过的橡胶棒所带的电荷相同,由于毛皮摩擦过的橡胶棒带负电,所以丙球带负电;
由图知,甲球与丙球靠近时相互排斥,根据同种电荷相互排斥知,甲球一定带负电;
甲球与乙球相互吸引,根据异种电荷相互吸引知,乙球可能带正电;但带电体能够吸引不带电的物体,所以乙球可能不带电。综合知,乙球可能带正电,也可能不带电。
故选D。
3.【答案】C
【解析】解:两个物体之间排斥则一定是同种电荷,橡胶棒带负电,甲一定带负电荷;两个物体吸引则可能是异种电荷也可能是一个带电、一个为轻小物体,所以乙可能带正电也可能不带电。
故选:C。
用毛皮摩擦过的橡胶棒带负电,和甲排斥说明甲一定带负电,因为只有同种电荷才能排斥;和乙吸引说明乙可能带正电也可能不带电,因为异种电荷相互吸引,一个带电,另一个为轻小物体也能相互吸引。
此题考查电荷间相互作用的规律和带电体的性质。突破口在于排斥则一定是同种电荷。
4.【答案】B
【解析】解:A、玻璃、大地、塑料中,大地容易导电,是导体;玻璃、塑料不容易导电,是绝缘体,故A不合题意;
B、橡胶、玻璃、塑料都不容易导电,是绝缘体,故B符合题意;
C、人体、空气、石墨中,人体和石墨容易导电,是导体;平常,空气不容易导电,是绝缘体,故C不合题意;
D、食盐水溶液、金属都容易导电,是导体;生活用水容易导电,是导体,纯水不容易导电,是绝缘体,故D不合题意。
故选:B。
根据导电性的不同,材料可分为导体,半导体,绝缘体三大类,容易导电的物体叫导体,不容易导电的物体叫绝缘体,导电性能介于导体与绝缘体之间的叫半导体。
本题考查了导体和绝缘体的概念。对于常见的导体和绝缘体可以联系它们在日常生活和工业生产中的应用来记忆,不要死记硬背。如塑料,橡胶,陶瓷等常用来制作用电器的外壳,以防止触电,它们都是绝缘体;而电线芯用金属来做,因为金属容易导电,是导体,酸碱盐的水溶液都是导体。
5.【答案】D
【解析】解:铅笔芯、盐水、铜丝都容易导电,所以它们在通常情况下都属于导体。而橡胶在通常情况下不容易导电,所以它是绝缘体。故ABC不符合题意,D符合题意。
故选:D。
容易导电的物体叫导体,不容易导电的物体叫绝缘体;常见的导体包括:人体、大地、各种金属、酸碱盐的溶液等;常见的绝缘体有陶瓷、塑料、玻璃、橡胶、油等;导体和绝缘体没有绝对的界限。
此题考查了导体与绝缘体的概念以及生活中常见的实例;生活中哪些物体为导体,哪些物体为绝缘体,属于识记的内容,比较简单。
6.【答案】D
【解析】解:ABC、陶瓷、橡胶、玻璃都不容易导电,它们都是绝缘体,故ABC错误。
D、铁属于金属,铁容易导电,铁是导体,故D正确。
故选:D。
容易导电的物体是导体,常见的导体包括:人体、大地、各种金属、酸碱盐的溶液等;不容易导电的物体是绝缘体,常见的绝缘体包括:塑料、陶瓷、玻璃、橡胶、空气等。
此题考查哪些物体为导体,属于识记的内容,比较简单。
7.【答案】D
【解析】解:ABC、根据半导体材料的导电性能在导体和绝缘体之间的特点,可以利用半导体材料制成热敏电阻、光敏电阻、压敏电阻等,故ABC错误;
D、高压输电线得用导体,故D正确。
故选:D。
半导体的导电性能在导体和绝缘体之间。利用半导体的特殊性能,可以做出方便人们生活的物品,例如热敏电阻、光敏电阻,压敏电阻等。
本题考查带电体能吸引轻小物体的性质和学生对生活中半导体具体实例的了解情况。
8.【答案】A
【解析】解:
A、电热丝用电阻较大的材料制成,若用超导体材料就不能产生热量,不能工作,故A符合要求;
B、电磁铁的线圈是利用电流的磁效应来工作的,若用超导体材料制作将会降低工作过程中的电能损耗,节约能源,故电磁铁的线圈可以用超导材料制作,故B不符合要求;
C、电动机的线圈若用超导体材料制作将会降低工作过程中的电能损耗,节约能源,故电动机的线圈可以用超导材料制作,故C不符合要求;
D、远距离输电中的输电导线若用超导体材料制成,将降低输电过程中的电能损耗,节约能源,故远距离输电中的输电导线可以用超导材料制作,故D不符合要求。
故选:A。
(1)超导体的电阻为零,不会放热,所以电能无法转化为内能,利用电流热效应工作的电器设备都不能用超导材料制作。
(2)超导体的电阻为零,也就避免了内能的损耗。
本题考查了几种物体的材料特点,解答本题的关键是超导体是零电阻,所有利用电流热效应工作的电器设备都不能用超导材料制作,特别是超导体材料在输电过程中的应用可以大大降低能源损耗,提高输电效率。
9.【答案】D
【解析】解:
A、塑料不容易导电是绝缘体,故A错误;
BCD、用塑料梳子梳头发时,塑料梳子与头发相互摩擦,发生了电荷的转移,从而使梳子和头发分别带上异种电荷而互相吸引,所以随着梳子飘起来;头发带上同种电荷而互相排斥,所以头发越梳越蓬松,故BC错误、D正确。
故选:D。
(1)容易导电的物体叫做导体,不容易导电的物体叫做绝缘体;
(2)摩擦起电的实质是电子在物体之间的转移,失去电子的带正电,得到电子的带负电;
(3)电荷间的相互作用规律是:同种电荷相互排斥,异种电荷相互吸引。
本题考查了摩擦起电现象、摩擦起电的实质,同时还考查了电荷间的相互作用规律,属于基础性题目。
10.【答案】D
【解析】解:
AB、与毛皮摩擦后的绝缘棒带负电,绝缘棒吸引轻质棒的A端,说明轻质棒可能带正电,也可能不带电。故A、B错误;
CD、绝缘棒带负电,是因为缘棒得到了电子。故C错误、D正确。
故选:D。
(1)带电体具有吸引轻小物体的性质;电荷间的相互作用规律是:同种电荷相互排斥,异种电荷相互吸引;
(2)由于不同物质的原子核对核外电子的束缚本领不同造成的,在摩擦的过程中束缚本领强的得电子带负电,束缚本领弱的失电子带正电,相互摩擦的两个物体带等量异种电荷。
此题考查了带电体的性质、电荷间相互作用及带电的原因,需要注意的是,相互排斥的是同种电荷,相互吸引的不一定是异种电荷。
11.【答案】A
【解析】解:
A、人们首先发现了电子,电子发现说明原子可以再分,故A正确;
B、电荷间的相互作用规律是:同种电荷相互排斥,异种电荷相互吸引,故B错误;
C、地球等行星绕太阳转动,太阳是太阳系的中心,不是宇宙的中心,故C错误;
D、质子和中子构成原子核,电子和原子核构成原子,电子比中子要小一些,故D错误。
故选:A。
(1)原子由原子核和电子构成;
(2)电荷间的作用规律:同种电荷相互排斥,异种电荷相互吸引;
(3)整个宇宙都是运动的;宇宙有层次之分,是由无数天体组成,太阳是宇宙中的一颗行星,不是宇宙的中心;
(4)宇宙由物质组成的,宇宙中拥有数十亿个星系,银河系只是其中之一,银河系很大,太阳系只是其中之一,地球是太阳系中一员;物体是由分子构成的,分子是由原子构成的,原子是由位于中心的原子核和核外电子构成的,原子核包括质子和中子两部分。
本题考查了电荷间的相互作用规律、微观世界、物体的运动,属于基础知识,要熟记。
12.【答案】C
【解析】解:
AC、两个电阻粗细均匀、材料相同,电阻越大,长度越长,所以10Ω的电阻较长;故A错误、C正确;
B、两个电阻粗细均匀,若材料不同,无法判断两个电阻的长度大小;故B错误;
D、两个电阻的材料、长度相同,横截面积越大,电阻越小,所以10Ω的电阻较小;故D错误。
故选:C。
影响电阻大小的因素是:材料、长度、横截面积、温度,根据控制变量法进行探究。
此题主要考查的是电阻大小的影响因素和控制变量法的熟练运用,正确运用控制变量法是解题的关键。
13.【答案】D
【解析】解:由表格数据可知,重复涂划相同时,铅笔的含碳量越高,电阻越小,铅笔的含碳量相同时,重复涂划次数越多,电阻越小,故电阻最小的是④,故D正确,ABC错误。
故选:D。
由表中数据分析,重复涂划次数越多,铅笔的含碳量越高。
本题为信息给予题,根据表中数据分析可得答案。
14.【答案】D
【解析】解:根据电路图可知,两灯并联,Ia为干路电流,Ib、Ic是两条支路的电流;
AB、根据干路电流等于各支路电流之和可得:Ia=Ib+Ic;故AB错误;
C、由于两个小灯泡是不同的规格,根据并联电路各支路两端的电压相等和欧姆定律可得:Ib≠Ic;故C错误;
D、由于a、d点都在干路上,则:Ia=Id,故D正确。
故选:D。
根据电路图可知,两灯并联,Ia为干路电流,Ib、Ic是两条支路的电流,根据并联电路的电流特点和欧姆定律即可确定三个电流的关系。
本题考查并联电路电流的规律,关键明确电路的连接方式以及各点所在的位置。关键是掌握并联电路的电压特点,注意两个小灯泡是不同的规格。
15.【答案】C
【解析】解:A、由图示电路图可知,电流表正负接线柱接反了,也没与L2串联,故不能测出小灯泡L2的电流,故A错误;
B、由图示电路图可知,电流表测量的是两灯泡并联后的总电流,不能测出通过小灯泡L2的电流,故B错误;
C、由图示电路图可知,电流表与小灯泡L2串联,且电流从正极流入,负极流出,测量通过小灯泡L2的电流,故C正确;
D、由图示电路图可知,电流表与小灯泡L2并联,测量的是通过小灯泡L1的电流,不能测出通过小灯泡L2的电流,故D错误。
故选:C。
根据电流表与被测用电器并联,并且流入电流表的电流必须从正接线柱流入,负接线柱流出对四个选项逐一分析,即可找出正确选项。
本题考查电流表的正确使用方法的辨别情况,本题的关键是观察电流表的连接方式和正负接线柱的接法。
16.【答案】B
【解析】解:组成滑动变阻器的金属杆(滑片导轨)、金属滑片和电阻丝,都容易导电,属于导体;
瓷筒,用陶瓷制成,不容易导电,属于绝缘体。
故选:B。
容易导电的物体叫导体,不容易导电的物体叫绝缘体,导电性能介于导体与绝缘体之间的叫半导体。
本题考查了导体和绝缘体的区别。对于常见的导体和绝缘体可以联系它们在日常生活和工业生产中的应用来记忆,不要死记硬背。如塑料、橡胶、陶瓷等常用来制作用电器的外壳,以防止触电,它们都是绝缘体;而电线芯用金属来做,因为金属容易导电,是导体。
17.【答案】C
【解析】解:根据电路图可知,a串联在电路中,因此a为电流表;b与电阻并联,因此b为电压表。
故选:C。
根据电流表与被测用电器串联,电压表与被测用电器并联进行分析。
本题考查电压表和电流表的正确使用,知道电流表与被测用电器串联,电压表与被测用电器并联进是关键。属于基础题。
18.【答案】A
【解析】解:华为智能手机的电池电压在3.7V左右,根据各个选项可知,4V是最接近的,故A正确。
故选:A。
手机电池的电压在3.7V左右,据此分析。
本题考查了一些常见的电压值,属于基础知识,要熟记。
19.【答案】A
【解析】
由电路图知,若只让电动机工作,则需闭合开关,断开开关。
故选A。
20.【答案】C
【解析】解:
已知两灯串联,闭合开关后,两灯都不亮,所以不可能是一灯短路,只能是断路;将电压表并联在L1两端时(AB两点),电压表示数为0,说明除AB外其他地方存在断路;将电压表并联到BC两点时,电压表有示数,且等于电源电压,说明电压表与电源正负极之间是接通的,所以故障是与电压表并联的灯泡L2的灯丝断了;故C正确。
故选:C。
闭合开关灯泡不亮,原因有两个:断路或短路。已知两灯串联都不亮,所以不可能是一灯短路,只能是断路。
使用电压表判断电路故障时,将电压表与某一用电器并联,闭合开关,若电压表显示较大示数(接近电源电压),故障为并联的用电器断路或串联的用电器短路;若电压表无示数,故障为并联的用电器短路或串联的用电器断路。
21.【答案】AC
【解析】解:
A、用导线连接c、e(如图甲),此时只有灯泡L1接入电路中,所以电流表只能测量通过灯泡L1的电流,故A正确;
B、用导线连接d、e(如图乙),两个灯泡串联接入电路中,因串联电路中各处的电流相等,则此时电流表既能测通过灯泡L1的电流,也能测通过灯泡L2的电流,故B错误;
C、用两根导线分别连接a、d和c、e时(如图丙),此时两个灯泡并联,电流表串联在L1的支路中,测量的是L1的电流,故C正确;
D、用两根导线分别连接b、d和c、e(如图丁),此时两个灯泡并联,电流表接在干路中,测量的是干路的电流,故D错误。
故选:AC。
电流表可以测量用电器的电流,测量过程中,电流表与哪个用电器串联,就是测量哪个用电器的电流。
本题考查了电路的分析、电流表的连接方式,属于基础知识,明确电路的结构是解题的关键。
22.【答案】C
【解析】解:
A、同时闭合两个开关,两灯并联,由并联电路电压的规律,两灯电压相同,两灯的规格不一定相同,由欧姆定律I=UR可知,通过两只灯泡的电流不一定相同,A错误;
B、若电压表和电流表的位置对调,电压表串联在电路中,电流表与L1并联,因电压表内阻很大,电路的电流很小,两表都不会被烧坏,B错误;
C、若先闭合S1,为L1的简单电路,电压表测电源电压,电流表测电路的电流;
再闭合S2,两灯并联,电压表测电源电压,电压表示数不变;而此时电流表测干路电流,因通过L1的电流不变,根据并联电路电流的规律,电流表的示数变大,C正确;
D、若灯L1被短路,闭合S1、S2后,则灯L2也会短路,灯L2不亮,造成电流表损坏和电源短路,D错误。
故选:C。
A、同时闭合两个开关,两灯并联,两灯的规格不一定相同,据此回答;
B、若电压表和电流表的位置对调,电压表串联在电路中,电流表与L1并联,根据电压表内阻很大分析;
C、若先闭合S1,为L1的简单电路,电压表测电源电压,电流表测电路的电流;
再闭合S2,两灯并联,电压表测电源电压,电压表示数不变,而电流表测干路电流,根据并联电路电流特点和规律分析电流表的示数变化;
D、若灯L1被短路,会造成电源短路。
本题考查并联电路的规律和特点,关键是电路结构的分析。
23.【答案】D
【解析】解:A、塑料不容易导电,是绝缘体,故A不符合题意。
B、玻璃不容易导电,是绝缘体,故B不符合题意。
C、橡胶不容易导电,是绝缘体,故C不符合题意。
D、钢铁是金属,金属容易导电是导体,故D符合题意。
故选:D。
容易导电的物体是导体,常见的导体包括:人体、大地、各种金属、酸碱盐的水溶液等。
不容易导电的物体是绝缘体,常见的绝缘体包括:塑料、玻璃、橡胶、陶瓷、干木材等。
此题考查了对导体和绝缘体的辨别,属于识记的内容,比较简单。
24.【答案】B
【解析】解:闭合开关S,小灯泡L发光,钨丝不发光,向钨线吹气时,小灯泡L变亮,说明通过小灯泡的电流变大,则钨丝的电阻减小;
用酒精灯对白炽灯的钨丝加热,钨丝的温度升高,观察到小灯泡L的亮度明显变暗,说明通过小灯泡L的电流变小,钨丝的电阻增大;
由于钨丝和小灯泡串联接入电路中,则通过它们的电流是相同的;
综上所述,ACD错误,B正确。
故选:B。
(1)掌握影响电阻大小的因素:材料、长度、横截面积和温度;根据实验过程分析控制的量和改变的量,得出探究的因素;
(2)根据灯泡发光的亮暗判断出电阻的变化。
此题是探究温度对导体电阻大小的影响,考查了控制变量法的应用,注意实验中不同的条件得出探究的因素,同时涉及到了电阻对电路中电流的影响。
25.【答案】D
【解析】解:根据题意可知,闭合开关,指示灯发光,发热体工作;当发热体断路不工作时,但指示灯仍发光,这表明发热体和灯泡是并联接入电路中的;开关控制整个电路;故D符合题意。
故选:D。
闭合开关,指示灯发光,发热体工作,发热体不工作,但指示灯仍发光,这表明发热体和灯泡是并联接入电路中的,据此分析。
本题考查了电路的设计,明确发热体和灯泡的连接方式是解题的关键。
26.【答案】D
【解析】解:由题意可知,灯泡L和热敏电阻R并联,S1在干路上,S2在灯泡L的支路上。
A、图中灯泡与热敏电阻R串联,故A不符合题意;
B、由图可知,只闭合测温开关S1,灯泡和热敏电阻R都工作。故B不符合题意;
C、开关S1断开时,闭合开关S2,灯泡L发光,故C不符合题意;
D、闭合测温开关S1,只有热敏电阻R工作,再闭合开关S2,灯泡L发光,开关S1断开时闭合开关S2,灯泡L不发光,故D符合题意;
故选:D。
由题意可知,闭合开关S1,只有热敏电阻R工作,说明S1只控制热敏电阻R,闭合开关S2,显示屏补光灯泡L发光;在测温开关S1断开时闭合开关S2,灯泡L不发光,说明灯泡与热敏电阻R并联,S1在干路上,S2在灯泡L的支路上。
此题以电子测温枪考查电路图的设计,读懂题意,明确灯泡L和热敏电阻R并联是关键。
27.【答案】D
【解析】解:要求照明灯和换气扇既能同时使用,又能独立使用,说明照明灯与换气扇应并联,且各自的支路上有一个开关进行控制;由各选项电路图可知,只有D图正确。
故选:D。
由题意可知,照明灯和换气扇都能各自独立工作,说明它们的连接方式是并联,且各自的支路上有一个开关进行控制。
本题考查了串、并联电路的设计,关键是根据“照明灯和换气扇既能同时使用,又能独立使用”判断照明灯和换气扇的连接方式以及两开关所在的位置。
28.【答案】B
【解析】解:根据题意可知,闭合任何一个开关,电动机都会工作,把门打开,这表明两个开关互不影响,是并联的,故B正确、ACD错误。
故选:B。
闭合任何一个开关,电动机都会工作,把门打开,说明两个开关是并联的。
根据题意得出两开关的连接方式是解决本题的关键,解决此类问题要抓住题干中有用的信息,即电路元件是否可以独立工作(并联),还是相互影响(串联)。
29.【答案】A
【解析】解:单选题有两个可供选择的答案,与两个答案对应的红绿灯分别由S1,S2两个开关控制,红灯和绿灯都能各自独立工作,所以这两个灯泡是并联的,控制灯泡的开关都接在各自的支路中,故A正确。
故选:A。
选择哪一个答案就按下哪一个按钮,对应的灯就亮,说明一个开关控制一个灯泡,两只灯泡互不影响,则两灯并联各支路都有对应的开关。
本题考查电路图的设计和并联电路的特点,电路图的设计是初中物理的难点也是重点,关键能根据题意设计出电路图。
30.【答案】D
【解析】解:要求照明灯与风扇既能单独工作,又能同时工作,故应使照明灯与风扇并联,且各自的支路有一个开关控制,干路上没有开关。
故选:D。
由题意可知,照明灯和换气扇都能各自独立工作,说明它们的连接方式是并联。
本题考查了并联电路的特点和开关的作用,明确串并联电路的特点是关键。
31.【答案】C
【解析】解:由图知:
A、开关S1闭合,电动机M1和M2串联同时工作;S1、S2都闭合,电动机M1被短路不能工作。故A不合题意;
B、开关S1闭合,电动机M1工作,驱动扇叶送风;S2闭合,电动机M2工作驱动机内水循环。水循环和送风互不影响。故B不合题意;
C、开关S1闭合,电动机M1工作,驱动扇叶送风;再闭合开关S2,电动机M2工作,驱动机内水循环,使所送的风成为“凉风”;若S1断开,无论S2是否闭合,电动机M2都不能工作。故C符合题意;
D、闭合开关S1,电动机M2工作,驱动机内水循环;再闭合开关S1,电动机M1工作,驱动扇叶送风。故D不合题意。
故选:C。
电路基本连接方式是串联和并联,其中串联电路用电器互相影响,并联电路用电器互不影响;串联电路一个开关可以控制所有用电器,并联电路干路开关控制所有用电器,支路开关只控制所在支路用电器。
此题考查串、并联电路的设计的应用,这考查了学生运用所学知识分析实际问题的能力,要求学生在生活中多注意观察,并学会应用。
32.【答案】C
【解析】
【分析】
本题利用了对用电器短路时,用电器将不工作设计电路,注意不能出现对电源短路的情况,电阻是保护电阻,可使电路对电源不被短路。
由题意知,只有坐在座位上时,语音才可能提示:“请系好安全带”,故S1可控制语音提示器,当开关S2闭合时,语音提示器不工作了,说明语音提示器被S2短路了。
【解答】
当乘客坐上去,满足设置的压力条件时,座椅下的开关S1闭合,若未系安全带,即安全带控制开关S2断开,则语音提示:“请系好安全带”;系上安全带后,安全带控制开关S2闭合,语音提示器不工作,则将语音提示器短路了,只有C正确。
故选C。
33.【答案】异种 吸引
【解析】解:
头发和梳子摩擦,头发和梳子带异种电荷,根据异种电荷互相吸引,所以头发会随着梳子飘起来。
故答案为:异种;吸引。
(1)不同物质组成的物体相互摩擦时,原子核束缚电子的本领不同,原子核束缚电子本领强的夺得电子带负电,原子核束缚电子本领弱的失去电子带正电;(2)电荷间的相互作用是:同种电荷互相排斥,异种电荷互相吸引。
头发被梳子吸引起来,是头发和梳子先摩擦,然后又相互作用的结果。
34.【答案】带电 吸引
【解析】解:
与毛衣摩擦过的气球靠近头发,会看到气球吸引头发,这是因为与毛衣摩擦过的气球摩擦起电,从而吸引不带电的头发。
故答案为:带电;吸引。
(1)两个物体摩擦时,出现带电现象,称为摩擦起电现象;
(2)带电体具有吸引轻小物体的性质。
本题考查摩擦起电现象和带电体的性质,属于基础的内容
。
35.【答案】R1断路或R2断路 能 移动滑片的过程中,由于在并联电路中,各支路互不影响,电流表示数先不变后改变,这表明R1的支路是正常的;移动滑片,电流表A2的示数先不变化,当变阻器滑片过了R2断路部分后,滑动变阻器的支路中有电流,则电流表A2的示数变大;所以故障是R2断路。
【解析】解:
(1)由图可知,该电路为并联电流,电流表A1测量通过R2的电流,电流表A2测量通过R1的电流,闭合开关S,发现只有一个电流表的指针发生偏转,若其中一个电阻短路,则电源会损坏,所以不可能是短路;若电流表A1指针发生偏转,说明该电路正常,则是R1断路;若电流表A2指针发生偏转,说明该电路正常,则是R2断路;
(2)移动滑片的过程中,电流表示数先不变后改变,由于在并联电路中,各支路互不影响,这表明R1的支路是正常的;移动滑片,电流表A2的示数先不变化,表明此时这条支路是断开的,当变阻器滑片过了R2断路部分后,滑动变阻器的支路中有电流,则电流表A2的示数变大;所以故障是R2断路。
故答案为:(1)R1断路或R2断路;(2)能;移动滑片的过程中,由于在并联电路中,各支路互不影响,电流表示数先不变后改变,这表明R1的支路是正常的;移动滑片,电流表A2的示数先不变化,当变阻器滑片过了R2断路部分后,滑动变阻器的支路中有电流,则电流表A2的示数变大;所以故障是R2断路。
(1)由图可知,该电路为并联电流,电流表A1测量通过R2的电流,电流表A2测量通过R1的电流,根据电流表的指针偏转情况判定电路故障的原因;
(2)并联电路中,各支路互不影响;移动滑片的过程中,电流表示数先不变后改变,说明是滑动变阻器的电路出现了故障,据此分析。
此题考查电流表在电路故障中的作用判断,要结合电路图和电表示数情况进行分析,关键是分清电路的连接和电表的测量情况。
36.【答案】钨丝的电阻随温度的降低而减小 零 节能降耗
【解析】解:①由表中数据可知,钨丝的电阻随温度的降低而减小;
②已知钨丝的电阻随温度的降低而减小;由此可猜想:某些导体的温度降到一定温度时,某些导体的电阻可能接近零欧,称为“超导体”;
③这种导体为超导体,超导现象是电阻为零的现象,利用超导体的零电阻可以实现远距离输电,节能降耗等。
故答案为:①钨丝的电阻随温度的降低而减小;②零;③节能降耗
①根据钨丝的电阻随温度的变化关系可得出结论;
②根据钨丝的电阻随温度的降低而减小做出猜想;
③导线上电阻越小,损失的能量越少,据此解答。
本题主要考查学生对影响电阻大小因素、超导体的特点,以及应用的了解和掌握,是一道基础题。
37.【答案】 5×10-9 ,单向
【解析】解:因为1nm=10-9m,所以5nm=5×10-9m;
利用半导体材料可以制作发光二极管,简称LED,电流由正极经过LED流向负极时,LED发光,为通路;反之,电流不能从负极流向正极,LED不发光,相当于断路,这说明发光二极管具有单向导电性。
故答案为:5×10-9;单向。
(1)长度单位间的换算关系是:1km=103m=104dm=105cm=106mm=109μm=1012nm;进行换算时,将数值看做倍数,然后依据单位之间的关系进行换算。
(2)二极管具有单向导电性。
本题综合考查了长度单位的换算、二极管的单向导电性,是对基础知识的考查。
38.【答案】可再生 半导体
【解析】解:空气流动形成风,风能是取之不尽用之不竭的,属于可再生能源;
硅、锗的导电性介于导体和绝缘体之间,属于半导体。
故答案为:可再生;半导体。
(1)能够短时间内从自然界源源不断得到补充的是可再生能源,短时间内从自然界得不到补充的是不可再生能源;
(2)导电性介于导体和绝缘体之间的是半导体。
本题考查了能源的分类以及物体根据导电性的分类,属于基础知识的考查,比较简单。
39.【答案】负 排斥
【解析】解:
毛皮与橡胶棒在摩擦的过程中,橡胶棒的原子核束缚电子的能力强,会得到电子,带负电,毛皮会失去电子带等量的正电;
验电器的金属箔片上带上了同种电荷,由于同种电荷相互排斥,所以其两个金属箔片会张开。
故答案为:负;排斥。
(1)摩擦起电的原因:两物体在摩擦过程中,原子核束缚电子的能力不同,原子核束缚电子能力强的容易得到电子而带负电,弱的易失去电子带正电;
(2)验电器是检验物体是否带电的仪器,其工作原理是:同种电荷相互排斥。
本题考查了摩擦起电的原理、验电器的工作原理,知道实验室中如何取得正电荷和负电荷,且明白验电器的制作原理是解决该题的关键。
40.【答案】 1.5 并
【解析】解:由电学常识可知,一节干电池的电压是1.5V;
家庭电路中电冰箱、电视机、电灯等用电器可以独立工作,互不影响,因此它们的连接方式是并联。
故答案为:1.5;并。
了解一节干电池的电压,知道家庭电路中各用电器的连接方式,可直接做出解答。
本题主要考查了对常见电压值的了解和家庭电路连接方式的了解,属电学基础题。
41.【答案】导体 亮 小灯泡的亮度与接入电路的电阻丝长度有关吗
【解析】
[1]如图所示的电路中,闭合开关后,小灯泡发光,说明铅笔芯是导体。
[2]夹子向左移动,则接入铅笔芯的长度变短,即接入电路的电阻变小,那么电路中的电流变大,所以小灯泡变亮。
[3]小灯泡的亮度随着铅笔芯接入电路的长度不同而变亮或变暗,即铅笔芯的长度不同电阻也不同,所以可以探究的科学问题是:小灯泡的亮度与接入电路的电阻丝长度有关吗?
42.【答案】摩擦起电 同种
【解析】解:小朋友从滑梯滑下时,身体与滑梯发生摩擦,发生了摩擦起电现象,并且使头发带上了同种电荷,而同种电荷相互排斥,所以出现了“怒发冲冠”的情景。
故答案为:摩擦起电;同种。
(1)不同物质组成的物体相互摩擦时,原子核束缚电子的本领不同,原子核束缚电子本领强的夺得电子带负电,原子核束缚电子本领弱的失去电子带正电;
(2)电荷间的相互作用是:同种电荷互相排斥,异种电荷互相吸引。
本题考查摩擦起电和电荷间的相互作用,属于基础题目。
43.【答案】异种电荷相互吸引
【解析】解:
手持用丝绸摩擦过的玻璃棒,靠近吊起的用毛皮摩擦过的橡胶棒的一端,由于异种电荷相互吸引,橡胶棒的这端被吸引过来。
故答案为:异种电荷相互吸引。
用丝绸摩擦过的玻璃棒带正电,用毛皮摩擦过的橡胶棒带负电;同种电荷相互排斥,异种电荷相互吸引。
本题考查了正负电荷的规定、电荷之间的作用规律,属于基础题目。
44.【答案】长度 不会
【解析】解:
当B夹子左右移动时,铅笔芯接入电路中的长度会发生变化,铅笔芯接入电路的电阻发生变化,根据I=UR知电路中电流发生变化,小灯泡的亮度就会发生变化;
若将A、B两个金属夹子间的铅笔芯换成塑料吸管,由于塑料吸管是绝缘体,不易导电,小灯泡不会发光。
故答案为:长度;不会。
(1)当导线夹左右移动时,小灯泡的亮度会发生变化,说明了通过灯泡的电流变化了,根据欧姆定律知电阻发生了变化,导线夹左右移动就改变了铅笔芯接入电路的长度,从而得出导体电阻和长度的关系;
(2)不善于导电的物体叫绝缘体。
此题考查影响电阻的因素,考查学生对于实验现象的分析能力,能够根据实验现象得出结论。
45.【答案】少; 并联
【解析】解:
(1)灯泡正常工作时的实际功率等于额定功率,由W=Pt可知,在灯泡正常工作相同时间时,使用额定功率为20W的白炽灯比使用额定功率为60W的白炽灯消耗的电能少;
(2)并联电路中各用电器互不影响,关掉电灯后,电冰箱仍能工作,这说明它们是并联连接的。
故答案为:少;并联。
(1)灯泡正常发光时的实际功率等于额定功率,根据W=Pt可比较出20W和60W灯泡正常工作相同时间消耗电能的多少;
(2)并联电路中各用电器工作时互不影响,串联电路中各用电器工作时相互影响。
本题考查电功的计算以及串并联电路的辨别,是一道基础题。
46.【答案】答:电冰箱内冷冻室的压缩机(电动机)和冷藏室的照明灯并联的。
判断方法:冷冻室的压缩机(电动机)启动工作时,打开冰箱门,冰箱内的照明灯点亮;关闭冰箱门冰箱内的照明灯熄灭。
由此可知它们工作时互不影响,所以属于并联连接。
【解析】基本的电路连接形式有两种:一种是串联,串联电路中各用电器相互关联,同时工作或同时停止工作;另一种是并联,并联电路中各用电器互不影响,各自独立工作。
本题考查了对串联和并联电路中各用电器工作特点的了解。
47.【答案】0.1 2.3 电压表未调零
【解析】
[1][2]由甲图知,电压表的量程为0~3V,分度值为0.1V,示数为2.3V。
[3]由乙图知,电压表的指针未指在0刻度线处,原因是电压表未调零。
48.【答案】解:经分析可知,灯泡的右接线柱与滑动变阻器右下方接线柱相连,电压表并联在变阻器两端,由电源的电压为3V可知,电压表的量程选0~3V,如下图所示:
【解析】由题意可知,向左移动滑动变阻器的滑片P,小灯变暗,说明滑动变阻器与灯泡串联,且右下方接线柱必须接入电路中;电压表测量滑动变阻器两端的电压,说明电压表与滑动变阻器并联,根据电源的电压确定电压表的量程,据此进行解答。
本题考查了实物图的连接,根据题意得出各电路元件的连接方式和正确的确定电压表的量程是关键。
49.【答案】解:电流从正极出发,通过开关S和电流表A2后开始分支,一支经灯泡L1,另一支经灯泡L2、电流表A1,然后两支汇合回到电源负极。如图所示:
【解析】由实物图可知,两灯泡并联,开关S控制整个电路,电流表A2测干路上的电流,A1测L2支路电流,根据实物图完成电路图即可。
本题考查根据实物图画电路图,关键是知道电路中各个用电器的连接情况,画电路图是初中物理的重点也是难点。
50.【答案】解:(1)油罐车后轮有四个轮胎,比起两个轮胎增大了受力面积,在压力一定时,减小了对路面的压强,所以可以减轻对路面的破坏。
(2)汽车行驶时,油罐中的汽油随车的振动摩擦起电,如果不及时的将这些静电导走,一旦出现放电现象,就会发生爆炸事故。铁链和大地是导体,拖地铁链可以把运输过程中油与油罐的内壁摩擦产生的电荷导入大地,避免因放电产生的火花引起爆炸。
【解析】(1)压强的大小与压力和受力面积的大小有关。
(2)油罐车上的搭地铁链是为了把产生的静电导入大地,属于静电的防止。
本题考查了减小压强的方法以及静电危害的防止,难度不大。
51.【答案】1.5V L2不能正常发光 不正确 两灯串联,若L2烧断,由串联电路的特点,LED也不亮 LED
【解析】解:(1)两灯串联,L1、L2的额定电压分别为2.5V、1.5V,因V2测两灯的电压,故电压表V2选用大量程与这两个灯串联,电压表V1选用小量程与L1并联,根据电路图连接实物图,如下所示:
(2)电路正确连接后,闭合开关,两灯发光,如图3,电压表V1的选用小量程,分度值为0.1V,示数为1.5V,V2的示数为2.8V,由串联电路电压的规律,L2的电压为:2.8V-1.5V=1.3V,L2不能正常发光;
(3)小明将L1换成额定电压为2.5V的LED,闭合开关后发现LED亮,L2不亮。
①判断不正确;因两灯串联,若L2烧断,由串联电路的特点,LED也不亮;
②若LED烧断,V1与L2串联,L2不发光,V1测电源电压,因并联电路各支路互不影响,故V1、V2的示数均为4.4V,符合题意;
故闭合开关,两灯不亮,此时V1、V2的示数均为4.4V,这可能是LED烧断。
故答案为:
(1)如上所示;
(2)1.5V;L2不能正常发光;
(3)①不正确;两灯串联,若L2烧断,由串联电路的特点,LED也不亮;②LED。
(1)两灯串联,根据L1、L2的额定电压,因V2测两灯的电压,由串联电路电压的规律确定电压表V2选用大量程与这两个灯串联,电压表V1选用小量程与L1并联,根据电路图连接实物图;
(2)根据电压表V1选用小量程确定分度值读数,由串联电路电压的规律得了L2的电压,据此分析;
(3)小明将L1换成额定电压为2.5V的LED,闭合开关后发现LED亮,L2不亮。
①根据串联电路一个用电器不工作队,另一个也不能工作分析;
②逐一分析每个选项,找出符合题意的答案。
本题考查根据要求连接实物图、串联电路电流、电压的规律及故障分析。
52.【答案】断开 C A
【解析】解:
(1)连接电路时,为了安全,开关S应该处于断开状态。
(2)所有开关闭合,发现S1支路的灯不亮、S2支路的灯发光,说明干路和干路开关S没有故障,故障发生在S1支路,出现导线断路或灯泡灯丝断了;交换两灯位置后,再闭合所有开关,发现仍然是S1支路的灯不亮,S2支路的灯发光,说明灯泡灯丝是完好的,S1支路某根导线断路。
(3)为了探究开关S1的作用,在观察灯泡发光情况时,她应该同时观察两个支路上的灯泡;故选A。
故答案为:(1)断开;(2)C;(3)A。
(1)连接电路时,为了安全,必须将开关断开;
(2)常见电路故障是短路和断路;断路有可能是导线断路或灯泡灯丝断了;
(3)实验过程中通过观察所有灯泡的发光情况,判断开关的作用。
本题考查了实验过程中应注意的问题、电路故障分析等知识的掌握情况,在平时实验中要多观察、多思考,提高实验探究能力。
2020年中考物理真题分类汇编11—《电流和电路、电压和电阻》 (含详解): 这是一份2020年中考物理真题分类汇编11—《电流和电路、电压和电阻》 (含详解),共33页。试卷主要包含了在原子中,带负电的粒子是,以下几组材料中,都是绝缘体的是,下列材料常温下属于导体的是等内容,欢迎下载使用。
上海2020-2022三年中考物理真题分类汇编-04电磁学(电流和电路、电压和电阻): 这是一份上海2020-2022三年中考物理真题分类汇编-04电磁学(电流和电路、电压和电阻),共9页。试卷主要包含了单选题,填空题,简答题,作图题等内容,欢迎下载使用。
广东省2020-2022三年中考物理真题分类汇编07电流和电路、电压和电阻: 这是一份广东省2020-2022三年中考物理真题分类汇编07电流和电路、电压和电阻,共16页。试卷主要包含了单选题,多选题,填空题,作图题,实验题等内容,欢迎下载使用。

