所属成套资源:2020——2021学年全国部分地区初中物理八年级上册期末测试卷真题(含答案解析)
2020-2021学年人教版八年级(上)期末物理复习试卷
展开
这是一份2020-2021学年人教版八年级(上)期末物理复习试卷,共18页。试卷主要包含了75×103kg/m3B,4g瓶中装满水后总质量为47,【答案】A,【答案】B,【答案】D等内容,欢迎下载使用。
2020-2021学年人教版八年级(上)期末物理复习试卷“镜中花,水中月”的现象说明了A. 光的传播速度太快 B. 光发生了反射现象
C. 光发生了折射现象 D. 光在同一种物质中沿直线传播男低音歌手独唱时由女高音歌手轻声伴唱,下面对二人声音的描述正确的是A. “男声”音调低、响度小;“女声”音调高、响度大
B. “男声”音调高、响度大;“女声”音调低、响度小
C. “男声”音调高、响度小;“女声”音调低、响度大
D. “男声”音调低、响度大;“女声”音调高、响度小小天在使用电冰箱时,发现了许多与物态变化有关的现象,他的判断正确的是A. 拉开冷冻室的门,有时能看见“白气”,这是液化现象
B. 湿手伸进冷冻室取冰棒时,有时感觉到手被冰棒粘住了,这是汽化现象
C. 放入冷冻室的矿泉水结了冰,这是凝华现象
D. 从冷冻室中取出一瓶冰冻的汽水,过一段时间后瓶的外壁出现了小水珠,小水珠的形成是升华现象很多车主都在车上安装了行车记录仪,便于及时用摄像头将行车过程中发生的事情记录下来,在夜间可以利用摄像头周边的多点红外线补光,拍出依旧清楚的画面,关于行车记录仪,下列说法正确的是A. 在拍摄录像时,物体在透镜二倍焦距外
B. 行车记录仪的摄像头中用的是凹透镜
C. 人肉眼可以观察到红外线
D. 在拍摄录像时,物体在透镜二倍焦距内下列关于凸透镜应用的说法中,正确的是A. 近视眼需要佩戴凸透镜来矫正
B. 放大镜成正立、放大的实像
C. 行车记录仪拍摄录像时,像成在透镜的一倍焦距与二倍焦距之间
D. 要使投影仪所成的像变大,应使投影仪靠近屏幕一个质量为千克的玻璃瓶,盛满水时称得质量是千克,若盛满某液体时称得质量是千克,那么某液体的密度是A. B.
C. D. 关于密度,下列说法正确的是A. 密度与物体的质量成正比,与物体的体积成反比
B. 密度是物质的特性,与物体的质量和体积无关
C. 密度与物体所处的状态无关
D. 密度与物体的温度无关下列关于声现象的说法正确的是A. 摩托车的消声器是在传播过程中减少噪声
B. 只要物体振动,人耳就能听到声音
C. 鼓手打鼓用的力越大,鼓声的音调就越高
D. 超声波能够粉碎人体内“结石”是因为声波能传递能量下面关于一些光现象的说法中,不符合客观实际的是A. 小孔成像是由于光沿直线传播形成的
B. 当我们看到物体成的虚像时,没有光射入我们的眼睛
C. 水中倒影看起来比实际物体暗是因为射到水面的光有一部分折射了
D. 从岸上斜看水中的物体,看到物体的位置比实际位置浅如图所示是苍鹭从平静水面上起飞的瞬间。关于苍鹭在水面所成的像,下列说法正确的是
A. 苍鹭所成的像是倒立的实像
B. 苍鹭飞离水面的过程中像会变小
C. 水越深苍鹭所成的像离它越远
D. 苍鹭与它所成的像到水面的距离相等如图甲乙所示是两个音叉振动时发出声音的波形图,下列说法正确的是A. 甲音叉发声的音调更低 B. 两音叉振动的频率相同
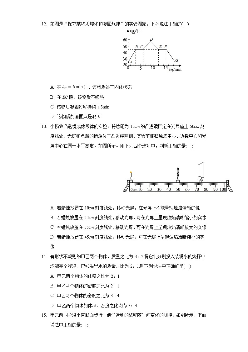
C. 甲音叉振动的更快 D. 两音叉的振幅相同如图是“探究某物质熔化和凝固规律”的实验图象,下列说法正确的A. 在时,该物质处于固体状态
B. 在BC段,该物质不吸热
C. 该物质凝固过程持续了
D. 该物质的凝固点是小杨做凸透镜成像规律的实验。将焦距为10cm的凸透镜固定在光具座上50cm刻度线处,光屏和点燃的蜡烛位于凸透镜两侧,实验前调整烛焰中心、透镜中心和光屏中心在同一水平高度,如图所示。则下列四个选项中,判断正确的是
A. 若蜡烛放置在10cm刻度线处,移动光屏,在光屏上不能呈现烛焰清晰的像
B. 若蜡烛放置在20cm刻度线处,移动光屏,可在光屏上呈现烛焰清晰缩小的实像
C. 若蜡烛放置在35cm刻度线处,移动光屏,可在光屏上呈现烛焰清晰放大的实像
D. 若蜡烛放置在45cm刻度线处,移动光屏,可在光屏上呈现烛焰清晰缩小的实像有形状不规则的甲乙两个物体,质量之比为3:将它们分别投入装满水的烧杯中均能完全浸没,已知溢出水的质量之比为2:则下列说法中正确的是A. 甲乙两个物体的体积之比为2:1
B. 甲乙两个物体的密度之比为2:1
C. 甲乙两个物体的密度之比为3:4
D. 甲乙两个物体的体积、密度之比均为3:4甲乙两同学沿平直路面步行,他们运动的路程随时间变化的规律,如图所示,下面说法中正确的是
A. 甲同学比乙同学晚出发4s
B. 内,甲乙同学都匀速直线运动,且小于
C. 内,甲乙两同学通过的路程相等
D. 8s末甲乙两同学速度相等小丽选择蜂蜡和海波探究“不同固态物质在熔化过程中温度的变化是否相同”,设计的实验装置如图甲所示。
将装有蜂蜡、海波的试管分别放在盛水的烧杯内加热,而不是直接用酒精灯加热,目的是为了使试管内的物质______;
将温度计正确插入蜂蜡和海波中,观察温度计示数时视线A、B、C如图乙所示,其中正确的是______,此时温度计的示数是______;
丙图是小丽绘制的海波的熔化图象,图中BC段表示海波的熔化过程,此过程中海波______填“吸收”或“放出”热量,温度______填“升高”、“降低”或“不变”,内能______填“增加”、“减少”或“不变”第海波处于______态填“固”“液”或“固液共存”;
丁图是小丽绘制的蜂蜡的熔化图象,蜂蜡在熔化过程中温度______填“升高”、“降低”或“不变”。小楠同学想测出一个实心塑料球的密度,但是他发现塑料球放在水中会漂浮在水面上,无法测出它的体积,于是小楠设计了以下实验。
将托盘天平放在______桌面上,将标尺上的游码移到______处,发现指针偏向分度盘的右侧,如图A,此时应将平衡螺母向______端调节选填“左”或“右”,直到指针指向分度盘的______位置;
小楠设计了以下实验步骤:
A.用天平测量塑料球的质量,天平平衡时右盘中的砝码和标尺上的游码位置如图B,记录塑料球质量为m;
B.把适量的水倒进量筒中如图C,记录此时量筒的示数为;
C.用细线在塑料球下吊一个小铁块放入水中,静止时如图D所示,记录此时量筒的示数为;
D.取出塑料球,剪断细线,再将小铁块轻轻放入水中,静止时如图E所示,记录此时量筒示数的为;
E.利用密度公式计算出结果。
根据上述实验过程,回答下列问题:
实验中使用天平测出塑料球的质量______g,塑料球的体积______,计算出塑料球的密度______。
按照小楠的实验步骤,你认为测出的塑料球密度偏______选填“大”或“小”,理由是______。某同学用天平、玻璃瓶和水来测量某种液体的密度,测得空瓶的质量为瓶中装满水后总质量为,将瓶中水全部倒出并装满待测液体后总质量为。水的密度为
玻璃瓶的容积;
待测液体的密度。
一辆汽车,在平直公路上从静止开始运动,经15s运动200m恰好达到最大速度,最大速度为,接着匀速运动25s关闭发动机,滑行100m停下。其图象如图所示。
这段平直公路限速,这辆车是否超速?
求全程中汽车的平均速度v。
阅读短文,回答问题。
智能手机
智能手机具有独立的操作系统,独立的运行空间,可以由用户自行安装游戏、导航等程序,并可以通过移动通讯网络来实现无线接入。
很多同学喜欢用手机上网、听音乐。若手机使用不当会对我们的身体造成伤害:眼睛长时间近距离看手机屏幕,使眼睛内的睫状肌、晶状体长期处于绷紧状态,容易患近视眼;长期使用耳机听音乐容易对耳朵造成伤害。
小明在智能手机上安装了一些应用软件后,打开手机中的北斗导航系统,可以通过卫星精确定位手机所在的位置,可以根据位置的移动进行测速、测距、导航等:手机前后有两个摄像头,后置摄像头是透镜组合,相当于焦距为的凸透镜,前置摄像头利用应用软件,可以实现自拍和照镜子的功能。
下列关于手机的说法中,正确的是______。
A.增大音量是增大了声音的响度
B.卫星是通过超声波对手机进行定位的
C.利用手机软件照镜子,看到自己的完整脸蛋是放大的像
如图甲是生活中常用的二维码,小明用手机扫描二维码时,发现画面中二维码太大而不完整,为了扫描到清晰完整的二维码,可以将手机______选填“靠近”或“远离”二维码,二维码到镜头的距离要大于______ cm。
人眼内的晶状体和角膜的共同作用相当于一个______镜,近视眼患者应配戴合适______镜制成的眼镜。
如图乙所示,小明打开手机中的跑步软件记录了一次跑步数据,图中“”表示时间为6minl5s,“平均配速”是物体每运动1km需要的时间,则小明此次跑步运动的路程为______ km。
答案和解析1.【答案】B
【解析】解:“水中月”、“镜中花”都属于平面镜成像,因此都是由光的反射形成的。
故选:B。
平面镜成像属于光的反射现象,根据“水中月”、“镜中花”成像的特点进行分析。
此题主要考查了光的反射现象,此类型的关键是对光学现象进行分类记忆,此题在选择题、填空题中常见。
2.【答案】D
【解析】解:歌手表演时,主唱的人声音大,伴唱的人声音小,即独唱的男低音歌手响度大,伴唱的女高音歌手响度小;
由于男低音歌手声音低沉,所以音调低,女高音歌手音调高。
故选:D。
理解清楚音调和响度的概念,重点理清二者的区别,另外生活中人们把高低和大小说混淆的话,也要区分开。
3.【答案】A
【解析】解:
A、打开冰箱门,看见冒白气,“白气”的形成原因是空气中的水蒸气遇冷液化形成的。故A正确;
B、湿手伸进冷冻室取冰棒时,有时感觉到手被冰棒粘住了是手上的水遇冷凝固成冰,这是凝固现象,故B错误;
C、放入冷冻室的矿泉水结了冰,这是水由液态变为固态,是凝固现象,故C错误;
D、从冷冻室中取出一瓶冰冻的汽水,过一段时间后瓶的外壁出现了小水珠,小水珠是空气中的水蒸气遇冷液化成的小水珠,故D错误。
故选:A。
物质由固态直接变成气态叫做升华,由固态变成液态叫做熔化;
物质由气态变成液态叫做液化,由液态变成气态叫做汽化;
物质由液态变成固态叫做凝固,由气态直接变成固态叫做凝华。
本题用生活中的事例考查物质的六种物态变化。体现了物理和生活的密切关系。
4.【答案】A
【解析】解:AD、摄像机的镜头与照相机的镜头类似,应用的凸透镜成实像时,成倒立缩小的实像;故A正确,D错误;
B、行车记录仪的摄像头中用的是凸透镜,不是凹透镜,故B错误;
C、红外线属于不可见光,人肉眼是不可以观察到红外线的,故C错误。
故选:A。
凸透镜成像的规律:,成倒立缩小的实像,应用是照相机;
红外线属于不可见光。
本题主要考查凸透镜成像规律及应用、红外线,运用物理知识来解决实际问题,可激发同学们学习物理的兴趣,培养大家的思维能力和创新精神。
5.【答案】C
【解析】解:
A、近视眼观察远处物体时,像成在视网膜的前方,为使光线延迟会聚,应佩戴具有发散作用的凹透镜来矫正,故A错误;
B、凸透镜成像中,,成正立、放大的虚像,放大镜利用了此原理,故B错误;
C、行车记录仪摄像头是利用物距大于二倍焦距时,成倒立缩小实像的规律工作的,因此,行车记录仪拍摄录像时,物体在透镜两倍焦距外,像成在透镜的一倍焦距与二倍焦距之间,故C正确;
D、要使投影仪成像变大,应减小物距,增大像距,所以,应使投影仪远离屏幕增大像距,同时使镜头靠近投影片减小物距,故D错误。
故选:C。
近视眼观察物体时,像成在视网膜的前方,需要用凹透镜来矫正。
放大镜成的是正立、放大的虚像;
行车记录仪的镜头是一个凸透镜,成倒立缩小的实像,像在一倍焦距和二倍焦距之间;
凸透镜成实像时,物距减小,像距变大,像变大。
本题考查了凸透镜的成像规律和成像特点的应用,属于基础知识。
6.【答案】B
【解析】解:
水的质量:
,
根据可得水的体积:
,
瓶子的容积:
,
某液体的体积:
,
某液体的质量:
,
某液体的密度:
。
故选:B。
根据空瓶的质量和盛满水时称得的质量求出水的质量,利用密度公式求出水的体积也就是瓶子的容积,即某液体的体积;
由盛满某液体时称得质量和空瓶的质量,求出某液体的质量,然后利用密度公式计算液体的密度。
此题主要考查学生对密度公式的掌握和运用,注意玻璃瓶的容积是不变的,装满水时或装满某种液体时,其体积都等于瓶的容积。
7.【答案】B
【解析】解:
A、B 同种物质,在一定状态下密度是定值,当质量或体积增大几倍时,其体积或质量也增大几倍;而比值即单位体积的质量不改变。因此,不能认为物质的密度与质量成正比,与体积成反比。因此,选项A错误,选项B正确;
C、同种物质,质量一定时,如果状态发生改变,其体积相应增大或缩小,所以密度发生改变,此选项错误;
D、同种物质,质量一定时,如果温度发生改变,其体积相应增大或缩小,所以密度发生改变,此选项错误。
故选:B。
①密度是物质的一种特性,对于确定的某种物质,它的密度不随质量、体积的改变而改变。
②同种物质,状态不同,密度不同。
③一定质量的物质,体积随温度的变化而变化,所以密度相应改变。
是密度的定义式,在分析各物理量的正反比关系时,一定要结合物理规律及生活实际,切不可脱离现实而一味分析其数学关系。
8.【答案】D
【解析】解:A、摩托车的消声器,这是在声源处减弱噪声,故A错误;
B、如果产生的声音是次声波或者超声波,不在人耳的听觉范围之内,人耳就听不到声音,故B错误;
C、鼓手打鼓用的力越大,鼓声的响度就越大,故C错误;
D、超声波能够粉碎体内“结石”是因为声波能传递能量,故D正确。
故选:D。
减弱噪声的途径:在声源处、在传播过程中、在人耳处;
人耳听到声音的条件:①物体发生振动;②介质向外传声;③良好的听觉器官;④频率在人的听觉范围之内;⑤有足够的响度;
声音的特性是指音调、响度和音色,音调指声音的高低,是由物体振动的频率决定的;响度指声音的强弱,是由物体振动振幅决定的;音色指声音的特色,是由发声体的材料和结构决定的。
声音不但能传递信息,还能够传递能量。
本题是一道综合了多个知识点的题目,其中音调和响度是容易混淆的两个概念,注意区分,此题属于声学基础知识的考查,相对比较简单。
9.【答案】B
【解析】【分析】
本题主要考查学生利用光学知识解释生活中常见的物理现象,此题与实际生活联系密切,体现了生活处处是物理的理念。
当物体的光沿直线传播经过较小的孔时,就会形成物体的倒立的像;
我们看见物体是物体发出或反射的光进入我们的眼睛形成的;
当物体的光照到平静的水面上时,会发生光的反射,在水中形成物体的虚像;还有一部分光折射入了水中;
水中物体的光经水面斜射入空气中时,会发生折射现象,折射光线远离法线,我们逆着折射光线的方向能看到比物体实际位置较浅的虚像。
【解答】
A.小孔成像是由于光沿直线传播形成的,此选项符合实际;
B.看到物体成的虚像时,有反射或折射光线进入我们的眼睛,虚像是反射或折射光线延长线形成的,如果没有光射入我们的眼晴,将看不到物体成的虚像,此选项不符合实际;
C.水中倒影看起来比实际物体暗是因为射到水面的光有一部分折射了,此选项符合实际;
D.斜看水中的物体,水中物体的光经水面斜射入空气中时,会发生折射现象,折射光线远离法线,看到的是物体的虚像比实际位置浅,此选项符合实际。
故选B。 10.【答案】D
【解析】解:
AB、平静的水面相当于平面镜,平面镜所成的像是正立、等大的虚像,始终与物体大小相等,故AB错误;
CD、物距是苍鹭到水面的距离,像距是苍鹭所成的像到水面的距离,二者始终相等,与水的深度无关,故C错误、D正确。
故选:D。
倒影是平面镜成像,是由光的反射形成的,平面镜成像的特点:物体在平面镜中所成的像是虚像,像和物体的大小相等,上下或左右相反,它们的连线垂直于镜面,它们到镜面的距离相等。
此题主要考查学生对平面镜成像特点的了解和掌握,紧扣平面镜成像原理和成像特点去分析即可解答。
11.【答案】CD
【解析】解:ABC、由波形图可知,相同的时间内甲音叉振动的次数多,甲音叉振动快,甲的频率高,甲的音调高,故AB错误,C正确;
D、发声体的振幅影响响度的大小,两个音叉振动幅度相同,所以响度相同,故D正确。
故选:CD。
由甲、乙两个音叉振动时发出声音的波形图可以看出在相同的时间内甲音叉振动的次数多,振动次数多就说明频率高,而发声体发声的音调与频率有比较密切的关系,频率越高,音调就越高。响度是由发声体振动的幅度和跨度决定的。
本题主要是考查学生对于波形图的认识以及影响音调和响度的因素。
12.【答案】CD
【解析】解:A、如图,有一段时间吸热温度不变,所以该物质是晶体,从开始熔化,到结束,故在时,该物质处于固液共存状态,故A错误。
B、在BC段,该物质不断吸热,但温度不变,故B错误。
C、该物质从开始凝固,到凝固结束,该物质凝固过程持续了。故C正确。
D、该物质的凝固对应的温度是,凝固点为,故D正确。
故选:CD。
熔化图象的横坐标表示时间,纵坐标表示温度,而图中BC段温度不变的阶段就是熔化过程。
晶体在熔化或凝固时的温度是熔点或凝固点。晶体在熔化过程或凝固过程中处于固液共存态。从开始熔化到完全熔化完所用时间就是物态变化经历的时间。
本题考查的是对熔化和凝固图象的理解,根据图象分辨晶体和非晶体,并能分析出各自在熔化过程中的特点是解决该题的关键。中考对这个知识点的要求是比较高的。
13.【答案】BC
【解析】解:凸透镜的焦距是10cm,凸透镜固定在光具座上50cm刻度线处;
A、小杨将蜡烛移至10cm刻度线处时,蜡烛到透镜的距离大于2倍焦距,移动光屏,就会得到倒立、缩小的实像,故A错误;
B、若蜡烛放置在20cm刻度线处,蜡烛到透镜的距离大于2倍焦距,移动光屏,就会得到倒立、缩小的实像,故B正确;
C、若蜡烛放置在35cm刻度线处,蜡烛到透镜的距离大于1倍焦距小于2倍焦距,移动光屏,就会得到倒立、放大的实像,故C正确;
D、若蜡烛放置在45cm刻度线处,蜡烛到透镜的距离小于1倍焦距,成正立放大的虚像,在光屏上不能承接,故D错误。
故选:BC。
凸透镜成像的三种情况:①,成倒立、缩小的实像;②,成倒立、放大的实像;③,成正立、放大的虚像。
本题考查了凸透镜成像规律,把握物距和焦距的关系是解决此类问题的关键。
14.【答案】AC
【解析】解:
由题知::1,
由得,
则::1,
因为将甲乙两物体分别投入装满水的烧杯中完全浸没,
所以溢出水的体积等于物体自身的体积;
物体的体积:
:::1,
甲乙两个物体的密度之比:
::::4。
可见,AC正确、BD错。
故选:AC。
已知溢出水的质量之比,利用求溢出水的体积之比,因为将甲乙两物体分别投入装满水的烧杯中完全浸没,所以溢出水的体积等于物体自身的体积;可求物体的体积之比;知道质量之比,利用密度公式求甲乙两个物体的密度之比。
本题考查了密度公式及其变形公式的灵活运用,关键是知道溢出水的体积等于物体自身的体积。
15.【答案】AC
【解析】解:A、由图可知,甲同学是在4s时才开始行走,他比乙同学晚出发4s,故A正确;
B、由图像可知,内,两同学都在运动,甲和乙的图像都是一条斜线,表示通过的路程与时间成正比,做的都是匀速直线运动,由图可知甲8s走了10m,乙8s走了5m,所以甲的速度大于乙的速度,故B错误;
CD、8s末,甲乙两同学通过的路程都是8m,所以内,甲乙两同学通过的路程相等,故C正确,D错误。
故选:AC。
解答本题首先要明确各图像中横纵坐标表示的物理量分别是什么,其次注意认清横坐标和纵坐标上的数值大小和单位;再次是明确图像所表示的物理意义;最后对照各个选项提出的问题作出判断。
解答本题关键是要分析图像,根据图像上的信息做出选择。选项B的解析采用相同路程比较所用时间的多少来比较甲和乙的运动快慢。
16.【答案】均匀受热 B 42 吸收 不变 增加 固液共存 升高
【解析】解:试管受热不均匀容易破碎,所以在做实验时把装有蜂蜡、海波的试管分别放在盛水的烧杯内加热,而不是直接用酒精灯加热,应该使试管受热均匀。
读数时视线就与液柱的上表面相平,A是俯视、C是仰视都会使读数不正确。温度计所对应的示数是。
海波是晶体,BC段是海波的熔化过程,晶体在熔化时吸热,但温度不变,直到全部熔化。晶体熔化时吸热,内能增加。同时晶体处于固液共存状态。
蜂蜡是非晶体,非晶体没有固定的熔化温度,在熔化时温度上升。
故答案为:均匀受热、、42、吸收、不变、增加、固液共存、升高。
固体分为晶体和非晶体,而晶体与非晶体的熔化图象是不一样的,要分清楚晶体与非晶体的熔化时的温度变化规律。
本题考查的是晶体和非晶体的熔化特点,题目中给出两个物质,海波和蜂蜡,而海波是晶体蜂蜡是非晶体,晶体与非晶体的熔化特点是完全不一样的。
17.【答案】水平 零刻线 左 中央刻度线 小 塑料球取出时会带走一部分水,使所测塑料球体积偏大
【解析】解:用天平测量物体的质量时,首先把天平放在水平台上,把游码放在标尺左端的零刻线处;然后调节平衡螺母,使使指针对准分度盘的中线;图A中,指针偏向分度盘的右侧,应将平衡螺母向左移动;
由图A可知,塑料球的质量:
,
量程的分度值为5mL,由图C和图D可知,塑料球的体积:
,
则塑料球的密度:
;
取出塑料球会带走部分水,导致体积测量值偏大,密度偏小。
故答案为:
水平;零刻线;左;中央刻度线; ;20;;小;塑料球取出时会带走一部分水,使所测塑料球体积偏大。
天平使用前的调节:①放:把天平放到水平桌面上;②移;把游码移到标尺左端零刻线处;③调:调节平衡螺母,使指针指在分度盘的中线处;
塑料球的质量等于天平砝码和游码的质量之和,根据分度值读出图B和图D、E中量筒的示数,两者差值即为塑料球的体积,根据密度公式求出塑料球的密度;
取出塑料球会带走部分水,导致体积测量值偏大,密度偏小。
本题考查了量筒与天平的使用及读数,求小木球的密度等问题;量筒是初中物理中的常用测量仪器,注意其量程和分度值,读数时,视线要与凹液面保持相平;使用天平需要注意:平衡螺母只是调节平衡,在测量过程中不能移动位置;游码位置的改变相当于在右盘中增减砝码,调平过程中需要固定在零刻度线处。
18.【答案】玻璃瓶中装满水时,水的质量:
,
由可得,玻璃瓶的容积:
。
玻璃瓶中装满待测液体时,待测液体的质量:
,
待测液体的体积:
,
待测液体的密度:
。
【解析】由玻璃瓶中装满水后减去玻璃瓶的质量,可得水的质量,利用求水的体积,即为玻璃瓶的容积:
根据题意求出液体的质量,又知液体的体积等于玻璃瓶的容积,利用密度公式求待测液体的密度。
本题考查了密度公式的应用,注意玻璃瓶装满各种液体的体积相同,都等于玻璃瓶的容积。
19.【答案】解:最大速度为,
所以这辆车超速;
根据可得,汽车匀速行驶时通过的路程:,
则汽车整个过程通过的总路程:,
总时间:,
所以全程中汽车的平均速度:。
答:这辆车超速;
全程中汽车的平均速度为。
【解析】将最大速度为进行单位换算,然后与这段平直公路限速比较即可;
利用求出汽车匀速行驶时通过的路程,进而可求出汽车整个过程通过的总路程,根据图象得出总时间,然后利用速度公式计算全程中汽车的平均速度。
此题主要考查平均速度的计算,知道平均速度的计算方法,并能从图像中获取相关信息是解决此题的关键。
20.【答案】A 远离 凸透 凹透 11
【解析】解:
、增大音量是改变了声音的响度,故A正确;
B、卫星是通过电磁波对手机进行定位,故B错误;
C、利用手机软件照镜子,看到自己的完整脸蛋,是凸透镜成缩小的像,故C错误。
故选:A。
小明用手机扫描二维码时,发现画面中二维码太大而不完整,为了扫描到清晰完整的二维码,需要使像变小,应减小像距,增大物距,即应将手机远离二维码;
用手机拍照或扫码时,成倒立、缩小的实像,物体应在镜头的二倍焦距以外;已知前置摄像头的焦距为,则扫码时二维码到镜头的距离应大于;
人眼好比是一架照相机,晶状体和角膜的作用就相当于一个凸透镜;
若长时间近距离靠近手机屏幕,使眼睛内的睫状肌、晶状体长期处于绷紧状态,容易使得像成在视网膜的前方,即患近视眼,应该用凹透镜来矫正;
图中“”表示时间为,
结合“平均配速”的含义可得小明跑步的平均速度:;
总时间,
则小明此次跑步运动的路程:
。
故答案为:;远离;;凸透;凹透;。
声音的强弱称为响度;
利用手机软件照镜子,是凸透镜成缩小的实像;
卫星是通过电磁波对手机进行定位的;
凸透镜成实像时,物距变大,像距变小,像变小;
用手机拍照或扫码时,成倒立、缩小的实像,物体应在镜头的二倍焦距以外;
人眼内的晶状体和角膜相当于是一个凸透镜;凹透镜可以矫正近视眼;
已知跑步的平均配速,利用可求得其平均速度和总路程。
本题以智能手机的使用为内容,考查了声音的特性、凸透镜成像及其应用、速度公式的应用等多个知识点,体现了物理知识在实际中的应用,值得我们关注。
相关试卷
这是一份2020-2021学年建邺区八上物理期末试卷&答案,共12页。
这是一份2020-2021学年重庆市酉阳县八年级(上)期末物理试卷,共20页。试卷主要包含了5℃,1m/s,6mm,5米/秒B,5℃,故A错误;,【答案】A,【答案】D,【答案】B等内容,欢迎下载使用。
这是一份2020-2021学年重庆市南岸区八年级(上)期末物理试卷,共26页。试卷主要包含了0g/cm3D,9g/cm3,【答案】A,【答案】C,【答案】B,【答案】D等内容,欢迎下载使用。

