所属成套资源:2020——2021学年全国部分地区初中物理九年级上册期末测试卷真题(含答案解析)
2020-2021学年广西河池市凤山县九年级(上)期末物理试卷
展开
这是一份2020-2021学年广西河池市凤山县九年级(上)期末物理试卷,共25页。试卷主要包含了01JD,【答案】B,【答案】A,【答案】D,【答案】C等内容,欢迎下载使用。
2020-2021学年广西河池市凤山县九年级(上)期末物理试卷
1. 用手托着两个鸡蛋匀速举高1m,手对鸡蛋做的功最接近于( )
A. 100J B. 1J C. 0.01J D. 0J
2. 下列实例中与“水的比热容较大”这一特性无关的是( )
A. 夏天在房间内洒水降温 B. 用循环水冷却汽车发动机
C. 让热水流过散热器供暖 D. 沿海地区昼夜温差较小
3. 下列生活实例中,通过做功改变物体内能的是( )
A. 晚上睡觉用热水袋取暖
B. 利用太阳能热水器“烧水”
C. 夏天喝加有冰块的果汁时感觉凉爽
D. 冬天人们搓手后感觉到暖和
4. 如图所示,粗糙的弧形轨道竖直固定在水平面上,A、B两点高度相等。小球从A点以速度v沿轨道滚下,经过B点后到达最高点C。下列分析正确的是( )
A. 整个过程只有重力对小球做了功
B. 小球在A点的动能比在B点的动能大
C. 小球在A点的惯性比在C点的惯性大
D. 小球在A具有的机械能等于在C点具有的重力势能
5. 如图所示,用相同滑轮组装成的甲、乙两个滑轮组分别将同一个物体在相同时间内匀速提高相同高度,不计绳重及摩擦,下列说法正确的是( )
A.
B. 乙滑轮组的额外功多
C. 甲、乙两个拉力的功率相同
D. 甲、乙绳子自由端移动的速度相同
6. 用毛皮摩擦过的橡胶棒靠近一轻质小球,它们相互排斥,则小球( )
A. 一定带正电 B. 一定带负电 C. 一定不带电 D. 可能不带电
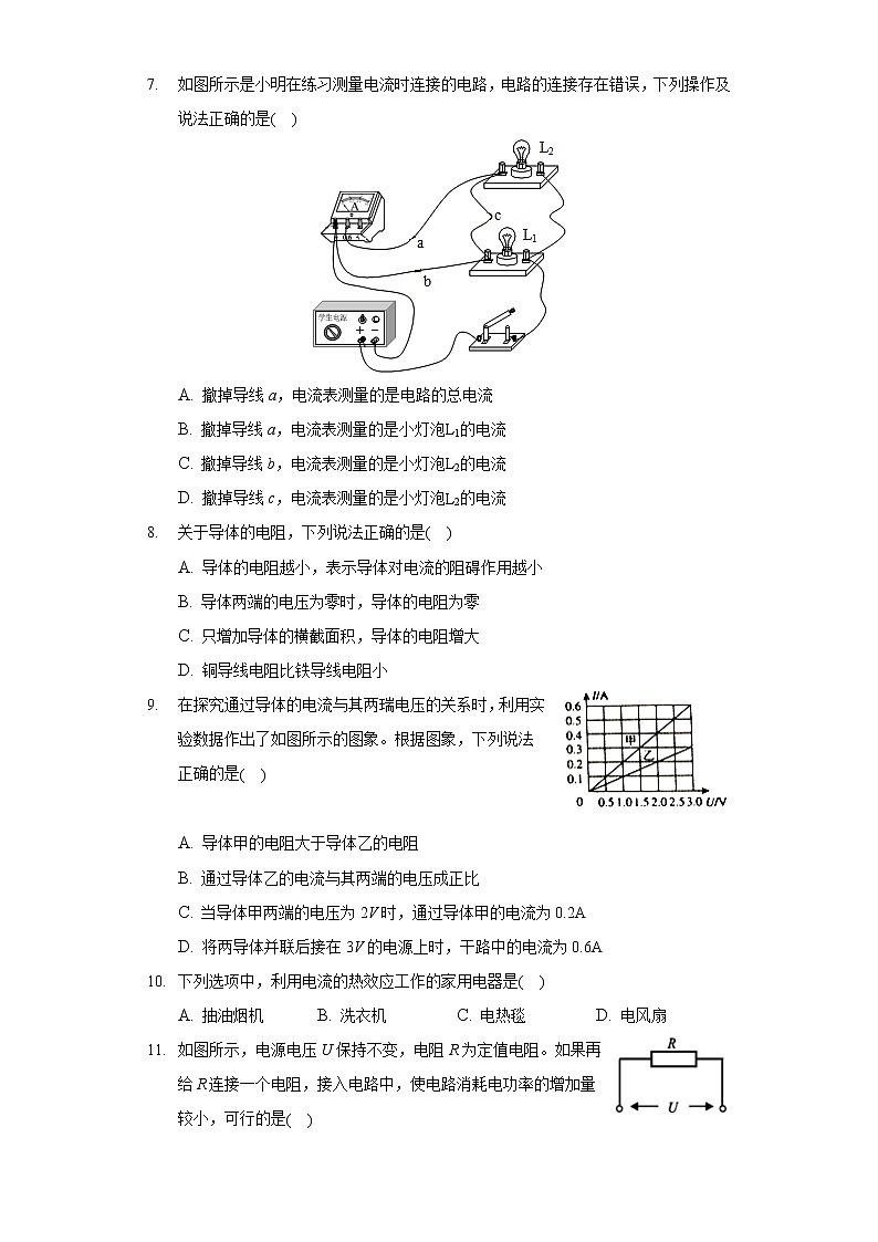
7. 如图所示是小明在练习测量电流时连接的电路,电路的连接存在错误,下列操作及说法正确的是( )
A. 撤掉导线a,电流表测量的是电路的总电流
B. 撤掉导线a,电流表测量的是小灯泡L1的电流
C. 撤掉导线b,电流表测量的是小灯泡L2的电流
D. 撤掉导线c,电流表测量的是小灯泡L2的电流
8. 关于导体的电阻,下列说法正确的是( )
A. 导体的电阻越小,表示导体对电流的阻碍作用越小
B. 导体两端的电压为零时,导体的电阻为零
C. 只增加导体的横截面积,导体的电阻增大
D. 铜导线电阻比铁导线电阻小
9. 在探究通过导体的电流与其两瑞电压的关系时,利用实验数据作出了如图所示的图象。根据图象,下列说法正确的是( )
A. 导体甲的电阻大于导体乙的电阻
B. 通过导体乙的电流与其两端的电压成正比
C. 当导体甲两端的电压为2V时,通过导体甲的电流为 0.2A
D. 将两导体并联后接在 3V的电源上时,干路中的电流为 0.6A
10. 下列选项中,利用电流的热效应工作的家用电器是( )
A. 抽油烟机 B. 洗衣机 C. 电热毯 D. 电风扇
11. 如图所示,电源电压U保持不变,电阻R为定值电阻。如果再给R连接一个电阻,接入电路中,使电路消耗电功率的增加量较小,可行的是( )
A. 给R串联一个较小的电阻 B. 给R串联一个较大的电阻
C. 给R并联一个较小的电阻 D. 给R并联一个较大的电阻
12. 如图所示,电源电压保持不变,灯L1、L2的额定电压相等,灯丝电阻不随温度而变化,L1、L2分别标有6W、3W字样。闭合开关S后,两灯都能发光,此时甲、乙两电表的示数之比为( )
A. 1:1 B. 1:2 C. 2:3 D. 3:2
13. 2020年12月17日凌晨1时59分,嫦娥五号返回器携带月球样品成功着陆,标志我国具备地月往返能力。在嫦娥五号探测器被发射升空离开地面的过程中,机械能______ (选填“变大”、“变小”或“不变”);运载火箭中的燃料燃烧释放的______ 能转化为探测器的机械能。
14. 如图,工人用滑轮组将重为600N的建筑材料以0.3m/s的速度匀速竖直提升。人对绳子自由端的拉力F=375N,滑轮组的机械效率为______,拉力F的功率为______。
15. 如图所示,是四冲程汽油机某一冲程的工作示意图,该冲程是将______能转化为______能。
16. 水稻是喜温植物,春季育秧时,通常傍晚向秧田灌水,早晨将水放出,以防霜冻。隐含的物理知识是,水的______较大。气温降低时,水能______(选填“放出”或“吸收”)较多的______(选填“温度”、“内能”或“热量”)。
17. 自然界只有两种电荷,人们把用丝绸摩擦过的玻璃棒带的电荷叫做______电荷:验电器是根据同种电荷互相______的原理制成的。
18. 将两片不同的金属片A、B浸在盐水中,这就是一个电池。该电池对外供电时,将______能转化为______能,把金属片A、B分别用导线连接到电压表接线柱上,电压表的指针发生如图所示的偏转,则金属片A是______(选填“正”或“负”)极。
19. 某小灯泡上标有“6V 6W”字样,其电流随两端电压变化关系的曲线如图所示,则当小灯泡两端的电压为2V时,通过小灯的电流为______A,此时小灯泡的电阻为______Ω。
20. 如图所示是小雨家的电能表,此时电能表示数为______kW⋅h,小雨让一个用电器单独工作15min,这段时间内电能表转盘刚好转了120转,电流做了______J的功,则该用电器的实际功率为______W。
21. 如图所示,请在两个虚线框内选填“电源”和“开关”的符号,使开关都闭合时两灯组成并联电路。
22. 请根据图所示的实物电路,在虚线框中画出对应的电路图。(注:不能把虚线框当作导线)
23. 如图所示,用相同的加热器给初温均为20℃的两种液体加热,两种液体每秒吸收的热量相同。这两种液体的温度-时间的图象如图丙。
(1)某时刻温度计示数如图乙所示,此时乙的温度为______ ℃。
(2)甲液体第30s的内能______ 第45s的内能(选填“大于”、“等于”或者“小于”)。
(3)小华根据图丙中0至30s图线及题目所给信息得出:甲液体的比热容______ (选填“大于”、“等于”或“小于“)乙液体的比热容。他是根据吸收热量和温度升高相同时,______ 比热容越小。
24. 小芳在“探究串联电路电压特点”的实验中,连接好的电路如图甲所示,请你回答下列问题:(1)连接电路时,开关应处于______ 状态。
(2)闭合开关后,小芳发现小L1、L2均不发光,电压表的示数接近3V,则电路中出现故障可能是L1发生了______ (选填“短路”或“断路”)。
(3)排除故障后,某次测量电压表的示数如图乙所示,L2两端的电压为______ V。
25. 在“探究电流产生的热量与哪些因素有关”的实验中,提供了如图的实验器材,其中R1=5Ω,R2=10Ω,a、b两瓶中煤油的质量和初温相同。
(1)电路中电阻丝如图中的连接方式是为了控制______ 相同,电阻丝放出热量的多少是通过______ 来进行判断。
(2)闭合开关,经过一定时间,发现b瓶中的煤油温度升高较高,该实验说明电流产生的热量与______ 有关。
(3)闭合开关,移动滑动变阻器的滑片,使电路中的电流变成原来电流的2倍,且通电时间相同。实验发现:a、b瓶中煤油温度升高量都变大,该实验说明电流产生的热量与______ 有关。
26. 小李同学想要利用如图所示的装置来探究“物体动能大小与什么因素有关”。
(1)在探究“动能的大小与速度的关系”时,应保持小车的______ 相同,让小车从斜面上______ (选填“相同”或“不同”)的高度滑下,以不同的速度推动木块移动,并观察木块移动的距离。
(2)本实验运用了两种研究方法:一是______ ,二是转换法。就本题来说用木块______ 来反映小车动能大小的方法就是转换法。
27. 现有两节新的干电池(电压不变)、电压表、电流表、标有“30Ω1A“字样的滑动变阻器、定值电阻、开关、导线,利用以上器材连接成“伏安法测电阻”的电路。
(1)实验前,应将滑动变阻器的滑片置于______ 端(选填“A”或“B”),对电路起______ 作用;
(2)闭合开关,移动滑片P,发现电流表示数为0.1A时,电压表示数为0.5V,则电阻R的阻值是______ Ω;
(3)继续移动滑片P到另外一个位置,当电流表示数如图乙所示时,滑动变阻器消耗的功率是______ W。
28. 如图是用滑轮组提升建筑材料A的示意图,在水平向右的拉力F作用下,使重900N的建筑材料A在5s的时间里被匀速提升,绳自由端水平移动了2m,拉力F为500N.不计绳重和摩擦,求:
(1)拉力F的功率P;
(2)滑轮组的机械效率η。
29. 如图所示的电路中,电源电压为12V且保持不变,定值电阻R1的阻值为10Ω,滑动变阻器R2上标有“20Ω1A”字样。
(1)闭合开关S,调节滑动变阻器的滑片P,当电压表示数为5V时,求通过电阻R的电流I;
(2)保持上述状态,通电10s钟,求电流通过电阻R1做的功W1;
(3)为保护元件,移动滑动变阻器滑片P过程中,滑动变阻器接入电路中的最小阻值是多少?
30. 某品牌汽车的客户在用车过程中发现,雨雪天气里汽车后视镜会变模糊,影响行车安全。汽车设计部门为解决这一问题设计了给后视镜除雾、除霜的加热电路。如图是加热电路的原理图,电源电压为24V不变,R1、R2均为加热电阻,阻值不随温度而变化,R1的阻值为12Ω,电路工作时,低温挡除雾,高温挡除霜,低温挡与高温挡消耗的功率之比为1:4。对电路进行模拟测试时,开启除霜模式给后视镜加热1min,测得后视镜玻璃的温度升高了6℃。若玻璃的比热容为0.8×103J/(kg⋅℃),后视镜玻璃的质量为0.3kg。求:
(1)开启除霜模式加热1min,后视镜玻璃吸收的热量是多少?
(2)R2的阻值是多少?
(3)开启除霜模式加热1min,电路消耗的电能是多少?
答案和解析
1.【答案】B
【解析】解:两个鸡蛋的重力大约是1N,则用手匀速托起两个鸡蛋升高1米,
手对鸡蛋做的功W=Gh=1N×1m=1J;
故选:B。
首先估计两个鸡蛋的重力,然后利用W=Fs或W=Gh可求得手对鸡蛋做的功。
此题属于常见做功的计算。对于常见的物体的重力要有所了解。本题容易出错,是由于记不准鸡蛋的重力而计算错误。
2.【答案】A
【解析】解:
A、炎热的夏天,在室内地面上洒水,水蒸发时会从周围吸热而降低周围环境的温度,使人感到凉爽,不是利用水的比热容大的特点,故A符合题意;
B、因为水的比热容大,相同质量的水和其它物质比较,升高相同的温度时,水吸收的热量多,所以汽车发动机用循环水冷却,故B不符合题意;
C、因为水的比热容大,相同质量的水和其它物质比较,降低相同的温度时,水放出的热量多,所以让流动的热水流过散热器取暖,故C不符合题意;
D、因为水的比热容大于沙石的比热容,相同质量的水和砂石吸收或放出相同的热量,水升高的温度或降低的温度少,所以沿海地区昼夜温差比内陆地区小,故D不符合题意。
故选:A。
(1)对水的比热容大的理解:相同质量的水和其它物质比较,吸收或放出相同的热量,水的温度升高或降低的少;升高或降低相同的温度,水吸收或放出的热量多;
(2)水分的蒸发会从周围吸热而降低周围环境的温度,即蒸发吸热。
本题考查水的比热容大的特点的应用,应用所学知识,解释了实际问题,体现了新课标的要求,属于中考热点问题。
3.【答案】D
【解析】解:
A、晚上睡觉用热水袋取暖,人体从热水袋吸收热量,属于热传递改变物体的内能,故A不符合题意;
B、利用太阳能热水器“烧水”,水从阳光中吸收热量,属于热传递改变物体的内能,故B不符合题意。
C、把冰块放在鲜榨的果汁里,喝时感觉很凉爽,是果汁和冰块之间发生了热传递,属于热传递改变物体的内能,故C不符合题意;
D、双手互相摩擦会感到暖和,是因为克服摩擦做功,使手的内能增加、温度升高,属于做功改变物体的内能,故D符合题意。
故选:D。
改变物体内能的方式有两种:做功和热传递,热传递过程是能量的转移过程,而做功过程是能量的转化过程。
做功和热传递虽然都能改变物体内能,但热传递是内能的转移,而做功是内能与机械能的转化,两者的实质不一样。
4.【答案】B
【解析】解:A、小球受到竖直向下的重力的作用,下落中,移动了距离,小球的重力是做功的,因为是粗糙的弧形轨道,所以受摩擦力,要克服摩擦力做功,故A错误;
B、小球运动过程中,要克服摩擦力做功,机械能逐渐减小;小球质量不变,在A、B、C三点高度关系为:hA=hBEC;所以在A、B、C三点动能关系为:EA
相关试卷
这是一份广西壮族自治区河池市凤山县2023-2024学年九上物理期末质量跟踪监视试题含答案,共8页。试卷主要包含了冲击钻是一种打孔的工具等内容,欢迎下载使用。
这是一份广西河池市凤山县2022-2023学年九年级上学期期中物理试卷 (含答案),共35页。试卷主要包含了填空题,作图简答题请在答题卡上作答,计算题解答时能列出合理的式子等内容,欢迎下载使用。
这是一份2022年广西河池市凤山县中考物理模拟试卷(二),共33页。试卷主要包含了单项选择题,填空题,作图题,实验与探究题,综合应用题等内容,欢迎下载使用。

