2021-2022学年山东省泰安第四中学高一上学期10月月考物理试卷
展开
这是一份2021-2022学年山东省泰安第四中学高一上学期10月月考物理试卷,共4页。试卷主要包含了选择题(1-8单选,9,填空,计算等内容,欢迎下载使用。
一、选择题(1-8单选,9、10、11、12多选。)
1.下列情况中的物体,哪些不可以看作质点?( )
A.A.研究某一中学生骑车回校的速度 B.研究公转规律时的地球
C.研究“神州”六号飞船绕地球运行的高度 D.研究火车通过一座铁路桥所用的时间
2.两辆汽车在平直公路上运动,甲车内的一同学看见乙车向西运动,而乙车内一同学看见路旁的树木向西运动。如以地面为参考系,下列说法正确的是( )
A.甲车向东运动,乙车向西运动 B.乙车向东运动,甲车向西运动
C.甲、乙两车都向西运动,但v甲v乙
3.以下划线上的数字指时间(即时间间隔)的是( )
A.某中学的作息表上写着,第四节:10:15-10:55 B.刘翔跨栏记录为12.91s
C.中央电视台《星光大道》栏目每晚7:30准时与您见面 D.午休从12:10开始
4.下面为四个质点的速度图像,其中反映质点做匀加速直线运动的是( )
0
v
A
t
0
v
B
t
0
v
C
t
0
D
t
x
5.皮球从3m高处落下,被地板弹回,在距地面1m高处被接住,则皮球通过的路程和位移的大小分别为( )
A.4m、4m B.3m、1m C.3m、2m D.4m、2m
6.一个学生在百米测验中,测得他在50m处的瞬时速度是6m/s,16s末到达终点时的瞬时速度是7.5m/s,则全程内的平均速度大小是( )
A.6m/s
7以下关于速度概念的说法正确的是( )
A.子弹以900m/s的速度从枪口射出,指的是平均速度
B.汽车在宜龙公路上的行驶速度约为30km/h,指的是平均速度
C.某城区道路汽车的限速为40km/h,指的是平均速度
D.比较汽车和火车从上海开往北京的行驶快慢,应比较它们的瞬时速度
8.一物体运动的位移与时间关系则( )
A.这个物体的初速度为12 m/s B.这个物体的初速度为6 m/s
C.这个物体的加速度为8 m/s2 D.这个物体的加速度为-4 m/s2
9.物体做匀加速直线运动,已知1秒末速度为6m/s,2秒末速度为8m/s。下列说法中正确的是( )
A.初速度为4m/s B. 加速度为2m/s 2 C.任意1s内速度变化2m/s D.第1s内平均速度为6m/s
10..甲、乙两物体在同一直线上运动,它们的图象如右图所示,由此可知( )
A.在时刻,甲和乙的速度相同
B.在时刻,甲和乙的速度大小相等,方向相反
C.在时刻,甲和乙的速度方向相同,加速度方向相反
D.在时刻,甲和乙的速度相同,加速度也相同
11.在直线运动中,关于速度和加速度的说法,正确的是( )
A.物体的速度大,加速度就大 B.物体速度的改变量大,加速度就大
C.物体的速度改变快,加速度就大 D.物体的速度为零时,加速度不一定为零
12.由静止开始做匀加速直线运动的火车在第10s末的速度为2m/s,下列说法正确的是( )
A.10s内位移大小为10m B.每秒速度变化了0.2m/s
C.10s内平均速度为1m/s D.第1s内的位移大小是0.2m
二、填空。
13、(每空2分)电磁打点计时器是一种________仪器,使用________电源,工作电压________伏,当电源频率为50赫时,它每隔_______打一次点。
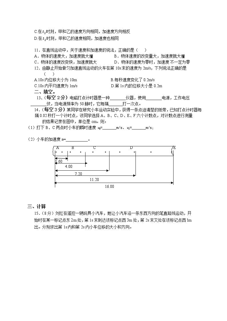
14.(每空3分)某同学在研究小车运动实验中,获得一条点迹清楚的纸带,已知打点计时器每
隔0.02秒打一个计时点,该同学选择A、B、C、D、E、F六个计数点,对计数点进行测量的结果记录在图中,单位是cm。则:
(1)打下B、C两点时小车的瞬时速度vB=_______m/s、vC=_______m/s;
(2)小车的加速度a=___________。
· · · · · · · · · · ·
A B C D E F
1.60
4.00
7.20
11.20
16.00
三、计算
15.(8分)刘红在遥控一辆玩具小汽车,她让小汽车沿一条东西方向的笔直路线运动,开始时在某一标记点东处,第1s末到达该标记点西处,第2s末又处在该标记点西出。分别求出第1s内和第2s内小车位移的大小和方向。
16.(8分)一辆汽车沿平直的公路行驶,第1s内通过的距离,第2s内和第3s内各通过的距离,第4s内又通过了的距离。求汽车在最初2s内的平均速度大小和这4s内的平均速度大小各是多少?
17.(10分)某物体做匀加速直线运动,加速度为2 m/s2,通过A点时速度为2m/s,通过B点时速度为6m/s,则:
(1)物体从A点运动到B点的时间为多长?(2)A.B之间的距离是多少?
18.(12分)一辆汽车在平直公路上匀速行驶,速度大小为v0=5m/s,关闭油门后汽车做匀减速,加速度大小为0.4m/s2。求:(1)关闭油门后5秒时的速度(2)汽车关闭油门后14s内滑行的距离
(3)关闭油门后到汽车位移x=30m所经历的时间
答案
13.计时 交流电;4~6;0.02
14. 0.5,0.7 5m/s2
15第一秒内5m,向西。第2秒内2m, 向东。
16最初2秒12.5m/s. 4秒内的15m/s.
17.(1) 2s (2) 8m
18.解:(1)v=v0+at=5-0.4×5=3m/s
(2)汽车停止时间
所以在14s内汽车通过的位移:
(3)由x=v0t+at2 得30=5t+(-0.4)t2 求得t1=10s t2=15s(舍去)
1
2
3
4
5
6
7
8
9
10
11
12
D
D
B
B
D
B
B
B
ABC
AC
CD
ABC
相关试卷
这是一份山东省泰安市新泰市新泰中学2023-2024学年高一上学期10月月考物理试题,共6页。
这是一份山东省泰安第二中学2022-2023学年高一上学期12月月考物理试题(无答案),共7页。
这是一份山东省泰安市2021-2022学年高一上学期期末考试物理含答案,共10页。试卷主要包含了01等内容,欢迎下载使用。

