高中物理粤教版 (2019)必修 第三册第一节 常见的电路元器件当堂达标检测题
展开第四章 闭合电路
第一节 常见的电路元器件
基础过关练
题组一 组成电路的几种常见元器件
1.标有“450 V,250 μF”字样的电学元件是 ( )
A.电源 B.电阻器
C.电容器 D.电动机
2.以下关于电阻、电感器、电容器对电流作用的说法正确的是 ( )
A.电阻对直流电和交流电都无阻碍作用
B.电感器对交流电有阻碍作用
C.电容器对直流电没有阻碍作用
D.电容器两极板间呈断路,因此串联着电容器的电路不能通过交变电流
3.(多选)关于发光二极管,下列说法正确的是 ( )
A.发光二极管能发光,不具有单向导电性
B.发光二极管能直接把电能转化为光能
C.发光二极管只要在两端加有正向电压,就可以发光
D.发光二极管只有加正向电压时,才有可能发光
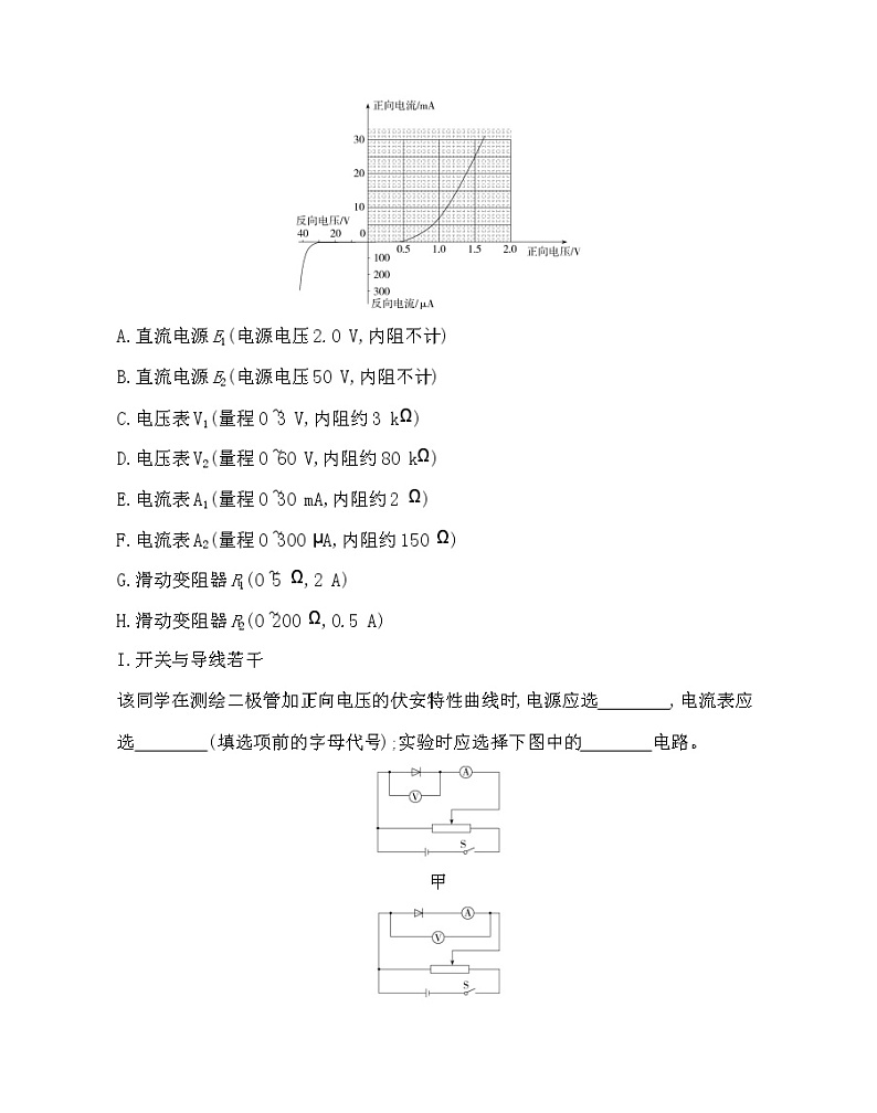
4.二极管具有单向导电性。某同学测绘的某二极管的伏安特性曲线如图所示。实验中可供选择的器材有:
A.直流电源E1(电源电压2.0 V,内阻不计)
B.直流电源E2(电源电压50 V,内阻不计)
C.电压表V1(量程0~3 V,内阻约3 kΩ)
D.电压表V2(量程0~60 V,内阻约80 kΩ)
E.电流表A1(量程0~30 mA,内阻约2 Ω)
F.电流表A2(量程0~300 μA,内阻约150 Ω)
G.滑动变阻器R1(0~5 Ω,2 A)
H.滑动变阻器R2(0~200 Ω,0.5 A)
I.开关与导线若干
该同学在测绘二极管加正向电压的伏安特性曲线时,电源应选 ,电流表应选 (填选项前的字母代号);实验时应选择下图中的 电路。
甲
乙
题组二 元器件在电路中的作用
5.(2021广东佛山高二上月考)电感器具有通直流阻交流的作用,电容器具有通交流隔直流的作用。如图,含有直流、交流信号的音频信号通过电路后,扬声器发出的信号中 ( )
A.主要是直流信号
B.主要是交流信号
C.直流和交流信号一样强
D.直流和交流信号都没有
6.如图所示,A、B、C为三个相同的灯泡,a、b、c为与之串联的三个元件,E1为直流电源,E2为交流电源。当开关S接“1”时,A、B两灯均正常发光,C灯不亮;当开关S接“2”时,A灯仍正常发光,B灯变暗,C灯正常发光。由此可以判断a、b、c可能分别为 ( )
A.a组件是电阻,b组件是电感器,c组件是电容器
B.a组件是电感器,b组件是电阻,c组件是电容器
C.a组件是电容器,b组件是电感器,c组件是电阻
D.a组件是电阻,b组件是电容器,c组件是电感器
答案全解全析
基础过关练
1.C “μF”是电容的单位,则此元件是电容器,选项C正确。
2.B 电阻对直流电和交流电都有阻碍作用,选项A错误;电感器会阻碍电流的变化,所以电感器对交流电有阻碍作用,选项B正确;电容器在直流电路中相当于断路,所以电容器对直流电有阻碍作用,选项C错误;交流电周期性变化,导致电容器周期性充、放电,回路中有电流,所以串联着电容器的电路能通过交变电流,选项D错误。
3.BD 发光二极管的主要材料是半导体,具有单向导电性,即只有加正向电压时,才有可能发光,但是正向电压必须达到一定的值二极管才能发光,发光二极管能直接把电能转化为光能,选项B、D正确,A、C错误。
4.答案 A E 甲
解析 根据绘制的二极管加正向电压的伏安特性曲线可知,电源应选电源电压为2 V的A,电流表应选量程0~30 mA的E,电压表选择量程为0~3 V的C。因电压表内阻远大于二极管的正向电阻,则采用电流表外接法;滑动变阻器采用分压式接法,则实验时应选择甲电路。
5.B 电感器L具有通直流阻交流的作用,直流信号通过L;电容器C具有通交流隔直流的作用,交流信号通过C,直流信号不能通过C,所以扬声器发出的信号中主要是交流信号,选项B正确,A、C、D错误。
6.A 根据题意,当开关S接“1”即接直流电源时,A、B两灯均正常发光,C灯不亮;当接“2”即接交流电源时,A灯仍正常发光,B灯变暗,C灯正常发光,说明a对交流电和直流电的影响相同,c隔直流通交流,则a为电阻,c为电容器;接交流电源时B灯变暗,说明b对交流电的阻碍作用比对直流电的阻碍作用大,则b为电感器,选项A正确,B、C、D错误。
高中物理粤教版 (2019)必修 第三册第一节 常见的电路元器件精练: 这是一份高中物理粤教版 (2019)必修 第三册<a href="/wl/tb_c4003193_t7/?tag_id=28" target="_blank">第一节 常见的电路元器件精练</a>,共11页。试卷主要包含了电阻器,电感器,二极管等内容,欢迎下载使用。
高中物理第一节 常见的电路元器件练习: 这是一份高中物理第一节 常见的电路元器件练习,共3页。
高中物理粤教版 (2019)必修 第三册第一节 常见的电路元器件练习: 这是一份高中物理粤教版 (2019)必修 第三册第一节 常见的电路元器件练习,文件包含粤教版高中物理必修第三册课时分层作业12常见的电路元器件闭合电路的欧姆定律含答案docx、粤教版高中物理必修第三册课时分层作业12答案docx等2份试卷配套教学资源,其中试卷共8页, 欢迎下载使用。

