


初中物理人教版九年级全册第2节 电功率课时训练
展开18.2 电功率微专题三:动态电路分析
1.滑动变阻器滑片的移动引起的电路中物理量的变化
2.由传感器阻值变化引起的电路中物理量的变化
3.由开关的状态引起的动态电路
(1)首先确定初始时的电路性质,根据开关的断开和闭合状态,分析用电器的连接方式(串联或并联)以及电表的测量对象,画出等效电路图。
(2)再确定电路变化后的性质,根据开关的断开和闭合状态,分析用电器的连接方式(串联或并联)以及电表的测量对象,画出等效电路图。
(3)按串并联电路电流、电压的特点和欧姆定律确定电表的变化情况,看谁变了,谁没变,利用电源电压不变、定值电阻不变等隐含条件解决问题。
4.电学变化量
(1)定值电阻
(2)在串联电路中,电压是根据电阻的大小分配的。如果只有两个用电器,则这两个用电器两端的电压之和总是等于电源电压不变。如果期中一个用电器分配的电压增大,则另一个用电器分配的电压就减小,而电压增大量和电阻的减小量相等,即。
(3)
类型一 串联电路动态分析
例1.如图所示的电路中,电源两端电压保持不变,为定值电阻。开关闭合后,在滑动变阻器的滑片向右移动的过程中,下列说法正确的是
A.电压表的示数变大 B.电流表的示数变大
C.电压表的示数变大 D.电路消耗的总功率变大
例2.在如图所示的电路中,电源电压保持不变,忽略小灯泡电阻受温度的影响。当滑动变阻器的滑片由中点向右移动时,下列判断中正确的是
A.电流表和电压表的示数都增大,电路总功率变大
B.电流表和电压表的示数都减小,电路总功率变小
C.电流表示数减小,电压表示数变大,灯泡功率不变
D.小灯泡亮度不变,电压表示数不变,变阻器功率变小
例3.小明在医院看到种输液报警器(如图甲所示),当管内药液流完时,电铃发声,报警器内部有一可变电阻,当输液管内有液体时,电阻大,无液体时,电阻小,电路如题图乙所示,则当闭合开关报警器工作时,下列分析正确的是
A.输完药液时,电流表示数变小
B.输完药液时,电压表示数变小
C.电路在工作时将电能全部转化为电铃的机械能
D.输完药液时,电路消耗的电功率变大
类型二 并联电路动态分析
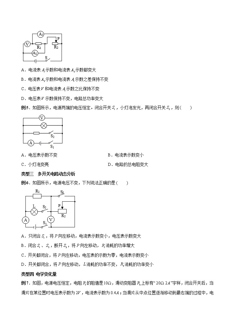
例4.如图所示电路中,变阻器的滑片从中点向左端移动的过程中,下列说法正确的是:
A.电流表示数和电流表示数都变大
B.电流表示数和电流表示数之差保持不变
C.电压表和电流表示数之比保持不变
D.电压表示数保持不变,电路总功率变大
例5.如图所示,电源两端的电压恒定。闭合开关,小灯泡发光,再闭合开关,则
A.电压表示数不变 B.电流表示数变小
C.小灯泡变亮 D.电路的总电阻变大
类型三 多开关电路动态分析
例6.如图所示,电源电压不变,下列说法正确的是
A.只闭合,将向左移动,电流表示数变小,电压表示数变大
B.闭合、,断开,将向左移动,消耗的功率增大
C.开关都闭合,将向左移动,电压表的示数为零,电流表示数变小
D.开关都闭合,将向左移动,消耗的功率不变,消耗的功率变小
类型四 电学变化量
例7.如图,电源电压恒定,电阻的阻值是,滑动变阻器上标有“”字样,闭合开关后,当滑片在某位置时电压表示数为,电流表示数为;当滑片从中点位置逐渐移动到最右端的过程中,电压表的示数变化量的绝对值为△,电流表示数变化量的绝对值为△,此过程中,下列说法正确的是
A.电源电压为
B.△和△的比值变大
C.电流表的最大示数和最小示数之比为
D.电压表的最大示数和最小示数之比为
例8.在如图的电路中,、为定值电阻,为滑动变阻器,闭合开关,当滑动变阻器的滑片向下滑动时,四个理想电表的示数都发生变化,电流表、电压表、、的示数分别用、、和表示,电表示数的变化量分别用△、△、△和△表示。则在滑片向下滑动的过程中,下列说法错误的是
A.电流表的示数变小,电压表的示数变大
B.电压表的示数与电流表的示数之比不变,并且
C.
D.△△△
1.如图所示的电路,电源电压恒定,为定值电阻,为滑动变阻器。闭合开关后,滑动变阻器滑片自向移动的过程中
A.电流表的示数变小,电压表的示数变小
B.电流表的示数变大,电压表的示数变大
C.消耗的电功率变小
D.电路消耗的总功率变大
2.为响应国家严禁在公共场所吸烟的号召,青青设计了一种烟雾报警装置,其原理电路如图所示,为定值电阻,为光敏电阻,其阻值随光照强度的减弱而增大。当接收到的激光光照强度因烟雾而发生改变,使电路中电流小于或等于时,烟雾报警器报警。闭合后,当电流从变化至时,光敏电阻消耗的电功率从变为.关于此变化过程,下列说法正确的是
A.烟雾浓度逐渐减小,电压表示数变大
B.电源电压为,的阻值为
C.当电压表示数为时,烟雾报警器报警
D.消耗的电功率变化了
3.如图所示,电源电压不变,下列说法正确的是
A.只闭合,将向左移动,电流表示数变小,电压表示数变大
B.闭合、,断开,将向左移动,消耗的功率增大
C.开关都闭合,将向左移动,电压表的示数为零,电流表示数变小
D.开关都闭合,将向左移动,消耗的功率不变,消耗的功率变小
4.如图所示的电路中,电源电压不变,为定值电阻,为滑动变阻器,闭合开关后,在滑片从最左端向中心移动的过程中,下列说法正确的是
A.电流表和电流表的示数都变大
B.电路总功率变大,电压表的的示数不变
C.电路总功率变小,电压表的示数不变
D.电流表和电压表的示数都保持不变
5.如图所示的两个电路中,电源电压恒定且相等,两个灯泡的规格相同。闭合开关,当滑动变阻器的滑片都从中点向左滑动的过程中,关于灯泡和的亮度情况,下列判断正确的是
A.和都变亮 B.和都变暗 C.始终比亮 D.始终比亮
6.如图所示,闭合开关.在变阻器滑片向右滑动过程中,下列说法正确的是
A.电压表示数变大,灯泡的实际功率变小
B.电压表示数变大,灯泡的实际功率变大
C.电流表示数变大,灯泡的亮度变亮
D.电压表与电流表示数比值变大,灯泡的亮度变暗
7.如图所示,间的弹簣中间有可收缩的导线将滑动变阻器接入电路,为定值电阻。当闭合开关,板上受到的压力增大时
A.电流表、电压表示数都变小
B.电流表示数变大,电压表示数变小
C.电路的总功率变大
D.电阻的功率变小
8.在如图所示的电路中,电源电压保持不变,、是定值电阻,是滑动变阻器。闭合开关后,当滑片由向滑动的过程中,电压表、的示数变化量分别为△、△,电流表的示数变化量为△.则下列判断中正确的是
A.△△
B.电压表的示数和电流表的示数均变大,电压表的示数变小
C.
D.和消耗的总功率变化了△△
9.如图所示,当滑动变阻器滑片向右端移动时
A.灯泡的额定功率不变,电流表读数变大,灯变亮
B.灯泡的额定功率变小,电流表读数变小,灯变暗
C.灯泡的额定功率不变,电流表读数变小,灯变暗
D.灯泡的额定功率变小,电流表读数变大,灯变亮
10.如图所示电路,电源电压为并保持不变。闭合开关,当滑动变阻器的滑片由一个位置移动到另一位置时,定值电阻的电功率由变成了,则电压表的示数可能
A.由变为 B.由变为 C.由变为 D.由变为
11.如图所示的电路中,移动滑动变阻器的滑片,电压表的示数从变为,电流表的示数变化了.则该定值电阻所消耗功率的变化量为
A. B. C. D.
12.如图所示电路中,电源电压不变,为滑动变阻器,为定值电阻,开关闭合后,当滑片在变阻器的两端,之间滑动的过程中,电压表的最大示数为,电流表的示数变化范围是,则下列结论正确的是
A.
B.的最大电阻为
C.电源电压为
D.电阻的电功率变化范围是至
13.如图所示电路,电源电压保持不变,,滑动变阻器的最大阻值为.闭合开关,向左移动滑动变阻器滑片的过程中,下列说法正确的是
A.电流表的示数变小
B.电压表的示数增大
C.滑片可在上任意移动
D.若滑片移到端时,与的电功率之比为
14.如图所示电路,电源电压恒定,为光敏电阻,其阻值随着光照的增强而减小,为定值电阻,当光照减弱时
A.与示数的比值减小 B.与示数的比值不变
C.与示数之差变大 D.电路消耗的总功率减小
15.如图所示的电路中,电源电压恒定不变。闭合开关,将滑动变阻器的滑片由点移动到点的过程中,下列说法正确的是
A.电压表的示数将变小
B.灯泡的亮度始终保持不变
C.电流表的示数与电流表的示数始终相等
D.电压表的示数与电流表的示数比值将变大
16.如图所示,电源电压保持不变,掷到1时,小灯泡恰好正常发光。当由1掷到2时,下列说法正确的是
A.电流表示数变小,小灯泡正常发光
B.电压表示数不变,小灯泡发光暗淡
C.电流表示数变小,电压表示数变小
D.电压表示数不变,电流表示数变大
17.(多选)如图甲所示电路,闭合开关后,将滑动变阻器的滑片从一端滑到另一端,、的关系图象如图乙所示:在上述过程中,滑片从任意一点滑动到另外一点时,电流表的示数变化量为△,电压表、的示数变化量分别为△、△,、的功率变化量分别为△、△,则
A.的阻值为 B.电源电压是
C.总成立 D.总成立
初中物理人教版九年级全册第2节 电功率精品课后测评: 这是一份初中物理人教版九年级全册第2节 电功率精品课后测评,文件包含人教版九年级物理182电功率解析版doc、人教版九年级物理182电功率原卷版doc等2份试卷配套教学资源,其中试卷共29页, 欢迎下载使用。
初中物理人教版九年级全册第2节 电功率测试题: 这是一份初中物理人教版九年级全册第2节 电功率测试题,共4页。试卷主要包含了关于电功和电功率说法不正确的是,5 A等内容,欢迎下载使用。
中考必刷题专题 训练35电功率之动态电路分析: 这是一份中考必刷题专题 训练35电功率之动态电路分析,共7页。试卷主要包含了如图所示电路,电源电压保持不变等内容,欢迎下载使用。