初中物理人教版九年级全册第3节 电阻学案设计
展开
这是一份初中物理人教版九年级全册第3节 电阻学案设计,文件包含人教版九年级物理第11讲电阻的测量与计算doc、人教版九年级物理第11讲电阻的测量与计算答案版doc等2份学案配套教学资源,其中学案共34页, 欢迎下载使用。
电阻的测量与计算
1.教学重点:学会使用电压表和电流表测小灯泡的电阻的方法,会设计用伏安法测量电阻的实验。通过对实验数据的分析,加深对电阻概念的正确理解。
2.教学难点:引导学生分析实验数据、发现规律,加深对电阻是一种属性的认识。
一、伏安法测量小灯泡的电阻
【实验目的】证明灯丝电阻与温度有关。
【实验器材】小灯泡、电流表、电压表、滑动变阻器、电源、开关、导线。
【实验步骤】
① 画出电路图(见右图)。
② 按电路图连接实物,开关S应断开,将滑动变阻器滑片P移到阻值最大端。
③ 检查无误后闭合开关,移动滑片(眼睛看着电压表),分别记录三组电压、电流的对应值。
④ 断开开关。根据,计算出每次的电阻值R1、R2、R3,并求出电阻的平均值。
【实验表格】
次数
电压/V
电流/A
电阻/Ω
1
2
3
【实验结论】灯丝的电阻与温度有关。温度越高,灯丝电阻越大。
【注意事项】
① 接通电源后先通过变阻器把电压调到小灯泡的额定电压,然后从该电压开始依次降低。
② 滑动变阻器的作用:改变电阻两端的电压;保护电路。
③ 实验最后不能求电阻的平均值,因为:灯丝的电阻与温度有关。
二、伏安法测电阻
【原理】
【实验器材】待测电阻、电流表、电压表、滑动变阻器、电源、开关、导线。
【实验步骤】
① 画出电路图(见右图)。
② 按电路图连接实物,开关S应断开,将滑动变阻器滑片P移到阻值最大端。
③ 检查无误后闭合开关,移动滑片(眼睛看着电压表),分别记录三组电压、电流的对应值。
④ 断开开关。根据,计算出每次的电阻值R1、R2、R3,并求出电阻的平均值。
【实验表格】
次数
电压/V
电流/A
电阻/Ω
1
2
3
【注意事项】
① 多次测量平均值的目的:减小误差。
② 滑动变阻器的作用:改变电阻两端的电压;保护电路。
三、实验电路连接的常见错误:
(1)电流表(电压表)的“+”“-”接线柱接错了。
(2)电流表(电压表)的量程选大/小了。
(3)滑动变阻器的接线柱接错了(同时接在上/下接线柱)。
(4)电流表没有与被测用电器串联(如并联);电压表没有与被测用电器并联(如串联或与其他用电器并联)
(5)连接电路时开关没有断开。
四、实验过程中常见故障及分析
在实验过程中,常见的故障有灯泡不亮、电流表无示数、电压表无示数、电流表无示数但电压表有示数且接近电源电压等。在电路有故障时要先断开开关,并分析故障原因。具体分析如下:
(1)灯泡不亮,故障原因可能是灯泡与灯座处接触不良,或灯丝烧断,或灯泡被短路,或灯泡两接线柱到电源两极间的电路中某处出现断路。
(2)电流表无示数,故障原因可能是电流表短路,或从电流表两接线柱到电源两极间的电路中某处断路。
(3)电压表无示数,故障可能是电压表被短路,或从电压表两接线柱到电源两极间的电路中某处断路。
(4)电流表无示数但电压表有示数且接近电源电压,故障为灯泡断路,使电压表与电流表串联在电路中,电压表相当于测量电源电压。
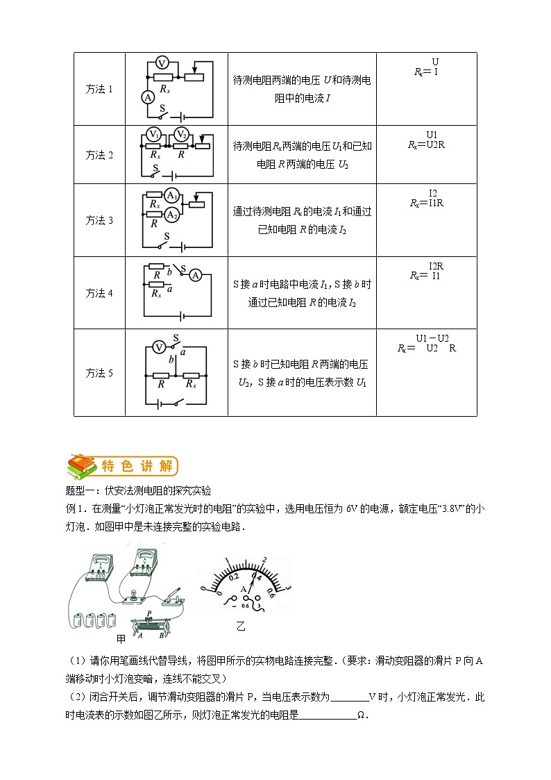
五、其他方法测电阻
测量电阻的方法有多种,如下表所示:
电路图
直接测得的物理量
计算电阻的表达式
方法1
待测电阻两端的电压U和待测电阻中的电流I
Rx=I(U)
方法2
待测电阻Rx两端的电压U1和已知电阻R两端的电压U2
Rx=U2(U1)R
方法3
通过待测电阻Rx的电流I1和通过已知电阻R的电流I2
Rx=I1(I2)R
方法4
S接a时电路中电流I1,S接b时通过已知电阻R的电流I2
Rx=I1(I2R)
方法5
S接b时已知电阻R两端的电压U2,S接a时的电压表示数U1
Rx=U2(U1-U2)R
题型一:伏安法测电阻的探究实验
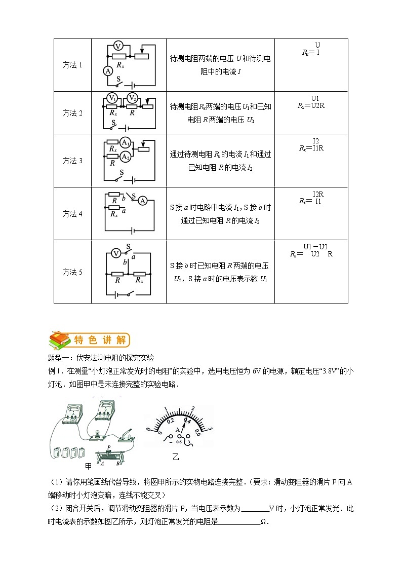
例1.在测量“小灯泡正常发光时的电阻”的实验中,选用电压恒为6V的电源,额定电压“3.8V”的小灯泡.如图甲中是未连接完整的实验电路.
(1)请你用笔画线代替导线,将图甲所示的实物电路连接完整.(要求:滑动变阻器的滑片P向A端移动时小灯泡变暗,连线不能交叉)
(2)闭合开关后,调节滑动变阻器的滑片P,当电压表示数为 V时,小灯泡正常发光.此时电流表的示数如图乙所示,则灯泡正常发光的电阻是 Ω.
(3)若实验时,上述电路中仅电压表 上标有“15V”的接线柱已损坏,且暂无条件修复.在不更换器材的情况下为了能继续完成实验,你的方法是: .
解析:(1)滑动变阻器的滑片P向A端移动时小灯泡变暗,滑动变阻器应接B接线柱,把滑动变阻器串联接入电路,实物电路图如图所示:
(2)当电压表示数等于灯泡额定电压3.8V时灯泡正常发光;由图乙所示电流表可知,其量程为0~0.6A,分度值为0.02A,示数为0.38A,灯泡电阻R===10Ω.
(3)电源电压为1.5V×4=6V,灯泡正常发光时,滑动变阻器两端电压为6V﹣3.8V=2.2V<3V,电压表15V接线柱损坏,电压表可以选择0~3V量程,把电压表并联在滑动变阻器两端.
答案:(1)实物电路图如图所示;(2)3.8;10;(3)用电压表0~3V量程并联在滑动变阻器两端.
例2.如图是小华测量小灯泡电阻的电路,灯泡不发光时电阻约为6Ω.
(1)请你用笔画线代替导线将电路连接完整.
(2)开关闭合前,应将滑动变阻器的滑片P移至 端.(选填“A”或“B”)
(3)闭合开关,发现灯泡不亮,电流表指针几乎不偏转,电压表示数接近电源电压.则电路故障的原因可能是 .
(4)通过数据分析,小华得到了灯泡电阻随温度升高而增大的结论.若将图中的小灯泡更换成定值电阻,下述实验可以完成的是 .
A.探究电流通过导体时产生的热量与导体电阻的关系
B.探究导体中的电流与导体两端电压的关系
C.探究电流的磁场强弱与电流大小的关系
D.探究导体中的电流与导体电阻的关系
解析:(1)读图可知,电源电压为2节干电池,不超过3V,则电路中的电流I===0.5A,因此电流表选择0~0.6A量程;变阻器选择上方任一接线柱,将它们与灯泡串联在一起,如图所示.
(2)闭合开关前,变阻器的滑片应置于最大阻值处,即移到图中的B端;
(3)闭合开关,发现灯泡不亮,电流表指针几乎不偏转,说明电路断路.电压表示数接近电源电压,说明电压表并联部分断路,则电路故障的原因可能是灯泡断路.
(4)A.探究电流通过导体时产生的热量与导体电阻的关系时,应至少有两个不同的电阻进行对比实验,故A不合题意;
B.探究导体中的电流与导体两端电压的关系,应保持电阻不变,小灯泡更换成定值电阻后,阻值不变,故B符合题意;
C.探究电流的磁场强弱与电流大小的关系,应使用通电螺线管,而不是定值电阻,故C不合题意;
D.探究导体中的电流与导体电阻的关系,应保持电压一定,多次改变阻值,一个定值电阻不能完成探究,故D不合题意.
答案:(1)如上图所示;(2)B (3)灯丝断了(或灯泡接触不良) (4)B
例3.图甲是用伏安法测未知电阻R的实验图。
(1)请用笔画线代替导线,将图甲中实物电路连接完整
(2)闭合开关,将滑片P向左滑动时,此时电压表示数为2.4V,电流表示数如图乙所示其读数为I= A , 则未知电阻R= Ω。
(3)若实验中只有一个电压表和一个已知电阻R0,小明设计了如图丙所示的电路,同样可以测量未知电阻Rx,请在空格内将实验步骤补充完整
① 闭合S、断开S1,用电压表测出待测电阻Rx两端的电压为U1[
② ,用电压表测出电源的电压U
③请写出用测量值U 、U1及R0来表示Rx的表达式:Rx=
解析:(1)变阻器应串联在电路中,可将导线一端接在变阻器上端,另一端接在电阻R右端,如图所示.
(2)读图可知,电流表的量程为0~0.6A,其分度值为0.02A,则电流表的示数为0.3A.
由公式I=得,R===8Ω;
(3)实验步骤:
①闭合开关S、断开S1,用电压表测出待测电阻Rx两端的电压为U1;
②闭合开关S、S1,用电压表测出电源的电压U;
③因串联电路中总电压等于各分电压之和,
所以,R0两端的电压:U0=U﹣Ux=U﹣U1,
因串联电路中各处的电流相等,所以,I==,即=,解得:Rx=.
答案:(1)如上图所示; (2)0.3;8; (3)②闭合开关S、S1;③.
例4.如图甲所示是测量定值电阻Rx阻值的实验电路,器材可以满足实验要求。
(1) 同学们按照电路图正确连接电路后,闭合开关,改变电阻Rx两端的电压进行了三次测量,其中第二次实验中电流表的示数如图乙所示,请将表格中的实验数据补充完整。
实验次数
1
2
3
电压U/V
1.0
1.6
1.8
电流I/A
0.3 2
0. 56源:Zxxk.Com]
电阻Rx/Ω
3.13
3. 21
电阻的平均值R′x/Ω
(2)同学们又设计了两种测量方案,方案中定值电阻的阻值为R0。
①方案一:闭合开关S,如果电压表V1和V2的读数分别为Ul和U2,则电阻Rx的阻值表达式为Rx=__________________。
②方案二:电路中Rx≠R0,将S接到a,读出电流表的示数I1;再将S接到b,读出电流表的I2;由I1R0= I2 Rx可得Rx=I1R0/I2。请判断结果是否正确并简要说明理由:____________________________
解析:(1)由图乙可知,此时电流I2=0.5A,阻值R2===3.2Ω,
测量结果为:R===3.18Ω.
(2)①流过电路的电流I=,电阻Rx的阻值Rx===,
②该方案不正确,因为:在串联电路中,用电器两端电压与其阻值成正比,当开关S由a拨到b时,电阻R0和RX两端的电压不相等.
答案:(1)0.50(或0.5) 3.20(或3.2) 3.18 (2)①U2R0/U1 ②该方案不正确,滑动变阻器接入电路的阻值不为0时,两种情况下RX和R0两端的电压不相等。
例5.小红在做“伏安法测小灯泡的电阻”的实验中:
(1)根据实验目的,将实验器材连接成实验电路,如图甲所示.但粗心的小红有一根导线连接错误,请你帮小红在接错的那根导线上打“×”,然后另画一根导线使电路连接正确.
(2)电路改接正确后,合上开关,调节变阻器的滑片到某位置时,电压表和电流表的示数如图乙所示,则此次实验测得的小灯泡的电阻值Rx是 Ω.
(3)若小灯泡的额定电压为2.5V,现用该电路来测小灯泡的额定功率,此时应将变阻器的滑片P向 滑动.(选填“左”或“右”)
解析:(1)电压表并联在灯泡和滑动变阻器的两端,测灯泡和滑动变阻器的总电压,所以电压表的“3”接线柱和滑动变阻器左下端接线柱连接错误,应把电压表并联在灯泡两端,电压表的“3”接线柱和灯泡右端接线柱连接,如下图:
(2)由图知:电压表选择的是0~3V量程,对应的分度值为0.1V,此时的示数为1.9V;
电流表选择的是0~0.6A量程,对应的分度值为0.02A,此时的示数为0.38A;
待测电阻的阻值为R==5Ω.
(3)闭合开关时,灯泡两端电压低于额定电压,所以要提高灯泡两端的电压,需要减小电路电阻,即应将滑片P向左端移动.
解答: :(1)
;
(2)5; (3)左.
基础演练
1.在测量电阻的实验中,所给的电压表有“0~3V”和“0~15V”两个量程,电流表有“0~0.6A”和“0~3A”两个量程,电源是两节干电池串联,待测电阻的阻值大约是10Ω,那么,电压表应选的量程
为_____ _,电流表应选量程为_____ ___。
2.用如图17.3-1甲所示的电路图,研究电流、电压和电阻关系时,若只改变滑动变阻器的阻值,可以探究电流与______的关系;也可用于伏安法测电阻,实验时小明观察到两个电表的示数如图17.3-1乙所示,则小明测得R的电阻是_____欧。
3.如图17.3-2所示的电路,闭合开关,小灯泡正常发光。若将小灯泡和电流表的位置互换,则闭合开关后的现象是 ( )
A.小灯泡不发光,电压表没有示数
B.小灯泡不发光,电流表没有示数
C.小灯泡正常发光,电压表没有示数
D.小灯泡正常发光,电流表没有示数
4.在“伏安法测定值电阻的阻值”的实验中,为了使被测电阻阻值测得更准确些,下列方法可行的是 ( )
A.在可能的情况下,加在电阻两端的电压要尽量大一些
B.通过电阻的电流尽量大一些
C.取测得的平均值作为待测电阻的阻值
D.以上办法都可以
5.在物理实验中,对物理量进行多次测量,有的是为了通过多次测量提高精度,有的是为了通过多次测量寻找规律。下面四个实验中,哪个是通过多次测量提高精度 ( )
A.在探究“并联电路中干路电流与各支路电流的关系”时测量多组对应的干路电流和各支路电流
B.在探究“串联电路各点间电压的关系”时测量多组对应的总电压和各部分电路两端的电压
C.在探究“电阻上的电流跟两端电压的关系”时测量多组对应的电流和电压值
D.在“测量定值定值的电阻”时,测量多组对应的电流和电压值
6.小聪用伏安法测量电阻R的阻值时,并联在电阻R两端的电压表的示数如图17.3-3甲所示,与电阻R串联的电流表的示数如图17.3-3乙所示,则电压表的示数为______V,电流表的示数为______A,电阻R的阻值为______Ω。
7.用“伏安法”测电阻的实验有两种情况:一种是测定值电阻阻值的大小,另一种是测小灯泡阻值的大小。测定值电阻阻值的大小时,多次测量的目的是_________________;测小灯泡阻值的大小时,不能求平均值,原因是__________________________ _,
多次测量的目的_____________________________________________。
8.如图17.3-4是李江同学为测量小灯泡电阻而连的电路,有关该实验的以下说法错误的是 ( )
A.闭合开关前,应将滑动变阻器的滑片滑到最左端
B.实验过程中两电表都有可能需要换接较小的量程
C.所测小灯泡的电阻可能随电压表的示数的不同而不同
D.在如图位置闭合开关后,向左移动滑动变阻器的滑片,小灯泡变亮
9.对于“探究电流跟电阻的关系”和“伏安法测量定值电阻的阻值”的这两个实验,下列说法不正确的是 ( )
A.它们都是采用控制变量的研究方法
B.它们的实验电路在教科书中是相同的
C.前者多次测量的目的是分析多组数据,得出电流跟电阻的关系
D.后者多次测量的目的是取电阻的平均值,减小误差
10.在测量电阻约为10Ω的定值电阻Rx的实验中,小明和小亮用如图17.3-5甲所示的器材进行实验。
(1)用笔画线代替导线在甲图中完成实物电路连接,要求滑动变阻器的滑片向右滑动时连入电路的电阻变小。
(2)小明把最后一根导线连接完毕后,看到电压表和电流表立即有较大示数。小亮认为在实验操作中有两处错误,其中一处 ;还有一处是 。
(3)改正错误后,小明改变Rx两端的电压和电流,两次测得的电阻值分别为R1=10.1Ω,R2=10.2Ω,第三次测量时,电流表的示数为0.26A,电压表的示数如图乙所示。根据以上三次实验数据,最后得出Rx= Ω。
参考答案:1. 0~3V 0~0.6A 2.电压 5 3.C 4.C 5.D 6.2.5 0.5 5
7.求平均值减小实验误差 灯丝电阻随温度而改变 测出小灯泡在不同电压下的电阻值
8.D 9.A
10.(1)如图1所示
(2)滑动变阻器的滑片没有滑到阻值最大的位置 连接电路时开关没有断开
(3)10.1
巩固提高
1.如图17.3-6所示,小丽同学利用电压表和电流表测量电阻R1的阻值(约9Ω左右),电源选用两节干电池。
(1)按图甲电路,将图乙中电流表正确连入电路
(2)该同学检查电路连接正确,合上开关,可是无论怎样移动滑片,电压表示数总为3V不变,你认为发生故障的原因可能是_________________或___________________。
(3)清除故障后,小明将滑片P向左滑动时,电压表示数将________(填“增大”、“减小”、“不变”),当P滑到某一位置时,两表读数如图丙所示,由此可知R=____Ω。你认为这个结果可靠吗? ,理由是_____________________________ 。
2.如图17.3-7甲是测量小灯泡(U额=2.5V)电阻的电路,电源电压恒为4V。
(1)请将图甲中的电路连接完整。(要求滑片P向右滑动时电灯变亮,导线不允许交叉)
(2)实验中,滑动变阻器除了保护电路外,还可以 。
(3)下表是记录的部分实验数据,图乙是第1次实验中电流表的示数,该示数为 A。这5次实
验中,灯泡电阻的最大值为 Ω(结果保留两位小数)。为了完成这5次实验,应该选取最大阻值不小于 Ω的滑动变阻器。
实验次数
1
2
3
4
5
电压U/V
2.5
2.0
1.5
1.0
0.5
电流I/A
0.22
0.19
0.16
0.10
3.图10所示是小玲测量小灯泡的电阻所用的器材,已知小灯泡的额定电压是3.8V。
⑴请你用笔画线代替导线,将实物电路连接完整,要求导线不能交叉。
⑵闭合开关前,滑动变阻器的滑片P应移动到______端(填“左”或“右”)。
⑶进行实验时,小玲闭合开关后发现电压表的示数接近4.5V,然后她反复移动滑动变阻器的滑片P,电压表的示数基本不变。由此可见,发生故障的原因可能是滑动变阻器________或者是灯泡_____ ___。
⑷排除故障后,小玲先后让滑动变阻器的滑片P在不同位置上做了三次实验,得出三组数据,并根据每组数据正确计算出三个相应的电阻值,比较发现它们之间有较大差异,你认为产生这种差异的原因是____________________。
4.某同学欲测量一只额定电压为2.5V的小灯泡正常工作时的电阻,请你与他一起边实验边思考,并回答下列问题。
图11 图12 图13
(1)图11是即将完成的该实验的电路图。请在图中三个“○”内正确填入“灯泡”、“电流表 ”和“电压表 ”的电路符号,完成该电路图 。
(2)按电路图连接完电路,闭合开关快速试触的瞬间,电流表和电压表出现了如图12所示的情况,经检查,所有仪器、元件完好。请分析出现以上现象的可能原因(两表各写一条)。
①电流表: .
②电压表: .
(3)问题解决后,再次接通电路,为使小灯泡能正常发光,应调节滑动变阻器使电压表示数为
V。小灯泡正常发光时,电流表的示数如图13所示,则流过小灯泡的电流为 A,该灯泡正常工作时的电阻是 Ω。
5.同学们要测量电阻Rx的阻值(其阻值约几百欧),实验室能提供的器材有:干电池两节、电流表、电压表、滑动变阻器(“100W、2A”)、开关各一只、导线若干。
(1)某同学设计的实验电路如图所示,并要用此电路测量待测电阻Rx的阻值,你认为这个方法是否可行?简述你的观点。
(2)如果上述方法可行,画出电路图,并写出主要实验步骤和Rx表达式.如果上述方法不可行,请你利用题中已有的器材设计出一种可行的实验方案。画出电路图,并写出主要实验步骤和Rx表达式。
6.在测量某一定值电阻Rx阻值的实验中,张楠同学选定了如图所示的器材进行实验.实验过程中,由于李骅同学的疏忽,做完实验后他才发现,把测量的电流值都写在草稿纸上而忘记填人记录表格中.
实验次数
1
2
3
4
5
电压U/V
0.5
1.0
1.5
2.0
2.5
电流I/A
(1)请你帮助李骅同学把记录在草稿纸上的电流值对应填人表格中,并写出你所依据的物理规律是
(2)根据测量数据计算该定值电阻的阻值为 Ω(保留一位小数)
(3)根据实验所需电路,用笔画线代替导线完成下左图中的实物连接。
参考答案:
1.(1)如图2所示
(2)R1处断路 R2处短路
(3)增大 10 不可靠 没有多次测量求平均值
2.(1)如图3所示
(2)改变小灯泡两端的电压和流过小灯泡的的电流,多测几组数据
(3)0.24 10.42 35
3.⑴(如图4,2分) ⑵右 ⑶短路 开路 ⑷灯丝(钨丝)的电阻跟温度有关
4.
15.
16.答案:
实验次数
1
2
3
4
5
电压U/V
0.5
1.0
1.5
2.0
2.5
电流I/A
0.10
0.18
0.30
0.42
0.50
(1)电阻一定时,流过电阻的电流随电压的增大而增大。(填欧姆定律也可)(1分)
(2)5.1(2分)(若有四舍五入错误不给分)
(3)(2分)如图所示
1.伏安法测电阻实验的原理是 ,在连接电路的过程中,开关必须处于 状态,滑动变阻器的滑片应位于阻值最 的一端.这主要是为了避免电路中 过大,以致烧坏有关元件.接通电源后,先通过滑动变阻器把小灯泡两端电压调到 .测量时,从设备的安全考虑,应从额定电压开始逐次 电压,(填“升高”或“降低”)从而获得几组数据.
2.现要测定标有“3.8 V ,0.3 A”字样的小灯泡正常发光时灯丝的电阻值.给你提供的实验器材如下:4.5 V和12 V的电源各一套(电源电压恒定),开关一只,导线若干,标有“5 Ω,2 A”和“10 Ω,1 A”的滑动变阻器各一只,量程为0.6 A和3 A的电流表各一只.量程为3 V和15 V的电压表各一只.要求测量时电表的示数必须超过所用量程的一半.
(1)应选用 V的电源;
(2)电流表的量程应选择 A;
(3)电压表的量程应选择 V;
(4)滑动变阻器的规格应选择 .
3.通过导体a、b的电流随电压的变化情况如图1所示,则导体a、b的电阻相比较( )
A.Ra>Rb
B.Ra=Rb
C.Ra<Rb
D.无法确定
4.小宇做“测定小灯泡的电阻”实验(小灯泡标有“2.5V"字样),在实验过程中得到了如下表所示的一组电压和电流的数据:
实验次序
1
2
3
4
5
6
灯泡两端的电压U(V)
0.5
1.0
1.5
2.0
2.5
3.0
通过灯泡的电流I(A)
0.18
0.22
0.26
0.3
0.31
灯泡发光情况
微亮—逐渐变亮
根据图3的实物电路,在方框内画出对应的电路图;
(2)在连接电路时,开关应处于 状态,这是为了 ;闭合开关前,滑动变阻器的滑片应调至 ,这是为了 ;
(3)正确连好电路后,闭合开关S,发现灯L不发光,故障的原因不可能是( );
A.电流表处有开路 B.电压表与灯泡相连接的导线接触不良
C.导线接触不良 D.小灯泡L的灯丝断了
(4)灯泡正常发光时,电流表的示数如图4所示,请将读数填入表格中的空格处.此时小灯泡的电阻为 ;(小数点后保留一位数字)
(5)分析比较表格中的数据可以看出,在灯丝中的电流逐渐增大的过程中,灯丝的电阻 ,进一步分析表明: 。
5.小明所在的班级共有30位同学,常采用投票表决的方式来决定班级重大事宜,小明想设计一个表决统计器,来快速地获知投赞成票(或反对票)的人数。为此,小明准备了下列器材:电源(电压为2V且恒定)、开关(足够多)、电流表(表盘如图)、阻值100Ω的定值电阻(足够多)、导线若干
(1)画出表决器的电路原理图(可用“……”省去部分重复的电路);
(2)通过计算改画图5中电流表的表盘刻度,使它能直接显示人数;
(3)写出表决器的使用方法
6.小明和小亮利用图6所示的电路测未知电阻的阻值.
(1)根据他们连接的实验电路可知,电表甲应是 表.
(2)实验中他们检查电路无误后闭合开关,观察了两电表的示数(如图7).计算出被测电阻R= Ω.
(3)完成了上步计算后小明认为实验就完成了,小亮则认为,仅这样就得出电阻的阻值不够可靠.原因是 。
(4)为了得到更可靠的结果,你认为接下去他们的具体操作应是 。
参考答案:
1.R=U/I 、断开、大、电流、额定电压、升高 ; 2.4.5、15、0.6、10Ω、1A 3.C
4.(1)略;(2)断开、避免接线错误损坏电路元件、最大阻值处、保护电路;(3)B;(4)9.6Ω;(5)变大、灯丝的电阻随温度的升高而增大
5. (1)(2) 如下图所示;
(3)使用方法:使用0~0.6A量程,投赞成票的同学闭合开关(反对、弃权者都不动作),读出电流表上的人数,即为赞成人数。
6.(1)电压; (2)10;
(3)单独一次测量的结果误差可能较大; (4)调节滑动变阻器,改变定值电阻两端的电压和通过的电流,多次测量求平均值。
_________________________________________________________________________________
_________________________________________________________________________________
1.用电流表和电压表分别测量出通过小灯泡的电流I和小灯泡两端的电压U,就可以利用______来计算出小灯泡的电阻。测量时,为了减小误差,需要测出_____电流和电压的数据。在电路中接入______就可以改变通过小灯泡的电流。
2.某同学在“测量小灯泡的电阻”时,测得小灯泡两端的电压为3 V,通过小灯泡的电流为0.3 A,则这个小灯泡的电阻是_____;当他调节滑动变阻器,使小灯泡两端的电压变为2.5 V时,通过小灯泡的电流为_____。
3.如图所示,是某同学测量未知电阻R时所画的电路图,由于粗心,他没有画出电压表和电流表的符号,___ __是电压表, 是 电流表;如果电源电压不变,当他将开关S闭合,滑动变阻器的滑片P向上滑动时,表甲的示数将 ,表乙的示数将 。
4.在“测量小灯泡的电阻”的实验中,闭合开关之前应该先调整变阻器的滑片,使它处于使电路中电流_____的位置;接通电源后通过变阻器把电压调到_____,测量时将电压______,获得几组数据。
5.王铭同学测量小灯泡的电阻时,连接的电路如图2所示,当他闭合开关后,发现小灯泡正常发光,电压表示数正常,电流表的示数为零,他分析可能有以下几种原因,你认为正确的是 ( )
A.连接灯泡时用导线将两个接线柱短路了
B.连接电流表时用导线将两个接线柱短路了
C.电流表内部线圈烧断了
D.电流表完好,接线柱没有与导线接通
图2
6.张鱼同学连接的电路如图3所示,当他闭合开关S,将滑动变阻器的滑片P向上滑动时,以下叙述的现象中,正确的是(电源电压不变) ( )
A.电流表示数变大,电压表示数变小
B.电流表示数变大,电压表示数变大
C.电流表示数变小,电压表示数变小
D.电流表示数变小,电压表示数变大
图3
7.实验课上,老师让画出测量Rx的电路图,有四位同学画出的电路图如图4所示,请你判断这四位同学所画的电路图,正确的是 ( )
图4
8.在“测量小灯泡的电阻”的实验中,某同学在连接电路时,不小心将电流表和电压表换了位置,如图5所示,可能出现的现象是 ( )
A.电压表烧坏
B.小灯泡烧坏
C.电流表烧坏
D.小灯泡不亮
图5
10.某同学想测一个电阻器的阻值,可是,他手边只有一个电池组,一个电压表,一个阻值已知的电阻,和足够的导线,请你帮他画出测量的电路图,并说明测量的步骤。
参考答案:
1.R=U/I,几组,滑动变阻器 2.10 Ω,0.25 A 3.甲,乙,增大,增大
4.最小,额定电压,逐次降低 5.B 6.A 7.C 8.D
9.(1)略 (2)如图所示。 (3)向左端滑动,电压表、电流表示数均变小。
10.连接的电路如下图所示,闭合开关,记录电压表的读数U1;然后断开a点,接到b点记录电压表的读数U2;Rx两端的电压为Ux=U2-U1 通过Rx的电流为I=U1/R0 电阻Rx=Ux/I=(U2-U1)R0/U1
相关学案
这是一份初中物理人教版九年级全册第3节 电阻学案,共12页。学案主要包含了学习目标,学习重点,学习难点,自主预习,合作探究,阅读归纳,提出问题,猜想与假设等内容,欢迎下载使用。
这是一份人教版九年级全册第3节 电阻导学案及答案,共10页。学案主要包含了学习目标,学习重点,学习难点,自主预习,合作探究,阅读归纳,提出问题,猜想与假设等内容,欢迎下载使用。
这是一份人教版九年级全册第3节 电阻学案设计,共7页。

