 
 
沪科版八年级全册第五节 机械效率第1课时教学设计
展开第5节 机械效率
第一课时 认识机械效率
教学目标
【知识与技能】
1.理解有用功、额外功和总功的含义.
2.理解机械效率的定义及物理意义,会进行相关的计算.
【过程与方法】
通过举例,理解有用功、额外功、总功及机械效率;通过讨论,了解如何提高机械效率.
【情感、态度与价值观】
关注生产、生活中各种机械的机械效率,具有用机械效率来评价机械的意识.
重点难点
【重点】
有关机械效率的计算.
【难点】
有关机械效率的计算.
教学过程
知识点一 有用功与额外功
【自主学习】
阅读课本P202,完成以下问题:
1.无论采取哪种办法都必须做的功叫做有用功.
2.并非我们需要但又不得不做的功叫做额外功.
3.有用功加上额外功是总共做的功,叫做总功.
【合作探究】
探究一 有用功与额外功
1.用弹簧测力计将钩码匀速提升一定高度,如图甲所示,记录弹簧测力计示数.
2.用弹簧测力计并借助一只动滑轮将同样的钩码匀速提升相同高度,如图乙所示,记录弹簧测力计示数.
3.将记录下的弹簧测力计示数填入下面的表格中,并完成该表格.
| 物理量 | G/N | h/m | F/N | s/m | W非动 | W动 | 
| 1 | 
 | 
 | 
 | 
 | 
 | 
 | 
| 2 | 
 | 
 | 
 | 
 | 
 | 
 | 
| 3 | 
 | 
 | 
 | 
 | 
 | 
 | 
将表格完成后,你会发现借助动滑轮的弹簧测力计,拉力做的功要更多一些,你知道是为什么吗?
答:实验证明,使用机械做功时,尽管它会给我们带来如省力、方便等有利因素,但是,由于机械本身的自重以及摩擦等因素的影响,需要额外做一些功.
在以上实验中,拉力所做的功,物理学中叫总功.提升重物,要克服滑轮重力和摩擦而额外做功,否则不能完成任务.这个功不是目的而又不得不做,是额外功.从总功中减去额外功才是对我们有用的功,叫做有用功.
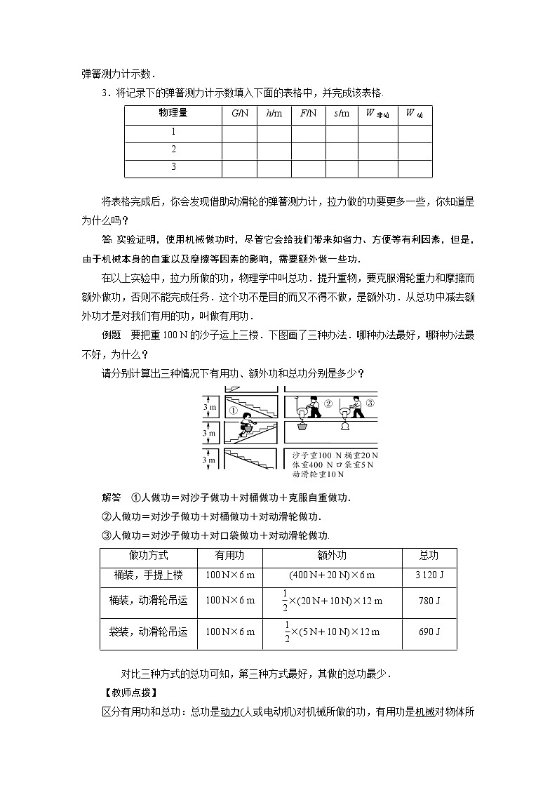
例题 要把重100 N的沙子运上三楼.下图画了三种办法.哪种办法最好,哪种办法最不好,为什么?
请分别计算出三种情况下有用功、额外功和总功分别是多少?
解答 ①人做功=对沙子做功+对桶做功+克服自重做功.
②人做功=对沙子做功+对桶做功+对动滑轮做功.
③人做功=对沙子做功+对口袋做功+对动滑轮做功.
| 做功方式 | 有用功 | 额外功 | 总功 | 
| 桶装,手提上楼 | 100 N×6 m | (400 N+20 N)×6 m | 3 120 J | 
| 桶装,动滑轮吊运 | 100 N×6 m | ×(20 N+10 N)×12 m | 780 J | 
| 袋装,动滑轮吊运 | 100 N×6 m | ×(5 N+10 N)×12 m | 690 J | 
对比三种方式的总功可知,第三种方式最好,其做的总功最少.
【教师点拨】
区分有用功和总功:总功是动力(人或电动机)对机械所做的功,有用功是机械对物体所做的功.
【跟进训练】
小聪用桶从井里打水,小明从井里捞桶带上部分水,下列说法正确的是( D )
A.二人对桶做的功都是额外功
B.二人对水做的共都是有用功
C.小聪对桶做的功是有用功
D.小明对桶做的功是有用功
知识点二 机械效率
【自主学习】
阅读课本P203,完成以下问题:
1.有用功和总功的比值叫做机械效率.机械效率越高,说明有用功所占的比例越大.
2.计算公式:η=×100%.
【合作探究】
探究二 计算机械效率
在前面运沙子上楼的三种不同做功方式中,我们已经计算出了有用功、额外功和总功.求三种不同方式的机械效率.(W总1=3 120 J、W总2=780 J、W总3=690 J)
η1=×100%=19%
η2=×100%=77%
η3=×100%=87%
1.有没有机械效率为100%的机械?为什么?
答:没有.因为有用功总小于总功,所以机械效率总小于1.
2.怎样才能提高机械的效率?
答:改进结构或减小摩擦;经常保养、定时润滑.
【教师点拨】
机械效率越高,机械越省力的论断是错误的.机械效率的高低与机械的省力情况无关,两者之间不存在相互决定的关系.
【跟进训练】
1.用规格相同的滑轮安装成甲、乙两个滑轮组提升重物,如图所示.已知G1=150 N,G2=200 N,动滑轮重G动=50 N,滑轮与轴的摩擦忽略不计.设甲的机械效率为η1,乙的机械效率为η2,则下列关系正确的是( A )
A.F1<F2,η1<η2 B.F1>F2,η1>η2
C.F1>F2,η1<η2 D.F1<F2,η1>η2
2.一台起重机将重3 600 N的货物匀速提高4 m.如果额外功是9 600 J,起重机做的有用功是多少?总功是多少?机械效率是多少?
解:起重机提升货物的力等于物体的重力,F=G=3 600 N.
起重机提升重物所做的有用功W有=Fh=Gh=3 600 N×4 m=14 400 J=1.44×104 J.
起重机做的总功W总=W有+W额=14 400 J+9 600 J=2.4×104 J.
因此,起重机的机械效率
η=×100%=×100%=60%.
课堂小结
认识机械效率
练习设计
完成本课对应训练.
物理八年级全册第二节 滑轮及其应用第1课时教学设计: 这是一份物理八年级全册第二节 滑轮及其应用第1课时教学设计,共4页。
八年级全册第三节 空气的“力量”第1课时教案: 这是一份八年级全册第三节 空气的“力量”第1课时教案,共5页。
初中第一节 压力的作用效果第1课时教案及反思: 这是一份初中第一节 压力的作用效果第1课时教案及反思,共4页。
 
 
 
 
 
 
 
 
 
 
 
 


