物理人教版第1节 长度和时间的测量学案及答案
展开
这是一份物理人教版第1节 长度和时间的测量学案及答案,共8页。学案主要包含了长度的单位,长度的测量,时间的测量,误差等内容,欢迎下载使用。
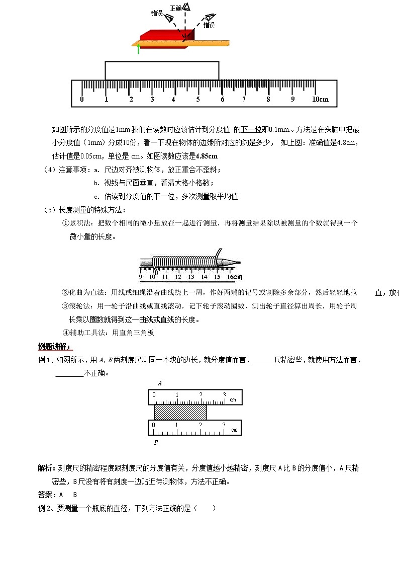
第一章 机械运动第1节 长度和时间的测量学习目标:1、会使用适当的工具测量长度和时间。2、知道测量有误差,了解误差和错误的区别。3、能通过日常经验,物品或自然现象粗略估测长度和时间,了解计量长度和时间的工具及其发展变化的 过程。学习重点、难点:长度的测量。学习难点:估测物体的长度。知识点一、长度的单位1.国际单位制(1)单位:测量某个物理量时用来进行比较的标准量,如测量铅笔长度时,若将铅笔的一半作为标准量,则铅笔长为2个单位长。(2)国际单位制:在国际上要进行交流应该有一个国际公认的测量标准作为比较的依据。这个公认的我 们称之为国际单位的用SI表示,2、国际单位制中,长度的主单位是 m ,常用单位有千米(km),分米(dm),厘米(cm),毫米(mm),微米 (μm),纳米(nm)。3、主单位与常用单位的换算关系: (1)1 km=103m 1m=10dm 1dm=10cm 1cm=10mm 1mm=103μm (2)各单位间关系:kmmdmcmmmμm nm (3) 4、长度估测:黑板的长度2.5m、课桌高0.75m、篮球直径24cm、指甲宽度 1cm、铅笔芯的直径1mm 、 一只新铅笔长度1.75dm 、 手掌宽度1dm 、墨水瓶高度6cm 中学生身高1.6m 一层楼高3m 、 一张纸的厚度(头发丝的直径)100μm . 成人走两步的距离为1.5m例题讲解: 例1、下列单位换算正确的是( )A.4.5m=4.5m×100cm=450cm B.456mm=456×=0.456mC.36cm=36÷100m=0.36m D.64dm=64×m=6.4m解析:根据换算步骤可得:对于A选项4.5m=4.5×100cm=450cm 。对于B选项456mm=456×m=0.456m对于C选项36cm=36×m=0.36m答案:D例2、 小华在2010年学业考试体育测试中,身高的读数为160,小华的身高应记录为( )A.160m B.160cm C.160dm D.160 mm解析:正常情况下小华的升高约为1.6m,而1.6m=160cm所以C选项是正确的。答案:C跟踪练习:1. 一支未使用过的2B铅笔的长度最接近于( ) A.10cm B.20cm C.30cm D.40cm2. 给下列各物体的长度填上合适的单位:(1)中学生的身高1700 ; (2)一个墨水瓶的高为0.65 ;(3)一课桌的高为0.52 ; (4)物理课本的宽为1.85 。 知识点二、长度的测量:(1)长度的测量是物理学最基本的测量,也是进行科学探究的基本技能。长度测量的常用的工具是刻度 尺。 (2)测量工具:常用工具:刻度尺,其他测量工具:卷尺、游标卡尺、螺旋测微器(3)刻度尺的正确使用方法:①测量前“三看”: a.零刻线 b.分度值 c.量程 量程是指一次所能测量的最大长度。如图所示的刻度尺的量程为10cm,分度值是指两相邻刻度线 所表示的长度。如图所示的分度值为1mm(这种刻度尺又叫毫米刻度尺) ②测量时“五会”:a.会选:选择合适量程的刻度尺。 b.会放:刻度尺的位置要放正,不能歪斜;刻度尺较厚时,刻度线应紧贴被测物体;零刻度线磨 损的,应以某一刻线为“零点”,读数时再减去零点前的数字; c.会看:读数时,视线应与尺面垂直; d.会读:除读出最小刻度以上各位数字外,还应估读到分度值的下一位数字;e.会记:记录的测量数据,包括数字和单位。(没有单位的数值是毫无意义的)。 如图所示的分度值是1mm我们在读数时应该估计到分度值 的下一位即0.1mm.。方法是在头脑中把最 小分度值(1mm)分成10份,看一下现在物体的边缘所对应的约是多少, 如上图:准确值是4.8cm, 估计值是0.05cm,单位是cm。如图读数应该是4.85cm(4)注意事项:a. 尺边对齐被测物体,放正重合不歪斜; b. 视线与尺面垂直,看清大格小格数; c. 估读到分度值的下一位,多次测量取平均值 (5)长度测量的特殊方法:
①累积法:把数个相同的微小量放在一起进行测量,再将测量结果除以被测量的个数就得到一个微小量的长度。②化曲为直法:用线或细绳沿着曲线绕上一周,作好两端的记号或割除多余部分,然后轻轻地拉 直,放在刻度尺上量出线或细绳的长度,即为所测曲线的长度。③滚轮法:用一轮子沿曲线或直线滚动,记下轮子滚动圈数,测出轮子直径算出周长,用轮子周 长乘以圈数就得到这一曲线或直线的长度。 ④辅助工具法:用直角三角板例题讲解;例1、如图所示,用A、B两刻度尺测同一木块的边长,就分度值而言, 尺精密些,就使用方法而言, 不正确。
解析:刻度尺的精密程度跟刻度尺的分度值有关,分度值越小越精密,刻度尺A比B的分度值小,A尺精 密些,B尺没有将有刻度一边贴近待测物体,方法不正确。 答案:A B例2、要测量一个瓶底的直径,下列方法正确的是( ) 解析:用刻度尺测量物体的长度时,一般应从零刻度线或某一整刻线开始测量,A、D选项中的测量方法会 使测量值偏小,不符合题意;B选项直接用刻度尺来寻找瓶子的直径的方法是不科学的,一般测量值 会偏小,不符合题意;C选项所示的方法为“辅助工具法”,三角板的直角边所对应的示数即为瓶子 直径的大小.答案:C跟踪练习:1、长度测量是物理学中最基本的测量之一,图中的四种工具不属于测量长度的是( )
2、要测量面值为一元的硬币的直径,下列测量方法中最好的是( )A.用刻度尺直接多测几次硬币的直径,算出平均值B.将硬币放在直尺上直接读出硬币的直径C.用细线绕硬币一周,测出硬币的周长再算出直径D.用直尺和两块三角板配合进行测量答案: 1、A 2、D知识点三、时间的测量1、时间的单位:国际单位:秒(s),常用单位:时(h)、分(min) 各单位间关系:时(h) 分(min)秒(s)2、测量工具:(1) 古代: 日晷、沙漏、滴漏、脉搏等 (2)常用工具:停表,其他测量工具:机械表、电子表、石英表等。 在生活中测量时间的工具是表,同学们,也要象刻 度尺的使用一样,认读它的量程和分度值如:秒针 转一周的时间为60s分针转一周的时间为1h,时针 转一周的时间为12h (3)停表的使用方法:校零、启动,停止,读数、回表。 ①使用前先校正零点,弄清大圆周和小圆周每大格、每小格表示的时 间。②大拇指第一次按下时,表针开始转动(启动),计时开始,随即放手让按钮自行弹回。③第二次按下时,表针停止转动(停止),停表指示的是两次按按钮之间的时间,等于分针和秒 针之和(读数)。④第三次按下时,秒针和分针都弹回零点(回表)。 注意:a.大圈每圈为0.5分钟,每一大格为1秒;小圈每圈为15分钟,每一小格为0.5分 钟。读数时应得小圈与大圈示数之和。b.对于具有重复性的运动,可算出每次运动经历的时间,例测出脉搏跳动100次的时间,即可算出跳动一次所用的时间。例题讲解:例1、如图所示,停表的读数是___min____s。解析:由图中停表大圈得44s,小圈读得4min,所以停表读数为 4min+44s=4min44s。答案:4min44s。例2、1583年,伽利略发现了摆振动的等周期性,即来回摆动一次的时间相等。 以此为基础,荷兰物理学 家惠更斯于1656年发明了摆钟。小明用细绳拴住一块小石块,制作了一个 摆。他想测它来回摆动一次 所需要的时间,请你来帮助他。解析:摆来回摆动一次的时间非常短,直接测量摆动一个来回所用的时间误差较大,我们可以用“累积法” 测多个周期,同时记住周期数,从而求出摆动一个来回的时间,使结果更准确。答案:用秒表测出小石块来回摆动30次所用的时间t,则来回摆动一次的时间为t/30。跟踪练习:1、 如图甲图中的时间是 ;乙图中的时间是 。如图所示,丙图秒表的读数为 s。2、下列各过程经历的时间最接近于1 s的是( ) A.眼睛迅速一眨 B.人正常呼吸一次 C.人打个哈欠 D.人体心脏跳动一次答案:1、10min 58s 50 、 10S 、 337.5s ;2、人的心脏一分钟约跳动72次,四个选项中只有D选项 符合要求。D知识点四、误差(1)概念:测量值与真实值之间的差别就是误差。(2)产生原因:a.仪器的精密度不高 b.环境的变化对器材的影响 c.测量者估读(3)减小误差的方法:a. 多次测量求平均值 b.选用精密的测量工具 c.改进测量方法(4)如何正确区分误差和错误:误差是在正确操作的基础上,造成测量值与真实值之间的差别,任何测 量都会有误差,误差不能消除不能避免,只能尽量减小;错误是由于测量者不遵守测量仪器的使用 规则,读数时粗心造成的,是可以避免的。例题讲解:例1. 一名同学先后三次用同一把刻度尺测量一本物理课本的长度,测得的数值分别为18.03cm,18 .02 cm, 17.99 cm,为了减小误差,测量结果应取( )A. 8.03 cm B. 18.00 cm C. 18.01 cm D. 18.013 cm解析:该同学三次的测量结果不同,这是误差造成的。为减小误差,应采用求三次测量的平均值的方法, 且最后测量结果的有效数字的位数要与每次测量结果保持一致,这样才能体现出所用的刻度尺的最小 分度值。在求平均值的计算过程中,可计算到 第五位有效数字,然后四舍五入,保留四位有效数 字。答案:C例2、下列有关误差的说法中.正确的是( )A.多次测量取平均值可以减小误差B.误差就是测量中产生的错误C.只要认真测量,就可以避免误差D.选用精密的测量仪器可以消除误差解析:A.多次测量取平均值就是为了减小误差,符合题意B.误差和错误产生的原因不同,不符合题意C.误差是不可以避免的,不符合题意D.误差是不可以避免的,不符合题意跟踪练习:1、下列说法中错误的是( )A.测量需要达到的准确度,跟测量的要求有关,跟测量的人和工具无关B.在记录测量结果时,只写数字不写单位是毫无意义的C.在记录测量结果时,小数点后面数字的位数越多,说明测量结果越准确D.在记录测量结果时,数值的大小与所用的单位有关系解析:A.测量需要达到的准确度,跟测量的要求有关,跟测量的人和工具无关.故A正确.
B.在记录测量结果时,应该记录数据和单位,只写数字毫无意义.故B正确.
C.在记录测量结果时,小数点后面数字的位数应根据所用刻度尺的精确程度来确定,不是位数越 多越准确.位数越多是精确度高,但测量结果不一定准确.故C错误.
D.在记录测量结果时,数值的大小与所用的单位有关系,单位越小,数值越大.故D正确.
答案:C2、 下列说法中正确 的是( ) A. 测量物体的长度时,测量 工具越精密,测量结果越准确 B. 用分度值不同的两把刻度尺测量同一个物体的长度时,测量的结果是相同的 C. 测量长度的准确值只与刻度尺的分度值有关,与刻度尺的长短无关 D. 测量长度要估读数字,估计的数字越多越准确答案:1、C 2、C
课后练习:1、填出下列数据的单位:①一个学生的身高是170 cm;②一张报纸的厚度约8×10-4 ;③dm一枚壹圆硬币的厚度约2×103 μm;④圆珠笔的长度是0.135 ;mm2、单位换算:
①一根头发丝的直径约8.2微米,合 8.2×10-6米;②万里长城约6700千米,合 6.7×108厘米;
③一张纸的厚度为71微米,合 0.071毫米. ④1小时等于 秒
3、如图,甲、乙、丙三个图中,木块的长度分别为:甲 1.2cm;乙 1.40cm;丙 1.70cm.
4、在国际单位制中,长度的主单位是 ,常用的测量工具是 ;时间的主单位是 ,在现 代生活中,我们通常用 和 来测量时间;在运动场和实验室里,经常用 来测量时 间;更精密的测时仪器还有 。5、“纳米”是一种长度单位,1 nm=10-9m,纳米技术是以0.l~100nm这样的长度为研究对象的前沿科学. 目前我国在对纳米技术的研究方面已跻身世界前列,1.76×109nm可能是( )A.一个人的身高 B.物理课本的长度C.一座山的高度 D.一个篮球场的长度6、下列数据中最接近初中物理课本长度的是( )A.20nm B.10dm C.1m D.26cm 7、下列各项记录是一名同学对一些物体长度的估测,你认为其中错误的是( ) A. 教室门高约2 m B. 课桌高约7.5dm C.一枚一元硬币的厚度为1.9 cm D. 一支新铅笔的长度为175mm 8、在投掷铅球的比赛中,测量距离时应选用( ) A .三角板 B. 300cm长的钢卷尺C. 米尺 D. 15m长的皮尺 9、现在通用的鞋的号码数是指人的脚跟到趾尖的距离的cm数,一位同学想请人在外地给他买一双合适的 球鞋,他利用手头仅有的一把受潮膨胀的木尺测出自己的脚长是24 cm,则他应该买下面列出的那个 号的鞋最合适( ) A.23号的 B.24号的 C.24号半的 D.23号半的10、关于误差和错误的说法正确的是( ) A.读数时多估计几位数字,可以减小误差 B.错误是完全可以避免的,误差跟错误一样可以避免 C.只要测量时态度认真仔细,工具精密,就不会有误差 D.测量时误差不可避免11、 用一把尺子测量某物体的长度,一般要测量三次,目的是:( ) A.减小由于观察时候视线倾斜而产生的误差 B.减小由于刻度尺不精密而产生的误差 C.减小由于估测而产生的误差 D.避免测量中可能出现的错误12、用刻度尺测物体的长度时,下列要求错误的是( )A、测量时,刻度尺不要放歪斜 B、测量时,必须从刻度尺的零刻度线量起C、读数时,视线要与刻度尺尺面垂直 D、记录测量结果时,必须在数字后面写上单位。13、某学生为测量语文书的纸张厚度,采取如下步骤: A. 量出一叠纸的厚度h B. 选用学生用三角尺,检查零刻度线是否磨损 C. 计算每张纸的厚度 d=D. 取语文书内100页叠齐,压紧上述步骤的正确排列顺序为_____________(填字母 ) 课后练习答案: 1、①1.7m=170cm;故答案为:cm;②80μm=8×10-4 dm;故答案为:dm;③2mm=2×103μm;故答案为: μm;④13.5cm=0.135m;故答案为:m.2、①8.2微米=8.2×10-6米;②6700千米=6700×105厘米=6.7×108 厘米;③71微米=71×10-3毫米=0.71毫米; ④1小时等于3600秒 3、甲1.2cm 乙1.40cm 丙4、 m 刻度尺 s 钟 表 停表 铯原子钟 5、1.76×109nm=1.76m,故选A. 6、D 7、C 8、D 9、C 10、D 11、C 12、B 13、BDAC
相关学案
这是一份人教版八年级上册第一章 机械运动第1节 长度和时间的测量优秀第2课时学案及答案,文件包含11长度和时间的测量导学案2教师版人教版八年级上册docx、11长度和时间的测量导学案2学生版人教版八年级上册docx等2份学案配套教学资源,其中学案共17页, 欢迎下载使用。
这是一份人教版八年级上册第1节 长度和时间的测量精品导学案,共4页。学案主要包含了长度的单位,长度的测量,时间的测量,误差等内容,欢迎下载使用。
这是一份人教版八年级上册第1节 长度和时间的测量导学案,共4页。学案主要包含了学习目标,课上学习任务,课后作业,课后作业参考答案等内容,欢迎下载使用。

