


初中物理沪科版八年级全册第三节 光的折射一课一练
展开这是一份初中物理沪科版八年级全册第三节 光的折射一课一练,共9页。试卷主要包含了实验题等内容,欢迎下载使用。
一、实验题
1.某同学在做探究光的折射特点实验,如图是光从空气射入水中时的光路。实验中发现,入射光线、折射光线和法线在同一平面内,折射光线和入射光线分别位于法线的两侧,通过实验还得到如下数据:
(1)分析表中数据,可得出结论:光从空气斜射到水面时,将同时发生反射和折射现象;光从空气斜射到水面时,折射角随入射角的增大而_______,且折射角______(选填“大于”“等于”或“小于”)入射角;当光从空气垂直射到水面时,折射角等于_______度;
(2)请你指出上述探究实验过程存在的不足:_____________。
2.小宇利用图所示装置将一细光束从水中斜射到空气中,用于探究“光的折射规律”
(1)为了更清晰地观察水中的光路可以采用的办法是_____。实验中_____(填“能”或“不能”)看见反射光线.
(2)实验的折射光路如图所示,可以判定折射角_____(填“大于”、“小于”或“等于”)入射角增大入射角观察到折射角在_____(填”增大“或减小”)若不断增大光在水中的入射角,会观察到的现象是入射角到一定值时,_____(填“观察不到”、“观察到”)折射光线。
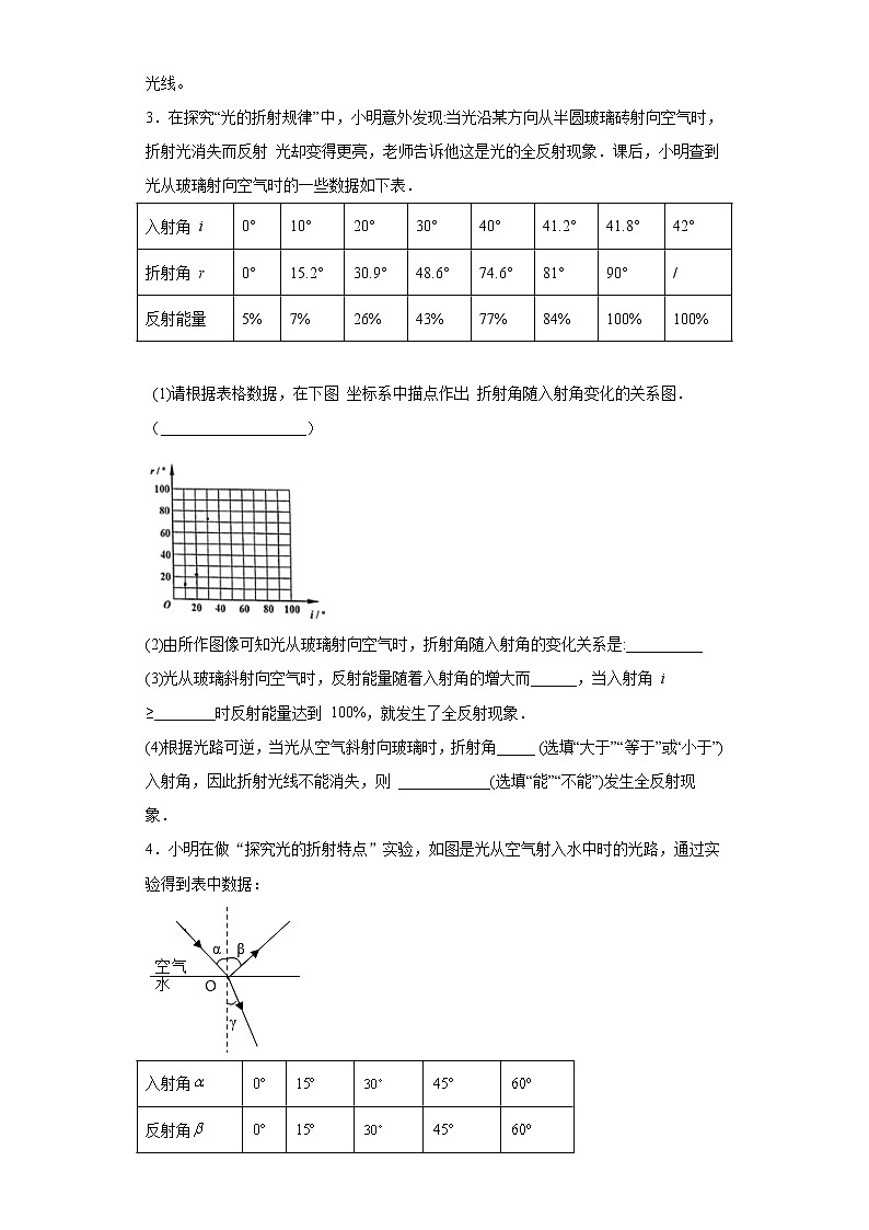
3.在探究“光的折射规律”中,小明意外发现:当光沿某方向从半圆玻璃砖射向空气时,折射光消失而反射 光却变得更亮,老师告诉他这是光的全反射现象.课后,小明查到光从玻璃射向空气时的一些数据如下表.
(1)请根据表格数据,在下图 坐标系中描点作出 折射角随入射角变化的关系图.
(___________________)
(2)由所作图像可知光从玻璃射向空气时,折射角随入射角的变化关系是:__________
(3)光从玻璃斜射向空气时,反射能量随着入射角的增大而______,当入射角 i ≥________时反射能量达到 100%,就发生了全反射现象.
(4)根据光路可逆,当光从空气斜射向玻璃时,折射角_____ (选填“大于”“等于”或“小于”)入射角,因此折射光线不能消失,则 ____________(选填“能”“不能”)发生全反射现象.
4.小明在做“探究光的折射特点”实验,如图是光从空气射入水中时的光路,通过实验得到表中数据:
利用表中数据及所学知识完成以下填空:
(1)光从空气斜射到水中时,将同时发生光的反射和______现象;
(2)光从空气斜射到水中时,折射角随入射角的增大而______(选填“增大”、“减小”或“不变”),且折射角______(选填“大于”、“等于”或“小于”)入射角。当光从空气垂直射到水中时,传播速度将______,传播方向将______(选填“改变”或“不变”)。
5.小明利用如图装置“探究光的反规律”实验。
(1)实验时,要让激光平行紧贴着纸板入射,这是为了______
(2)小明根据上面的数据便得出:“反射角等于入射角”的结论。请你对此进行评价____。
(3)若要探究并得出“在反射现象中,反射光线、入射光线和法线在同一平面内”的结论,小明接下的操作应当是_______
(4)如果光线逆着FO入射,会发现光线沿OE射出,这说明_________。
6.小明在探究光的折射规律时,意外发现:当光沿某方向从半圆玻璃砖射向空气时,折射光消失而反射光却变得更亮,如图,老师告诉他这是光的全反射现象。课后,小明查到光从玻璃射向空气时的一些数据如下表。
(1)光从玻璃斜射向空气时,反射能量随着入射角的增大而______,当入射角 i ≥______时,反射能量达到100%,就发生了全反射现象。
(2)由表格数据可知:图中图象______(选填“a”或“b”)反映了上述实验中的两角关系。
(3)根据光路可逆,当光从空气斜射向玻璃时,______(选填“可能”或“不能”)发生全反射现象。
7.小杰同学探究光从空气射入不同介质发生折射时的一些规律,他将一束光从空气射入水中发生折射的实验数据记录于下表:
(1)分析实验序号1(或2或3或4或5)中折射角与入射角的大小关系,得出初步结论是:_____________;
(2)分析实验序号1与2与3与4与5中折射角与入射角的变化关系,得出初步结论是:____________;
(3)该同学在得出以上结论后想要继续研究光在其他透明介质的分界面折射时有什么规律.表中是光在几种不同介质中的传播速度,如图是光在这几种介质中发生折射的光路:
①综合分析表中的数据和图中的光路图可以得出的结论是:当光从传播速度大的介质斜射入传播速度小的介质中时,折射角______入射角.(选填“大于”或“小于”或“等于”)
②如图所示,根据上述结论,光从玻璃斜射向酒精后经过了点A,那么激光光源的入射点应在_____________.(选填“O点左侧”或“O点处”或“O点右侧”)
8.小杰同学探究光从空气斜射入不同介质发生折射时的一些规律,他将一束光从空气斜射入水中发生折射的实验数据记录于下表:
(1)分析实验序号1(或2或3或4或5)中折射角与入射角的大小关系,得出初步结论是:光从空气斜射入水中,折射角______入射角;
(2)分析实验序号1、2、3、4与5中折射角与入射角的变化关系,得出初步结论是:折射角随入射角的增大而______;
(3)该同学在得出以上结论后想要继续研究光在其他透明介质的分界面折射时有什么规律。表中是光在几种不同介质中的传播速度,如图甲是光在这几种介质的分界面发生折射的光路:
①综合分析表中的数据和图甲中的光路图可以得出的结论是:当光从传播速度大的介质斜射入传播速度小的介质中时,折射角______(选填“大于”“小于”或“等于”)入射角。
②如图乙所示,根据上述结论,光从玻璃斜射人酒精后经过了点A,那么激光光源的入射点应在______(选填“O点左侧”“O点处”或“O点右侧”)。
9.光斜射入玻璃中会发生偏折,由此小明提出:玻璃对不同色光的偏折程度是否相同? 思考后,小明提出如下实验方案:先让一束黄光从空气直接斜射入透明的玻璃砖中,记录下光斑位置(如下图甲中 A 所示);接着换用蓝光进行实验,记录对应的光斑位置,再通过分析就可得到实验结论.经讨论,同学们认为这一方案是可行的,于是进行了探究实验.
(1)要实现探究目标,他们应选择图甲中的 A 图和_____(选填字母序号)图进行实验.
(2)实验时,同学们在玻璃砖底部贴上一把自制纸质刻度尺,其目的是为了_____.
(3)某小组同学正确实验后,所记录的两次光斑的相对位置如图乙所示,经分析可知: 玻璃对_____(填“黄”或“蓝”)光的偏折程度较大.
10.小胖喝水时,偶然发现透过水面看不到玻璃杯外侧的手指,他很惊奇:玻璃和水都是透明物质,为什么光却不能透过呢?小胖决定找出原因,下面是他的探究过程:
(1)小胖根据光经过的路径,首先想到了这种现象与光的折射有关,为此他做了如图所示实验,在水中滴了几滴牛奶,作用是______。
(2)第一次实验时,如图所示,小胖将激光笔放在A处,发现折射后的光在光屏上的B点形成光斑。第二次实验时,小胖将激光笔放在B处,发现折射后的光在______(选填“A点左侧”、“A点右侧”或“A点”)处形成光斑。由此,小胖得出结论______。
(3)如图所示,光从水中射向空气时,折射角______入射角(选填“大于”、“等于”或“小于”),当入射角逐渐增大时,折射角逐渐______(选填“增大”、“减小”或“不变”)。那么,当入射角增大到某一值时,折射角可能会变为____________(选填“0°”或“90°”)。小胖推测此时的折射光线在水平面______(选填“上侧”、“下侧”或“同一直线上”),所以看不见。
(4)小胖为了验证自己的推测,进行了如图所示的实验,实验过程中逐渐增大激光笔射向水面的入射角的角度,当增大到某一角度时,小胖观察到______,证实了自己的推测。
(5)当光从空气射向水中时,______(选填“会”或“不会”)出现“看不到折射光线”的现象。
11.某同学在做探究光的折射特点实验,如图是光从空气射入水中时的光路。实验中发现,入射光线、折射光线和法线在同一平面内,折射光线和入射光线分别位于法线的两侧。通过实验还得到如表数据:
(1)在探究中,该同学在清水中滴入几滴牛奶并搅匀,在水面上方的空气中熏了点烟雾,这一做法是为了_____.
(2)分析表中数据,可得出结论:
①光从空气斜射到水面时,将同时发生_____和_____现象;
②光从空气斜射到水面时,折射角随入射角的变化关系是:_____,且折射角_____(选填“大于”、“小于”或“等于”)入射角。当光从空气垂直射到水面时,折射角等于_____度。
③光在空气和水之间折射时,_____(选填“空气”或者“水”)中的角总是更大。
12.如图所示的实验装置,可以用来研究光从水中斜射到与空气的分界面时所发生的光现象。
(1)使入射角在一定范围内由小变大,会发现折射角___________ (填变化规律),当入射角增大时, ___________ (选填“折射角”或“入射角” )先到达;若继续增大入射角,将会发现不再有 ___________ 光线。
(2)在入射光线角度不变的情况下,若将水换成高度相同折射能力更强的玻璃砖,会发现折射角的大小关系是___________。
入射角α
0°
15°
30°
45°
60°
反射角β
0°
15°
30°
45°
60°
折射角γ
0°
11°
22.1°
35.4°
40.9°
入射角 i
0°
10°
20°
30°
40°
41.2°
41.8°
42°
折射角 r
0°
15.2°
30.9°
48.6°
74.6°
81°
90°
/
反射能量
5%
7%
26%
43%
77%
84%
100%
100%
入射角
反射角
折射角
入射角i
0°
10°
20°
30°
40°
41.2°
41.8°
42°
折射角r
0°
15.2°
30.9°
48.6°
74.6°
81°
90°
/
反射能量
5%
7%
26%
43%
77%
84%
100%
100%
实验序号
1
2
3
4
5
入射角i
10°
20°
30°
40°
50°
折射角r
7.9°
15.4°
21.5°
26.3°
33.5°
介质
水
玻璃
冰
空气
酒精
光速(m/s)
2.25×108
2.0×108
2.30×108
3.0×108
2.2×108
实验序号
1
2
3
4
5
入射角
10°
20°
30°
40°
50°
折射角
7.9°
15.4°
21.5°
26.3°
33.5°
介质
水
玻璃
冰
空气
酒精
光速/()
人射角a
0°
15°
30°
45°
60°
反射角β
0°
15°
30°
45°
60°
折射角γ
0°
11°
22.1°
35.4°
40.9°
参考答案
1.增大; 小于; 零; 未换用其它透明介质进行实验。
2.在水中加人少许牛奶 能 大于 增大 观察不到
3. 折射角随入射角的增大而增大 增大 41.8 小于 不能
4.折射 增大 小于 减小 不变
5.显示光路 只有一组数据,结论具有偶然性 将硬纸板 F沿ON向后或向前折 在反射现象中,光路是可逆的
6.增大 41.8 a 不能
7.光从空气射入水中发生折射时,折射角小于入射角 当发生折射时,折射角随着入射角的增大而增大 小于 O点左侧
8.小于 增大 小于 O点左侧
9.D 便于测量光斑的位置
10.便于观察光的路径 A点 光折射时光路是可逆的 大于 增大 90° 同一直线上 折射光线消失 不会
11.更好的显示光路 反射 折射 折射角随入射角的增大而增大 小于 零 空气
12.由小变大 折射角 折射
相关试卷
这是一份初中物理沪科版八年级全册第三节 光的折射复习练习题,共9页。试卷主要包含了实验题等内容,欢迎下载使用。
这是一份初中物理沪科版八年级全册第三节 光的折射巩固练习,共9页。试卷主要包含了实验题等内容,欢迎下载使用。
这是一份初中物理沪科版八年级全册第三节 光的折射练习题,共11页。试卷主要包含了实验题等内容,欢迎下载使用。