


高中化学苏教版 (2019)选择性必修1第三单元 金属的腐蚀与防护课时练习
展开高二上学期化学新教材苏教版(2019)选择性必修1课时练习:专题一第三单元金属的腐蚀与防护
一、单选题
1.生活和生产中人们采用多种方法防止金属腐蚀,其中保护轮船外壳的常用方法是( )
A.涂保护层 B.改变金属结构
C.牺牲阳极的阴极保护法 D.外加电流的阴极保护法
2.化学与生产、生活密切相关。下列叙述错误的是
A.工业生产玻璃、水泥和陶瓷,均需用石灰石作原料
B.海水淡化的方法有蒸馏法、离子交换法和电渗析法等
C.电热水器用镁棒防止内胆腐蚀,原理是牺牲阳极的阴极保护法
D.聚合硫酸铁是新型絮凝剂,可用来处理水中的悬浮物
3.下列关于金属的腐蚀及防腐说法错误的是( )
A.马口铁(镀锡铁)镀层破损铁的腐蚀速率加快
B.为了防止钢铁设备腐蚀,利用外加电流的阴极保护法,应另附加一惰性电极,惰性电极作阴极
C.可以采用改变金属组成或结构的方法防止金属腐蚀
D.为保护海轮的船壳,利用牺牲阳极的阴极保护法,常在船壳上镶入锌块
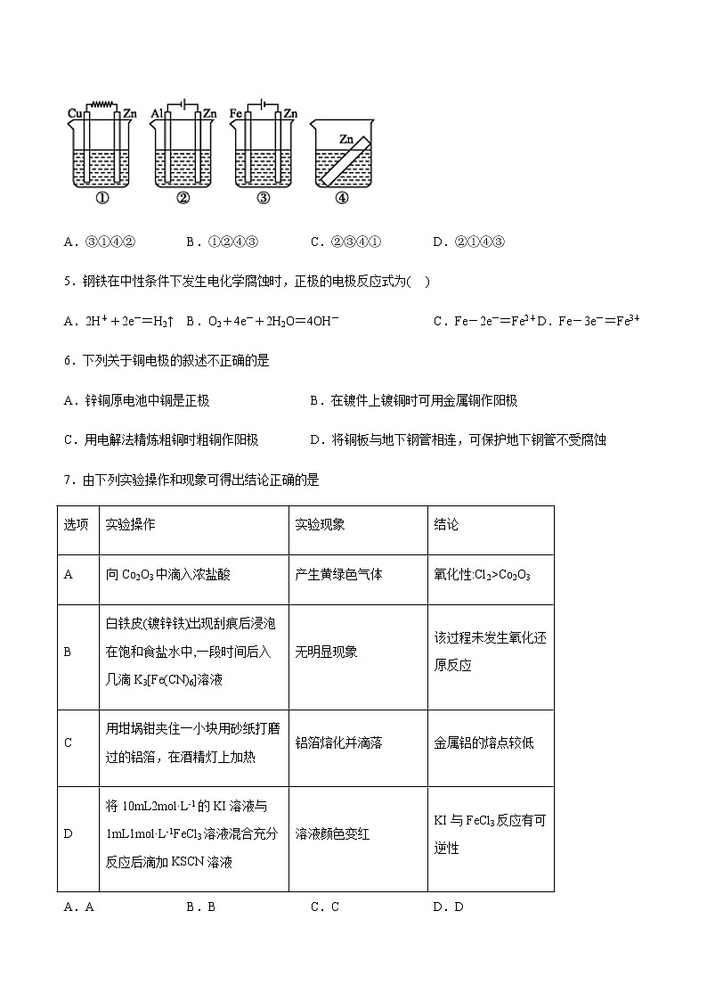
4.如图所示装置中都盛有0.1mol·L-1的NaCl溶液,放置一定时间后,装置中的四块相同锌片,腐蚀速率由快到慢的正确顺序是( )
A.③①④② B.①②④③ C.②③④① D.②①④③
5.钢铁在中性条件下发生电化学腐蚀时,正极的电极反应式为( )
A.2H++2e-=H2↑ B.O2+4e-+2H2O=4OH- C.Fe-2e-=Fe2+ D.Fe-3e-=Fe3+
6.下列关于铜电极的叙述不正确的是
A.锌铜原电池中铜是正极 B.在镀件上镀铜时可用金属铜作阳极
C.用电解法精炼粗铜时粗铜作阳极 D.将铜板与地下钢管相连,可保护地下钢管不受腐蚀
7.由下列实验操作和现象可得出结论正确的是
选项 | 实验操作 | 实验现象 | 结论 |
A | 向Co2O3中滴入浓盐酸 | 产生黄绿色气体 | 氧化性:Cl2>Co2O3 |
B | 白铁皮(镀锌铁)出现刮痕后浸泡在饱和食盐水中,一段时间后入几滴K3[Fe(CN)6]溶液 | 无明显现象 | 该过程未发生氧化还原反应 |
C | 用坩埚钳夹住一小块用砂纸打磨过的铝箔,在酒精灯上加热 | 铝箔熔化并滴落 | 金属铝的熔点较低 |
D | 将10mL2mol·L-1的KI溶液与1mL1mol·L-1FeCl3溶液混合充分反应后滴加KSCN溶液 | 溶液颜色变红 | KI与FeCl3反应有可逆性 |
A.A B.B C.C D.D
8.海水和空气会对船体造成腐蚀,因此船体的防腐处理非常重要。下列说法错误的是( )
A.海上舰艇的腐蚀主要为金属的化学腐蚀
B.可以在船舶外壳装上锌块,用牺牲阳极法防止金属被腐蚀
C.刷防锈漆,使金属与空气、水等物质隔离,可防止金属被腐蚀
D.外加电流,使需要保护的金属作阴极,可以起到保护金属的作用
9.下列有关镀锌钢管(锌盐溶液作电解质溶液)的说法正确的是( )
A.电镀时,钢管作阳极,锌棒作阴极
B.钢管镀锌过程中,阴阳两极的质量变化一定不相等
C.镀锌的目的是在钢管表面形成Fe—Zn合金,增强钢管的耐腐蚀能力
D.钢管镀锌过程中,阴极的电极反应式为Zn2++2e-=Zn
10.一定条件下,碳钢腐蚀与溶液pH的关系如表所示,下列说法错误的是( )
pH | 2 | 4 | 6 | 8 | 14 | ||
腐蚀快慢 | 较快 | 慢 | 较快 | ||||
主要产物 | Fe2+ | Fe3O4 | Fe2O3 | FeO |
A.在pH<4的溶液中,碳钢主要发生析氢腐蚀
B.在pH>6的溶液中,碳钢主要发生吸氧腐蚀
C.在煮沸除氧气后的碱性溶液中,碳钢腐蚀速率会减慢
D.在强碱性溶液中,碳钢腐蚀的正极电极反应式为O2+4H++4e-=2H2O
11.下列化学用语对事实的解释不正确的是( )
A.钢铁发生吸氧腐蚀,负极反应为:Fe-2e-=Fe2+
B.氢氧化铁胶体的制备原理:Fe3++3H2OFe(OH)3(胶体)+3H+
C.工业上漂白粉的制备原理:2OH-+Cl2=Cl-+ClO-+H2O
D.盛装强碱溶液的试剂瓶不能用玻璃塞:SiO2+2OH-=SiO+H2O
12.化学与生活、生产密切相关,下列有关叙述不正确的是( )
A.氢氧化铝、小苏打均可用作胃酸中和剂 B.过氧化钠可在呼吸面具或潜水艇中作为氧气的来源
C.在海轮外壳上镶入锌块,可减缓船体的腐蚀速率 D.ClO2具有强氧化性,可用作自来水的净水剂
13.食品包装中常见的脱氧剂组成为还原性铁粉、氯化钠、炭粉等,其脱氧过程与电化学知识相关。下列分析正确的是
A.脱氧过程是吸热反应,可降低温度,延长食品保质期
B.脱氧过程中炭作原电池正极,电极反应为:4H++O2+4e-=2H2O
C.含有0.56 g铁粉的脱氧剂,理论上最多能吸收氧气168 mL(标准状况)
D.该过程实现了电能到化学能的转化
14.青铜器在潮湿环境中发生电化学腐蚀原理如图所示:多孔催化层中的Cl-扩散到孔口,与电极产物作用生成多孔粉状锈Cu2(OH)3Cl,下列说法正确的是( )
A.此过程为电化学腐蚀中的析氢腐蚀
B.电极b发生的反应:O2+4e-+2H2O=4OH-
C.生成Cu2(OH)3Cl的反应:2Cu2++3H2O+Cl-=Cu2(OH)3Cl↓+3H+
D.若采用牺牲阳极的阴极保护法保护青铜器是利用了电解的原理
15.下列有关金属的说法中正确的是
A.铝在空气中能生成一层致密的氧化物保护膜 B.铜的化学性质不活泼,在潮湿的空气中也不生锈
C.钛具有耐腐蚀性,可用来制造海轮的外壳 D.镀锌的“白铁皮”不易生锈,说明锌没有铁活泼
二、解答答题
16.从“铁器时代”开始,铁单质及其化合物一直备受青睐。
Ⅰ.古代铁质文物的腐蚀研究
(1)古代兵器中铜质部件修饰铁质兵刃反倒使兵刃更易生锈,其主要原因为_________。
(2)已知:i.铁质文物在潮湿的土壤中主要发生吸氧腐蚀,表面生成疏松的FeOOH;
ii.铁质文物在干燥的土壤中表面会生成致密的,过程如下:
①写出i中参与的电极反应式为___________________。
②若ii中每一步反应转化的铁元素质量相等,则三步反应中电子转移数之比为___________。
Ⅱ.铁的冶炼
(3)工业上采用高炉炼铁法冶炼铁单质,其反应的热化学方程式为:
已知:
①;
②。
则___________。
Ⅲ.现代对含铁化合物的应用
(4)电子工业中常常用溶液为“腐蚀液”与覆铜板反应用于制备印刷电路板,其反应的离子方程式为____________。
(5)高铁酸钾()是一种强氧化剂,可用作水处理剂和高容量电池材料。
①将加入KClO与KOH的混合液中可以制得溶液,其反应的离子方程式为___________________。
②已知碱性锌电池的电池反应为:。写出其正极反应式______。
17.(1)在一个小烧杯中加入20g Ba(OH)2·8H2O晶体和10gNH4Cl晶体,然后将小烧杯放在事先滴有3滴~4滴水的玻璃片上,立即用玻璃棒搅拌。实验过程的示意图如下:
①实验中玻璃棒的作用是:_________。
②浸有稀硫酸的棉花的作用是:_________。
③出现_________现象时,说明该反应为吸热反应。
(2)沼气是一种廉价能源,农村存在大量的秸秆、杂草等废弃物,它们经微生物发酵之后,便可产生沼气,其主要成分是甲烷,可用来点火做饭。在农村推广建造沼气池,不仅能有效地利用_______能,还能为农业生产提供优良的肥料。已知:标准状况下112.0L CH4气体完全燃烧生成CO2和液态水时,放出4448kJ的热量。
①写出CH4完全燃烧的热化学方程式为:_________。
②如果上述反应生成的是水蒸气,则反应放出的热量:______4448kJ。(填“>”或“<”或“=”)
(3)钢铁在发生电化学腐蚀时钢铁中少量的碳作为原电池的______极,正极发生的电极反应式为:__________。
18.按要求完成下列各小题。
(1)等浓度的三种溶液①NH4HCO3、② NH4Cl、③NH4HSO4,则c(NH4+)由大到小排列的顺序为____(填序号)。
(2)常温下,将0.1 mol·L-1的HCN溶液和0.1 mol·L-1的NaCN溶液等体积混合,测得混合液中c(HCN)>c(CN-),(假设混合过程中溶液体积的改变忽略不计)。则该混合液pH____7,c(HCN)+c(CN-)_____0.1 mol·L-1,c(HCN)-c(CN-)_____2c(OH-)(填“>”,“<”或“=”)。
(3)小苏打溶液显碱性而不是显酸性的原因:________,溶液中离子浓度大小顺序:___________。
(4)某研究性学习小组设计了如图所示装置探究钢铁的腐蚀与防护。
为防止金属Fe被腐蚀,可以采用上述________装置(填装置序号)原理进行防护;装置③中总反应的离子方程式为____________________。检验石墨电极产物气体的方法:_________________________。
参考答案
1.C2.A3.B4.D5.B6.D7.D8.A9.D10.D11.C12.D13.C14.B15.A
16.铜与铁构成原电池加快了铁的腐蚀速度 6:2:1 或
17.搅拌使混合物充分接触发生反应 吸收反应中产生的氨气,防止污染空气 结冰 生物质 CH4(g)+2O2(g)=CO2(g)+2H2O(l) △H= -889.6KJ•mol-1 < 正 O2+4e-+H2O=4OH-
18.③>②>① > = < HCO3- 的水解程度大于电离程度 c(Na+)>c(HCO3-)>c(OH-)>c(H+)>c(CO32-) ②③ 2Cl- + 2H2O 2OH- + H₂↑ + Cl₂↑ 用湿润的淀粉KI试纸靠近电极附近,若试纸变蓝,则说明有Cl2
高中专题1 化学反应与能量第三单元 金属的腐蚀与防护课后作业题: 这是一份高中专题1 化学反应与能量第三单元 金属的腐蚀与防护课后作业题,共8页。试卷主要包含了答案等内容,欢迎下载使用。
高中化学第三单元 金属的腐蚀与防护精品随堂练习题: 这是一份高中化学第三单元 金属的腐蚀与防护精品随堂练习题,共4页。试卷主要包含了为了保护舰艇,下列说法不正确的是,下列说法正确的是等内容,欢迎下载使用。
苏教版 (2019)选择性必修1第三单元 金属的腐蚀与防护课后复习题: 这是一份苏教版 (2019)选择性必修1第三单元 金属的腐蚀与防护课后复习题,共21页。