 
 
 
2021学年第二单元 化学能与电能的转化课后练习题
展开1.关于滴定实验的下列说法正确的是( )
A.在酸碱中和滴定过程中,滴定管尖嘴部分滴定前有气泡,滴定后无气泡,会使测定结果偏大。
B.用NaOH标准溶液滴定未知浓度的盐酸,到达终点时发现滴定管尖嘴部分有悬滴,会使测定结果偏小
C.用KMnO4标准溶液滴定草酸时,KMnO4标准溶液盛装在碱式滴定管中
D.所有的滴定实验都需加入指示剂
2.25℃,以0.10 ml∙L−1NaOH溶液滴定20.00 mL醋酸溶液和20.00 mL盐酸,滴定曲线如图所示,下列说法不正确的是( )
A.曲线Ⅰ表示醋酸的滴定曲线,且Ka≈10-6 B.达到滴定终点时,曲线Ⅱ溶液pH等于7
C.初始时盐酸的浓度为0.10 ml∙L−1 D.滴定醋酸溶液、盐酸时,均可选择酚酞溶液做指示剂
3.准确移取20.00mL某待测NaOH溶液于锥形瓶中,用0.1000ml·L-1HCl溶液滴定。下述操作可导致被测定NaOH溶液浓度偏低的是( )
A.未用标准液润洗滴定管 B.达到滴定终点,读数时俯视液面
C.盛装待测液的锥形瓶用蒸馏水洗过,未润洗 D.滴定前滴定管下端尖嘴中有气泡,滴定后气泡消失
4.室温下,下列各组离子在指定溶液中一定能大量共存的是( )
A.能与金属铝作用产生H2的溶液:K+、Ca2+、Br-、
B.=1×10−12的溶液:K+、Na+、、
C.0.1 ml∙L−1 KFe(SO4)2溶液:Mg2+、Al3+、SCN-、
D.通入大量SO2气体的溶液中:Na+、、NH、
5.下面是一段关于酸碱中和实验操作的叙述:
①取一锥形瓶,用蒸馏水洗涤后未干燥;
②用量筒量取25mL待测NaOH溶液加入锥形瓶中;
③加入几滴石蕊试液作指示剂;
④取一支酸式滴定管,洗涤干净;
⑤直接往酸式滴定管中注入标准酸溶液,进行滴定;
⑥左手旋转滴定管的玻璃活塞,右手不停摇动锥形瓶;
⑦两眼注视着滴定管内盐酸溶液液面下降,直至滴定终点。
文中所述操作有错误的序号为( )
A.④⑥⑦B.①⑤⑥⑦C.②③⑤⑦D.③⑤⑦
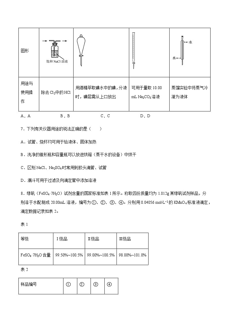
6.下列有关仪器的名称、图形、用途与使用操作的叙述均正确的是( )
A.AB.BC.CD.D
7.下列有关仪器用途的说法正确的是( )
A.试管、烧杯均可用于给液体、固体加热
B.洗净的锥形瓶和容量瓶可以放进烘箱(蒸干水的设备)中烘干
C.区别NaCl、Na2SO4时常用到胶头滴管、试管
D.漏斗可用于过滤及向滴定管中添加溶液
8.绿矾(FeSO4·7H2O)试剂含量的国家标准如表1所示。称取四份质量均为1.012g某绿矾试剂样品,分别溶于水配制成20.00mL溶液,编号为①、②、③、④。分别用0.04056 ml∙L−1的KMnO4标准液滴定,滴定数据记录如表2。
表1
表2
下列说法错误的是
A.盛装KMnO4标准液的酸式滴定管使用前需先检查滴定管是否漏水
B.滴入最后一滴标准液时,锥形瓶中液体变浅红色且半分钟不褪色,则达到滴定终点
C.根据滴定数据分析,该样品属于国家标准的Ⅱ级品
D.若绿矾样品已失部分结晶水,可能会导致测定结果偏高
9.实验室中下列做法正确的是( )
A.用煤油保存金属锂 B.用水保存白磷
C.用带有橡胶塞的棕色玻璃瓶保存浓硝酸 D.用pH试纸测NaClO溶液的pH值
10.下列有关滴定实验的说法中正确的是( )
A.用碱式滴定管量取18.20 mL KMnO4溶液
B.用标准盐酸溶液滴定待测氨水溶液的浓度时,最好选用酚酞作指示剂
C.酸碱中和滴定的滴定终点一定是反应液的中性点
D.中和滴定时,盛装待测液的锥形瓶如果用待测液润洗,会使测量结果偏高
11.四种短周期主族元素X、Y、Z、W的原子序数依次增大。化合物甲由X、Y、Z三种元素组成。25℃时,0.01ml·L-1的甲溶液中=1010;Z与W同周期,且W的最高化合价与最低化合价的代数和为4。下列说法不正确的是
A.114号元素鈇(Fl)与Y在同一主族 B.等物质的量的化合物Z2Y2与Z2W的阴离子个数相同
C.Y与X、Z均可形成具有漂白性的化合物 D.最简单氢化物的稳定性:Y>W
12.室温下,pH值为4的FeCl3溶液、pH值为10的K2CO3溶液、pH值为4盐酸中,水的电离度分别为α1、α2和α3,则它们的大小关系是( )
A.α3>α1>α2B.α3<α1<α2C.α1=α2>α3D.无法判断
13.浓度均为0.1ml·L-1体积均为V0的MOH和ROH,分别加水至V,PH变化图像如图所示,下列叙述错误的是()
A.当横坐标值为2时,两溶液同时升温,c(M+)\c(R+)增大 B.MOH碱性强于ROH
C.ROH电离度:b点大于a点 D.若两溶液无限稀释,它们氢氧根浓度相等。
14.下列有关实验操作或叙述错误的是( )
A.配制5%氯化钠溶液时,将称量的氯化钠放入烧杯中,然后加计量的水搅拌溶解
B.测定硫酸铜晶体的结晶水含量时,需用小火缓慢加热,防止晶体飞溅
C.用硝酸银溶液滴定氯离子时,可用溴离子作指示剂
D.滴定接近终点时,滴定管的尖嘴可以接触锥形瓶内壁
15.下列有关数据的实验可以成功的是( )
A.用精密试纸可以测出某溶液的为9.6 B.用托盘天平称量氯化钠
C.用规格为的量筒量取的硫酸 D.用酸式滴定管量取的溶液二、解答题
16.二氧化氯(ClO2,黄绿色易溶于水的气体)是高效、低毒的消毒剂。回答下列问题:
(1)实验室用NH4Cl、盐酸、NaClO2(亚氯酸钠)为原料,通过以下过程制备ClO2:
①电解时发生反应的化学方程式为____。
②溶液X中大量存在的阴离子有____。
(2)用ClO2处理过的饮用水会含有一定量的亚氯酸盐。若要除去超标的亚氯酸盐,下列物质最适宜的是____(填标号)。
a 明矾 b 碘化钾 c 盐酸 d 硫酸亚铁
(3)用如图装置可以测定混合气中 ClO2的含量:
Ⅰ.在锥形瓶中加入足量的碘化钾,用50mL水溶解后,再加入3 mL稀硫酸;
Ⅱ.在玻璃液封装置中加入水,使液面没过玻璃液封管的管口;
Ⅲ.将一定量的混合气体通入锥形瓶中吸收;(ClO2+I-+H+ → I2+H2O+Cl-)
Ⅳ.将玻璃液封装置中的水倒入锥形瓶中;
Ⅴ.用 0.1000 ml·L—1硫代硫酸钠标准溶液滴定锥形瓶中的溶液(I2+2S2O=2I-+S4O)指示剂显示终点时共用去20.00mL硫代硫酸钠溶液。在此过程中:
①玻璃液封装置的作用是____。
②测得混合气中ClO2的质量为____g(写出计算过程)。
17.三氯化铬是化学合成中的常见物质,三氯化铬易升华,在高温下能被氧气氧化。制备三氯化铬的流程如下图所示:
选项
A
B
C
D
名称
洗气瓶
分液漏斗
酸式滴定管
冷凝管
图形
用途与使用操作
除去Cl2中的HCl
用酒精萃取碘水中的碘,分液时,碘层需从上口放出
可用于量取10.00 mL Na2CO3溶液
蒸馏实验中将蒸气冷凝为液体
等级
Ⅰ级品
Ⅱ级品
Ⅲ级品
FeSO4·7H2O含量
99.50%~100.5%
99.00%~100.5%
98.00%~101.0%
样品编号
①
②
③
④
KMnO4标准液体积/mL
17.66
17.68
18.26
17.70
(1)重铬酸铵分解产生的三氧化二铬(Cr2O3 难溶于水)需用蒸馏水洗涤,不用化学方法如何用简单方法判断其已洗涤干净?_____。
(2)用上图装置制备 CrCl3时,反应管中发生的主要反应为:Cr2O3+3CCl4=2CrCl3+3COCl2,则向三颈烧瓶中通入 N2的作用:①_____;②鼓气使反应物进入管式炉中进行反应。
(3)样品中三氯化铬质量分数的测定:称取样品 0.3000g,加水溶解并定容于 250mL 容量瓶中。移取 25.00mL 于碘量瓶(一种带塞的锥形瓶)中,加热至沸后加入 1g Na2O2,充分加热煮沸,适当稀释,然后加入过量 2ml·L–1H2SO4至溶液呈强酸性,此时铬以存在,再加入 1.1g KI,加塞摇匀,充分反应后铬以 Cr3+存在,于暗处静置 5min 后,加入 0.5mL 指示剂,用 0.0250ml·L–1标准 Na2S2O3溶液滴定至终点,平行测定三次,平均消耗标准 Na2S2O3溶液 18.00mL。(已知:2Na2S2O3+I2 =Na2S4O6+2NaI,CrCl3相对分子质量为 158.5)
①滴定实验选用的指示剂为淀粉溶液,判定滴定终点的现象是_____。若加入 Na2O2后不加热煮沸,结果_____。 (填“偏高”“偏低”或“无影响”)
②加入 KI 时发生反应的离子方程式为_____。
③样品中无水三氯化铬的质量分数为_____。
18.孔雀石是含铜的碳酸盐矿物,主要成分为 Cu2(OH)2CO3,工业上以孔雀石(主要杂质有FeCO3、FeO、SiO2)制备胆矾的一般流程如下:
注:重结晶目的是为了除尽Fe3+
回答下列问题:
(1)写出气体A 的电子式______________。
(2)方法 1 的原理是用微酸性的高锰酸钾溶液将二价铁氧化为 Fe(OH)3,使之与 MnO2 共沉淀,易于过滤,除铁效果好,稍有过量,溶液即显微红色,便于掌握。稍过量的高锰酸钾会自动分解,产生 MnO2 和一种无毒的气体,请完善此反应的离子反应方程式:_____MnO4- +________H+ = __MnO2↓ + ____+ _____
(3)方法 1 的不足之处是在酸性条件下会发生副反应__________________ (写出离子方程式),产物Mn2+进入溶液,需要后续步骤除去,同时 Fe3+水解也不易彻底。因而实际生产中更多采用的是方法 2,用过氧化氢作为氧化剂,优点是____。氧化后调节pH 沉淀出氢氧化铁,但需注意pH 不可过高,否则造成的影响是_____。
(4)若在实验室进行步骤A 操作,需要用到的硅酸盐仪器有 _________________ 。
(5)CuSO4·5H2O 含量的测定:称取 0.5g 样品,溶于水,移入 100mL 容量瓶中,稀释至刻度,量取 25.00mL,稀释至 100mL,加入10mL 氨-氯化铵缓冲溶液(pH=10)及 0.2g 红紫酸铵混合指示剂,摇匀,用浓度为 cml·L-1 EDTA 标准溶液滴定至溶液呈紫蓝色不变,重复三次,平均消耗的标准溶液体积为VmL。 (EDTA 能与大多数金属离子形成稳定的 1:1 络合物,是络合滴定中的常用滴定试剂)
①计算CuSO4·5H2O 质量分数 ______________。
②若不进行重结晶操作,计算出的质量分数结果会__________。(填偏低、偏高或者无影响)。
参考答案
1.A2.A3.B4.B5.C6.A7.C8.C9.B10.D11.A12.C13.A14.C15.D
16.NH4Cl+2HCl3H2↑+NCl3 Cl-、OH- d 防止碘的逸出,也可吸收未反应的ClO2 0.02700g(计算过程见解析)
17.最后一次洗涤的流出液呈无色 排尽体系中的氧气防止 CrCl3被氧化 当滴入最后一滴标准液时,溶液由蓝色变成无色,且半分钟内不变色 偏高 79.25%
18. 4 4 4 3O2↑ 2H2O +5Fe2++8H+=Mn2++5Fe3++4H2O 还原产物为水,不引入其他杂质离子 Cu2+水解程度增大,产率降低 酒精灯、蒸发皿、玻璃棒 2cV×100% 偏高
高中化学苏教版 (2019)选择性必修1专题3 水溶液中的离子反应第二单元 溶液的酸碱性课后复习题: 这是一份高中化学苏教版 (2019)选择性必修1专题3 水溶液中的离子反应第二单元 溶液的酸碱性课后复习题,共10页。试卷主要包含了单选题,解答题等内容,欢迎下载使用。
化学苏教版 (2019)专题1 化学反应与能量第二单元 化学能与电能的转化课后测评: 这是一份化学苏教版 (2019)专题1 化学反应与能量第二单元 化学能与电能的转化课后测评,共10页。试卷主要包含了单选题,解答题等内容,欢迎下载使用。
高中化学苏教版 (2019)选择性必修1第二单元 溶液的酸碱性同步训练题: 这是一份高中化学苏教版 (2019)选择性必修1第二单元 溶液的酸碱性同步训练题,共9页。试卷主要包含了单选题,解答题等内容,欢迎下载使用。
 
 
 
 
 
 
 
 
 
 
 
 


