人教版 (2019)必修 第一册1 实验:探究小车速度随时间变化的规律课时练习
展开4.2实验:探究加速度与力、质量的关系
1.(2020·北京高考真题)在“探究加速度与物体受力、物体质量的关系”实验中,做如下探究:
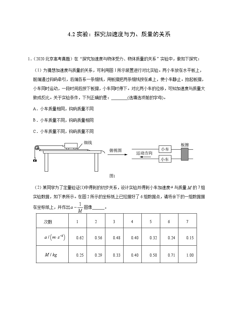
(1)为猜想加速度与质量的关系,可利用图1所示装置进行对比实验。两小车放在水平板上,前端通过钩码牵引,后端各系一条细线,用板擦把两条细线按在桌上,使小车静止。抬起板擦,小车同时运动,一段时间后按下板擦,小车同时停下。对比两小车的位移,可知加速度与质量大致成反比。关于实验条件,下列正确的是:________(选填选项前的字母)。
A.小车质量相同,钩码质量不同
B.小车质量不同,钩码质量相同
C.小车质量不同,钩码质量不同
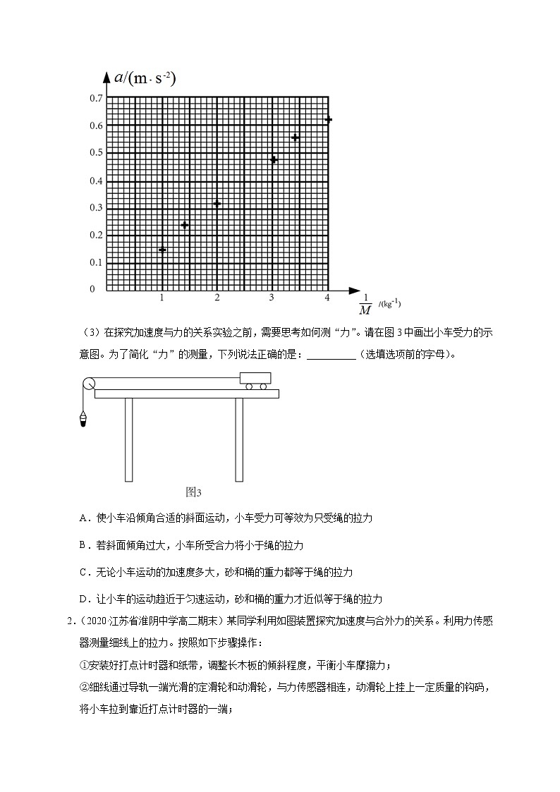
(2)某同学为了定量验证(1)中得到的初步关系,设计实验并得到小车加速度与质量的7组实验数据,如下表所示。在图2所示的坐标纸上已经描好了6组数据点,请将余下的一组数据描在坐标纸上,并作出图像______。
次数
1
2
3
4
5
6
7
0.62
0.56
0.48
0.40
0.32
0.24
0.15
0.25
0.29
0.33
0.40
0.50
0.71
1.00
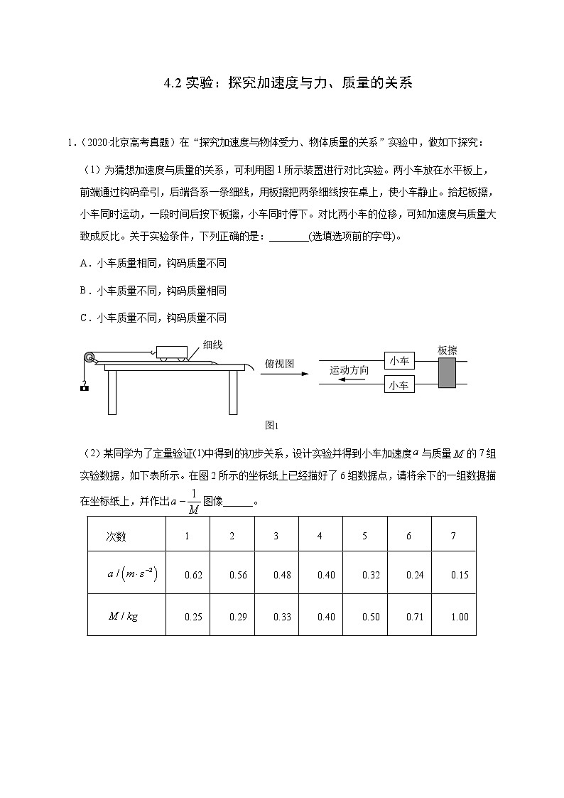
(3)在探究加速度与力的关系实验之前,需要思考如何测“力”。请在图3中画出小车受力的示意图。为了简化“力”的测量,下列说法正确的是:__________(选填选项前的字母)。
A.使小车沿倾角合适的斜面运动,小车受力可等效为只受绳的拉力
B.若斜面倾角过大,小车所受合力将小于绳的拉力
C.无论小车运动的加速度多大,砂和桶的重力都等于绳的拉力
D.让小车的运动趋近于匀速运动,砂和桶的重力才近似等于绳的拉力
【答案】B AD
【解析】
(1)[1]为了探究加速度与质量的关系,必须控制小车所受拉力相同,而让小车的质量不同,所以钩码质量相同,故B正确。
(2)[2]数据描点和图像如图所示
(3)[3]A.使小车沿倾角合适的斜面运动,小车所受重力沿斜面的分力刚好等于小车所受的摩擦力,则小车受力可等效为只受绳的拉力,故A正确;
B.若斜面倾角过大,重力沿斜面的分力大于摩擦力,小车所受合力将大于绳的拉力,不利于简化“力”的测量,故B错误;
C.由牛顿第二定律可知,无论小车运动的加速度多大,砂和桶的重力都大于绳的拉力,故C错误;
D.当小车的运动趋近于匀速运动时,砂和桶可近似看成受力平衡,则砂和桶的重力才近似等于绳的拉力,故D正确。
故选AD。
2.(2020·江苏省淮阴中学高二期末)某同学利用如图装置探究加速度与合外力的关系。利用力传感器测量细线上的拉力。按照如下步骤操作:
①安装好打点计时器和纸带,调整长木板的倾斜程度,平衡小车摩擦力;
②细线通过导轨一端光滑的定滑轮和动滑轮,与力传感器相连,动滑轮上挂上一定质量的钩码,将小车拉到靠近打点计时器的一端;
③打开力传感器并接通打点计时器的电源(频率为50Hz的交流电源);
④释放小车,使小车在轨道上做匀加速直线运动;
⑤关闭传感器,记录下力传感器的示数F;
⑥通过分析纸带得到小车加速度a;
⑦改变钩码的质量,重复步骤①②③④⑤⑥;
⑧作出a—F图象,得到实验结论。
(1)本实验在操作中是否需要满足钩码的质量远远小于小车的质量______________(选填“是”或“否”)。
(2)某次释放小车后,力传感器示数为F,通过天平测得小车的质量为M,动滑轮和钩码的总质量为m,不计滑轮的摩擦,则小车的加速度理论上应等于______________
(3)如图是某次实验有效纸带的一段,部分计数点如图所示(每相邻两个计数点间还有4个打印点未画出)。测得s1=3.59cm,s2=4.41cm,s3=5.19cm,s4=5.97cm,s5=6.78cm,s6=7.64cm,则钩码的加速度a=_________m/s2。
【答案】否
【解析】
(1)[1]本实验利用力传感器测量细线上的拉力,不需要用钩码的重力代替,所以不需要满足钩码的质量远远小于小车的质量。
(2)[2]根据牛顿第二定律可得
变形可得
(3)[3]根据
运用逐差法可得
代入数据解得
3.(2020·宜宾市叙州区第一中学校高二期末)如图甲所示,质量为m的滑块A放在气垫导轨上,B为位移传感器,它能将滑块A到传感器B的距离数据实时传送到计算机上,经计算机处理后在屏幕上显示滑块A的速率-时间()图象.整个装置置于高度h可调节的斜面上,斜面长度为.
(1)现给滑块A沿气垫导轨向上的初速度,其图线如图乙所示.从图线可得滑块A上滑时的加速度大小_________(结果保留一位有效数字).
(2)若用此装置来验证牛顿第二定律,通过改变_______,可验证力一定时,加速度与质量成反比的关系;通过改变_________,可验证质量一定时,加速度与力成正比的关系(重力加速度g的值不变).
【答案】 调节滑块的质量及斜面的高度,且使mh不变 高度h
【解析】
(1)在v-t图象中斜率代表加速度故.
(2)牛顿第二定律研究的是加速度与合外力和质量的关系.当质量一定时,可以改变力的大小,当斜面高度不同时,滑块受到的力不同,可以探究加速度与合外力的关系.由于滑块下滑加速的力是由重力沿斜面向下的分力提供,所以要保证向下的分力不变,应该使不变,所以应该调节滑块的质量及斜面的高度,且使mh不变.
【点睛】解答本题关键是能够把v-t图象运用物理规律结合数学知识解决问题.对滑块进行运动和受力分析,运用牛顿第二定律结合运动学公式解决问题.
4.(2020·天津高三三模)图1为“验证牛顿第二定律”的实验装置示意图。砂和砂桶的总质量为m,小车和砝码的总质量为M。实验中用砂和砂桶总重力的大小作为细线对小车拉力的大小。
①实验中,为了使细线对小车的拉力等于小车所受的合外力,先调节长木板一端滑轮的高度,使细线与长木板平行。接下来还需要进行的一项操作是______。
A.将长木板水平放置,让小车连着已经穿过打点计时器的纸带,给打点计时器通电,调节m的大小,使小车在砂和砂桶的牵引下运动,从打出的纸带判断小车是否做匀速运动
B.将长木板的一端垫起适当的高度,让小车连着已经穿过打点计时器的纸带,撤去砂和砂桶,给打点计时器通电,轻推小车,从打出的纸带判断小车是否做匀速运动
C.将长木板的一端垫起适当的高度,撤去纸带以及砂和砂桶,轻推小车,观察判断小车是否做匀速运动
②实验中要进行质量m和M的选取,以下最合理的一组是_______。
A.M=20g,m=10g、15g、20g、25g、30g、40g
B.M=200g,m=20g、40g、60g、80g、100g、120g
C.M=400g,m=10g、15g、20g、25g、30g、40g
D.M=400g,m=20g、40g、60g、80g、100g、120g
③下图是实验中得到的一条纸带,A、B、C、D、E、F、G为7个相邻的计数点,相邻的两个计数点之间还有四个点未画出。量出相邻的计数点之间的距离分别为sAB=4.22cm,sBC=4.65cm、sCD=5.08cm,sDE=5.49cm、sEF=5.91cm、sFG=6.34cm。已知打点计时器的工作频率为50Hz,则小车的加速度a=_____m/s2(结果保留2位有效数字)。
【答案】B C
【解析】
(1)[1]为了使细线对小车的拉力等于小车所受的合外力,先调节长木板一端滑轮的高度,使细线与长木板平行。接下来还需要进行的一项操作是将长木板的一端垫起适当的高度,让小车连着已经穿过打点计时器的纸带,撤去砂和砂桶,给打点计时器通电,轻推小车,从打出的纸带判断小车是否做匀速运动,即平衡摩擦力。故AC错误,B正确。故选B。
(2)[2]只有时,才可以将小车与砝码受到的合外力看作为砂与砂桶的总重力,因此应选择最小的一组,故ABD错误,C正确。故选C。
(3)[3]相邻的两个计数点之间还有四个点未画出,则相邻的计数点时间间隔为
利用匀变速直线运动的推论
可得
为了更加准确的求出加速度,我们对三个加速度取平均值,即
代入数据解得
5.(2020·延安市第一中学高一月考)某实验小组用如图甲所示的实验装置探究质量一定时加速度与力的关系。过程如下:
①将一端带有滑轮的长木板置于水平桌面,带滑轮的小车放在长木板上;
②将细绳一端与固定的拉力传感器相连,跨过小车和长木板上的定滑轮,另一端连接砂桶
③释放砂桶,小车在细绳牵引下运动,与小车连接的纸带通过打点计时器可记录小车运动情况,拉力传感器可测出细绳拉力F;
④多次改变砂和砂桶的质量,读出拉力F并求出小车加速度a;
⑤以拉力F为横轴,加速度a为纵轴,画出的a﹣F图像是一条倾斜直线,如图乙所示。进一步论证可得出小车质量一定时加速度与力的关系。
请回答下列问题:
(1)关于该实验,下列说法正确的是_____
A.必须平衡小车所受的摩擦力
B.砂桶和砂的总质量要远小于小车的质量
C.先接通打点计时器的电源,后释放小车
D.必须用天平测得砂和砂桶的质量
(2)如图丙所示为实验中得到纸带的一段,两计数点间还有四个点没有画出,已知打点计时器打点时间间隔0.02s,则小车的加速度为_____m/s2。
(3)若测得乙图中图线的斜率为k,则小车的质量M为_____。
【答案】AC 0.49
【解析】
(1)考察实验操作过程及原理。
A.牛顿第二定律中的作用力是合力,由于客观原因摩擦阻力是存在的,所以实验前先要平衡摩擦力,故A正确;
B.由于是用拉力传感器测拉力的,所以没必要砂桶的质量远小于小车的质量,故B错误;
C.凡涉打点计时器的实验均要求先通电后释放小车,故C正确;
D.拉力传感器已经测出,不必测砂桶质量,故D错误。
故选AC。
(2)由逐差公式求加速度为
(3)由于是用动滑轮与小车相连的,所以由牛顿第二定律有
所以图像斜率为
所以小车质量为
6.(2019·上海市莘庄中学高一期末)如图A.为“用DIS研究物体的加速度与质量的关系”实验装置.
(1)实验中应保持轨道___________且摩擦力足够小;为了研究小车的加速度与质量的关系,应保持_______________不变.
(2)若测得小车和发射器的总质量为0.3千克,则跨过滑轮的细绳下悬挂的钩码质量最适合用 (______)
A.20克 B.50克 C.100克 D.200克
(3)某同学用正确的实验方法测得实验数据,作出a-m图线如图B..他观察到a-m图线为曲线,于是得出物体的加速度与质量成反比.你认为他的做法正确吗?如果认为正确,请说明理由.如果认为不正确,请给出正确的处理方法_______________.
【答案】(1)水平; 小车所受拉力 (或钩码个数); (2)A; (3)某同学做法不正确.正确的处理方法是计算质量的倒数,然后作出a—图线,如所得图线为过原点的直线,则a与m成反比.否则则a与m不成反比.(或正确的做法是检验这条曲线是否为反比例曲线,如每组数据的a×m的值都在误差范围内相等,则a与m成反比.否则则a与m不成反比.)
【解析】
(1)实验中应保持轨道水平且摩擦力足够小;为了研究小车的加速度与质量的关系,应保持小车所受拉力 (或钩码个数)不变.
(2)要想使得小车受到的拉力等于钩码的重力,则必须使得钩码的质量远小于小车的质量,则钩码质量最适合用20g,故选A.
(3)这位同学做法不正确.正确的处理方法是计算质量的倒数,然后作出a—图线,如所得图线为过原点的直线,则a与m成反比.否则则a与m不成反比.(或正确的做法是检验这条曲线是否为反比例曲线,如每组数据的a×m的值都在误差范围内相等,则a与m成反比.否则则a与m不成反比.)
7.为了探究物体质量一定时加速度与力的关系,甲、乙两同学设计了如图所示的实验装置.其中M为带滑轮的小车的质量,m为砂和砂桶的质量,m0为滑轮的质量.力传感器可测出轻绳中的拉力大小.
(1) 实验时,一定要进行的操作是______.
A.用天平测出砂和砂桶的质量
B.将带滑轮的长木板右端垫高,以平衡摩擦力
C.小车靠近打点计时器,先接通电源,再释放小车,打出一条纸带,同时记录力传感器的示数
D.为减小误差,实验中一定要保证砂和砂桶的质量m远小于小车的质量M.
(2) 甲同学在实验中得到如图所示的一条纸带(两计数点间还有四个点没有画出),已知打点计时器采用的是频率为50 Hz的交流电,根据纸带可求出小车的加速度为___m/s2(结果保留三位有效数字).
(3) 甲同学以力传感器的示数F为横坐标,加速度a为纵坐标,画出的a-F图象是一条直线,图线与横坐标的夹角为θ,求得图线的斜率为k,则小车的质量为_________________.
A. B.-m0 C.-m0 D.
(4) 乙同学根据测量数据作出如图所示的a-F图线,该同学做实验时存在的问题是___________.
【答案】BC 2.00 C 没有平衡摩擦力或平衡摩擦力不够
【解析】
(1)本题拉力可以由传感器测出,不需要用天平测出砂和砂桶的质量,也就不需要使小桶(包括砂)的质量远小于车的总质量,故AD错误;实验时需将长木板右端垫高,以平衡摩擦力,故B正确;实验时,小车应靠近打点计时器,先接通电源,再释放小车,需记录传感器的示数,故C正确.
(2)根据,运用逐差法得.
(3)由牛顿第二定律得,则,a-F图象的斜率,则小车的质量,故C正确.
(4)当F不等于零,加速度a仍然为零,可知实验中没有平衡摩擦力或平衡摩擦力不够.
【点睛】
解决实验问题首先要掌握该实验原理,了解实验的操作步骤和数据处理以及注意事项,小车质量不变时,加速度与拉力成正比,对a-F图来说,图象的斜率表示小车质量的倒数.
8.(2020·福建省高一期末)某同学利用图(甲)所示的装置探究加速度与力的关系
(1)下列说法中正确的是_______
A.连接小车的细绳应跟长木板保持平行
B.小车运动的加速度可用钩码质量m和小车质量M直接用公式求出
C.把所悬挂的钩码总重量当成细绳对小车的拉力大小,可任意添加钩码来改变拉力
D.平衡摩擦力的目的是使小车做加速运动时的合力大小等于细绳对小车的拉力大小
(2)图(乙)是实验中得到的一条纸带的一部分,1、2、3、4、5是计数点,相邻两个计数点间还有4个点未画出,打点计时器所用电源频率为50Hz。由此可得出当打点计时器打下计数点4时,小车的速度大小______m/s;小车的加速度___m/s2。(计算结果保留三位有效数字)
(3)该同学实验时由于疏忽,遗漏了平衡摩擦力这一步骤,测量出多组a、F(F大小为所挂钩码的总重量)值,作出的a-F图像可能是____________
A.B.C.
【答案】AD 0.415 1.09 B
【解析】
(1)[1]A.若细绳与长木板不保持平行,则绳子的拉力分力等于小车的外力,这样导致误差增大,故A正确;
B.小车运动的加速度是利用打点计时器测量,如果用天平测出m以及小车质量M,直接用公式
求出,这是在直接运用牛顿第二定律计算的,而我们实验是在探究加速度与物体所受合外力和质量间的关系,故B错误;
C.当钩码质量远小于小车质量时可以近似认为小车受到的拉力等于钩码的重力,实验过程中钩码质量不能太大,故C错误;
D.平衡摩擦力的目的是使小车做加速运动时的合力大小等于细绳对小车的拉力大小,故D正确。
故选AD。
(2)[2]由于相邻两计数点间还有4个打点未画出,且交流电的频率为50Hz,所以相邻的计数点间的时间间隔是
T=0.1s
根据匀变速直线运动中时间中点的速度等于该过程中的平均速度,则有
[3]根据匀变速直线运动的推论公式
△x=aT2
可以求出加速度的大小,则有
(3)[4]若没有平衡摩擦力,则当F≠0时,a=0.也就是说当绳子上有拉力时小车的加速度还为0,所以可能是图中的图线B,故B正确,ACD错误。
9.力的传感器可以把它受力的大小随时间变化的情况由计算机屏幕显示出来,因此在高中物理实验中有着广泛的应用。如图甲所示,某研究小组利用力传感器以及一端带滑轮的长木板、小车、砝码以及打点计时器等做“探究加速度与力、质量的关系”的实验。
(1)关于平衡摩擦力,下列说法中正确的有__(填正确选项前的字母)。
A.调节滑轮的高度,使细线与水平桌面平行
B.应将沙桶挂上,但桶里不要注入沙子
C.每次改变小车质量,都要重新平衡摩擦力
D.应使小车沿倾斜的木板做匀速直线运动
(2)图乙是实验中得到的一条纸带,、、、、、、为相邻的计数点,相邻的两个计数点之间还有4个点没有标出,现量出、和、间距离分别为和。已知打点计时器打连续两个点之间的时间为,则小车的加速度__.(结果取三位有效数字)
(3)在保持小车和小车内砝码总质量不变的情况下,测得的加速度与力的传感器的数据如下表。
0.196
0.392
0.442
0.784
0.980
0.480
0.980
1.41
1.93
2.44
请利用上表中实验数据,在图丙中作出关系图象(_______)。
(4)在(3)中,小车内砝码的质量为,根据所画图象求得小车的质量为__.(结果保留两位有效数字)
【答案】D 0.643 见解析所示 0.35
【解析】
(1)[1]A.平衡摩擦力是利用小车自身的重力来平衡,即调节至小车沿斜面方向的分力和摩擦力大小相等,细线应与倾斜的木板平行,故A错误;
B.平衡摩擦力是利用小车自身的重力来平衡,故不能挂上沙桶,故B错误;
C.小车沿斜面方向的分力和摩擦力大小相等,有
故每次改变小车质量,不用重新平衡摩擦力,故C错误;
D.小车平衡摩擦力后,受力平衡,将会沿倾斜的木板做匀速直线运动,故D正确。
(2)[2]由匀变速直线运动规律可知:
代入数据得:
(3)[3]a-F关系图象如图所示。
(4)[4]此时已平衡摩擦力,故小车和砝码只受力F作用,由图已知对应的加速度,故有:
代入数据解得:
10.(2020·河南省原阳一中高一开学考试)为了探究质量一定时加速度与力的关系。一同学设计了如图甲所示的实验装置。其中为带滑轮的小车的质量,为砂和砂桶的质量。(滑轮质量不计)
(1)实验时,一定要进行的操作或保证的条件是(____)。
A.用天平测出砂和砂桶的质量
B.将带滑轮的长木板右端垫高,以平衡摩擦力
C.小车靠近打点计时器,先释放小车,再接通电源,打出一条纸带,同时记录弹簧测力计的示数
D.改变砂和砂桶的质量,打出几条纸带
E.为减小误差,实验中一定要保证砂和砂桶的质量远小于小车的质量
(2)该同学在实验中得到如图乙所示的一条纸带(相邻两计数点间还有两个点没有画出),已知打点计时器采用的是频率为的交流电,根据纸带可求出小车的加速度为________(结果保留两位有效数字)。
(3)以弹簧测力计的示数为横坐标,加速度为纵坐标,画出的图象是一条直线,图线与横轴的夹角为,求得图线的斜率为,则小车的质量为(____)
A. B. C. D.
【答案】BD 1.3 D
【解析】
(1)[1].本实验中细线的拉力由弹簧测力计直接测出,不需要用天平测出砂和砂桶的质量,也就不需要使砂和砂桶的质量m远小于小车的质量M,故AE错误。先拿下砂桶,然后将带滑轮的长木板右端垫高,以平衡摩擦力,故B正确;打点计时器运用时,都是先接通电源,待打点稳定后再释放纸带,该实验探究加速度与力和质量的关系,要同时记录弹簧测力计的示数,故C错误;要改变砂和砂桶质量,从而改变拉力的大小,打出几条纸带,研究加速度随F变化关系,故D正确;故选BD。
(2)[2].根据公式∆x=aT2,依据逐差法可得小车加速度。
由于两计数点间还有二个点没有画出,故相邻计数点的时间间隔为 T=0.06s,可得
(3)[3].由,得
对图来说,图象的斜率
得
对于斜率k,不能根据k=tanθ求解,所以不能根据求小车的质量M。故ABC错误,D正确。
11.(2019·云南省云天化中学高一期末)“探究加速度与力的关系”的实验装置如图甲所示.
(1)实验的五个步骤如下:
a.将纸带穿过打点计时器并将一端固定在小车上;
b.把细线的一端固定在小车上,另一端通过定滑轮与小桶相连;
c.平衡摩擦力,让小车做匀速直线运动;
d.接通电源后释放小车,小车在细线拉动下运动,测出小桶(和沙)的重力mg,作为细线对小车的拉力F,利用纸带测量出小车的加速度a;
e.更换纸带,改变小桶内沙的质量,重复步骤d的操作.
按照实验原理,这五个步骤的先后顺序应该为:________(将序号排序)
(2)实验中打出的某一条纸带如图乙所示.相邻计数点间的时间间隔是0.1 s,由此可以算出小车运动的加速度是________m/s2.
(3)利用测得的数据,可得到小车质量M一定时,运动的加速度a和所受拉力F(F=mg,m为沙和小桶质量,g为重力加速度)的关系图象(如图丙所示).拉力F较大时,a-F图线明显弯曲,产生误差.若不断增加沙桶中沙的质量,a-F图象中各点连成的曲线将不断延伸,那么加速度a的趋向值为_______(用题中出现物理量表示). 为避免上述误差可采取的措施是________:
A.每次增加桶内沙子的质量时,增幅小一点
B.测小车的加速度时,利用速度传感器代替纸带和打点计时器
C.将无线力传感器捆绑在小车上,再将细线连在力传感器上,用力传感器读数代替沙和小桶的重力
D.在增加桶内沙子质量的同时,在小车上增加砝码,确保沙和小桶的总质量始终远小于小车和砝码的总质量
【答案】acbde; 1.46; g; C
【解析】
(1)[1].按照实验原理,这五个步骤的先后顺序应该为:acbde;
(2)[2].根据∆x=aT2可知
(3)[3][4].因为沙和沙桶的重力在这个实验中充当小车所收到的合外力,当沙和沙桶的重力非常大时,它将带动小车近似做加速度为g 的运动.随着钩码的数量增大到一定程度时a-F图线明显偏离直线,造成此误差的主要原因是所挂钩码的总质量太大,而我们把用钩码所受重力作为小车所受的拉力,所以消除此误差可采取的简便且有效的措施应该测量出小车所受的拉力,即在钩码与细绳之间放置一力传感器,得到力F的数值,在作出小车运动的加速度a和力传感器读数F的关系图象,故选C.
【点睛】
对于实验我们要明确实验原理、具体实验操作以及数据处理等,同时要清楚每一项操作存在的理由,只有掌握好了基本知识和基本方法才能顺利解决实验题目,所以要重视基本知识和基本方法的学习和训练.
12.(2020·广西壮族自治区高一期末)用如图甲所示的实验装置,探究加速度与力、质量的关系实验中,将一端带定滑轮的长木板放在水平实验桌面上,实验小车通过轻细绳跨过定滑轮与砂桶相连,小车与纸带相连,打点计时器所用交流电的频率为f=50 Hz.平衡摩擦力后,在保持实验小车质量不变的情况下,放开砂桶,小车加速运动,处理纸带得到小车运动的加速度为;改变砂桶中沙子的质量,重复实验三次.
(1)在验证“质量一定,加速度与合外力的关系”时,某学生根据实验数据作出了如图乙所示的图象,其中图线不过原点并在末端发生了弯曲现象,产生这两种现象的原因可能有_____.
A.木板右端垫起的高度过小(即平衡摩擦力不足)
B.木板右端垫起的高度过大(即平衡摩擦力过度)
C.砂桶和沙子的总质量远小于小车和砝码的总质量(即)
D.砂桶和沙子的总质量未远小于小车和砝码的总质量.
(2)实验过程中打出的一条理想纸带如图丙所示,图中、、、、、、为相邻的计数点,相邻两计数点间还有4个点未画出,则小车运动的加速度=_____.(结果保留3位有效数字)
(3)小车质量一定,改变砂桶中沙子的质量,砂桶和沙子的总质量为,根据实验数据描绘出的小车加速度与砂桶和沙子的总质量之间的关系图象如图丁所示,则小车的质量_____.(g=10m/s2)
【答案】BD 2.00 0.4
【解析】
(1)图线不过原点且力为零时小车加速度不为零;所以木板右端垫起的高度过大(即平衡摩擦力过度)
图线末端发生了弯曲现象,是因为当砂桶和沙子的总质量未远小于小车和砝码的总质量后,绳上拉力小于砂桶和沙子的总重力。
故答案为BD
(2) 相邻两计数点间还有4个点未画出,则两计数点间时间间隔
小车运动的加速度
(3) 设绳子拉力为,对砂桶和沙子受力分析,由牛顿第二定律可得:
对小车和砝码受力分析,由牛顿第二定律可得:
联立解得:,整理得:
由关系图象可得:,解得:
13.(2020·浙江省高一期末)某实验小组利用如图甲所示的装置在进行“究加速度与力和质量的关系”的实验:
(1)在实验准备过程中,发现实验室有两种打点计时器,如图乙所示。则图①的打点计时器工作电压为___;
(2)实验过程中下列做法正确的是___;
A.调节滑轮的高度,使牵引小车的细绳与长木板保持平行
B.适当垫高长木板无滑轮的一端使未挂砝码桶的小车恰能拖着纸带匀速下滑
C.实验时,先释放小车再接通打点计时器电源
D.通过增减小车上的钩码改变质量时,需要每次都重新调节长木板倾斜角度
(3)在探究加速度与外力关系时,为使砝码桶及桶内砝码的总重力大小在数值上近似等于小车运动时受到的拉力大小,应满足的条件是砝码桶及桶内砝码的总质量___(选填“远大于”“远小于”或“近似等于”)小车和小车上钩码的总质量;
(4)在实验中,某同学得到了一条纸带如图所示,选择了A、B、C、D、E、F、G作为计数点,相邻两个计数点间还有4个计时点没有标出,其中x1=7.05cm、x2=7.68cm、x3=8.33cm、x4=8.95cm、x5=9.61cm、x6=10.27cm,电源频率50Hz,可以计算出打纸带上B点时小车的瞬时速度vB=___m/s(保留两位有效数字);
(5)在探究加速度与质量关系时,保持砝码桶及桶内砝码的总质量一定,改变小车及小车上钩码的总质量M,测出相应的加速度。采用图像法处理数据时,为了比较容易地确定出加速度a与质量M的关系,应该作a与___的图像。
【答案】46V AB 远小于 0.74
【解析】
(1)[1] 图①的打点计时器为电磁打点计时器,工作电压为4-6V低压交流电;
(2)[2]A。调节滑轮高度,使牵引木块的细绳与长木板保持平行,否则拉力不会等于合力,故A正确;
B.在调节木板的倾斜度平衡木块受到的摩擦力时,不悬挂重物,使小车恰能拖着纸带匀速下滑,故B正确;
C.实验时先接通电源再释放小车,故C错误;
D.平衡摩擦力后,有
即
与质量无关,故通过增减木块上的砝码改变质量时,不需要重新调节木板倾斜度,故D错误。
故选AB。
(3)[3]在平衡摩擦力后,根据牛顿第二定律得
对m有
对M有
解得
当 时,即当重物得重力远小于小车得重力,绳子的拉力近似等于重物的总重力;
(4)[4]根据中间时刻的瞬时速度等于这段时间内的平均速度可知
(5)[5]根据实验可知加速度与质量成反比,为了形象直观,应该做a与的图像。
14.(2020·辽宁省高一期末)在“探究加速度与力、质量的关系”的实验中,某组同学制定实验方案、选择实验器材且组装完成。在接通电源进行实验之前,实验装置如图甲所示。
(1)关于图甲中的实验装置,下列说法中错误的的是___________;
A.打点计时器应该固定在长木板的最左端
B.打点计时器不应该使用干电池,应使用交流电源
C.应该将木板右端垫起合适的高度,平衡小车所受的摩擦力
D.小车初始应该靠近打点计时器放置
(2)保持小车质量不变,改变沙和沙桶质量,该同学根据实验数据作出了加速度与合外力的关系图线如图乙所示,该图线不通过原点的主要原因是________________________________________;
(3)沙和沙桶质量_______________________小车质量时,才可以认为细绳对小车拉力的大小近似等于沙和沙桶的重力大小;
A.远大于 B.远小于 C.接近 D.小于
(4)另一组同学用正确的方法进行操作,某次实验使用频率50Hz的交流电源,得到的纸带如图丙所示,纸带中相邻计数点间的距离已标出,相邻计数点间还有四个点没有画出。由此可求小车的加速度大小是______________m/s2,打点D时小车的瞬时速度大小是_________________m/s。(结果保留三位有效数字)
【答案】A 平衡摩擦力不足或没有平衡摩擦力 B 0.818 0.561
【解析】
(1)[1].AD.打点汁时器应该固定在长木板没有定滑轮的右端,即小车初始应该靠近打点计时器放置,故A错误,D正确;
B.打点计时器不应该使用干电池,应使用交流电源,B正确;
C.应该将木板右端垫起合适的高度,平衡小车所受的摩擦力,故C正确;
故选A。
(2)[2].由图象乙知,当F=0时,a≠0,说明该同学平衡摩擦力不足或没有平衡摩擦力。
(3)[3].本题实验认为细绳对小车拉力的大小近似等于沙和沙桶的重力大小,需要满足沙和沙桶质量小于小车质。
(4)[4][5].相邻两计数点之间还有四个点未画出,故相邻两个计数点之间的时间间隔为
T=5×0.02s=0.1s;
由公式x2-x1=aT2及逐差法求加速度
中间时刻的速度等于该时间段的平均速度,所以小车在D点的速度为
人教版 (2019)必修 第一册第四章 运动和力的关系2 实验:探究加速度与力、质量的关系习题: 这是一份人教版 (2019)必修 第一册<a href="/wl/tb_c162929_t7/?tag_id=28" target="_blank">第四章 运动和力的关系2 实验:探究加速度与力、质量的关系习题</a>,共32页。试卷主要包含了实验目的,实验原理,实验器材,实验步骤,注意事项等内容,欢迎下载使用。
高中物理人教版 (2019)必修 第一册2 实验:探究加速度与力、质量的关系复习练习题: 这是一份高中物理人教版 (2019)必修 第一册2 实验:探究加速度与力、质量的关系复习练习题,共4页。
高中人教版 (2019)2 实验:探究加速度与力、质量的关系同步达标检测题: 这是一份高中人教版 (2019)2 实验:探究加速度与力、质量的关系同步达标检测题,共25页。试卷主要包含了2 实验等内容,欢迎下载使用。

