所属成套资源:【精编】鲁科版(五四制)初中物理八年级下册全册同步课件PPT+练习+学案
2021学年第七章 压强第二节 液体压强习题
展开
这是一份2021学年第七章 压强第二节 液体压强习题,共14页。试卷主要包含了0分),4ρgh,【答案】A,【答案】B等内容,欢迎下载使用。
一、单选题(本大题共10小题,共20.0分)
在图中,能正确描述同种液体中液体压强与深度关系的是( )
A. B.
C. D.
如图,装有两种不同液体的烧杯置于水平面上,两液体没有混合。上层液体的高度为h,密度为0.8ρ;下层液体的高度为2h,密度为ρ。则液体对烧杯底部的压强为( )
A. 2.4ρgh
B. 2.7ρgh
C. 2.8ρgh
D. 3ρgh
如图所示,盛有水的容器静止在水平桌面上。容器重1 N,容器中水重7 N,容器顶部和底部的面积均为100 cm2,顶部到底部的高度h2=6 cm,侧壁上有一开口弯管,弯管内的水面高度h1=8 cm;水的密度为1.0×103kg/m3,g取10 N/kg。下列选项中正确的是 ( )
A. 水对容器顶部的压强为200 PaB. 水对容器底部的压强为600 Pa
C. 水对容器底部的压力为7 ND. 容器对桌面的压力为9 N
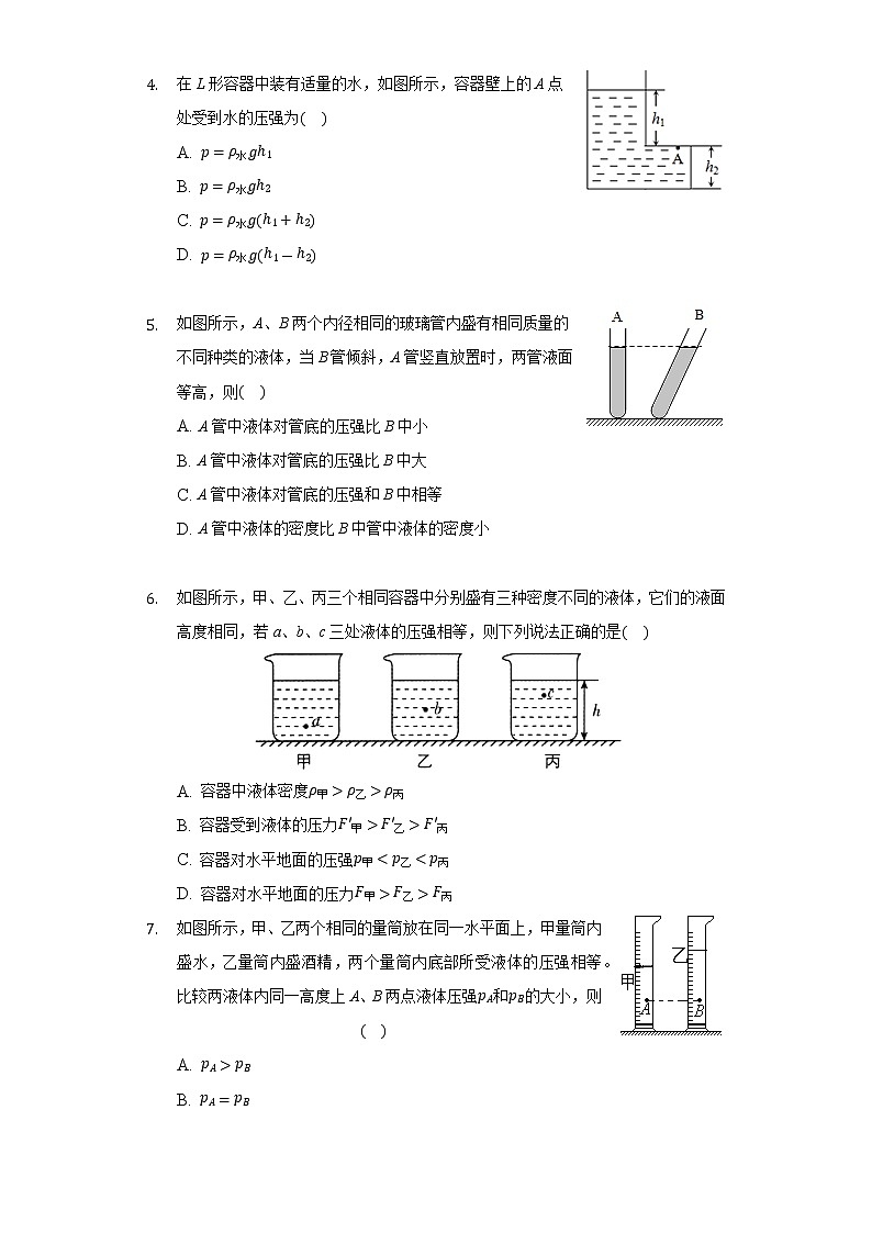
在L形容器中装有适量的水,如图所示,容器壁上的A点处受到水的压强为( )
A. p=ρ水gh1
B. p=ρ水gh2
C. p=ρ水g(h1+h2)
D. p=ρ水g(h1-h2)
如图所示,A、B两个内径相同的玻璃管内盛有相同质量的不同种类的液体,当B管倾斜,A管竖直放置时,两管液面等高,则( )
A. A管中液体对管底的压强比B中小
B. A管中液体对管底的压强比B中大
C. A管中液体对管底的压强和B中相等
D. A管中液体的密度比B中管中液体的密度小
如图所示,甲、乙、丙三个相同容器中分别盛有三种密度不同的液体,它们的液面高度相同,若a、b、c三处液体的压强相等,则下列说法正确的是( )
A. 容器中液体密度ρ甲>ρ乙>ρ丙
B. 容器受到液体的压力F'甲>F'乙>F'丙
C. 容器对水平地面的压强p甲F丙
如图所示,甲、乙两个相同的量筒放在同一水平面上,甲量筒内盛水,乙量筒内盛酒精,两个量筒内底部所受液体的压强相等。比较两液体内同一高度上A、B两点液体压强pA和pB的大小,则( )
A. pA>pB
B. pA=pB
C. pA”“
增大右侧容器中的金属盒在液体中的深度(或减小左侧容器中的金属盒在液体中的深度)
【解析】略
13.【答案】深 水窖上粗下细
【解析】水窖上粗下细,每天用水量基本相同时,随着储水量的减少,水面下降得越来越快,则水窖底部压强变化越来越快,每天压力大小下降得越来越快。
14.【答案】800 4
【解析】水对杯底的压强为p=ρgh=1.0×103 kg/m3×10 N/kg×0.08 m=800 Pa,
根据公式p=FS得,水对杯底的压力为F=pS=800 Pa×50×10-4 m2=4 N。
15.【答案】解:由于液体的压强与液体的深度和密度有关,两图中金属盒所处的深度相同,而盐水的密度大于水的密度,因此,盐水中相同深度的压强大,则(b)图中U形管两边液面的高度差大,如图所示:
【解析】实验中通过U形管两边液面的高度差来反映液体内部压强的大小。液体的压强与液体的深度和密度有关。
本题主要考查了液体压强特点的理解,要注意实验中的观察重点,据此来完成画图,难度不大。
16.【答案】解:小球从甲位置下落,在未浸入水中时,容器液面不变,
小球逐渐浸入水中,排开水的体积逐渐变大,容器内水面上升;
当小球下落至乙位置悬浮在水中,排开水的体积不变,
综上可知,容器内水面先不变后上升,然后水面保持不变,
由p=ρgh可知,水对容器底的压强p先不变后增大,然后保持不变,如图所示:
【解析】小球从甲位置下落,在未浸入水中时,容器液面不变,当小球逐渐浸入水中,排开水的体积逐渐变大,容器内水面上升,当小球下落至乙位置悬浮在水中,排开水的体积不变,液面不在发生变化,根据物体浮沉条件和阿基米德原理比较开始和浸没时水面的高度关系,然后结合水对容器底的压强p=ρgh进行解答。
本题考查了阿基米德原理、液体压强公式的综合应用,正确分析将小球从甲位置下落至乙位置的过程中水深的变化特点是关键。
17.【答案】(1)大于 A (2)差 (3)相等 (4)深度 (5)大
【解析】略
18.【答案】(1)高度差;转换
(2)b
(3)C、D;液体密度;控制变量
(4)相等
【解析】略
19.【答案】(1)杯底受到水的压强:p=ρgh=1.0×103 kg/m3×10 N/kg×0.1 m=1000 Pa。
(2)杯底受到水的压力: F=pS=1000 Pa×0.01 m2=10 N。
(3)桌面受到盛水烧杯的压强: p'=F'S=GS=11N0.01m2=1100Pa。
【解析】略
20.【答案】解:(1)水对茶壶底部的压强p=ρgh=1.0×103kg/m3×10N/kg×0.12m=1.2×103Pa,水对茶壶底部的压力F=pS=1.2×103Pa×4×10-3m2=4.8N。
(2)茶壶对桌面的压力,茶壶对桌面的压强p'=F'S=10N4×10-3m2=2.5×103Pa。
【解析】略
相关试卷
这是一份物理八年级下册第二节 液体压强课后作业题,共7页。试卷主要包含了液体压强的特点是等内容,欢迎下载使用。
这是一份初中物理鲁教版 (五四制)八年级下册第三节 功同步练习题,共16页。试卷主要包含了0分),0×103kg/m3),【答案】A,【答案】D等内容,欢迎下载使用。
这是一份2021学年第四节 功 率课时练习,共14页。试卷主要包含了0分),9 WC,7×105J,25×103W,【答案】D等内容,欢迎下载使用。

